Login Register

2005 XC90 T6 Executive Project Car.

A mid-size luxury crossover SUV, the Volvo XC90 made its debut in 2002 at the Detroit Motor Show. Recognized for its safety, practicality, and comfort, the XC90 is a popular vehicle around the world. The XC90 proved to be very popular, and very good for Volvo's sales numbers, since its introduction in model year 2003 (North America). P2 platform.
Post Reply
User avatar
RickHaleParker
Posts: 7129
Joined: 25 May 2015
Year and Model: See Signature below.
Location: Kansas
Has thanked: 8 times
Been thanked: 958 times

2005 XC90 T6 Executive Project Car.

Post by RickHaleParker »

Got bored. Bought another $500.00 Mechanics special to keep me busy. 2005 XC90 T6 Executive. Its a weirdo, should be a challenge to make it fly straight. Posting this journey here for anybody that wants to follow along.

When I was checking it out, the PO had to jump start the car, battery flat dead.

He gets it running and I smell Sulfur (Rotten eggs). This can be one of three things catalytic converter, rich air/fuel mixture or the battery. Checked the exhaust, it felt like the flow was good. Smell stopped after the engine was running for awhile.

Hooked up VIDA/DiCE It had a codes for Shift solenoid S2 and DEM along with a long list of other DTCs. Nothing to indicate a serious problem with the problematic 4T65 AWD.

Test drive around PO’s neighborhood. Did not take it out on the highway because the PO had let his insurance lapse. Slight thump on hard turns. The transmission shifted with difficulty but it shifted was not worried about it and expected it with the Shift solenoid S2 DTC. Engine was low on power but It a $500 mechanics special and intended as a project.

With my main concern, the transmission, out of the way. I went back to the PO’s place and bought it.

The drive home was something else, had to kick in in neutral to stop, did not have much power. Almost made it home when a cop pulled me over for a headlight out. No ticket but the cop was a young ignorance prick that did not know much but thought he knew everything. Tried to tell me I could not have my registration and registration plate from I car I sold on that. Bull Shit! Kansas allows the owner of the registration and registration plate to use it a new to them car. We have 30 days to go to the county clerk and process the paper work for a transfer. I been doing this for 40 years stopped and checked many times. On top of that, the rules for this are posted on the Kansas Highway Patrol website.

Got it home shut it off, battery still flat dead (8.9V) after 40 miles drive. Replaced the battery, cleared codes, ran it around neighborhood. So far the Shift solenoid S2 and DEM have not come back and it appears to be shifting OK. Could not really work the transmission, engine issues to work out, not much power. Rotten egg smell gone also, best guess is the low voltage was causing some serious brain damage and the air/fuel mixture was excessively rich.

More then likely I got a lot of deferred maintenance and repairs to work through. It is wet and chilly here now, I'll wait until next week when the sun is to come out and the temperature gets up in the 70s. Then I'll take it's vital statistics and work out a plan of attack.
⸙⸙⸙⸙⸙⸙⸙⸙⸙⸙⸙⸙⸙⸙⸙⸙⸙⸙⸙⸙⸙⸙⸙⸙⸙⸙⸙⸙⸙⸙⸙⸙⸙⸙⸙⸙⸙⸙⸙⸙⸙⸙⸙⸙⸙⸙⸙⸙⸙⸙⸙⸙⸙⸙⸙⸙⸙⸙⸙⸙⸙⸙⸙⸙⸙⸙⸙⸙⸙⸙⸙⸙⸙
1998 C70, B5234T3, 16T, AW50-42, Bosch Motronic 4.4, Special Edition package.
2003 S40, B4204T3, 14T twin scroll AW55-50/51SN, Siemens EMS 2000.
2004 S60R, B8444S TF80 AWD. Yamaha V8 conversion
2005 XC90 T6 Executive, B6294T, 4T65 AWD, Bosch Motronic 7.0.

zacharyzoosh
Posts: 20
Joined: 20 March 2013
Year and Model: S80 1999
Location:
Been thanked: 1 time

Post by zacharyzoosh »

i have had a few of these xc90 projects. Been paying $600 for them. One thing i noticed is that the stereo, are fiber optics, and a pain in the ass to replace; they often start to go whacky, and cause a battery drain... so look into that. Also, it sounds like you were on the right track. I have found that sulfer smell to also be connected to problem electrical surges or voltage issues; but rare. Also; once had that smell right before a serpentine pulley seized and was causing wear on the belt, then the tension caused belt to snap. Its funny because u have a pulley tensioner as the main pic on this article thread.
Good luck

User avatar
RickHaleParker
Posts: 7129
Joined: 25 May 2015
Year and Model: See Signature below.
Location: Kansas
Has thanked: 8 times
Been thanked: 958 times

Post by RickHaleParker »

At this point I have four DTCs.

ECM-3100 Misfire, at least one cylinder - start up.
ECM-3220 Misfire, cylinder 2 - start up.
ECM-3240 Misfire, cylinder 4 - start up.
ECM-432B Leak detection module, valve - single missing.

ECM-432B Substitute value The leak diagnostic is disabled.

My experience is that gathering as much information as you can before you start turning bolts is cost effective.

On that note: My first move is to get the diagnostic fully functional by dealing with the ECM-432B first.

Possible source
  • Contact resistance in the terminals
    Open-circuit in the signal cable
    Open-circuit in the power cable
    Damaged Leak detection valve.
⸙⸙⸙⸙⸙⸙⸙⸙⸙⸙⸙⸙⸙⸙⸙⸙⸙⸙⸙⸙⸙⸙⸙⸙⸙⸙⸙⸙⸙⸙⸙⸙⸙⸙⸙⸙⸙⸙⸙⸙⸙⸙⸙⸙⸙⸙⸙⸙⸙⸙⸙⸙⸙⸙⸙⸙⸙⸙⸙⸙⸙⸙⸙⸙⸙⸙⸙⸙⸙⸙⸙⸙⸙
1998 C70, B5234T3, 16T, AW50-42, Bosch Motronic 4.4, Special Edition package.
2003 S40, B4204T3, 14T twin scroll AW55-50/51SN, Siemens EMS 2000.
2004 S60R, B8444S TF80 AWD. Yamaha V8 conversion
2005 XC90 T6 Executive, B6294T, 4T65 AWD, Bosch Motronic 7.0.

User avatar
RickHaleParker
Posts: 7129
Joined: 25 May 2015
Year and Model: See Signature below.
Location: Kansas
Has thanked: 8 times
Been thanked: 958 times

Post by RickHaleParker »

The 12v receptacles and the Rear Seat Entertainment (RSE) was not working.
That one was easy, the only thing the two have in common is fuse 15 on the CEM.
⸙⸙⸙⸙⸙⸙⸙⸙⸙⸙⸙⸙⸙⸙⸙⸙⸙⸙⸙⸙⸙⸙⸙⸙⸙⸙⸙⸙⸙⸙⸙⸙⸙⸙⸙⸙⸙⸙⸙⸙⸙⸙⸙⸙⸙⸙⸙⸙⸙⸙⸙⸙⸙⸙⸙⸙⸙⸙⸙⸙⸙⸙⸙⸙⸙⸙⸙⸙⸙⸙⸙⸙⸙
1998 C70, B5234T3, 16T, AW50-42, Bosch Motronic 4.4, Special Edition package.
2003 S40, B4204T3, 14T twin scroll AW55-50/51SN, Siemens EMS 2000.
2004 S60R, B8444S TF80 AWD. Yamaha V8 conversion
2005 XC90 T6 Executive, B6294T, 4T65 AWD, Bosch Motronic 7.0.

User avatar
abscate  
MVS Moderator
Posts: 35272
Joined: 17 February 2013
Year and Model: 99: V70s S70s,05 V70
Location: Port Jefferson Long Island NY
Has thanked: 1497 times
Been thanked: 3810 times

Post by abscate »

subscribed

:-)
Empty Nester
A Captain in a Sea of Estrogen
1999-V70-T5M56 2005-V70-M56 1999-S70 VW T4 XC90-in-Red
Link to Maintenance record thread

User avatar
Rattnalle
Posts: 1674
Joined: 1 September 2017
Year and Model: 2004 V70 2.5T
Location: Sweden
Has thanked: 20 times
Been thanked: 133 times

Post by Rattnalle »

This thread is missing pictures! :-)

User avatar
RickHaleParker
Posts: 7129
Joined: 25 May 2015
Year and Model: See Signature below.
Location: Kansas
Has thanked: 8 times
Been thanked: 958 times

Post by RickHaleParker »

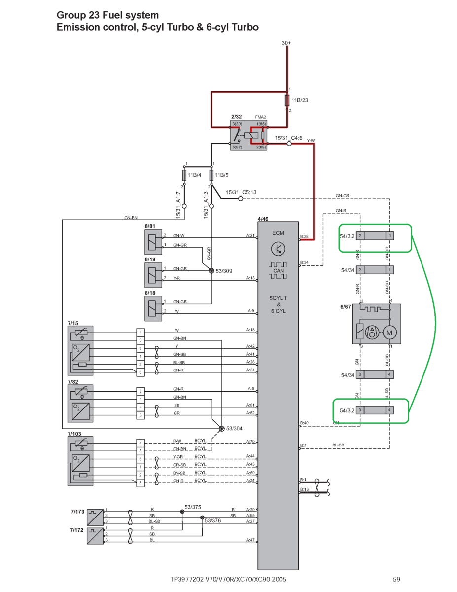
Today tried to trouble shoot ECM-432B without doing any wire tracing.

Found a second Leak detection module in the junk box. Disconnected installed Leak detection module. Connected loom to junk box Leak detection module. Cleared codes and did a rescan.

The logic is: if ECM-432B went away with the junk box Leak detection module that is conclusive proof ECM-432B is the installed Leak detection module not the wiring. If ECM-432B did not go away with the junk box Leak detection module, the test is inconclusive, Both modules might have the same defect or it could be the wiring, no way to deduce which.

ECM-432B is present with both of Leak detection modules ... test inconclusive.

Next move, ohm out the harness. The plan is to locate connector 54/3.2, disconnect it. Jumper across the pins. Ohm for closed circuits on the other end of the harness. From the reading I can deduce if the signal cable is open or not.

Got one mystery that is been bugging me all day. Connector 54/34 shows 4 wires. The physical connector on the Leak detection module is 5 wires. No clue what the fifth wire is.

Group 23 Fuel system.png
Connector54.3.2.png
⸙⸙⸙⸙⸙⸙⸙⸙⸙⸙⸙⸙⸙⸙⸙⸙⸙⸙⸙⸙⸙⸙⸙⸙⸙⸙⸙⸙⸙⸙⸙⸙⸙⸙⸙⸙⸙⸙⸙⸙⸙⸙⸙⸙⸙⸙⸙⸙⸙⸙⸙⸙⸙⸙⸙⸙⸙⸙⸙⸙⸙⸙⸙⸙⸙⸙⸙⸙⸙⸙⸙⸙⸙
1998 C70, B5234T3, 16T, AW50-42, Bosch Motronic 4.4, Special Edition package.
2003 S40, B4204T3, 14T twin scroll AW55-50/51SN, Siemens EMS 2000.
2004 S60R, B8444S TF80 AWD. Yamaha V8 conversion
2005 XC90 T6 Executive, B6294T, 4T65 AWD, Bosch Motronic 7.0.

precopster
Posts: 7543
Joined: 21 August 2010
Year and Model: Lots
Location: Melbourne Australia
Has thanked: 8 times
Been thanked: 128 times

Post by precopster »

What is a leak detection module? What sort of leak does it detect?
Current cars VW Transporter 2.5TDI, 2010 XC90 D5 R Design

User avatar
RickHaleParker
Posts: 7129
Joined: 25 May 2015
Year and Model: See Signature below.
Location: Kansas
Has thanked: 8 times
Been thanked: 958 times

Post by RickHaleParker »

precopster wrote: 14 May 2019, 18:05 What is a leak detection module? What sort of leak does it detect?
Module consisting of Air pump, control valve, heater, pressure detector.
Detects leaks in EVAPorative emission control system (EVAP) .
It is for detecting the infamous P0450, P0455, P0456 ... ect.
⸙⸙⸙⸙⸙⸙⸙⸙⸙⸙⸙⸙⸙⸙⸙⸙⸙⸙⸙⸙⸙⸙⸙⸙⸙⸙⸙⸙⸙⸙⸙⸙⸙⸙⸙⸙⸙⸙⸙⸙⸙⸙⸙⸙⸙⸙⸙⸙⸙⸙⸙⸙⸙⸙⸙⸙⸙⸙⸙⸙⸙⸙⸙⸙⸙⸙⸙⸙⸙⸙⸙⸙⸙
1998 C70, B5234T3, 16T, AW50-42, Bosch Motronic 4.4, Special Edition package.
2003 S40, B4204T3, 14T twin scroll AW55-50/51SN, Siemens EMS 2000.
2004 S60R, B8444S TF80 AWD. Yamaha V8 conversion
2005 XC90 T6 Executive, B6294T, 4T65 AWD, Bosch Motronic 7.0.

User avatar
RickHaleParker
Posts: 7129
Joined: 25 May 2015
Year and Model: See Signature below.
Location: Kansas
Has thanked: 8 times
Been thanked: 958 times

Post by RickHaleParker »

Took 30 second to locate connector 54/3.2.
This is why one should maintain the Sunroof drains.
This is also why one should check the looms before throwing money and parts at a problem.

Options:
1. New connector, terminal pins and some wiring.
2. Take the connector out and NASA splice the wires together.
3. Solder Seal Heat Shrink Butt Wire Splices.

With the tight space, I am leaning towards #3.


Location of connector 54/3.2
IMAG0295.jpg

The source of the defect.
IMAG0296.jpg
⸙⸙⸙⸙⸙⸙⸙⸙⸙⸙⸙⸙⸙⸙⸙⸙⸙⸙⸙⸙⸙⸙⸙⸙⸙⸙⸙⸙⸙⸙⸙⸙⸙⸙⸙⸙⸙⸙⸙⸙⸙⸙⸙⸙⸙⸙⸙⸙⸙⸙⸙⸙⸙⸙⸙⸙⸙⸙⸙⸙⸙⸙⸙⸙⸙⸙⸙⸙⸙⸙⸙⸙⸙
1998 C70, B5234T3, 16T, AW50-42, Bosch Motronic 4.4, Special Edition package.
2003 S40, B4204T3, 14T twin scroll AW55-50/51SN, Siemens EMS 2000.
2004 S60R, B8444S TF80 AWD. Yamaha V8 conversion
2005 XC90 T6 Executive, B6294T, 4T65 AWD, Bosch Motronic 7.0.

Post Reply
  • Similar Topics
    Replies
    Views
    Last post