Greetings. Perhaps I could get some guidance on my problem.
The issue is with high speed CAN modules not communicating. None of them modules is able to talk on the network. Car's not starting. Initialy I blamed ECM. I have ordered a used unit, cloned the EEprom and swaped but that didn't solve
CAN issue (DTCs still existed) so I swaped bac old unit.
CAN has 120 ohms of resistance between CAN-H and CAN-L so one of the terminating resistors is burned (should be 60) I know the Body Control Module is the terminating one from one end but cant figure out which one is on the other end. When split in half on 54/3.1 connector can shows proper 120 in dorection of BCM but 62 KOhms in the other dorection. I have measured the cables from ECM to DEM and all is good. So the only possibility is that either TCM, ECM or SWM (steering wheel module) are faulty. One of them shall be the terminating module but I cant figire out which one is it? Does anyone know?
Problem 2006 XC70 High Speed CAN faulty
-
Vova585
- Posts: 558
- Joined: 18 March 2023
- Year and Model: 01v70xc,2016xc70...
- Location: Rochester,NY
- Has thanked: 155 times
- Been thanked: 141 times
I could be wrong, I think the other one is in the REM. Hopefully gurus will chip in. My guess will be wiring problem. Get a good diagram and start splitting system to test wiring integrity for can
- jonesg
- Posts: 3501
- Joined: 16 January 2008
- Year and Model: 2004 V70
- Location: Northern maine.
- Has thanked: 69 times
- Been thanked: 479 times
I've read here theres a terminating resistor at the DEM module which can take the network down. One of VTL's posts.
Try this,
viewtopic.php?p=660367&hilit=can+bus+down#p660367
Try this,
viewtopic.php?p=660367&hilit=can+bus+down#p660367
- abscate
- MVS Moderator
- Posts: 35267
- Joined: 17 February 2013
- Year and Model: 99: V70s S70s,05 V70
- Location: Port Jefferson Long Island NY
- Has thanked: 1497 times
- Been thanked: 3809 times
Vida has the diagram but I’m pretty sureECM terminates,CAnBUSRtea wrote: ↑16 Oct 2025, 17:09 Greetings. Perhaps I could get some guidance on my problem.
The issue is with high speed CAN modules not communicating. None of them modules is able to talk on the network. Car's not starting. Initialy I blamed ECM. I have ordered a used unit, cloned the EEprom and swaped but that didn't solve
CAN issue (DTCs still existed) so I swaped bac old unit.
CAN has 120 ohms of resistance between CAN-H and CAN-L so one of the terminating resistors is burned (should be 60) I know the Body Control Module is the terminating one from one end but cant figure out which one is on the other end. When split in half on 54/3.1 connector can shows proper 120 in dorection of BCM but 62 KOhms in the other dorection. I have measured the cables from ECM to DEM and all is good. So the only possibility is that either TCM, ECM or SWM (steering wheel module) are faulty. One of them shall be the terminating module but I cant figire out which one is it? Does anyone know?
Empty Nester
A Captain in a Sea of Estrogen
1999-V70-T5M56 2005-V70-M56 1999-S70 VW T4 XC90-in-Red
Link to Maintenance record thread
A Captain in a Sea of Estrogen
1999-V70-T5M56 2005-V70-M56 1999-S70 VW T4 XC90-in-Red
Link to Maintenance record thread
-
vtl
- Posts: 4723
- Joined: 16 August 2012
- Year and Model: 2005 XC70
- Location: Boston
- Has thanked: 114 times
- Been thanked: 603 times
Termination is just for dealing with the signal reflection at the end of the wires. The bus will continue to work without termination, though the signal quality will degrade and there will be glitches. But any failed module on the CAN-bus will fail the whole bus, since it is a shared bus.
Have you seen these Volvo's tech notes? https://www.s80.dk/Billeder/2010-05-26_ ... 088051.pdf
Basically, you need to pull all modules one by one until the bad one is found. Don't replace any of them yet. If you had disconnected all of them (one by one) and the problem still persists, it is probably a bad CEM.
Have you seen these Volvo's tech notes? https://www.s80.dk/Billeder/2010-05-26_ ... 088051.pdf
Basically, you need to pull all modules one by one until the bad one is found. Don't replace any of them yet. If you had disconnected all of them (one by one) and the problem still persists, it is probably a bad CEM.
-
Rtea
- Posts: 6
- Joined: 16 October 2025
- Year and Model: 2006 XC70
- Location: Poland
- Been thanked: 3 times
Hello All,
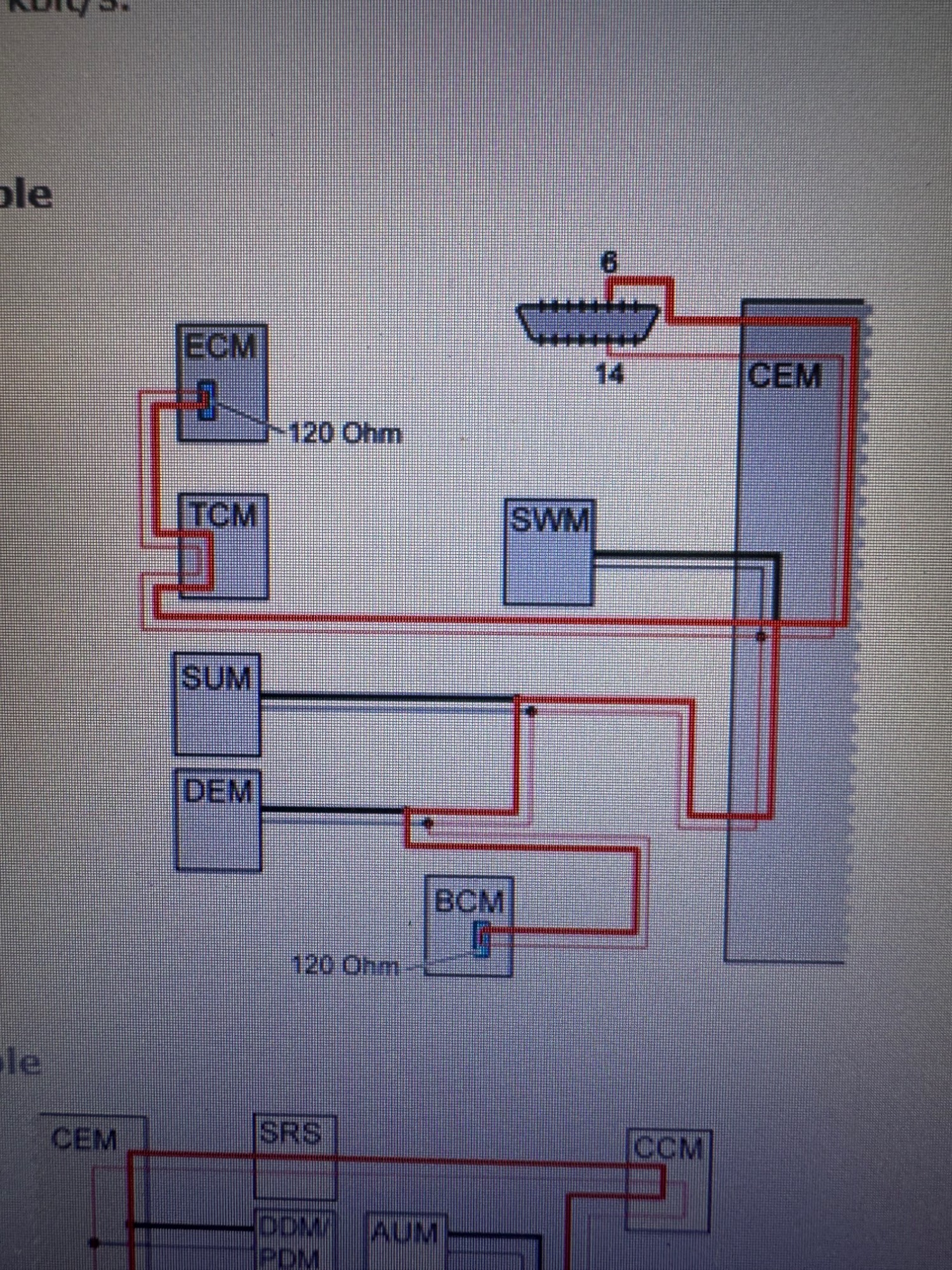
I have solved the issue.I am not expert in CAN networks. Here is the logic I used to diagnose the issue before throwing another unnecessary replacement module:
A missing resistance on one end meant to me that either one of the essential modules is fired or there is a brake in the network itself (faulty connector). I have verified it by checking for resistance on the terminating modules- it was 123 and 125 on ECM and BCM. So now I knew the network is faulty. Knowing the topology made it easier for me to find a faulty connection. I have found a schematics
that helped me a lot. Note that my XC70 is 2006 but model year is already 2007. I don't know if it shares a design with 2nd gen XC70 but the chassis is still P2.
Anyways- what I did is I disconnected individual connectors and measured resistance on corresponding pins until I found missing 120-ish ohms of resistance. It made me quite frustrated as this didn't yield any results (all measurements were correct). Then I realized that when sticking a test probe I don't actually replicate the conditions the connector has when plugged in to the socket. So- I tried another approach by checking the resistance from the other side of the network when measured connector is plugged in to the socked (ex. measuring the connector D to the ECM from Connector C side.)
It turned out that the fault is in the Connector D. It does not connect well with the socket on the ECM. That would explain why half of the modules on the network fails to talk to each other and the ECM. I had SUM, HCM, SAS, DEM and BCM can signal failures.
For now I don't know how will I fix that. I will try to dismantle it, take out the pins, clan them then apply some contact spray. I am however worried that the conductors themselves are worn off. If this doesn't help I will try to replace the plug. I am not willing to replace the entire harness. Car is already 19 y. o. and I would rather not take the interior apart. ECM itself dosen't have any signs of cold solder etc. The resistance between C21 and D32/C22 and D47 is 0.1 ohm.
The layout of the connectors may be found in VIDA, but CAN involves only C and D- C being the smaller grey that is accessible from engine bay from beneath the wind shield and D is also the gray one that is connected from the bottom of the CEM in the foot well area (above the brake pedal).
There is also 54/3.1 connector that is held in to CEM module- it connects the passenger and engine bay harness and CAN is going through it to BCM and back to BSC modules.
I hope this may help some of you in future. Once again thank you all for your answers!
I have solved the issue.I am not expert in CAN networks. Here is the logic I used to diagnose the issue before throwing another unnecessary replacement module:
A missing resistance on one end meant to me that either one of the essential modules is fired or there is a brake in the network itself (faulty connector). I have verified it by checking for resistance on the terminating modules- it was 123 and 125 on ECM and BCM. So now I knew the network is faulty. Knowing the topology made it easier for me to find a faulty connection. I have found a schematics
that helped me a lot. Note that my XC70 is 2006 but model year is already 2007. I don't know if it shares a design with 2nd gen XC70 but the chassis is still P2.
Anyways- what I did is I disconnected individual connectors and measured resistance on corresponding pins until I found missing 120-ish ohms of resistance. It made me quite frustrated as this didn't yield any results (all measurements were correct). Then I realized that when sticking a test probe I don't actually replicate the conditions the connector has when plugged in to the socket. So- I tried another approach by checking the resistance from the other side of the network when measured connector is plugged in to the socked (ex. measuring the connector D to the ECM from Connector C side.)
It turned out that the fault is in the Connector D. It does not connect well with the socket on the ECM. That would explain why half of the modules on the network fails to talk to each other and the ECM. I had SUM, HCM, SAS, DEM and BCM can signal failures.
For now I don't know how will I fix that. I will try to dismantle it, take out the pins, clan them then apply some contact spray. I am however worried that the conductors themselves are worn off. If this doesn't help I will try to replace the plug. I am not willing to replace the entire harness. Car is already 19 y. o. and I would rather not take the interior apart. ECM itself dosen't have any signs of cold solder etc. The resistance between C21 and D32/C22 and D47 is 0.1 ohm.
The layout of the connectors may be found in VIDA, but CAN involves only C and D- C being the smaller grey that is accessible from engine bay from beneath the wind shield and D is also the gray one that is connected from the bottom of the CEM in the foot well area (above the brake pedal).
There is also 54/3.1 connector that is held in to CEM module- it connects the passenger and engine bay harness and CAN is going through it to BCM and back to BSC modules.
I hope this may help some of you in future. Once again thank you all for your answers!
- Attachments
-
- HSCanV70.png (150.91 KiB) Viewed 161 times
- jonesg
- Posts: 3501
- Joined: 16 January 2008
- Year and Model: 2004 V70
- Location: Northern maine.
- Has thanked: 69 times
- Been thanked: 479 times
" I will try to dismantle it, take out the pins, clan them then apply some contact spray. I am however worried that the conductors themselves are worn off. If this doesn't help I will try to replace the plug"
you might try pin drag testing the connectors.
you might try pin drag testing the connectors.
- darylrobert
- Posts: 423
- Joined: 13 July 2010
- Year and Model: V70 240 740t xc70
- Location: Australia
- Has thanked: 6 times
- Been thanked: 42 times
CAN (haha) i ask if this happened all of a sudden or were there some strange warning signs?
-
- Similar Topics
- Replies
- Views
- Last post






