1999 s70 Evita ignition keytumbler problem
- FireFox31
- Posts: 1635
- Joined: 14 August 2006
- Year and Model: 2000 V70 NA auto
- Location: New Hampshire
- Has thanked: 158 times
- Been thanked: 300 times
Re: 1999 s70 Evita ignition keytumbler problem
I had the 360 spin on my key because the ignition lock cylinder was worn out. The key only spun if the steering wheel had locked by turning it more than a certain amount with the car off. For a year or two, I carefully avoided locking the wheel, but eventually I had the dealership replace the cylinder.
FireFox31
Blue 2000 V70 NA manual, "the V70" - died, reborn, totaled, donated, stripped
Green 2000 V70 NA automatic, "the G70" - awaiting 2nd rehab
Black 2000 V70 NA automatic, "Geronimo" - rescued, rehabilitating
Blue 1998 V70 T5 manual, "the T5M" - awaiting rehab
Blue 2000 V70 NA manual, "the V70" - died, reborn, totaled, donated, stripped
Green 2000 V70 NA automatic, "the G70" - awaiting 2nd rehab
Black 2000 V70 NA automatic, "Geronimo" - rescued, rehabilitating
Blue 1998 V70 T5 manual, "the T5M" - awaiting rehab
- volvolugnut
- Posts: 6228
- Joined: 19 January 2014
- Year and Model: 2001 V70
- Location: Oklahoma USA
- Has thanked: 927 times
- Been thanked: 1000 times
As I understand the inside working parts of the lock, removing the tumbler pins would still not allow the lock to turn. You would need to remove the part that prevents turning with the wrong key (one that does not align the pins correctly).
Once you get past this problem, you still need a key with the problem lengthwise grooves to slide in the lock.
volvolugnut
Once you get past this problem, you still need a key with the problem lengthwise grooves to slide in the lock.
volvolugnut
The Fleet:
Volvo: 2001 V70 T5, 1986 244DL, 1983 245DL, 1975 245DL, 1959 PV544, multiple Volvo parts cars.
Mercedes: 2001 E320, 1973 280, 1974 280C, 1989 300E, 1988 300TE, 1979 300TD, parts cars.
2009 Smart Passion
Ford: 1977 F350, 1964 F150 (2), 1938 Tudor Sedan
Farmall tractors: 1956 400 Diesel, 1946 A
And others.
Volvo: 2001 V70 T5, 1986 244DL, 1983 245DL, 1975 245DL, 1959 PV544, multiple Volvo parts cars.
Mercedes: 2001 E320, 1973 280, 1974 280C, 1989 300E, 1988 300TE, 1979 300TD, parts cars.
2009 Smart Passion
Ford: 1977 F350, 1964 F150 (2), 1938 Tudor Sedan
Farmall tractors: 1956 400 Diesel, 1946 A
And others.
- abscate
- MVS Moderator
- Posts: 35278
- Joined: 17 February 2013
- Year and Model: 99: V70s S70s,05 V70
- Location: Port Jefferson Long Island NY
- Has thanked: 1500 times
- Been thanked: 3812 times
Update. I need this car working with reliable locks. I looked at the rekey video, then called ASP for tumbler prices. $175 fir a tumbler kit with a bunch of stuff I probably won’t ever use. Not interested in supporting job, they cater to pro locksmiths only, my sense.
A couple of holes in that video too. “ just peen the relocker cap to remove” ( video of pin punch unsuccessfully removing cap) “ well thst didn’t work but we eventually got it off”. Less than inspiring
I dug deep into my pockets , drove local to volvo , and had a good consult on this. $400 later, my VIN coded lock cylinder for my 1999 S70 is being built in Germany and will come to me in 5 days
I’ll take the old one apart and try to add to the knowledge here about rekeying, but sourcing those tumblers might still be problematic.
A couple of holes in that video too. “ just peen the relocker cap to remove” ( video of pin punch unsuccessfully removing cap) “ well thst didn’t work but we eventually got it off”. Less than inspiring
I dug deep into my pockets , drove local to volvo , and had a good consult on this. $400 later, my VIN coded lock cylinder for my 1999 S70 is being built in Germany and will come to me in 5 days
I’ll take the old one apart and try to add to the knowledge here about rekeying, but sourcing those tumblers might still be problematic.
Empty Nester
A Captain in a Sea of Estrogen
1999-V70-T5M56 2005-V70-M56 1999-S70 VW T4 XC90-in-Red
Link to Maintenance record thread
A Captain in a Sea of Estrogen
1999-V70-T5M56 2005-V70-M56 1999-S70 VW T4 XC90-in-Red
Link to Maintenance record thread
- volvolugnut
- Posts: 6228
- Joined: 19 January 2014
- Year and Model: 2001 V70
- Location: Oklahoma USA
- Has thanked: 927 times
- Been thanked: 1000 times
Future owners of failed ignition locks thank you for your financial and time sacrifices.abscate wrote: ↑10 Sep 2021, 02:43 Update. I need this car working with reliable locks. I looked at the rekey video, then called ASP for tumbler prices. $175 fir a tumbler kit with a bunch of stuff I probably won’t ever use. Not interested in supporting job, they cater to pro locksmiths only, my sense.
A couple of holes in that video too. “ just peen the relocker cap to remove” ( video of pin punch unsuccessfully removing cap) “ well thst didn’t work but we eventually got it off”. Less than inspiring
I dug deep into my pockets , drove local to volvo , and had a good consult on this. $400 later, my VIN coded lock cylinder for my 1999 S70 is being built in Germany and will come to me in 5 days
I’ll take the old one apart and try to add to the knowledge here about rekeying, but sourcing those tumblers might still be problematic.
volvolugnut
The Fleet:
Volvo: 2001 V70 T5, 1986 244DL, 1983 245DL, 1975 245DL, 1959 PV544, multiple Volvo parts cars.
Mercedes: 2001 E320, 1973 280, 1974 280C, 1989 300E, 1988 300TE, 1979 300TD, parts cars.
2009 Smart Passion
Ford: 1977 F350, 1964 F150 (2), 1938 Tudor Sedan
Farmall tractors: 1956 400 Diesel, 1946 A
And others.
Volvo: 2001 V70 T5, 1986 244DL, 1983 245DL, 1975 245DL, 1959 PV544, multiple Volvo parts cars.
Mercedes: 2001 E320, 1973 280, 1974 280C, 1989 300E, 1988 300TE, 1979 300TD, parts cars.
2009 Smart Passion
Ford: 1977 F350, 1964 F150 (2), 1938 Tudor Sedan
Farmall tractors: 1956 400 Diesel, 1946 A
And others.
- ZionXIX
- Posts: 1310
- Joined: 11 August 2014
- Year and Model: 1996 850 Turbo S/W
- Location: Texas
- Has thanked: 64 times
- Been thanked: 194 times
I would love a wireless FOB upgrade for my 850. I'm a wishful thinker.
Scarlett: 1996 850 Turbo Wagon in Reagent Red Pearl ~210K mi
Norman: 2012 F150 XLT Crew Cab in Oxford White ~110K mi
Ember: 2005 XC90 2.5T FWD in Ruby Red Metallic ~83K mi *Newest addition to the fleet*
Ruby: 1997 850 Turbo Wagon in Reagent Red Pearl - parts car
Rose: 2020 Ram 1500 in Delmonico Red Pearl - SWMBO's Vehicle
Norman: 2012 F150 XLT Crew Cab in Oxford White ~110K mi
Ember: 2005 XC90 2.5T FWD in Ruby Red Metallic ~83K mi *Newest addition to the fleet*
Ruby: 1997 850 Turbo Wagon in Reagent Red Pearl - parts car
Rose: 2020 Ram 1500 in Delmonico Red Pearl - SWMBO's Vehicle
- abscate
- MVS Moderator
- Posts: 35278
- Joined: 17 February 2013
- Year and Model: 99: V70s S70s,05 V70
- Location: Port Jefferson Long Island NY
- Has thanked: 1500 times
- Been thanked: 3812 times
Somewhere in the driver door lock is a switch and wire that triggers the lock to unlock all the doors on Two key turns. It should not be hard to tap into that with a wireless switch of something sort like this
https://www.amazon.com/gp/aw/d/B08S3CS8 ... UTF8&psc=1
Quiescent current 10 mA
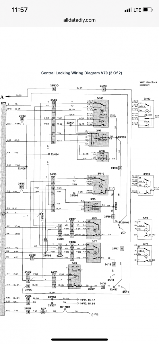
The electrical part of that problem is below.
2/76 is the lock controller.
3/100 is the driver door lock. One of those wires is toggled by the key and sends a signal to the lock solenoid
https://www.amazon.com/gp/aw/d/B08S3CS8 ... UTF8&psc=1
Quiescent current 10 mA
The electrical part of that problem is below.
2/76 is the lock controller.
3/100 is the driver door lock. One of those wires is toggled by the key and sends a signal to the lock solenoid
Empty Nester
A Captain in a Sea of Estrogen
1999-V70-T5M56 2005-V70-M56 1999-S70 VW T4 XC90-in-Red
Link to Maintenance record thread
A Captain in a Sea of Estrogen
1999-V70-T5M56 2005-V70-M56 1999-S70 VW T4 XC90-in-Red
Link to Maintenance record thread
- abscate
- MVS Moderator
- Posts: 35278
- Joined: 17 February 2013
- Year and Model: 99: V70s S70s,05 V70
- Location: Port Jefferson Long Island NY
- Has thanked: 1500 times
- Been thanked: 3812 times
Here’s a screen grab if the tumblers
It looks like there are eight in total , 4 groups of 2
I wonder how many depth positions there are per tumbler ?
2^8 is 256 so probably more than 2
It looks like there are eight in total , 4 groups of 2
I wonder how many depth positions there are per tumbler ?
2^8 is 256 so probably more than 2
Empty Nester
A Captain in a Sea of Estrogen
1999-V70-T5M56 2005-V70-M56 1999-S70 VW T4 XC90-in-Red
Link to Maintenance record thread
A Captain in a Sea of Estrogen
1999-V70-T5M56 2005-V70-M56 1999-S70 VW T4 XC90-in-Red
Link to Maintenance record thread
-
scot850
- Posts: 14875
- Joined: 5 April 2010
- Year and Model: 2000 V70 R
- Location: Calgary, Alberta, Canada
- Has thanked: 1839 times
- Been thanked: 1709 times
Did you ever try the other keys as suggested to see if any of them worked better than the other 2?
Neil.
Neil.
2006 V70 2.5T AWD Polestar tune
2000 V70 R - still being an endless PITA
2006 XC70 - Our son now has this and still parked in our garage
2003 Toyota 4Runner V8 Limited
2015 Kia Sportage EX-L - Sold
1993 850 GLT -Sold
1998 V70 XC - Sold
1997 Volvo 850 SE NA - Went to niece in California - Sold
2000 V70 SE NA - Sold
2000 V70 R - still being an endless PITA
2006 XC70 - Our son now has this and still parked in our garage
2003 Toyota 4Runner V8 Limited
2015 Kia Sportage EX-L - Sold
1993 850 GLT -Sold
1998 V70 XC - Sold
1997 Volvo 850 SE NA - Went to niece in California - Sold
2000 V70 SE NA - Sold
-
cn90
- Posts: 8253
- Joined: 31 March 2010
- Year and Model: 2004 V70 2.5T
- Location: Omaha NE
- Has thanked: 4 times
- Been thanked: 467 times
Did you remove the bottom plate as in the original thread.
I removed the bottom plate in my Volvos and never have this issue again?
I removed the bottom plate in my Volvos and never have this issue again?
2004 V70 2.5T 100K+
2005 XC90 2.5T 110K+
2005 XC90 2.5T 110K+
- manovlov
- Posts: 1180
- Joined: 6 July 2011
- Year and Model: 1995 850 GLT 2.5 170
- Location: Grenoble, France
- Has thanked: 620 times
- Been thanked: 143 times
I see that the guy has taken off the hole part. Could it be possible to pick up another one with keys and all the needed stuff from another car, and just "simply" make a swap ?
I share Clemens 's point of view : it's a trick game.
I share Clemens 's point of view : it's a trick game.
1995/02 850 GLT 2.5 170 Petrol M56
-
- Similar Topics
- Replies
- Views
- Last post






