Hey All wise and knowing ones !
any clues on finding a diagram for the evap system? got a code that I had a leak (Large ) in the system. got a ck. eng. lt. can clear but comes back after a while
98 V70 135K
thanks
Mike
evap system diagram
Check your evap purge valve according to my how-to and either fix or replace it.
https://www.matthewsvolvosite.com/forums ... =1&t=31691
https://www.matthewsvolvosite.com/forums ... =1&t=31691
Hi lowufo777
Take a reading at my post: "Looking for the Cure for P0455, Trouble Code "
I am having the same problem as yours with my 850 GLT, 1996.
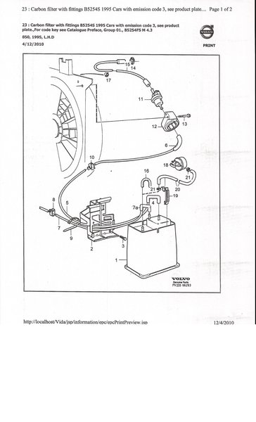
If the V70 engine is the same as an 850 in terms of the EVAP system, perhaps you can use the attached pdf files here in.
I have not been able to solve my problem yet.
I replaced the purge valve over the week end. I reset the light but the check engine light returned after 10 miles drive.
Looking at the parts listing attached, so far, I have replaced the intake hose and clamp (#14, #15). Purge Valve(#11), the elbow (#6). The long hose to the canister is fine. So far, no success. Problem seems to be further down the vac lines going to the gas pump and tank. I need to check #4 and #7a as well. I have not verified that yet.
Hope you can use the diagrams for your car. Keep posting.
jmmxc
Take a reading at my post: "Looking for the Cure for P0455, Trouble Code "
I am having the same problem as yours with my 850 GLT, 1996.
If the V70 engine is the same as an 850 in terms of the EVAP system, perhaps you can use the attached pdf files here in.
I have not been able to solve my problem yet.
I replaced the purge valve over the week end. I reset the light but the check engine light returned after 10 miles drive.
Looking at the parts listing attached, so far, I have replaced the intake hose and clamp (#14, #15). Purge Valve(#11), the elbow (#6). The long hose to the canister is fine. So far, no success. Problem seems to be further down the vac lines going to the gas pump and tank. I need to check #4 and #7a as well. I have not verified that yet.
Hope you can use the diagrams for your car. Keep posting.
jmmxc
- jreed
- Posts: 1619
- Joined: 8 March 2009
- Year and Model: '97 Volvo 855 GLT
- Location: RTP, North Carolina
- Has thanked: 352 times
- Been thanked: 192 times
I had this same problem on my '97 855 GLT and it turned out to be the rubber connecting hoses on the roll - over valve located near the fuel filter at the back of the car. The hoses had been eaten through by a squirrel or other critter.
1997 855 GLT (Light Pressure Turbo) still going strong. Previous: 1986 240 GL rusted out in '06, 1985 Saab 900T rusted out in '95, 1975 Saab 99 rusted out in '95, 1973 Saab 99 rusted out in '94
- abscate
- MVS Moderator
- Posts: 35267
- Joined: 17 February 2013
- Year and Model: 99: V70s S70s,05 V70
- Location: Port Jefferson Long Island NY
- Has thanked: 1497 times
- Been thanked: 3809 times
You want to look these up by part number - text descriptions are notoriously inaccurate.
Empty Nester
A Captain in a Sea of Estrogen
1999-V70-T5M56 2005-V70-M56 1999-S70 VW T4 XC90-in-Red
Link to Maintenance record thread
A Captain in a Sea of Estrogen
1999-V70-T5M56 2005-V70-M56 1999-S70 VW T4 XC90-in-Red
Link to Maintenance record thread
- jreed
- Posts: 1619
- Joined: 8 March 2009
- Year and Model: '97 Volvo 855 GLT
- Location: RTP, North Carolina
- Has thanked: 352 times
- Been thanked: 192 times
That hose (#5) looks like it is described as 1m long. I think it's a hard black plastic tube. It might be an acceptable option to replace that with a length of generic rubber or silicone hose.
1997 855 GLT (Light Pressure Turbo) still going strong. Previous: 1986 240 GL rusted out in '06, 1985 Saab 900T rusted out in '95, 1975 Saab 99 rusted out in '95, 1973 Saab 99 rusted out in '94
-
- Similar Topics
- Replies
- Views
- Last post
-
- 0 Replies
- 2007 Views
-
Last post by legalstuff
-
- 3 Replies
- 1729 Views
-
Last post by shaker_chi






