Bought a volvo s40 2.0D 2007 last month its a great ride smooth and very happy with it but had a few electrical issues:
1. Boot wont open
Fixed by changing the boot switch
2. Boot/trunk interior light wont work
Checked the bulb, is fine
Checked the fuse (86) was faulty and replaced still no luck, no voltage at the green connection.
3. High third brake light not working.
Beside that all electrical are working fine interior lights etc
Anyone knows what is the link between these faults? Or what shall I do next?
Boot light, switch, third brake light problems Topic is solved
-
S40volvo2007
- Posts: 10
- Joined: 7 January 2020
- Year and Model: 2007 S40
- Location: United Kingdom
- Has thanked: 2 times
- RickHaleParker
- Posts: 7129
- Joined: 25 May 2015
- Year and Model: See Signature below.
- Location: Kansas
- Has thanked: 8 times
- Been thanked: 958 times
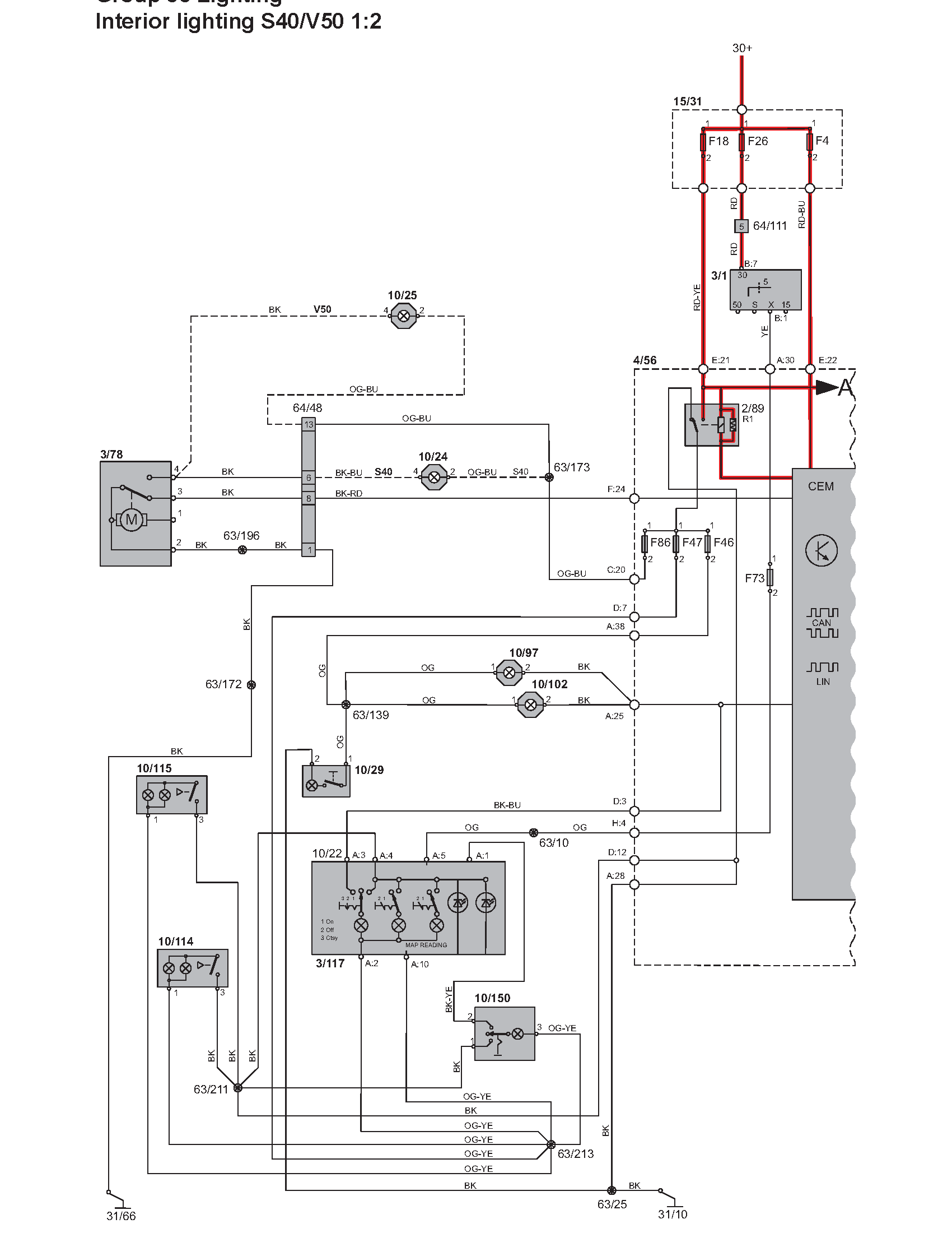
10/24 = Cargo compartment lighting.
3/78 = Lock unit, trunk lid/tailgate. (This grounds the Cargo light, turning it on)
Try grounding the Black-Blue wire on the Cargo light, see if it lights up.
3/78 = Lock unit, trunk lid/tailgate. (This grounds the Cargo light, turning it on)
Try grounding the Black-Blue wire on the Cargo light, see if it lights up.
⸙⸙⸙⸙⸙⸙⸙⸙⸙⸙⸙⸙⸙⸙⸙⸙⸙⸙⸙⸙⸙⸙⸙⸙⸙⸙⸙⸙⸙⸙⸙⸙⸙⸙⸙⸙⸙⸙⸙⸙⸙⸙⸙⸙⸙⸙⸙⸙⸙⸙⸙⸙⸙⸙⸙⸙⸙⸙⸙⸙⸙⸙⸙⸙⸙⸙⸙⸙⸙⸙⸙⸙⸙
1998 C70, B5234T3, 16T, AW50-42, Bosch Motronic 4.4, Special Edition package.
2003 S40, B4204T3, 14T twin scroll AW55-50/51SN, Siemens EMS 2000.
2004 S60R, B8444S TF80 AWD. Yamaha V8 conversion
2005 XC90 T6 Executive, B6294T, 4T65 AWD, Bosch Motronic 7.0.
1998 C70, B5234T3, 16T, AW50-42, Bosch Motronic 4.4, Special Edition package.
2003 S40, B4204T3, 14T twin scroll AW55-50/51SN, Siemens EMS 2000.
2004 S60R, B8444S TF80 AWD. Yamaha V8 conversion
2005 XC90 T6 Executive, B6294T, 4T65 AWD, Bosch Motronic 7.0.
- RickHaleParker
- Posts: 7129
- Joined: 25 May 2015
- Year and Model: See Signature below.
- Location: Kansas
- Has thanked: 8 times
- Been thanked: 958 times
10/19 = Third Brake Light.
⸙⸙⸙⸙⸙⸙⸙⸙⸙⸙⸙⸙⸙⸙⸙⸙⸙⸙⸙⸙⸙⸙⸙⸙⸙⸙⸙⸙⸙⸙⸙⸙⸙⸙⸙⸙⸙⸙⸙⸙⸙⸙⸙⸙⸙⸙⸙⸙⸙⸙⸙⸙⸙⸙⸙⸙⸙⸙⸙⸙⸙⸙⸙⸙⸙⸙⸙⸙⸙⸙⸙⸙⸙
1998 C70, B5234T3, 16T, AW50-42, Bosch Motronic 4.4, Special Edition package.
2003 S40, B4204T3, 14T twin scroll AW55-50/51SN, Siemens EMS 2000.
2004 S60R, B8444S TF80 AWD. Yamaha V8 conversion
2005 XC90 T6 Executive, B6294T, 4T65 AWD, Bosch Motronic 7.0.
1998 C70, B5234T3, 16T, AW50-42, Bosch Motronic 4.4, Special Edition package.
2003 S40, B4204T3, 14T twin scroll AW55-50/51SN, Siemens EMS 2000.
2004 S60R, B8444S TF80 AWD. Yamaha V8 conversion
2005 XC90 T6 Executive, B6294T, 4T65 AWD, Bosch Motronic 7.0.
-
S40volvo2007
- Posts: 10
- Joined: 7 January 2020
- Year and Model: 2007 S40
- Location: United Kingdom
- Has thanked: 2 times
Thanks for quick reply and diagrams, yes very helpful will check and get back to you, couldn't understand where the switch for cargo light was but is clear now.
I also found this wire loose next to the light (attached picture) not sure if its related?
I also found this wire loose next to the light (attached picture) not sure if its related?
Last edited by S40volvo2007 on 09 Jan 2020, 14:12, edited 1 time in total.
- RickHaleParker
- Posts: 7129
- Joined: 25 May 2015
- Year and Model: See Signature below.
- Location: Kansas
- Has thanked: 8 times
- Been thanked: 958 times
Could be the Rear Dome/Cargo light wiring for a V50 (10/25). Do the wire colors match the colors for 10/25 ?S40volvo2007 wrote: ↑07 Jan 2020, 14:54 I also found this wire loose next to the light (attached picture) not sure if its related?
You might want to check the ground on the third break light.
⸙⸙⸙⸙⸙⸙⸙⸙⸙⸙⸙⸙⸙⸙⸙⸙⸙⸙⸙⸙⸙⸙⸙⸙⸙⸙⸙⸙⸙⸙⸙⸙⸙⸙⸙⸙⸙⸙⸙⸙⸙⸙⸙⸙⸙⸙⸙⸙⸙⸙⸙⸙⸙⸙⸙⸙⸙⸙⸙⸙⸙⸙⸙⸙⸙⸙⸙⸙⸙⸙⸙⸙⸙
1998 C70, B5234T3, 16T, AW50-42, Bosch Motronic 4.4, Special Edition package.
2003 S40, B4204T3, 14T twin scroll AW55-50/51SN, Siemens EMS 2000.
2004 S60R, B8444S TF80 AWD. Yamaha V8 conversion
2005 XC90 T6 Executive, B6294T, 4T65 AWD, Bosch Motronic 7.0.
1998 C70, B5234T3, 16T, AW50-42, Bosch Motronic 4.4, Special Edition package.
2003 S40, B4204T3, 14T twin scroll AW55-50/51SN, Siemens EMS 2000.
2004 S60R, B8444S TF80 AWD. Yamaha V8 conversion
2005 XC90 T6 Executive, B6294T, 4T65 AWD, Bosch Motronic 7.0.
-
S40volvo2007
- Posts: 10
- Joined: 7 January 2020
- Year and Model: 2007 S40
- Location: United Kingdom
- Has thanked: 2 times
Both wires seem same colour dark orange
-
S40volvo2007
- Posts: 10
- Joined: 7 January 2020
- Year and Model: 2007 S40
- Location: United Kingdom
- Has thanked: 2 times
Grounded the cargo light like you said and yes it does light up.
- RickHaleParker
- Posts: 7129
- Joined: 25 May 2015
- Year and Model: See Signature below.
- Location: Kansas
- Has thanked: 8 times
- Been thanked: 958 times
There are only four things it could be.S40volvo2007 wrote: ↑09 Jan 2020, 04:08 Grounded the cargo light like you said and yes it does light up.
1. Black-Blue wire between the lamp and connector 64/48.
2. Contacts in connector 64/48.
3. Black wire between pin #6 of connector 64/48 and pin #4 of 3/78 (Lock unit, trunk lid/tailgate).
4 Internal switch in 3/78 (Lock unit, trunk lid/tailgate).
You can determine which is defective by moving your grounding wire down the line.
1. Ground the Black-Blue wire at pin #6 of the connector. If the lamp lights the Black-Blue wire is good.
2. Ground the Black wire on the other side of connector pin #6. If the lamp lights the connector contacts are good.
3. Ground pin #4 of 3/78 (Lock unit, trunk lid/tailgate. If the lamp lights the Black wire between pin #6 of connector and the lock is good.
4. If three above are good all that remains is the internal switch in 3/78 (Lock unit, trunk lid/tailgate).
⸙⸙⸙⸙⸙⸙⸙⸙⸙⸙⸙⸙⸙⸙⸙⸙⸙⸙⸙⸙⸙⸙⸙⸙⸙⸙⸙⸙⸙⸙⸙⸙⸙⸙⸙⸙⸙⸙⸙⸙⸙⸙⸙⸙⸙⸙⸙⸙⸙⸙⸙⸙⸙⸙⸙⸙⸙⸙⸙⸙⸙⸙⸙⸙⸙⸙⸙⸙⸙⸙⸙⸙⸙
1998 C70, B5234T3, 16T, AW50-42, Bosch Motronic 4.4, Special Edition package.
2003 S40, B4204T3, 14T twin scroll AW55-50/51SN, Siemens EMS 2000.
2004 S60R, B8444S TF80 AWD. Yamaha V8 conversion
2005 XC90 T6 Executive, B6294T, 4T65 AWD, Bosch Motronic 7.0.
1998 C70, B5234T3, 16T, AW50-42, Bosch Motronic 4.4, Special Edition package.
2003 S40, B4204T3, 14T twin scroll AW55-50/51SN, Siemens EMS 2000.
2004 S60R, B8444S TF80 AWD. Yamaha V8 conversion
2005 XC90 T6 Executive, B6294T, 4T65 AWD, Bosch Motronic 7.0.
-
S40volvo2007
- Posts: 10
- Joined: 7 January 2020
- Year and Model: 2007 S40
- Location: United Kingdom
- Has thanked: 2 times
So I moved the ground down the line and heres what happened:
Connectors were good pins were fine
when i moved the ground to the pin on the lock nothing so between the lock and connector there was a fault
I have removed the wiring harness and there were 3 broken wires and they are all black and i had no measurement instrument with me lol.
Luckily one of them was thicker so that helped me. The other ones were alarm i think and boot light.
I decided to replace the whole wiring harness and guess what the light was working but evenwhen the boot was shut.
I took out the locking mechanism and inside i found the microswitch when tested it was faulty.
Since i did not have one lying around I decided to use wd 40 and basically soaked it, minute later was working fine. So thanks first problem solved I guess it was a series of issues but I am glad its working now keeping an eye to make sure it cuts when boot is closed though.
I will try the third brake light next...
Connectors were good pins were fine
when i moved the ground to the pin on the lock nothing so between the lock and connector there was a fault
I have removed the wiring harness and there were 3 broken wires and they are all black and i had no measurement instrument with me lol.
Luckily one of them was thicker so that helped me. The other ones were alarm i think and boot light.
I decided to replace the whole wiring harness and guess what the light was working but evenwhen the boot was shut.
I took out the locking mechanism and inside i found the microswitch when tested it was faulty.
Since i did not have one lying around I decided to use wd 40 and basically soaked it, minute later was working fine. So thanks first problem solved I guess it was a series of issues but I am glad its working now keeping an eye to make sure it cuts when boot is closed though.
I will try the third brake light next...
- RickHaleParker
- Posts: 7129
- Joined: 25 May 2015
- Year and Model: See Signature below.
- Location: Kansas
- Has thanked: 8 times
- Been thanked: 958 times
Ground pin #5 on the third brake light, see if it starts working.
Take some pictures of the connector on the third brake light. I cannot find anything for pins 2 - 4 but it looks like there should be a power line.
Take some pictures of the connector on the third brake light. I cannot find anything for pins 2 - 4 but it looks like there should be a power line.
⸙⸙⸙⸙⸙⸙⸙⸙⸙⸙⸙⸙⸙⸙⸙⸙⸙⸙⸙⸙⸙⸙⸙⸙⸙⸙⸙⸙⸙⸙⸙⸙⸙⸙⸙⸙⸙⸙⸙⸙⸙⸙⸙⸙⸙⸙⸙⸙⸙⸙⸙⸙⸙⸙⸙⸙⸙⸙⸙⸙⸙⸙⸙⸙⸙⸙⸙⸙⸙⸙⸙⸙⸙
1998 C70, B5234T3, 16T, AW50-42, Bosch Motronic 4.4, Special Edition package.
2003 S40, B4204T3, 14T twin scroll AW55-50/51SN, Siemens EMS 2000.
2004 S60R, B8444S TF80 AWD. Yamaha V8 conversion
2005 XC90 T6 Executive, B6294T, 4T65 AWD, Bosch Motronic 7.0.
1998 C70, B5234T3, 16T, AW50-42, Bosch Motronic 4.4, Special Edition package.
2003 S40, B4204T3, 14T twin scroll AW55-50/51SN, Siemens EMS 2000.
2004 S60R, B8444S TF80 AWD. Yamaha V8 conversion
2005 XC90 T6 Executive, B6294T, 4T65 AWD, Bosch Motronic 7.0.
-
- Similar Topics
- Replies
- Views
- Last post






