Login Register

Volvo 960 1991 Radio

Help, Advice, Owners' Discussion and DIY Tutorials on all Volvo's "mid era" rear wheel drive Volvos.

1975 - 1993 240
1983 - 1992 740
1982 - 1991 760
1986 - 1991 780
1990 - 1998 940
1990 - 1998 960
1997 - 1998 V90/S90

Post Reply
tmcmilli
Posts: 21
Joined: 3 March 2014
Year and Model: 1994 Volvo 960
Location: Virginia - USA
Has thanked: 3 times
Been thanked: 6 times

Re: Volvo 960 1991 Radio

Post by tmcmilli »

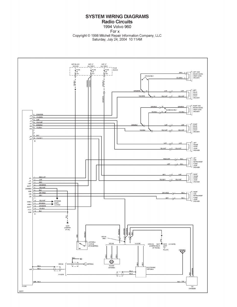
Is it just me or do the places identified in one of the original pictures copied below, and edited for identification, show several wires, not less than 6, that have been cut?
Radio_wiring.png

User avatar
RickHaleParker
Posts: 7129
Joined: 25 May 2015
Year and Model: See Signature below.
Location: Kansas
Has thanked: 8 times
Been thanked: 958 times

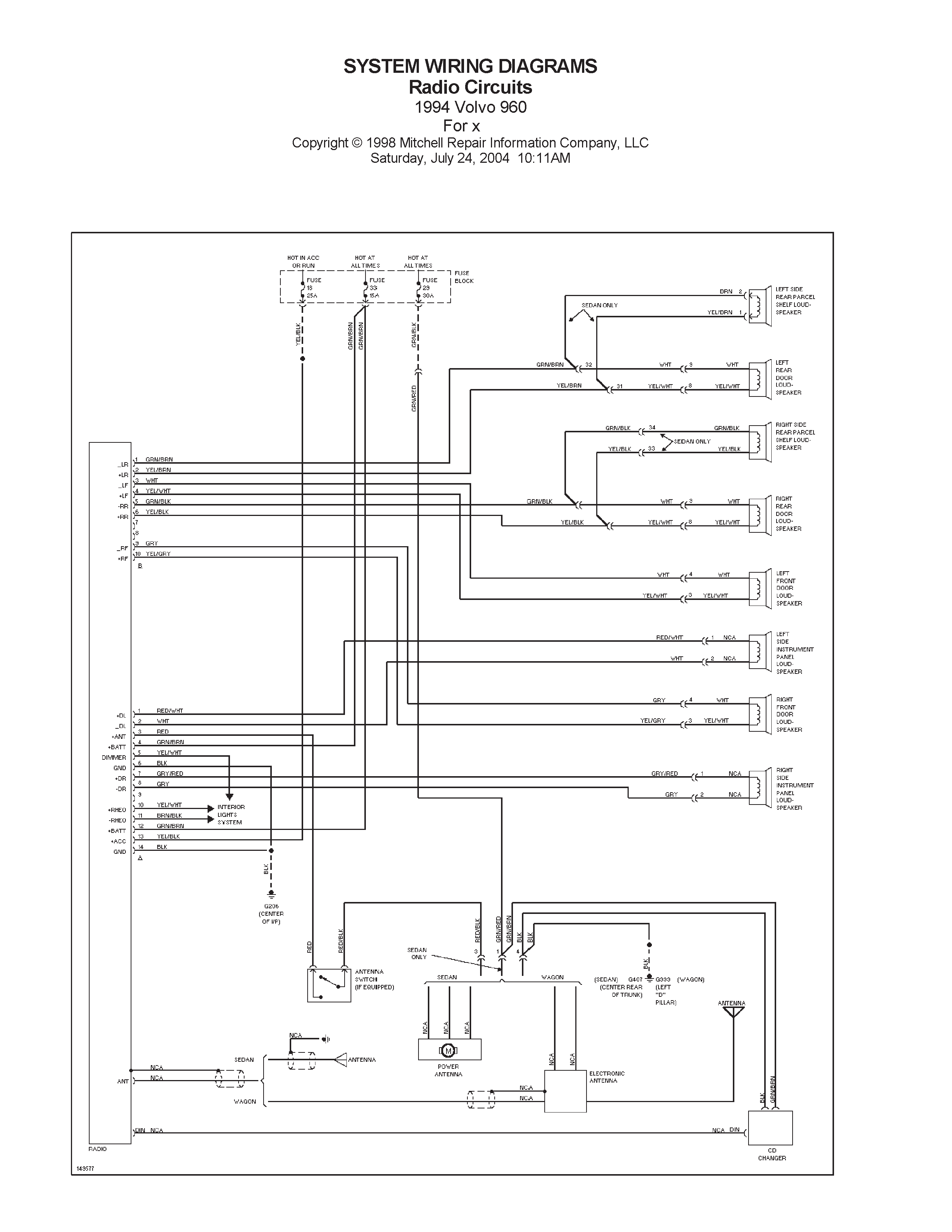
Post by RickHaleParker »

tmcmilli wrote: 08 Aug 2020, 21:32 Is it just me or do the places identified in one of the original pictures copied below, and edited for identification, show several wires, not less than 6, that have been cut?
This should be helpful. It is high resolution. Download it and send to your printer.
1994_ 960_Radio.png
⸙⸙⸙⸙⸙⸙⸙⸙⸙⸙⸙⸙⸙⸙⸙⸙⸙⸙⸙⸙⸙⸙⸙⸙⸙⸙⸙⸙⸙⸙⸙⸙⸙⸙⸙⸙⸙⸙⸙⸙⸙⸙⸙⸙⸙⸙⸙⸙⸙⸙⸙⸙⸙⸙⸙⸙⸙⸙⸙⸙⸙⸙⸙⸙⸙⸙⸙⸙⸙⸙⸙⸙⸙
1998 C70, B5234T3, 16T, AW50-42, Bosch Motronic 4.4, Special Edition package.
2003 S40, B4204T3, 14T twin scroll AW55-50/51SN, Siemens EMS 2000.
2004 S60R, B8444S TF80 AWD. Yamaha V8 conversion
2005 XC90 T6 Executive, B6294T, 4T65 AWD, Bosch Motronic 7.0.

tmcmilli
Posts: 21
Joined: 3 March 2014
Year and Model: 1994 Volvo 960
Location: Virginia - USA
Has thanked: 3 times
Been thanked: 6 times

Post by tmcmilli »

Nice wiring diagram. Thanks for sharing. I have some diagrams for 1994 960 that I downloaded from volvotips.com but they are not nearly as descriptive as to what the wires are connecting to, as this diagram is. I wish I had the entire set of wiring diagrams like this for my Volvo. (again a 1994 960)

User avatar
RickHaleParker
Posts: 7129
Joined: 25 May 2015
Year and Model: See Signature below.
Location: Kansas
Has thanked: 8 times
Been thanked: 958 times

Post by RickHaleParker »

tmcmilli wrote: 10 Aug 2020, 14:49 I wish I had the entire set of wiring diagrams like this for my Volvo. (again a 1994 960)
You download the newfangled Volvo EWD. If you want the old school EWD that was designed by a engineer rather then a MBA. Get an subscription for your 1994 960 at Mitchell 1 DIY.


1 Month (31 Days) : $ 19.95
1 Year (Better Value!) : $ 29.95
4 Year (Best Value!) : $ 44.95
⸙⸙⸙⸙⸙⸙⸙⸙⸙⸙⸙⸙⸙⸙⸙⸙⸙⸙⸙⸙⸙⸙⸙⸙⸙⸙⸙⸙⸙⸙⸙⸙⸙⸙⸙⸙⸙⸙⸙⸙⸙⸙⸙⸙⸙⸙⸙⸙⸙⸙⸙⸙⸙⸙⸙⸙⸙⸙⸙⸙⸙⸙⸙⸙⸙⸙⸙⸙⸙⸙⸙⸙⸙
1998 C70, B5234T3, 16T, AW50-42, Bosch Motronic 4.4, Special Edition package.
2003 S40, B4204T3, 14T twin scroll AW55-50/51SN, Siemens EMS 2000.
2004 S60R, B8444S TF80 AWD. Yamaha V8 conversion
2005 XC90 T6 Executive, B6294T, 4T65 AWD, Bosch Motronic 7.0.

RobertoGonzalez
Posts: 18
Joined: 24 June 2020
Year and Model: 1991 / 960
Location: Chile
Has thanked: 18 times

Post by RobertoGonzalez »

tmcmilli wrote: 08 Aug 2020, 21:32 Is it just me or do the places identified in one of the original pictures copied below, and edited for identification, show several wires, not less than 6, that have been cut?

Radio_wiring.png
Hello! Thanks for your replay. Yes, those wires were cut when they stole the radio. I guess the thief just pulled out the radio, destroyed some parts and cut those wires. I will have to match those cables with the radio that I want to buy.

Greetings.

RobertoGonzalez
Posts: 18
Joined: 24 June 2020
Year and Model: 1991 / 960
Location: Chile
Has thanked: 18 times

Post by RobertoGonzalez »

RickHaleParker wrote: 08 Aug 2020, 22:45
tmcmilli wrote: 08 Aug 2020, 21:32 Is it just me or do the places identified in one of the original pictures copied below, and edited for identification, show several wires, not less than 6, that have been cut?
This should be helpful. It is high resolution. Download it and send to your printer.

1994_ 960_Radio.png

Hello Rick! Thanks for the diagram, it will be very helpful. I still have to wait like 7 weeks for the new mount panel to arrive. Then, and after that, I will buy the radio. I appreciate all the help you have given me.

Regards.

fanaticoVolvo
Posts: 1
Joined: 8 May 2023
Year and Model: 1992 960
Location: MEMPHIS

Post by fanaticoVolvo »

Desde Memphis.USA.

Tengo aún 1992 960 funcionado perfectamente.
Si aún necesita la radio, puedo darle mas datos de la misma. Creo tener una de respaldo, pero me preocuparé del asunto, si la necesita.
Recién ingresé al grupo, y puedo contestarle.

Atte.
Juan Carlos Conte.
Avionics Specialist Inc
Memphis, Tennessee
U.S.A.

RobertoGonzalez
Posts: 18
Joined: 24 June 2020
Year and Model: 1991 / 960
Location: Chile
Has thanked: 18 times

Post by RobertoGonzalez »

Estimado Juan Carlos, buenas tardes. Junto con saludarlo y agradeciendo su mensaje, le comento que hace algunos meses compré una radio nueva para el auto, acá en Chile. No es la original pero me sirve. Lo que estoy buscando es la válvula IAC y la resistencia del aire acondicionado. Si usted sabe algún dato en donde podría comprar esos repuestos, se lo agradecería.

Saludos cordiales.

Post Reply
  • Similar Topics
    Replies
    Views
    Last post