Original problem: Park Assist button on CCM not illuminating, and Park Assist not working. Two codes along with the problem, REM-4F42 (Park Assist Sensor 1 Faulty Signal) & REM-4F4A (Park Assist Module Faulty Signal).
Checked PAM and Sensors to isolate the problem, which was sensor lacking voltage. Replaced all 4 sensors and checked PAM and Sensors again, this time reading correct voltage. Same codes back after replacement. Then replaced PAM and checked voltage, voltage readings were the same. Cleared and rescanned in VIDA and same codes are back involving PA Sensor #1 and PAM. Does anyone know if we are missing something? Does this module need a software download/relearn to take the new sensors?
2007 XC70 Park Assist Problem
-
dcollins318
- Posts: 15
- Joined: 21 May 2013
- Year and Model: 2004 S60
- Location: US
-
DGM
- Posts: 459
- Joined: 23 December 2010
- Year and Model: V70 2.4i 2005
- Location: Quebec, Canada
- Been thanked: 3 times
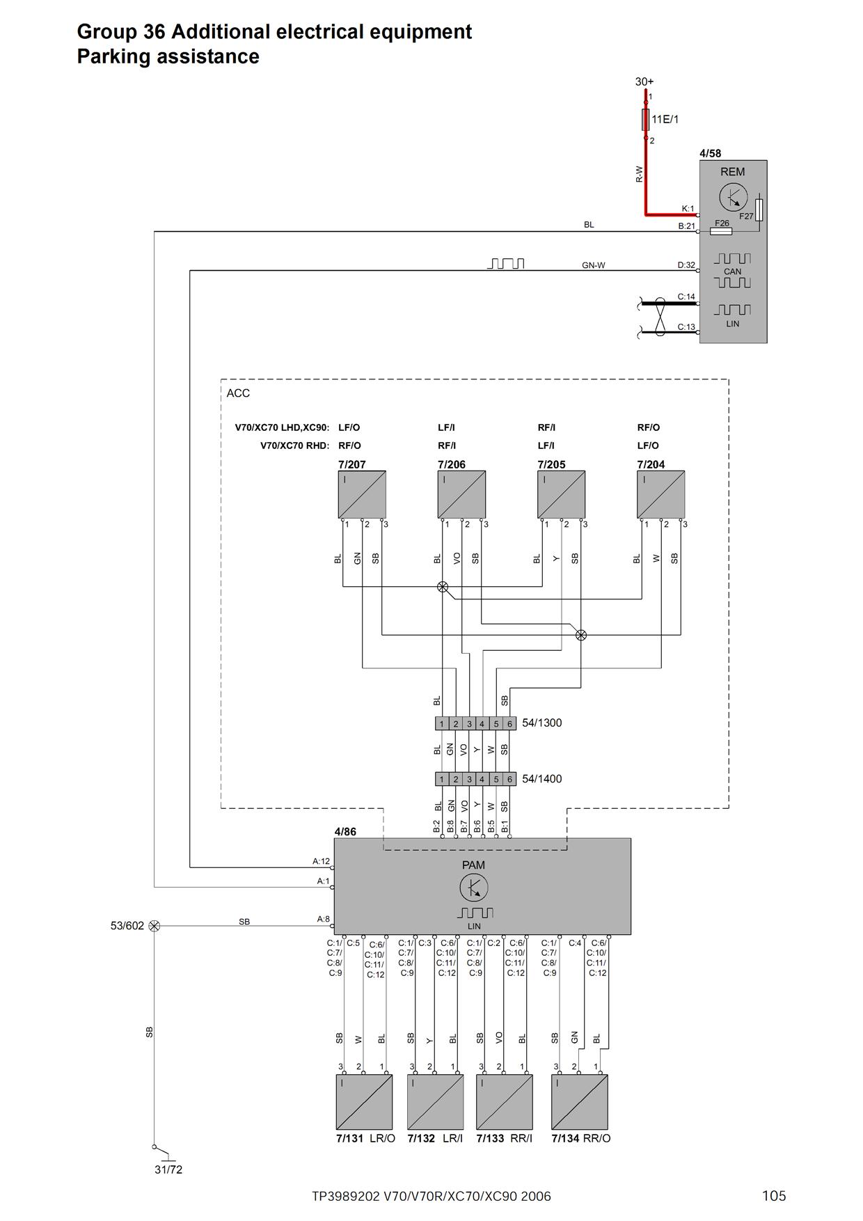
I would verify again cabling integrity between sensor 1 and PAM. As an example the signal wire (W) could be pinched to ground somewhere.dcollins318 wrote: Does anyone know if we are missing something? Does this module need a software download/relearn to take the new sensors?
Vida contains (under information /fault tracing/ diagnostic trouble codes and information/electrical system/cable and fuses/electrical dist/ REM-4f42/faulty signal) the procedure to follow.
I haven’t seen a relearn/software download step in Vida following a PAM replacement.
Have you tried a battery reset on the car?
V70 2005 2.4i 195,000km, sold
S70 1998 T5 355,000km, sold
960 1994 80,000km, sold
760 1990 Turbo 265,000km, sold
S70 1998 T5 355,000km, sold
960 1994 80,000km, sold
760 1990 Turbo 265,000km, sold
-
JRL
- Posts: 9350
- Joined: 22 November 2005
- Year and Model: Several
- Location: 19333
- Been thanked: 16 times
I would guess: New electrical part, new software is probably needed
Mod note. Jim passed away in early 2022, his contributions to this forum are immortal, and he is missed. RIP
2000 V70R Black, 144,000 miles Wife's R.
2007 V70 2.5T White/Oak 111,000 MILES. Polestar tune, IPD bars, rear spoiler, dark grey Thors, DWS 06, HU850, sub.
2000 V70R Black, 144,000 miles Wife's R.
2007 V70 2.5T White/Oak 111,000 MILES. Polestar tune, IPD bars, rear spoiler, dark grey Thors, DWS 06, HU850, sub.
-
DGM
- Posts: 459
- Joined: 23 December 2010
- Year and Model: V70 2.4i 2005
- Location: Quebec, Canada
- Been thanked: 3 times
For a new sensor it wouldn't be required.JRL wrote:I would guess: New electrical part, new software is probably needed
But as JRL mentioned, Vida is listing a software download for park assist installation. It isn't specified if it applies to PAM replacement. However it is most likely required.
Also a software download is available if someone wants to remove it.
V70 2005 2.4i 195,000km, sold
S70 1998 T5 355,000km, sold
960 1994 80,000km, sold
760 1990 Turbo 265,000km, sold
S70 1998 T5 355,000km, sold
960 1994 80,000km, sold
760 1990 Turbo 265,000km, sold
-
dcollins318
- Posts: 15
- Joined: 21 May 2013
- Year and Model: 2004 S60
- Location: US
Double checked the wires and everything appears to be fine. Will do a little more research on some wiring and in VIDA. Will do the software when VIDA is activated again if all else fails. Thank you all for the responses.
-
alanjackson
- Posts: 17
- Joined: 11 October 2015
- Year and Model: V70 2006 D5
- Location: norfolk UKL
- Has thanked: 2 times
FOUND IT - one faulty sensor causing an error on all 4.
Hello All, I have a problem where I was getting a "parking assist service needed" message and VIDA gave a REM 4F44 error.
I unplugged the PAM unit (ignition off) to check the connectors were making a good contact, NOW I am getting an error for all 4 sensors. Have I wrecked something ? What is the best way to check the voltage at the PAM? Should FUSE 26 be live all the time? Many thanks
Hello All, I have a problem where I was getting a "parking assist service needed" message and VIDA gave a REM 4F44 error.
I unplugged the PAM unit (ignition off) to check the connectors were making a good contact, NOW I am getting an error for all 4 sensors. Have I wrecked something ? What is the best way to check the voltage at the PAM? Should FUSE 26 be live all the time? Many thanks
-
- Similar Topics
- Replies
- Views
- Last post






