Hey all, I made sure I searched this up before posting to see if I could find a thread about this already but I haven't found anything that matches what I'm experiencing.
Anyway, I'm having some trouble getting reverse to work in my car. I bought it with no reverse (car has 220k miles on it) and the only codes it reported was about a misfire (caused by a horribly leaky intake manifold gasket). No transmission codes though. I can feel and hear the car clunk into reverse when I shift it, but it won't move if I give it gas, it'll just rev up. The reverse lights DO come on as well. Anyway, I found a salvage yard near me that had a used transmission that they "guaranteed" me was tested and working at 110k miles. So I bought it and spent a weekend swapping it out with the help of an experienced mechanic (so I know it was done right). Still no reverse though! Not sure if the salvage yard screwed me or not, but I talked more to my euro mechanic near me and he said to try replacing the TCM, so I just swapped those out earlier today with no luck still. Does anyone have any idea what could be going on? Did I swap my old trans for another faulty trans? Or is there something else wrong? It's almost like the reverse clutch isn't engaging so is there something electronic going on that's preventing the solenoid to engage in my transmission to cause the reverse clutch to slip? Could it have something to do with my axles or transfer case? All forward gears shift perfectly though and the fluid is full and clean and I'm still not getting any fault codes so I'm at a complete loss
1999 Volvo V70XC No Reverse
-
scot850
- Posts: 14893
- Joined: 5 April 2010
- Year and Model: 2000 V70 R
- Location: Calgary, Alberta, Canada
- Has thanked: 1850 times
- Been thanked: 1710 times
I have read a few posts over the years where owners seem to lose reverse gear. Problem is I can't recall any finding a solution other than swapping the trans out.
I don't think axles or transfer case have anything to do with this. If the car did not move at all forward then possibly a loose axle would be the issue, but reverse would also be an issue too.
Again, TCU is unusual to fail and that you swapped it for no change I think that can be discounted as well. Do make sure though the contacts on both the TCU and the socket are clean.
That your reverse lights come on would also say it is not an issue with the TCU. Trying to think what could be the issue that would only affect reverse on 2 different trans.
It could be the PNP switch not enabling reverse, but otherwise I don't know what would only affect reverse. Transfer case would only affect AWD function.
Neil.
I don't think axles or transfer case have anything to do with this. If the car did not move at all forward then possibly a loose axle would be the issue, but reverse would also be an issue too.
Again, TCU is unusual to fail and that you swapped it for no change I think that can be discounted as well. Do make sure though the contacts on both the TCU and the socket are clean.
That your reverse lights come on would also say it is not an issue with the TCU. Trying to think what could be the issue that would only affect reverse on 2 different trans.
It could be the PNP switch not enabling reverse, but otherwise I don't know what would only affect reverse. Transfer case would only affect AWD function.
Neil.
2006 V70 2.5T AWD Polestar tune
2000 V70 R - still being an endless PITA
2006 XC70 - Our son now has this and still parked in our garage
2003 Toyota 4Runner V8 Limited
2015 Kia Sportage EX-L - Sold
1993 850 GLT -Sold
1998 V70 XC - Sold
1997 Volvo 850 SE NA - Went to niece in California - Sold
2000 V70 SE NA - Sold
2000 V70 R - still being an endless PITA
2006 XC70 - Our son now has this and still parked in our garage
2003 Toyota 4Runner V8 Limited
2015 Kia Sportage EX-L - Sold
1993 850 GLT -Sold
1998 V70 XC - Sold
1997 Volvo 850 SE NA - Went to niece in California - Sold
2000 V70 SE NA - Sold
- abscate
- MVS Moderator
- Posts: 35301
- Joined: 17 February 2013
- Year and Model: 99: V70s S70s,05 V70
- Location: Port Jefferson Long Island NY
- Has thanked: 1505 times
- Been thanked: 3818 times
I think this documents that TCU are not vin locked like ECU are, in 1999 models?
That clunk is probably the parking pawl disengaging. How about a cable adjustment ?
That clunk is probably the parking pawl disengaging. How about a cable adjustment ?
- Attachments
-
- BB83A634-8C3E-44E6-BF13-12F8E7AEF4D8.png (672.48 KiB) Viewed 1161 times
-
- A778EAEF-F07D-4EBC-8D90-545F1B9399EB.png (699.27 KiB) Viewed 1161 times
Empty Nester
A Captain in a Sea of Estrogen
1999-V70-T5M56 2005-V70-M56 1999-S70 VW T4 XC90-in-Red
Link to Maintenance record thread
A Captain in a Sea of Estrogen
1999-V70-T5M56 2005-V70-M56 1999-S70 VW T4 XC90-in-Red
Link to Maintenance record thread
-
KKiwi
- Posts: 32
- Joined: 4 October 2021
- Year and Model: 1999 V70XC
- Location: Utah
- Been thanked: 2 times
The clunk isn't the pawl disengaging. If I put the car on neutral and rev the engine a little then put the car in reverse it'll make a solid clunk and I can feel the car jerk back very slightly, which tells me it does engage the transmission into reverse but the clutch isn't engaging
And from my understanding of what the pnp switch does I don't think it's that either because the reverse lights do turn on. From what I've read is that it's a faulty pnp switch if the reverse lights don't turn on
- abscate
- MVS Moderator
- Posts: 35301
- Joined: 17 February 2013
- Year and Model: 99: V70s S70s,05 V70
- Location: Port Jefferson Long Island NY
- Has thanked: 1505 times
- Been thanked: 3818 times
Back to back bad transmissions? oooooof.
I would fire up VIDA and query status of shift solenoids. Wiring fault between TCU and transmission?
I would fire up VIDA and query status of shift solenoids. Wiring fault between TCU and transmission?
Empty Nester
A Captain in a Sea of Estrogen
1999-V70-T5M56 2005-V70-M56 1999-S70 VW T4 XC90-in-Red
Link to Maintenance record thread
A Captain in a Sea of Estrogen
1999-V70-T5M56 2005-V70-M56 1999-S70 VW T4 XC90-in-Red
Link to Maintenance record thread
-
scot850
- Posts: 14893
- Joined: 5 April 2010
- Year and Model: 2000 V70 R
- Location: Calgary, Alberta, Canada
- Has thanked: 1850 times
- Been thanked: 1710 times
I will post this replay again as it seems to have disappeared.
I don't think your issue is either TCU/TCM or auto box either. If you happen to have 2 faulty items in a row for what is not an unheard of problem a pretty rare one.
I think it is time to ask an expert transmission repairer to understand where/how this can happen.
I meant to ask, did you change the torque converter when you swapped the trans?
I think abscate is on the right path around the electrical issue. There has to be a control signal the trans is not getting to tell it to go into reverse. Those signals come from a speed sensor or from the TCU or the gear shift lever area to the trans.
Neil.
I don't think your issue is either TCU/TCM or auto box either. If you happen to have 2 faulty items in a row for what is not an unheard of problem a pretty rare one.
I think it is time to ask an expert transmission repairer to understand where/how this can happen.
I meant to ask, did you change the torque converter when you swapped the trans?
I think abscate is on the right path around the electrical issue. There has to be a control signal the trans is not getting to tell it to go into reverse. Those signals come from a speed sensor or from the TCU or the gear shift lever area to the trans.
Neil.
2006 V70 2.5T AWD Polestar tune
2000 V70 R - still being an endless PITA
2006 XC70 - Our son now has this and still parked in our garage
2003 Toyota 4Runner V8 Limited
2015 Kia Sportage EX-L - Sold
1993 850 GLT -Sold
1998 V70 XC - Sold
1997 Volvo 850 SE NA - Went to niece in California - Sold
2000 V70 SE NA - Sold
2000 V70 R - still being an endless PITA
2006 XC70 - Our son now has this and still parked in our garage
2003 Toyota 4Runner V8 Limited
2015 Kia Sportage EX-L - Sold
1993 850 GLT -Sold
1998 V70 XC - Sold
1997 Volvo 850 SE NA - Went to niece in California - Sold
2000 V70 SE NA - Sold
- abscate
- MVS Moderator
- Posts: 35301
- Joined: 17 February 2013
- Year and Model: 99: V70s S70s,05 V70
- Location: Port Jefferson Long Island NY
- Has thanked: 1505 times
- Been thanked: 3818 times
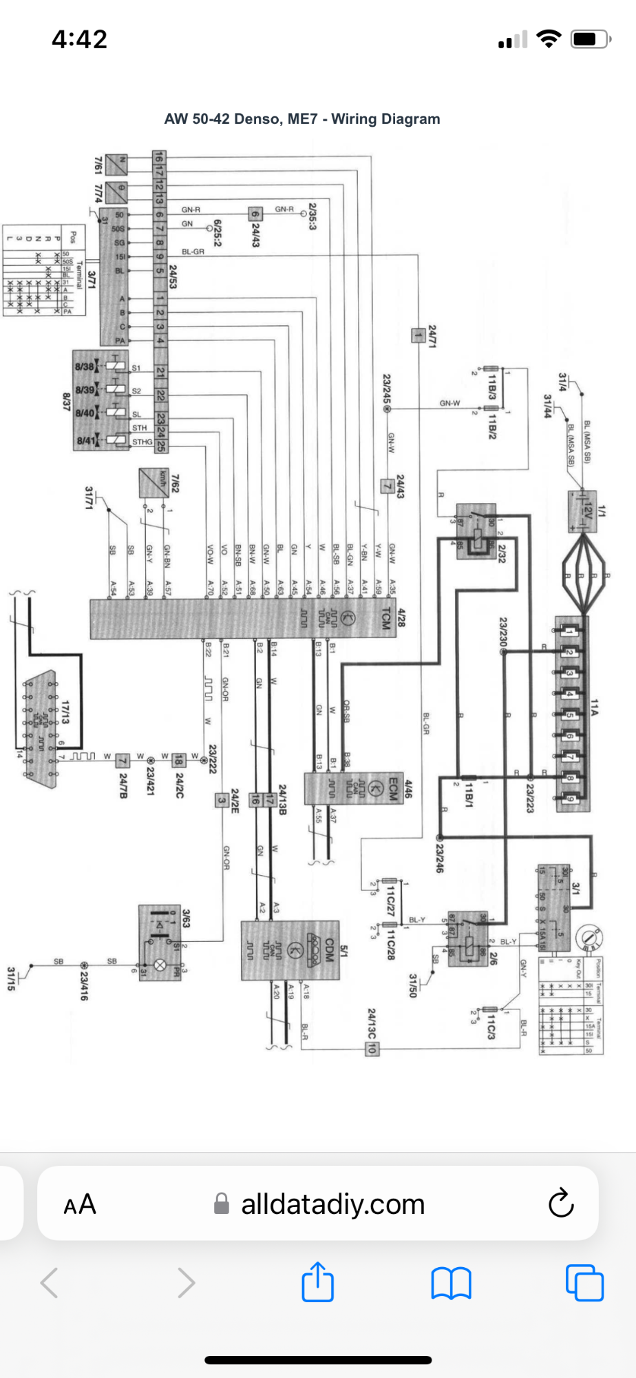
Here are the solenoid diagrams as well as the Selector wiring
- Attachments
-
- A4F05E0C-0D31-4D97-8579-C5EA9F202526.png (695.54 KiB) Viewed 1110 times
-
- 64F767D6-6003-4B3B-BFEF-E5F4A957F80C.png (624.42 KiB) Viewed 1110 times
Empty Nester
A Captain in a Sea of Estrogen
1999-V70-T5M56 2005-V70-M56 1999-S70 VW T4 XC90-in-Red
Link to Maintenance record thread
A Captain in a Sea of Estrogen
1999-V70-T5M56 2005-V70-M56 1999-S70 VW T4 XC90-in-Red
Link to Maintenance record thread
-
KKiwi
- Posts: 32
- Joined: 4 October 2021
- Year and Model: 1999 V70XC
- Location: Utah
- Been thanked: 2 times
Yes, I did swap the torque converter when I swapped transmissions. I agree with abscate as well, I think it may be a wiring problem.scot850 wrote: ↑08 May 2022, 14:29 I will post this replay again as it seems to have disappeared.
I don't think your issue is either TCU/TCM or auto box either. If you happen to have 2 faulty items in a row for what is not an unheard of problem a pretty rare one.
I think it is time to ask an expert transmission repairer to understand where/how this can happen.
I meant to ask, did you change the torque converter when you swapped the trans?
I think abscate is on the right path around the electrical issue. There has to be a control signal the trans is not getting to tell it to go into reverse. Those signals come from a speed sensor or from the TCU or the gear shift lever area to the trans.
Neil.
I also just had a problem happen earlier as well. I figured out that if I bring my shift lever all the way down to low gear it'll let me pull the lever a little farther than that could with my old transmission and it immediately put my car into limp mode and gave me the flashing up arrow and check engine light. Not sure if the pnp switch is messed up and sent the TCU a bad code or if something else happened. Just thought I'd put that out there
- abscate
- MVS Moderator
- Posts: 35301
- Joined: 17 February 2013
- Year and Model: 99: V70s S70s,05 V70
- Location: Port Jefferson Long Island NY
- Has thanked: 1505 times
- Been thanked: 3818 times
What kind of scanner do you have ? Can you read TCu codes?
Volvoclub.org.uK has complete aw50-42 diagnostics in pdf
Volvoclub.org.uK has complete aw50-42 diagnostics in pdf
Empty Nester
A Captain in a Sea of Estrogen
1999-V70-T5M56 2005-V70-M56 1999-S70 VW T4 XC90-in-Red
Link to Maintenance record thread
A Captain in a Sea of Estrogen
1999-V70-T5M56 2005-V70-M56 1999-S70 VW T4 XC90-in-Red
Link to Maintenance record thread
-
- Similar Topics
- Replies
- Views
- Last post






