Hi folks!
So glad this community is still here- I lost my login for a while but I my volvo!!
So I was being a bit irresponsible with some friends over the new year and was honking my horn a bunch. It blew the 15A fuse.
The trouble is, it blew the relay as well. I replaced both and....It blew them up yet again.
Any ideas what I could check? Seems to be a strange electrical issue. (FMI2 and fuse #9 are what keeps blowing)
Note, I'm very skilled at surface mount PCB repairs and soldering, so that's not a barrier.
Horn Relay + Fuse keep blowing (V70, 2004)
-
crimsonv70
- Posts: 16
- Joined: 13 February 2016
- Year and Model: 2004 V70
- Location: Earth
- Been thanked: 2 times
Horn Relay + Fuse keep blowing (V70, 2004)
- Attachments
-
- IMG_20250120_222214.jpg (64.99 KiB) Viewed 1148 times
-
- IMG_20250120_222107.jpg (101.09 KiB) Viewed 1148 times
-
- IMG_20250120_222322.jpg (63.87 KiB) Viewed 1148 times
- jonesg
- Posts: 3507
- Joined: 16 January 2008
- Year and Model: 2004 V70
- Location: Northern maine.
- Has thanked: 69 times
- Been thanked: 481 times
disconnect the horn/s from their power feed, replace the fuse and relay, if the fuse pops again its not the horn.
I would suspect the steering wheel. You were over enthusiastic with it.
I would suspect the steering wheel. You were over enthusiastic with it.
-
crimsonv70
- Posts: 16
- Joined: 13 February 2016
- Year and Model: 2004 V70
- Location: Earth
- Been thanked: 2 times
Thanks for the replies 
To clarify:
1. The fuse and relay blows if I honk the horn a few times (it works fine if I honk once but not twice in succession)
2. After the fuse and relay are replaced, the horn honks. It works fine unless I honk twice in succession... If I do that (easy to do), it will blow the fuse and relay again.
What could it be in the steering wheel? I'm at a loss to understand what would electrically be causing this.
To clarify:
1. The fuse and relay blows if I honk the horn a few times (it works fine if I honk once but not twice in succession)
2. After the fuse and relay are replaced, the horn honks. It works fine unless I honk twice in succession... If I do that (easy to do), it will blow the fuse and relay again.
What could it be in the steering wheel? I'm at a loss to understand what would electrically be causing this.
- jonesg
- Posts: 3507
- Joined: 16 January 2008
- Year and Model: 2004 V70
- Location: Northern maine.
- Has thanked: 69 times
- Been thanked: 481 times
the horn switch is in the steering wheel.
If its integrated into the airbag module clockspring it can get expensive, I'm seeing $180+ part and the steering wheel has to come off.
I would run my own wiring and a momentary button, $15 vs $500 in a shop, you probably only really need it to pass inspection.
If its integrated into the airbag module clockspring it can get expensive, I'm seeing $180+ part and the steering wheel has to come off.
I would run my own wiring and a momentary button, $15 vs $500 in a shop, you probably only really need it to pass inspection.
-
crimsonv70
- Posts: 16
- Joined: 13 February 2016
- Year and Model: 2004 V70
- Location: Earth
- Been thanked: 2 times
Yeesh, thats expensive.jonesg wrote: ↑28 Jan 2025, 20:17 the horn switch is in the steering wheel.
If its integrated into the airbag module clockspring it can get expensive, I'm seeing $180+ part and the steering wheel has to come off.
I would run my own wiring and a momentary button, $15 vs $500 in a shop, you probably only really need it to pass inspection.
I just dont see how closing a switch for the horn would blow a relay though? Especially if it's only closing it twice in succession. There must be something else going on, although I'm not sure what :/
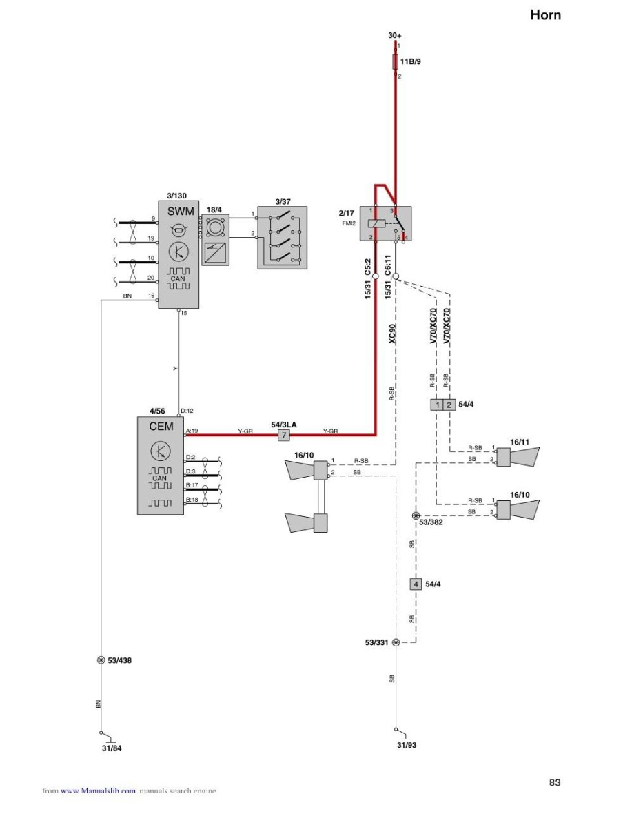
wiring diagram attached but it's strange - a lot of custom symbols here. and how is the relay getting activated by a single high voltage (30v) source without ground(?)
- jonesg
- Posts: 3507
- Joined: 16 January 2008
- Year and Model: 2004 V70
- Location: Northern maine.
- Has thanked: 69 times
- Been thanked: 481 times
you broke something in the switch or one of the 4 switches (3/37),
press it once and it sticks, press it again and it shorts out.
I'm pretty sure you can find a used one on ebay, then you either have to install it or pay a shop.
Its difficult to tell from the diagram, it might be integrated into the airbag module or can be disconnected, if its seperate thats cheaper than an all in one integrated module.
Watch some videos to learn how to access, disconnect the battery first.
The querstion I can't answer is whether the horn switch is in the airbag part or is it under the steering wheel with the steering angle sensor, if its part of the airbag module you don't need to remove the steering wheel.
If you call FCP the techs can tell you one way or the other.
press it once and it sticks, press it again and it shorts out.
I'm pretty sure you can find a used one on ebay, then you either have to install it or pay a shop.
Its difficult to tell from the diagram, it might be integrated into the airbag module or can be disconnected, if its seperate thats cheaper than an all in one integrated module.
Watch some videos to learn how to access, disconnect the battery first.
The querstion I can't answer is whether the horn switch is in the airbag part or is it under the steering wheel with the steering angle sensor, if its part of the airbag module you don't need to remove the steering wheel.
If you call FCP the techs can tell you one way or the other.
-
- Similar Topics
- Replies
- Views
- Last post
-
- 6 Replies
- 1391 Views
-
Last post by darrenroark
-
- 1 Replies
- 3694 Views
-
Last post by MazdaDude






