Login Register

Wifes XC90 will not start

A mid-size luxury crossover SUV, the Volvo XC90 made its debut in 2002 at the Detroit Motor Show. Recognized for its safety, practicality, and comfort, the XC90 is a popular vehicle around the world. The XC90 proved to be very popular, and very good for Volvo's sales numbers, since its introduction in model year 2003 (North America). P2 platform.
Post Reply
Skiernan
Posts: 2
Joined: 28 May 2025
Year and Model: 2010 XC90
Location: Carson City

Wifes XC90 will not start

Post by Skiernan »

Hello,
I am new to the forum and have done some searches but not found the information i am looking for. My wife owns a 2010 XC90 AWD 3.2. After work it would not start. It was determined it was not getting fuel so I of course replaced the fuel pump, still no fuel. I checked the PEM for voltage and no voltage to the plug into the fuel pump. I took the old fuel pump and started figuring out what pins have to get power to make the pumps run. I isolated the main pump and the transfer pump, applied a stand alone voltage source and both pumps are running and the car starts and runs on the stand alone battery. I replaced the PEM still no start. I've checked the fuse in the fusebox under the hood and it is not blown, replaced it any way. There is voltage at the fuse junction. Corey from IPD told me there are 3 other fuel pump related fuses but referred me here to find out their locations. I am at my wits end with this car and could really use some help. Thanks all.

User avatar
abscate
MVS Moderator
Posts: 35267
Joined: 17 February 2013
Year and Model: 99: V70s S70s,05 V70
Location: Port Jefferson Long Island NY
Has thanked: 1497 times
Been thanked: 3809 times

Post by abscate »

-here’s the electrics; for my 2013 3.2.

I think it’s the same. You need 12 v coming from the CEM and the right signals from the ECU to drive the PEM, which duty cycles the pump

Note you want the box with the US KOR option here fir fault tracing
Empty Nester
A Captain in a Sea of Estrogen
1999-V70-T5M56 2005-V70-M56 1999-S70 VW T4 XC90-in-Red
Link to Maintenance record thread

User avatar
ggleavitt
Posts: 740
Joined: 4 June 2006
Year and Model: 06,08 XC90 V8
Location: Camano
Has thanked: 23 times
Been thanked: 125 times

Post by ggleavitt »

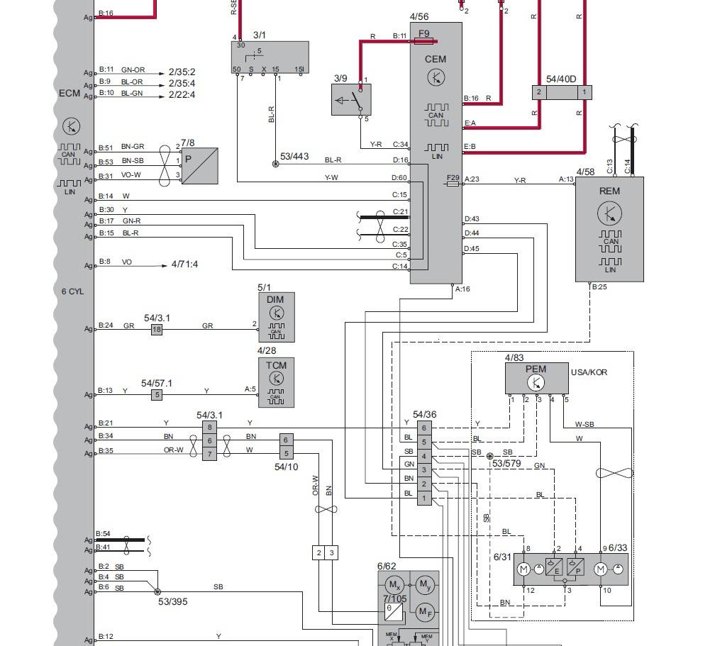
2010 3.2 Fuel Schematic.jpg
2010 3.2 Fuel Schematic.jpg (88.77 KiB) Viewed 2182 times
2006 V8 Ocean Race #740/800 200k, 2008 V8 Sport 183k

Skiernan
Posts: 2
Joined: 28 May 2025
Year and Model: 2010 XC90
Location: Carson City

Post by Skiernan »

I've not been able to locate the other fuses. I keep getting told the PEM needs to be programed/linked to the ECU. I'm starting to believe that. Have any of you found that to be true. At this point it would make sense that the ECU doesn't recognize the new PEM so it is not powering it up.

Vova585
Posts: 558
Joined: 18 March 2023
Year and Model: 01v70xc,2016xc70...
Location: Rochester,NY
Has thanked: 155 times
Been thanked: 141 times

Post by Vova585 »

I never heard that PEM needs to be programmed. I would suspect that you most likely have broken wire somewhere. If I would be in your situation I would pay for DIY alldata subscription for 1 month for 1 car. It will cost $23. Will give you easy to understand wiring diagrams and troubleshooting. Go to YouTube and watch PHAD(pine hollow auto diagnostic) series on "volvo no start" unfortunately he has 2.5 5 cyl variant there but theory of operation and troubleshooting should be the same. Good luck
P.s. you need to have a good scanner for this job. You need to be able to see what %duty cycle ECM commands to PEM. Sometimes you might have faulty fuel pressure sensor which will report abnormally high pressure and it will prevent cem to send command to pem to engage pump. You sure can trace the wires and check all powers and grounds and hopefully something will be wrong and you will be able to trace it and repair. But wiring diagrams, scanner,data about locations of connectors, and basic scope might be a necessity for this repair.

User avatar
abscate
MVS Moderator
Posts: 35267
Joined: 17 February 2013
Year and Model: 99: V70s S70s,05 V70
Location: Port Jefferson Long Island NY
Has thanked: 1497 times
Been thanked: 3809 times

Post by abscate »

Skiernan wrote: 12 Jun 2025, 17:07 I've not been able to locate the other fuses. I keep getting told the PEM needs to be programed/linked to the ECU. I'm starting to believe that. Have any of you found that to be true. At this point it would make sense that the ECU doesn't recognize the new PEM so it is not powering it up.
The PEM does not require coding to the ECU. It does sound like a wiring fault.
Empty Nester
A Captain in a Sea of Estrogen
1999-V70-T5M56 2005-V70-M56 1999-S70 VW T4 XC90-in-Red
Link to Maintenance record thread

Post Reply
  • Similar Topics
    Replies
    Views
    Last post