Front right caliper running hot , 300 F after hard stop
Removed and cleaned caliper slide pins. Rust removed with drill press and sandpaper , greased with antiseize
1999 S70 NA “Lady Evita” AT Base 019 3580 Cetus 567289
Forum rules
Please create one topic per Volvo you own. Then simply post to that topic when you maintain or repair your Volvo. You'll have a nice record of what you did, when, and how much it cost. Only you can post in your topic.
Please create one topic per Volvo you own. Then simply post to that topic when you maintain or repair your Volvo. You'll have a nice record of what you did, when, and how much it cost. Only you can post in your topic.
- abscate
- MVS Moderator
- Posts: 35283
- Joined: 17 February 2013
- Year and Model: 99: V70s S70s,05 V70
- Location: Port Jefferson Long Island NY
- Has thanked: 1502 times
- Been thanked: 3813 times
Re: 1999 S70 NA “Lady Evita” AT Base 019 Stone Black
Empty Nester
A Captain in a Sea of Estrogen
1999-V70-T5M56 2005-V70-M56 1999-S70 VW T4 XC90-in-Red
Link to Maintenance record thread
A Captain in a Sea of Estrogen
1999-V70-T5M56 2005-V70-M56 1999-S70 VW T4 XC90-in-Red
Link to Maintenance record thread
- abscate
- MVS Moderator
- Posts: 35283
- Joined: 17 February 2013
- Year and Model: 99: V70s S70s,05 V70
- Location: Port Jefferson Long Island NY
- Has thanked: 1502 times
- Been thanked: 3813 times
Empty Nester
A Captain in a Sea of Estrogen
1999-V70-T5M56 2005-V70-M56 1999-S70 VW T4 XC90-in-Red
Link to Maintenance record thread
A Captain in a Sea of Estrogen
1999-V70-T5M56 2005-V70-M56 1999-S70 VW T4 XC90-in-Red
Link to Maintenance record thread
- abscate
- MVS Moderator
- Posts: 35283
- Joined: 17 February 2013
- Year and Model: 99: V70s S70s,05 V70
- Location: Port Jefferson Long Island NY
- Has thanked: 1502 times
- Been thanked: 3813 times
No start, battery dead
Left door open on hot day, new battery for winter planned
Charged at 10,amps
Replaced positive battery cable, cut old one at harness and starter, routed new one on parallel course
Replacement part from FCP does not have boss on terminal to connect harness loom, will put an M6 nut to compensate.
Replaced fan hardware with stainless 3/8 by 1.5binch hardware from Lowe’s for four fan screws and two upper radiators screws
Evan put a new radiator in in 2017-25.... yeah!
Left door open on hot day, new battery for winter planned
Charged at 10,amps
Replaced positive battery cable, cut old one at harness and starter, routed new one on parallel course
Replacement part from FCP does not have boss on terminal to connect harness loom, will put an M6 nut to compensate.
Replaced fan hardware with stainless 3/8 by 1.5binch hardware from Lowe’s for four fan screws and two upper radiators screws
Evan put a new radiator in in 2017-25.... yeah!
Empty Nester
A Captain in a Sea of Estrogen
1999-V70-T5M56 2005-V70-M56 1999-S70 VW T4 XC90-in-Red
Link to Maintenance record thread
A Captain in a Sea of Estrogen
1999-V70-T5M56 2005-V70-M56 1999-S70 VW T4 XC90-in-Red
Link to Maintenance record thread
- abscate
- MVS Moderator
- Posts: 35283
- Joined: 17 February 2013
- Year and Model: 99: V70s S70s,05 V70
- Location: Port Jefferson Long Island NY
- Has thanked: 1502 times
- Been thanked: 3813 times
159900 replaced cooling group hoses
Upper rad hose
Lower rad hose
Upper heater hose
Lower heater hose
Water pipe to reservoir hose
Reservoir to radiator hose
All new clamps, closed tipe
PEX on heater and end of water pipe hose
Radiator has 1;4 turn lock and pull type stopcock
New Volvo coolant after 30 minute flush
Replaced loom on ECT wire
2october2019
New Advance 3year Gold battery , old one not holding starting charge longer than one week (5 years old)
Current drain on Main Fuse 6, Circuit 7 - shows about 250 mA draw
Abby will pull main fuse six when car sits for more than a day or two. We will find drain on semester break in Fall
viewtopic.php?f=1&t=91400&p=522058#p522058
Upper rad hose
Lower rad hose
Upper heater hose
Lower heater hose
Water pipe to reservoir hose
Reservoir to radiator hose
All new clamps, closed tipe
PEX on heater and end of water pipe hose
Radiator has 1;4 turn lock and pull type stopcock
New Volvo coolant after 30 minute flush
Replaced loom on ECT wire
2october2019
New Advance 3year Gold battery , old one not holding starting charge longer than one week (5 years old)
Current drain on Main Fuse 6, Circuit 7 - shows about 250 mA draw
Abby will pull main fuse six when car sits for more than a day or two. We will find drain on semester break in Fall
viewtopic.php?f=1&t=91400&p=522058#p522058
Empty Nester
A Captain in a Sea of Estrogen
1999-V70-T5M56 2005-V70-M56 1999-S70 VW T4 XC90-in-Red
Link to Maintenance record thread
A Captain in a Sea of Estrogen
1999-V70-T5M56 2005-V70-M56 1999-S70 VW T4 XC90-in-Red
Link to Maintenance record thread
- abscate
- MVS Moderator
- Posts: 35283
- Joined: 17 February 2013
- Year and Model: 99: V70s S70s,05 V70
- Location: Port Jefferson Long Island NY
- Has thanked: 1502 times
- Been thanked: 3813 times
Changed oil filter 160314
Empty Nester
A Captain in a Sea of Estrogen
1999-V70-T5M56 2005-V70-M56 1999-S70 VW T4 XC90-in-Red
Link to Maintenance record thread
A Captain in a Sea of Estrogen
1999-V70-T5M56 2005-V70-M56 1999-S70 VW T4 XC90-in-Red
Link to Maintenance record thread
- abscate
- MVS Moderator
- Posts: 35283
- Joined: 17 February 2013
- Year and Model: 99: V70s S70s,05 V70
- Location: Port Jefferson Long Island NY
- Has thanked: 1502 times
- Been thanked: 3813 times
Dec 25 160600
Replaced chattering purge valve with new from FCP
Replaced chattering purge valve with new from FCP
Empty Nester
A Captain in a Sea of Estrogen
1999-V70-T5M56 2005-V70-M56 1999-S70 VW T4 XC90-in-Red
Link to Maintenance record thread
A Captain in a Sea of Estrogen
1999-V70-T5M56 2005-V70-M56 1999-S70 VW T4 XC90-in-Red
Link to Maintenance record thread
- abscate
- MVS Moderator
- Posts: 35283
- Joined: 17 February 2013
- Year and Model: 99: V70s S70s,05 V70
- Location: Port Jefferson Long Island NY
- Has thanked: 1502 times
- Been thanked: 3813 times
2020 maintenance records
Thought I had solved the electrical gremlin when I disconnected passenger door and normal function was restored. Two days later, problem reoccurred. I suspect the NPN power transistor inthe 2/76 has faulted to drain and will try a board level replacement.
Swapped snows April 1. Notice oil seep fro crank or cam area , to be evaluated.
Popped a fronT OXS heater failure code. Part 9125583 , will check wiring and stash
Replaced front OXS , cam intake oil seal , 164500
10 May. Removed dash, rebuilt mounts, fixed cracks, rebuilt foot panel mounts, wired in usb to top dash, usedJB weld clear quick set epoxy. Nice stuff, minimal out gassing.
15 July
Replaced exhaust cam seal, slight seep
29 August. Right front caliperhot. Evaluate for pin or piston seizure 166100
Caliper is Piston stuck. Replaced with used from parts stash
Bleeders now 10 mm on right side , pads 8 mm meat
These rebuilt calipers have silver cheese for metal pistons
Thought I had solved the electrical gremlin when I disconnected passenger door and normal function was restored. Two days later, problem reoccurred. I suspect the NPN power transistor inthe 2/76 has faulted to drain and will try a board level replacement.
Swapped snows April 1. Notice oil seep fro crank or cam area , to be evaluated.
Popped a fronT OXS heater failure code. Part 9125583 , will check wiring and stash
Replaced front OXS , cam intake oil seal , 164500
10 May. Removed dash, rebuilt mounts, fixed cracks, rebuilt foot panel mounts, wired in usb to top dash, usedJB weld clear quick set epoxy. Nice stuff, minimal out gassing.
15 July
Replaced exhaust cam seal, slight seep
29 August. Right front caliperhot. Evaluate for pin or piston seizure 166100
Caliper is Piston stuck. Replaced with used from parts stash
Bleeders now 10 mm on right side , pads 8 mm meat
These rebuilt calipers have silver cheese for metal pistons
Empty Nester
A Captain in a Sea of Estrogen
1999-V70-T5M56 2005-V70-M56 1999-S70 VW T4 XC90-in-Red
Link to Maintenance record thread
A Captain in a Sea of Estrogen
1999-V70-T5M56 2005-V70-M56 1999-S70 VW T4 XC90-in-Red
Link to Maintenance record thread
- abscate
- MVS Moderator
- Posts: 35283
- Joined: 17 February 2013
- Year and Model: 99: V70s S70s,05 V70
- Location: Port Jefferson Long Island NY
- Has thanked: 1502 times
- Been thanked: 3813 times
TRW steering rack, round cap
The rest of the fleet are SMI
Monitor driver rear caliper for sticking temperature. Measured 331F. Possible parking brake left on?
The rest of the fleet are SMI
Monitor driver rear caliper for sticking temperature. Measured 331F. Possible parking brake left on?
Empty Nester
A Captain in a Sea of Estrogen
1999-V70-T5M56 2005-V70-M56 1999-S70 VW T4 XC90-in-Red
Link to Maintenance record thread
A Captain in a Sea of Estrogen
1999-V70-T5M56 2005-V70-M56 1999-S70 VW T4 XC90-in-Red
Link to Maintenance record thread
- abscate
- MVS Moderator
- Posts: 35283
- Joined: 17 February 2013
- Year and Model: 99: V70s S70s,05 V70
- Location: Port Jefferson Long Island NY
- Has thanked: 1502 times
- Been thanked: 3813 times
It’s a new Year! 2021
Jan 12 awappped driver seat leather with nice Oak from C70 1999. Some warts discussed here
viewtopic.php?t=92556&hilit=1999+s70+seat&start=20
Feb 9 no crank no start, bad battery cable, one year old
viewtopic.php?f=1&t=96437
Long cranking, code P0340
Found cam sensor connector had pulled open, problem resolved.
19 May. Added 350g R134A, achieved 35F delta at 2000rpm , will scan for leaks
Cleaned out cabin filter
Drain and fill 4 litersATF Valviline synthetic Dexron VI
Ignition key tumbler problem
viewtopic.php?f=1&t=98078
16 Sep 165333
Oil and filter change
Replaced ignition lock tumbler with new Volvo part ordered from Capital Volvo. 5 day delivery ordered by VIN
Oct 2021 cleared pending P0440 and p1081( ? Key in too long fault) mikesge 167091
Nov7 new TYC headlights , rebuilt B+buss wires
viewtopic.php?f=1&t=78410&p=586850#p586850
Troubleshoot mcc control unit lights. Pressure on front of electrical head makes lights go out. Probable flex board issue. Installed head loosely and get full function. About 2 mm protruding.
MCC lights reference
viewtopic.php?f=1&t=93930&p=559189&hili ... it#p559189
MCC controller servicing reference
viewtopic.php?f=1&t=89316&p=517711&hili ... ol#p517711
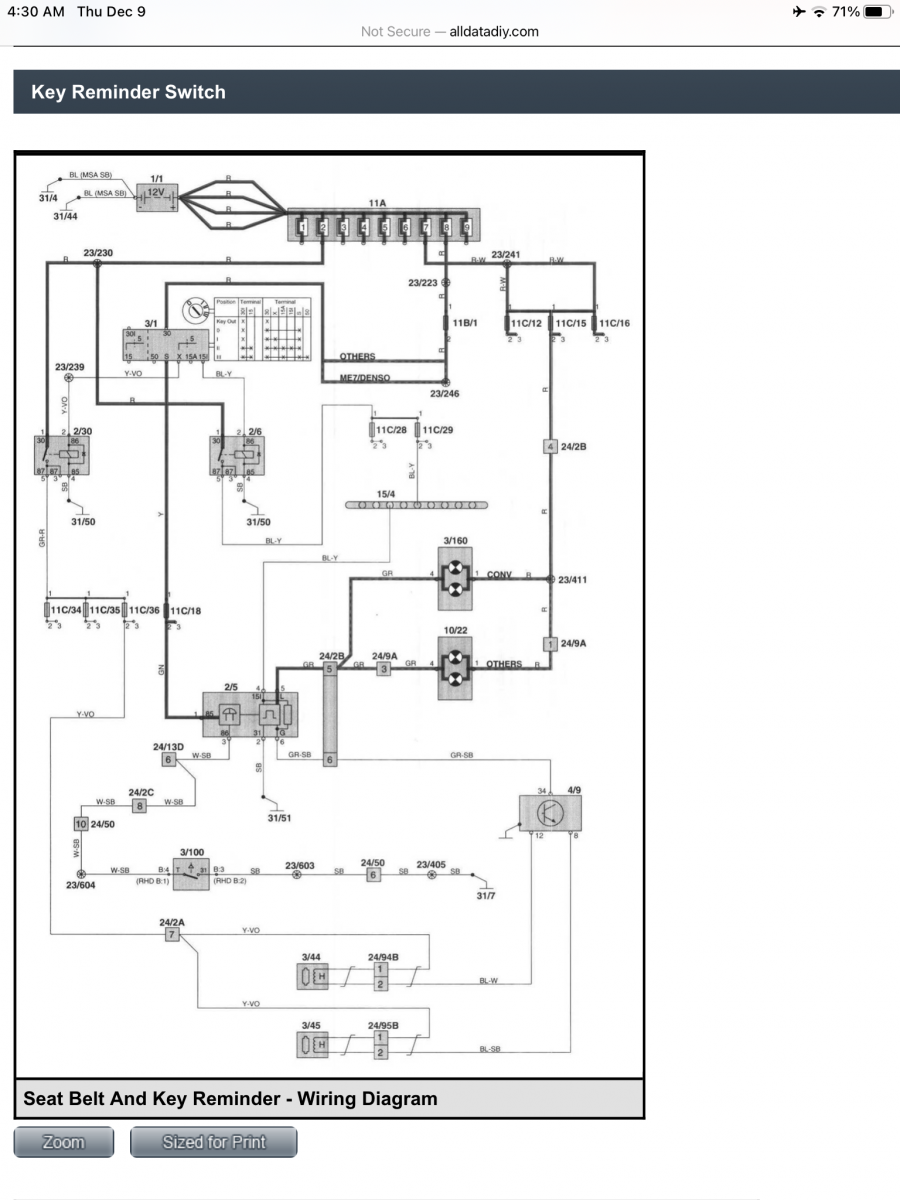
Key reminder stick, connects terminal 30 to S in key switch, electrical part
Jan 12 awappped driver seat leather with nice Oak from C70 1999. Some warts discussed here
viewtopic.php?t=92556&hilit=1999+s70+seat&start=20
Feb 9 no crank no start, bad battery cable, one year old
viewtopic.php?f=1&t=96437
Long cranking, code P0340
Found cam sensor connector had pulled open, problem resolved.
19 May. Added 350g R134A, achieved 35F delta at 2000rpm , will scan for leaks
Cleaned out cabin filter
Drain and fill 4 litersATF Valviline synthetic Dexron VI
Ignition key tumbler problem
viewtopic.php?f=1&t=98078
16 Sep 165333
Oil and filter change
Replaced ignition lock tumbler with new Volvo part ordered from Capital Volvo. 5 day delivery ordered by VIN
Oct 2021 cleared pending P0440 and p1081( ? Key in too long fault) mikesge 167091
Nov7 new TYC headlights , rebuilt B+buss wires
viewtopic.php?f=1&t=78410&p=586850#p586850
Troubleshoot mcc control unit lights. Pressure on front of electrical head makes lights go out. Probable flex board issue. Installed head loosely and get full function. About 2 mm protruding.
MCC lights reference
viewtopic.php?f=1&t=93930&p=559189&hili ... it#p559189
MCC controller servicing reference
viewtopic.php?f=1&t=89316&p=517711&hili ... ol#p517711
Key reminder stick, connects terminal 30 to S in key switch, electrical part
Empty Nester
A Captain in a Sea of Estrogen
1999-V70-T5M56 2005-V70-M56 1999-S70 VW T4 XC90-in-Red
Link to Maintenance record thread
A Captain in a Sea of Estrogen
1999-V70-T5M56 2005-V70-M56 1999-S70 VW T4 XC90-in-Red
Link to Maintenance record thread
- abscate
- MVS Moderator
- Posts: 35283
- Joined: 17 February 2013
- Year and Model: 99: V70s S70s,05 V70
- Location: Port Jefferson Long Island NY
- Has thanked: 1502 times
- Been thanked: 3813 times
2022 records
Fuse tap for power
viewtopic.php?t=96818
168600 replaced driver mirror adjust switch with UBG
slight pulsing on brakes from front
Pads rotors calipers from FCP IN 90 MINUTES!
(Eugene 1 liter oil 196144) Jan 22
(Ludwig oil change Feb 9 )
Swapped on studded snows 24 Feb 170400
Cleared codes 6 March. 1633 and 0440?
( Juliette oil change 66500 8 March)
( Juliette thermostat , coolant change 14 March)
(Ludwig top off coolant ca 200 ml)
28 March. Swapped to summer tires, 2 new front. Rear rotors annuli
(Eugenia source for TC )
https://www.car-part.com/
10 April Evita shows p0172 and p0442
18 April repaired rear exhaust hangar with PPS from FCP
8 may 2 inch band clamp on cat to muffler
(Eugene 1 liter of 97500 may 9)
12 June Added 350g R134A. Achieved benchmark 30F delta. Sniffer occasionally trips on dash vents on sensitivity 7
Glove box lock stuck
viewtopic.php?p=603097#p603097
(Ludwig dropped fuel tank to splice rear right brake line , inspect drivetrain)
[ Betty rear muffler ]
viewtopic.php?t=78410&start=7010
(juliette. Changed left rear brake light 2047 style. Sealed back window on soft top)
(ludwig. Ran new NiCopp brake line from ABS to behind fuel tank. Reinstalled fuel tank. Removed fuel filter )
( Juliette. Installed 2021-11 battery)
11 august. NYSI 173500
OXS and evap not ready
Oil and filter change.
Topped off coolant 250 ml and PS fluid
(Eugene oil change 21aug 200028, topped to full at 200,600 24sep)
(Eugene rear pads rotors sensor 200100. Aug 27)
Link to bear river converters for exhaust flanges
viewtopic.php?f=1&p=581164#p581164
(Eugene trans fault warning 200900, cleared on restart. Hard 3-2 downshift. Possible 3-2 solenoid?)
Eugene cel 201,060. P0171, P0174. LTFT 8,10% cleared)
Abby reported rough start, settled down on highway run. Plugs now at 22k miles on Copper? Replace or gap?
Gap checked at 032. Installed URO air guide.
(Eugena replaced DISA valve fcp
Air filter dirty
Replaced cabin filter)
P0172 popped, will check trims 24 Dec 176xxx
Fuse tap for power
viewtopic.php?t=96818
168600 replaced driver mirror adjust switch with UBG
slight pulsing on brakes from front
Pads rotors calipers from FCP IN 90 MINUTES!
(Eugene 1 liter oil 196144) Jan 22
(Ludwig oil change Feb 9 )
Swapped on studded snows 24 Feb 170400
Cleared codes 6 March. 1633 and 0440?
( Juliette oil change 66500 8 March)
( Juliette thermostat , coolant change 14 March)
(Ludwig top off coolant ca 200 ml)
28 March. Swapped to summer tires, 2 new front. Rear rotors annuli
(Eugenia source for TC )
https://www.car-part.com/
10 April Evita shows p0172 and p0442
18 April repaired rear exhaust hangar with PPS from FCP
8 may 2 inch band clamp on cat to muffler
(Eugene 1 liter of 97500 may 9)
12 June Added 350g R134A. Achieved benchmark 30F delta. Sniffer occasionally trips on dash vents on sensitivity 7
Glove box lock stuck
viewtopic.php?p=603097#p603097
(Ludwig dropped fuel tank to splice rear right brake line , inspect drivetrain)
[ Betty rear muffler ]
viewtopic.php?t=78410&start=7010
(juliette. Changed left rear brake light 2047 style. Sealed back window on soft top)
(ludwig. Ran new NiCopp brake line from ABS to behind fuel tank. Reinstalled fuel tank. Removed fuel filter )
( Juliette. Installed 2021-11 battery)
11 august. NYSI 173500
OXS and evap not ready
Oil and filter change.
Topped off coolant 250 ml and PS fluid
(Eugene oil change 21aug 200028, topped to full at 200,600 24sep)
(Eugene rear pads rotors sensor 200100. Aug 27)
Link to bear river converters for exhaust flanges
viewtopic.php?f=1&p=581164#p581164
(Eugene trans fault warning 200900, cleared on restart. Hard 3-2 downshift. Possible 3-2 solenoid?)
Eugene cel 201,060. P0171, P0174. LTFT 8,10% cleared)
Abby reported rough start, settled down on highway run. Plugs now at 22k miles on Copper? Replace or gap?
Gap checked at 032. Installed URO air guide.
(Eugena replaced DISA valve fcp
Air filter dirty
Replaced cabin filter)
P0172 popped, will check trims 24 Dec 176xxx
- Attachments
-
- 80AA2051-F520-48C5-891D-20B61F2C7542.jpeg (2.83 MiB) Viewed 3775 times
-
- 49A6EE83-9CBF-4E4D-8002-B1112BF1CA41.jpeg (3.54 MiB) Viewed 3775 times
-
- E01F70C1-F781-4B7D-BDAC-BE337819542F.jpeg (993.44 KiB) Viewed 3638 times
-
- 3A7F6077-71F3-4414-8A3D-26184D7E85F4.jpeg (488.52 KiB) Viewed 3231 times
-
- 2F949E92-8AAB-4BF8-8BBF-B7D3282D3B28.jpeg (668.62 KiB) Viewed 3220 times
Empty Nester
A Captain in a Sea of Estrogen
1999-V70-T5M56 2005-V70-M56 1999-S70 VW T4 XC90-in-Red
Link to Maintenance record thread
A Captain in a Sea of Estrogen
1999-V70-T5M56 2005-V70-M56 1999-S70 VW T4 XC90-in-Red
Link to Maintenance record thread






