2000 Volvo S40 ignition starter switch removal
Re: 2000 Volvo S40 ignition starter switch removal
I haven't tried anything other than trying to install the new ignition switch but you have provided me with several options. Personally, I want to just get the pigtails off and install the new part. While I'm in there I'll try the column lock technique again. If that works, I will definitely take your advice and install a push-start. If I can't get it to start that way, I'll nix the column lock as the culprit and move on or bite the bullet and get a mechanic to diagnose the actual problem. I just wish I could have it fail in front of him because leaving it untouched for like 45 minutes it always starts.
- RickHaleParker
- Posts: 7129
- Joined: 25 May 2015
- Year and Model: See Signature below.
- Location: Kansas
- Has thanked: 8 times
- Been thanked: 958 times
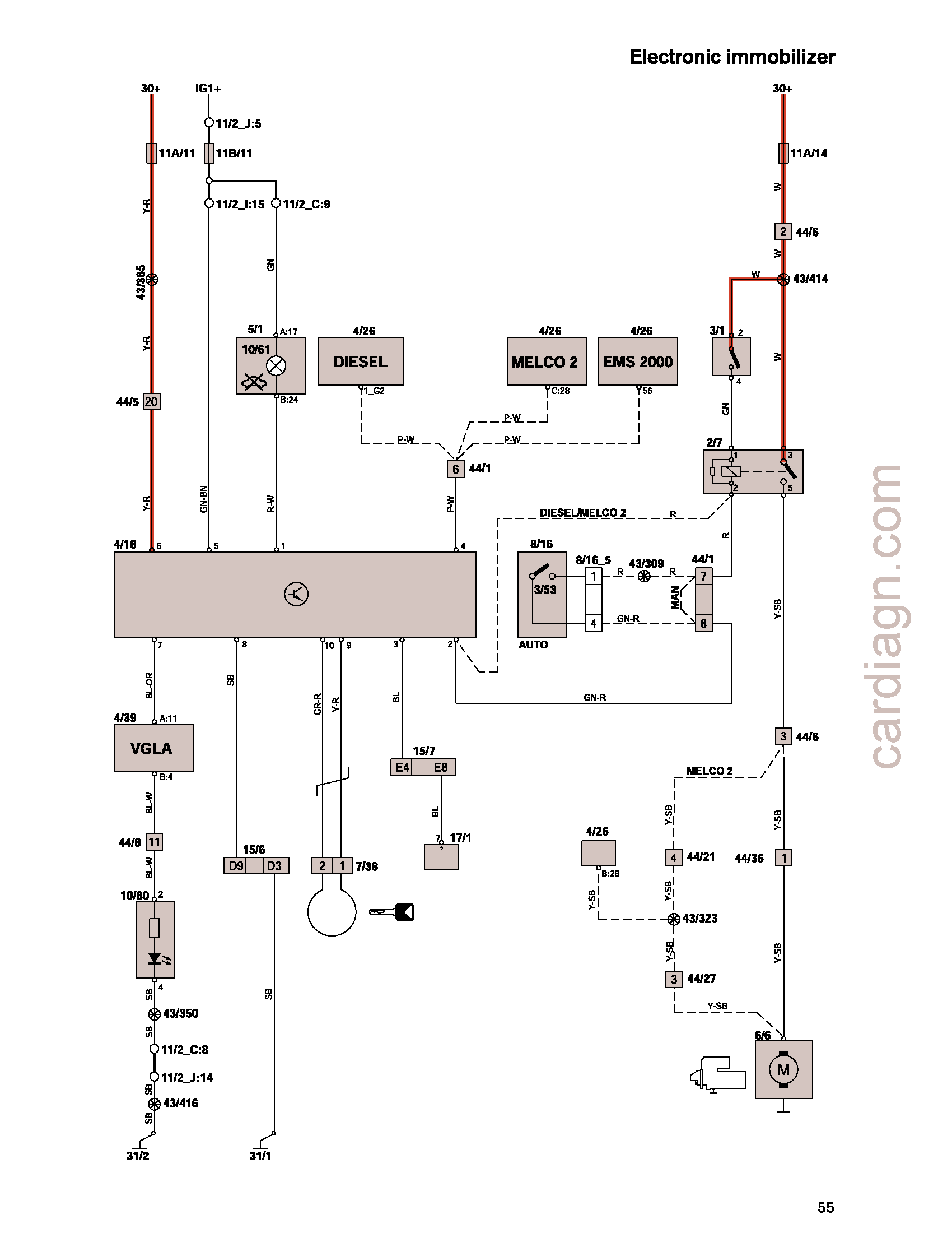
3/1 ignition switch.
2/7 Starter relay.
8/16 PNP switch.
7/31 Antenna ring.
4/18 Immoblizer.
2/7 Starter relay.
8/16 PNP switch.
7/31 Antenna ring.
4/18 Immoblizer.
⸙⸙⸙⸙⸙⸙⸙⸙⸙⸙⸙⸙⸙⸙⸙⸙⸙⸙⸙⸙⸙⸙⸙⸙⸙⸙⸙⸙⸙⸙⸙⸙⸙⸙⸙⸙⸙⸙⸙⸙⸙⸙⸙⸙⸙⸙⸙⸙⸙⸙⸙⸙⸙⸙⸙⸙⸙⸙⸙⸙⸙⸙⸙⸙⸙⸙⸙⸙⸙⸙⸙⸙⸙
1998 C70, B5234T3, 16T, AW50-42, Bosch Motronic 4.4, Special Edition package.
2003 S40, B4204T3, 14T twin scroll AW55-50/51SN, Siemens EMS 2000.
2004 S60R, B8444S TF80 AWD. Yamaha V8 conversion
2005 XC90 T6 Executive, B6294T, 4T65 AWD, Bosch Motronic 7.0.
1998 C70, B5234T3, 16T, AW50-42, Bosch Motronic 4.4, Special Edition package.
2003 S40, B4204T3, 14T twin scroll AW55-50/51SN, Siemens EMS 2000.
2004 S60R, B8444S TF80 AWD. Yamaha V8 conversion
2005 XC90 T6 Executive, B6294T, 4T65 AWD, Bosch Motronic 7.0.
- RickHaleParker
- Posts: 7129
- Joined: 25 May 2015
- Year and Model: See Signature below.
- Location: Kansas
- Has thanked: 8 times
- Been thanked: 958 times
I have had starter solenoids that would not engage when they where warm. If you pull the starter relay and jump pins #3 to #5 the starter should engage every time even when there is something else going on.
⸙⸙⸙⸙⸙⸙⸙⸙⸙⸙⸙⸙⸙⸙⸙⸙⸙⸙⸙⸙⸙⸙⸙⸙⸙⸙⸙⸙⸙⸙⸙⸙⸙⸙⸙⸙⸙⸙⸙⸙⸙⸙⸙⸙⸙⸙⸙⸙⸙⸙⸙⸙⸙⸙⸙⸙⸙⸙⸙⸙⸙⸙⸙⸙⸙⸙⸙⸙⸙⸙⸙⸙⸙
1998 C70, B5234T3, 16T, AW50-42, Bosch Motronic 4.4, Special Edition package.
2003 S40, B4204T3, 14T twin scroll AW55-50/51SN, Siemens EMS 2000.
2004 S60R, B8444S TF80 AWD. Yamaha V8 conversion
2005 XC90 T6 Executive, B6294T, 4T65 AWD, Bosch Motronic 7.0.
1998 C70, B5234T3, 16T, AW50-42, Bosch Motronic 4.4, Special Edition package.
2003 S40, B4204T3, 14T twin scroll AW55-50/51SN, Siemens EMS 2000.
2004 S60R, B8444S TF80 AWD. Yamaha V8 conversion
2005 XC90 T6 Executive, B6294T, 4T65 AWD, Bosch Motronic 7.0.
- RickHaleParker
- Posts: 7129
- Joined: 25 May 2015
- Year and Model: See Signature below.
- Location: Kansas
- Has thanked: 8 times
- Been thanked: 958 times
POS II (on/run), POS III is start.
POS 0 = off.
POS I = accessories.
POS II = on/run.
POS III = starter motor.
I cannot say it will go, the immobilizer may be cutting off the fuel supply and/or the ignition, but the engine will crank over when you jump pins #3 to #5. If it does not you have a problem starter.
⸙⸙⸙⸙⸙⸙⸙⸙⸙⸙⸙⸙⸙⸙⸙⸙⸙⸙⸙⸙⸙⸙⸙⸙⸙⸙⸙⸙⸙⸙⸙⸙⸙⸙⸙⸙⸙⸙⸙⸙⸙⸙⸙⸙⸙⸙⸙⸙⸙⸙⸙⸙⸙⸙⸙⸙⸙⸙⸙⸙⸙⸙⸙⸙⸙⸙⸙⸙⸙⸙⸙⸙⸙
1998 C70, B5234T3, 16T, AW50-42, Bosch Motronic 4.4, Special Edition package.
2003 S40, B4204T3, 14T twin scroll AW55-50/51SN, Siemens EMS 2000.
2004 S60R, B8444S TF80 AWD. Yamaha V8 conversion
2005 XC90 T6 Executive, B6294T, 4T65 AWD, Bosch Motronic 7.0.
1998 C70, B5234T3, 16T, AW50-42, Bosch Motronic 4.4, Special Edition package.
2003 S40, B4204T3, 14T twin scroll AW55-50/51SN, Siemens EMS 2000.
2004 S60R, B8444S TF80 AWD. Yamaha V8 conversion
2005 XC90 T6 Executive, B6294T, 4T65 AWD, Bosch Motronic 7.0.
Rick,
My son was driving the car today on a flat residential road at 25mph when the car just stalled out of nowhere. He coasted to safe side of road, put it in park and restarted the car with no problem. Been driving it all day on half a tank and hasn't done it again. This leads me to believe it narrows things down to ignition switch or fuel pressure regulator. I am going to take a shot at it again this weekend and get the new ignition switch part in. If someone has the knowledge on how to get the pigtails off shown on page 1 of this thread, please share. I'd hate to be monkeying around more than needed on this and break something in my frustration.
My son was driving the car today on a flat residential road at 25mph when the car just stalled out of nowhere. He coasted to safe side of road, put it in park and restarted the car with no problem. Been driving it all day on half a tank and hasn't done it again. This leads me to believe it narrows things down to ignition switch or fuel pressure regulator. I am going to take a shot at it again this weekend and get the new ignition switch part in. If someone has the knowledge on how to get the pigtails off shown on page 1 of this thread, please share. I'd hate to be monkeying around more than needed on this and break something in my frustration.
- RickHaleParker
- Posts: 7129
- Joined: 25 May 2015
- Year and Model: See Signature below.
- Location: Kansas
- Has thanked: 8 times
- Been thanked: 958 times
There is a clip on the back side. I do not recall if you push it in or lift it up. Get you a Mechanics mirror , looks like a oversized dental mirror, and take a peek back there. Either way you can get at it with a flat blade screwdriver once you see which way you need to go.
⸙⸙⸙⸙⸙⸙⸙⸙⸙⸙⸙⸙⸙⸙⸙⸙⸙⸙⸙⸙⸙⸙⸙⸙⸙⸙⸙⸙⸙⸙⸙⸙⸙⸙⸙⸙⸙⸙⸙⸙⸙⸙⸙⸙⸙⸙⸙⸙⸙⸙⸙⸙⸙⸙⸙⸙⸙⸙⸙⸙⸙⸙⸙⸙⸙⸙⸙⸙⸙⸙⸙⸙⸙
1998 C70, B5234T3, 16T, AW50-42, Bosch Motronic 4.4, Special Edition package.
2003 S40, B4204T3, 14T twin scroll AW55-50/51SN, Siemens EMS 2000.
2004 S60R, B8444S TF80 AWD. Yamaha V8 conversion
2005 XC90 T6 Executive, B6294T, 4T65 AWD, Bosch Motronic 7.0.
1998 C70, B5234T3, 16T, AW50-42, Bosch Motronic 4.4, Special Edition package.
2003 S40, B4204T3, 14T twin scroll AW55-50/51SN, Siemens EMS 2000.
2004 S60R, B8444S TF80 AWD. Yamaha V8 conversion
2005 XC90 T6 Executive, B6294T, 4T65 AWD, Bosch Motronic 7.0.
I managed getting the pigtails off, thanks to your last post, Rick. I got the new ignition switch installed and all it's connectors and the car shut off when I tried to start. I immediately pulled the immobilizer fuse and reseated it. I used the fob key to open and shut doors and the car started right up. I drove the car around the block and have been randomly going out and starting the car with no problem. Fingers crossed this was the fix. Thanks to everyone for the forum help.
Hope this thread is still active. Have a 2000 S40 auto. it is sometimes (mostly) impossible to turn the key to the fully off position, i.e., fully anticlockwise, and as such get it out of the ignition switch. The plastic surround on the key has now been destroyed by continually trying to force the key off. Any ideas? There seems to be some suggestion that it's got something to do with an interlock on the gear shift. If this is correct, how do I fix it?. Other problem is the broken plastic surround on the key. I cannot start the vehicle with the key and there is a suggestion that there is a chip in the (now destroyed) plastic key surround that needs to be there for the car to start. I have a 1998 S40 for parts and can change the whole ignition switch assembly if it is compatible. Does anyone know if it is?
-
- Similar Topics
- Replies
- Views
- Last post






