2019 log
222500 oil filter change
11 February rough running at idle thread
viewtopic.php?f=1&t=88469
Document Cold Start and injector duration for ME 7 here
viewtopic.php?f=1&t=88486
224800 added one liter oil
225600 adjusted parking brake,5 clicks each side. 11MAR
replaced Serp Belt with Conti
Bookmark good SERP belt tool thread here
viewtopic.php?f=1&t=60913&p=503941#p503941
228700 added one liter oil
Excellent write up on oil pan removal And O-rings by ebsykes
viewtopic.php?f=1&t=31236
April 12 replaced turbo drain line and orings
Replaced cabin air filter with Mann 2650
AC check 35 delta at 75 F ambient
229005
Boost check..attaining 1800 hPa boost at ambient of 10000, sweet
April 21 229100
Adjusted PB
Checked front brake pads. 5mm meat
Dropped exhaust stiffener plate, putty and exhaust wrap,on seam between cat and muffler
Stiffener plate M8 bolts x4, 12mm head
Cleaned entire rear ( engine right) with citrus degreaser and jet blast
Resolved Oil leak confirmed after 1000 miles with new turbo oil line Oring replacement
viewtopic.php?f=1&t=81390
April 30 Washed engine underneath again
229800 Mobil 1 HM oil change, Mann Filter change
Installed lumbar knob on driver seat
May 15 230123
New Volvo front rotors and Akebono pads. FCP 747858752
Replaced brake bleeder screws
Replaced 500 mL fluid each side.
233666
went to adjust PB and had skinny shoes
New ATE parking brake shoes. Bad ridge on right side rotor, had to Dremel to get rotor back on
2 hours total, plus 500mL bleeding of brake fluid each side.
Inspected #3 plug at 233k (15K wear) Gap at 0.028"
234xxx added 1 liter make up oil
31 Aug 2019 236xxx added 1 liter makeup oil - should take me to the 237500 scheduled oil change.
Gave hood handle cable a feed of silicone spray which freed it up, much lighter operation
15 Sep 237300 Very slight noise on left turn, possible right FWB? Not sure.
20Sep 237800 oil changeMobil 1 10W-30 HM. Sent to Blackstone
240100 adjusted parking brake, tight less 2clicks. 6 October
240800 - added one quart engine oil, pulled #3 plug, gap is 0.032 (replaced at 216xxx) - slight rough idle?
241100 - coil #2 failure on road
viewtopic.php?f=1&t=91347&p=520304#p520304
New Splrk plug #2 failed two weeks after install - hot misfire
16 NOV replaced Right FWB - very gritty and rough turning, but still have bearing noise on turn to left - Rear WB?
New Volvo single electrode spark plugs 240500, 24k on them
Added one liter makeup oil at 243400. It’s a wrap for 2019....Dec 31, 2019
1999 V70 T5 M56 ELIZABETH 578465 Nautic Blue 417 Perfo 16 Wheels
Forum rules
Please create one topic per Volvo you own. Then simply post to that topic when you maintain or repair your Volvo. You'll have a nice record of what you did, when, and how much it cost. Only you can post in your topic.
Please create one topic per Volvo you own. Then simply post to that topic when you maintain or repair your Volvo. You'll have a nice record of what you did, when, and how much it cost. Only you can post in your topic.
- abscate
- MVS Moderator
- Posts: 35272
- Joined: 17 February 2013
- Year and Model: 99: V70s S70s,05 V70
- Location: Port Jefferson Long Island NY
- Has thanked: 1497 times
- Been thanked: 3810 times
Re: 1999 V70 T5 5 speed Nautic Blue
Empty Nester
A Captain in a Sea of Estrogen
1999-V70-T5M56 2005-V70-M56 1999-S70 VW T4 XC90-in-Red
Link to Maintenance record thread
A Captain in a Sea of Estrogen
1999-V70-T5M56 2005-V70-M56 1999-S70 VW T4 XC90-in-Red
Link to Maintenance record thread
- abscate
- MVS Moderator
- Posts: 35272
- Joined: 17 February 2013
- Year and Model: 99: V70s S70s,05 V70
- Location: Port Jefferson Long Island NY
- Has thanked: 1497 times
- Been thanked: 3810 times
Source for caliper internal parts
http://www.biggreddemo.auto-guru.uk/
Switched to steel wheel (oval holes) snows 12/1 241k
Low battery voltage and weirdness thread
viewtopic.php?f=1&t=92161
http://www.biggreddemo.auto-guru.uk/
Switched to steel wheel (oval holes) snows 12/1 241k
Low battery voltage and weirdness thread
viewtopic.php?f=1&t=92161
Empty Nester
A Captain in a Sea of Estrogen
1999-V70-T5M56 2005-V70-M56 1999-S70 VW T4 XC90-in-Red
Link to Maintenance record thread
A Captain in a Sea of Estrogen
1999-V70-T5M56 2005-V70-M56 1999-S70 VW T4 XC90-in-Red
Link to Maintenance record thread
- abscate
- MVS Moderator
- Posts: 35272
- Joined: 17 February 2013
- Year and Model: 99: V70s S70s,05 V70
- Location: Port Jefferson Long Island NY
- Has thanked: 1497 times
- Been thanked: 3810 times
2020 Maintenance records
Feb 12 245100 oil filter change Pennzoil synthetic 10W-30
Feb 25 No crank issue
viewtopic.php?f=1&t=93090&p=533951#p533951
April 14 247500
1 liter make up oil
New timing belt , UBG water pump, idler, tensioner…replace water pump at350k timing belt interval
New Volvo coolant
ReplAced intake camshaft seal
Replaced front motor mount with FEBI Germany
Parking brake adjusted.
Summer tires swapped
Timing code P0014 ECM 644A
viewtopic.php?f=1&t=93695&p=541542#p541542
Autopsy and sourcing internal ACcompressor parts for 1999-2000 Zexel Sanden compressor
viewtopic.php?f=1&t=93780&p=540783#p540783
Replaced fuel filter may 6
New front fuel hose and fitting
viewtopic.php?f=1&t=77135&p=542851#p542851
Replaced clutch switch with 2005 spare
Bookmarked thread on ETM REPLACEMENTS
viewtopic.php?f=1&t=91025
July 25 250,00x
Added1 literoil
Replaced battery with 2015 spare
August 20 251600 added 1 liter makeup oil
Link to homemade delta link tool
viewtopic.php?f=1&t=89530&p=552497#p552497
Sep 11 253100 oil change. Fix muffler leak
Nov 28 add one liter make up oil 255600
256000 .....power steering rack leaking from left side. Dumped oil over a 400 mile trip. Only leaks on right turns
Running up options of new, used, rebuild. Smi rack on this car
Thread on sway bar part numbers and codes
viewtopic.php?f=1&t=96054&p=562815#p562815
Feb 12 245100 oil filter change Pennzoil synthetic 10W-30
Feb 25 No crank issue
viewtopic.php?f=1&t=93090&p=533951#p533951
April 14 247500
1 liter make up oil
New timing belt , UBG water pump, idler, tensioner…replace water pump at350k timing belt interval
New Volvo coolant
ReplAced intake camshaft seal
Replaced front motor mount with FEBI Germany
Parking brake adjusted.
Summer tires swapped
Timing code P0014 ECM 644A
viewtopic.php?f=1&t=93695&p=541542#p541542
Autopsy and sourcing internal ACcompressor parts for 1999-2000 Zexel Sanden compressor
viewtopic.php?f=1&t=93780&p=540783#p540783
Replaced fuel filter may 6
New front fuel hose and fitting
viewtopic.php?f=1&t=77135&p=542851#p542851
Replaced clutch switch with 2005 spare
Bookmarked thread on ETM REPLACEMENTS
viewtopic.php?f=1&t=91025
July 25 250,00x
Added1 literoil
Replaced battery with 2015 spare
August 20 251600 added 1 liter makeup oil
Link to homemade delta link tool
viewtopic.php?f=1&t=89530&p=552497#p552497
Sep 11 253100 oil change. Fix muffler leak
Nov 28 add one liter make up oil 255600
256000 .....power steering rack leaking from left side. Dumped oil over a 400 mile trip. Only leaks on right turns
Running up options of new, used, rebuild. Smi rack on this car
Thread on sway bar part numbers and codes
viewtopic.php?f=1&t=96054&p=562815#p562815
Empty Nester
A Captain in a Sea of Estrogen
1999-V70-T5M56 2005-V70-M56 1999-S70 VW T4 XC90-in-Red
Link to Maintenance record thread
A Captain in a Sea of Estrogen
1999-V70-T5M56 2005-V70-M56 1999-S70 VW T4 XC90-in-Red
Link to Maintenance record thread
- abscate
- MVS Moderator
- Posts: 35272
- Joined: 17 February 2013
- Year and Model: 99: V70s S70s,05 V70
- Location: Port Jefferson Long Island NY
- Has thanked: 1497 times
- Been thanked: 3810 times
Bookmark to check car log to see if I changed coolant at 250k, was done with new water pump
Check complete, coolant changed
Details of exhaust manifold and hardware
Check complete, coolant changed
Details of exhaust manifold and hardware
Empty Nester
A Captain in a Sea of Estrogen
1999-V70-T5M56 2005-V70-M56 1999-S70 VW T4 XC90-in-Red
Link to Maintenance record thread
A Captain in a Sea of Estrogen
1999-V70-T5M56 2005-V70-M56 1999-S70 VW T4 XC90-in-Red
Link to Maintenance record thread
- abscate
- MVS Moderator
- Posts: 35272
- Joined: 17 February 2013
- Year and Model: 99: V70s S70s,05 V70
- Location: Port Jefferson Long Island NY
- Has thanked: 1497 times
- Been thanked: 3810 times
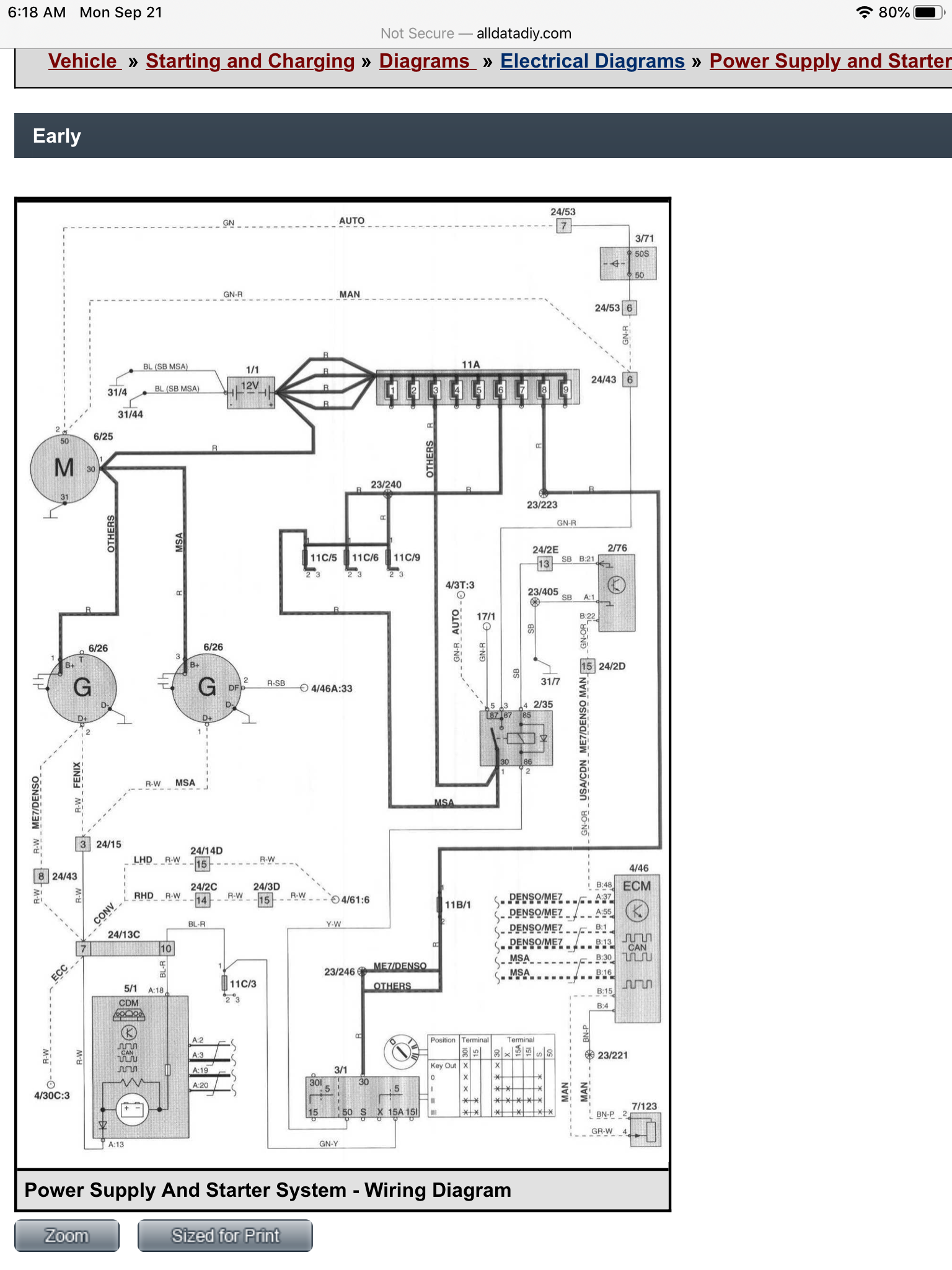
ME7 starter diagram from Alldata
Empty Nester
A Captain in a Sea of Estrogen
1999-V70-T5M56 2005-V70-M56 1999-S70 VW T4 XC90-in-Red
Link to Maintenance record thread
A Captain in a Sea of Estrogen
1999-V70-T5M56 2005-V70-M56 1999-S70 VW T4 XC90-in-Red
Link to Maintenance record thread
- abscate
- MVS Moderator
- Posts: 35272
- Joined: 17 February 2013
- Year and Model: 99: V70s S70s,05 V70
- Location: Port Jefferson Long Island NY
- Has thanked: 1497 times
- Been thanked: 3810 times
Link to alloy wheel database
https://s3.amazonaws.com/images.matthewsvolvosite.com/wh ... ochure.pdf
https://s3.amazonaws.com/images.matthewsvolvosite.com/wh ... ochure.pdf
Empty Nester
A Captain in a Sea of Estrogen
1999-V70-T5M56 2005-V70-M56 1999-S70 VW T4 XC90-in-Red
Link to Maintenance record thread
A Captain in a Sea of Estrogen
1999-V70-T5M56 2005-V70-M56 1999-S70 VW T4 XC90-in-Red
Link to Maintenance record thread
- abscate
- MVS Moderator
- Posts: 35272
- Joined: 17 February 2013
- Year and Model: 99: V70s S70s,05 V70
- Location: Port Jefferson Long Island NY
- Has thanked: 1497 times
- Been thanked: 3810 times
Happy new year! 2021 T5 maintenance log
Parking brake adjustment with pics
https://www.matthewsvolvosite.com/forum ... 57#p565157
Jan 6 256500 developed shake at speed , engine missing. Codes reveal P0303 and P1171
Possibles:
Spark plug
Coil
Wiring
Imjector
Valve
Piston ring
Swapped coil, no change
Swapped plug, no change
Confirmed 12V supply at coil lead
Compression test in 3 shows 30 psi
Confirm tester in cylinder 4, 150 psi
Diagnosis . Probable burned valve, rework thread here
https://www.matthewsvolvosite.com/forum ... =1&t=96254
Replace PS rack
https://www.matthewsvolvosite.com/forum ... 48#p568248
Excellent threadin subframe bushings
https://www.matthewsvolvosite.com/forum ... 60#p563260
1999 serp belt install
https://www.matthewsvolvosite.com/forum ... 73#p588273
Oil pan and orings replaced
https://www.matthewsvolvosite.com/forum ... 63#p588663
Parking brake adjustment with pics
https://www.matthewsvolvosite.com/forum ... 57#p565157
Jan 6 256500 developed shake at speed , engine missing. Codes reveal P0303 and P1171
Possibles:
Spark plug
Coil
Wiring
Imjector
Valve
Piston ring
Swapped coil, no change
Swapped plug, no change
Confirmed 12V supply at coil lead
Compression test in 3 shows 30 psi
Confirm tester in cylinder 4, 150 psi
Diagnosis . Probable burned valve, rework thread here
https://www.matthewsvolvosite.com/forum ... =1&t=96254
Replace PS rack
https://www.matthewsvolvosite.com/forum ... 48#p568248
Excellent threadin subframe bushings
https://www.matthewsvolvosite.com/forum ... 60#p563260
1999 serp belt install
https://www.matthewsvolvosite.com/forum ... 73#p588273
Oil pan and orings replaced
https://www.matthewsvolvosite.com/forum ... 63#p588663
Empty Nester
A Captain in a Sea of Estrogen
1999-V70-T5M56 2005-V70-M56 1999-S70 VW T4 XC90-in-Red
Link to Maintenance record thread
A Captain in a Sea of Estrogen
1999-V70-T5M56 2005-V70-M56 1999-S70 VW T4 XC90-in-Red
Link to Maintenance record thread
- abscate
- MVS Moderator
- Posts: 35272
- Joined: 17 February 2013
- Year and Model: 99: V70s S70s,05 V70
- Location: Port Jefferson Long Island NY
- Has thanked: 1497 times
- Been thanked: 3810 times
2022 service records
(car off road from Feb 2021 to November 2021)
Thread on cam cover and cylinder head match marks
viewtopic.php?f=1&t=98485&p=590556#p590556
Broke the yellow/ yellow white wire connector, DENSO/ ME7 different
March 31 , installed new power steering rack lines, topped off with Valvoline SYNTHETIC ATF
18 April adjusted parking brake , good holding power. Replaced 16k mile Bosch single point spark plugs , #3 had impact damage from valve incident or had been dropped. Solved intermittent miss problem
viewtopic.php?t=99806&start=10
257800 1000 mile check on engine mount and power steering rack torques, all ok.
oil pan bolt check, 10 mm horizontal to fuel line clamp was loose, retorqued
No oil consumption, no coolant consumption
6 May driver door window switch failure , replaced 2008
viewtopic.php?t=32530&start=10
17 may 258600 replaced rear brake pads with UBG , adjusted PB
Installed 2.5 inch amd clamp and Permatex cement on cat to muffler connection
27 May,switchdoctor window switch failed, or wiring harness failure, unclear
June 17. Swapped in wood console trim
viewtopic.php?p=603537#p603537
28 June 260500 oil filter change , mag oil plug about 5-10g sludge
9 July 260750 P1171 code
Ina tensioner failed , approx 30k. Timing belt failure and valve damage on new head.
“ it’s a beautiful day in the neighborhood…..”
(car off road from Feb 2021 to November 2021)
Thread on cam cover and cylinder head match marks
viewtopic.php?f=1&t=98485&p=590556#p590556
Broke the yellow/ yellow white wire connector, DENSO/ ME7 different
March 31 , installed new power steering rack lines, topped off with Valvoline SYNTHETIC ATF
18 April adjusted parking brake , good holding power. Replaced 16k mile Bosch single point spark plugs , #3 had impact damage from valve incident or had been dropped. Solved intermittent miss problem
viewtopic.php?t=99806&start=10
257800 1000 mile check on engine mount and power steering rack torques, all ok.
oil pan bolt check, 10 mm horizontal to fuel line clamp was loose, retorqued
No oil consumption, no coolant consumption
6 May driver door window switch failure , replaced 2008
viewtopic.php?t=32530&start=10
17 may 258600 replaced rear brake pads with UBG , adjusted PB
Installed 2.5 inch amd clamp and Permatex cement on cat to muffler connection
27 May,switchdoctor window switch failed, or wiring harness failure, unclear
June 17. Swapped in wood console trim
viewtopic.php?p=603537#p603537
28 June 260500 oil filter change , mag oil plug about 5-10g sludge
9 July 260750 P1171 code
Ina tensioner failed , approx 30k. Timing belt failure and valve damage on new head.
“ it’s a beautiful day in the neighborhood…..”
- Attachments
-
- 38D29563-B694-4630-B799-1BE95B61F147.png (846.35 KiB) Viewed 4552 times
-
- 4F166B5C-13FD-4684-8B70-CF587A75C364.png (803.82 KiB) Viewed 4552 times
Empty Nester
A Captain in a Sea of Estrogen
1999-V70-T5M56 2005-V70-M56 1999-S70 VW T4 XC90-in-Red
Link to Maintenance record thread
A Captain in a Sea of Estrogen
1999-V70-T5M56 2005-V70-M56 1999-S70 VW T4 XC90-in-Red
Link to Maintenance record thread
- abscate
- MVS Moderator
- Posts: 35272
- Joined: 17 February 2013
- Year and Model: 99: V70s S70s,05 V70
- Location: Port Jefferson Long Island NY
- Has thanked: 1497 times
- Been thanked: 3810 times
2023 maintenance placeholder
Wood trim thread
viewtopic.php?p=603537&hilit=1999+dash+trim#p603537
August 2023
Got her dragged down to The Island for the rest of the second Resurrection
27 august 2 hours to install head, torque bolts, install 2 m6 water pipe bolts
Don’t forget to attach thermostat housing to head before install. Much easier
Sounds stupid but the 130 angle swing on the head bolts is much easier with the 24 inch bar, than the 18. I’ll estimate final torque is 225 ft lbs
Another hour 29 aug
and Elizabeth progresses….one really good hour+ today
Dipped lifters into a cap of oil then dropped into place.
Make sure plug holes are paper plugged
Dab and prep both cover sides to Barbie pink with Permatex and foam roller
Install cams , exhaust notch down, intake up
Lube cam thrust bearing with grease
Confirm crank mark
Install spark plug orings
Install cam cover
Bring down cam cover with cylinder 2,4 bolts …4 each cylinder
Install rest of cylinder bolts
Do rear side
Do front side
Confirm cams rotate with reasonable force
678 Sep about 3 hours working slowly in heat
Installed timing belt and confirmed timing
Installed exhaust manifold. Installed EM braketvwith m10 nut as spacer, two m6 long bolts with sleeves, one m8
Oetiker Ed all coolant and pvc hoses. Measured pvc hard line to snorkel at 14-16 ID required. Evap J and L hoses?
Lost harmonic balancer 30 mm nut.
11Sep
2 hours cleaning grime off turbo. Installed it with oil drain tube installed turbo to exhaust gasket. Installed oil banjo. Oetiker rd coolant inlet and return
Wood trim thread
viewtopic.php?p=603537&hilit=1999+dash+trim#p603537
August 2023
Got her dragged down to The Island for the rest of the second Resurrection
27 august 2 hours to install head, torque bolts, install 2 m6 water pipe bolts
Don’t forget to attach thermostat housing to head before install. Much easier
Sounds stupid but the 130 angle swing on the head bolts is much easier with the 24 inch bar, than the 18. I’ll estimate final torque is 225 ft lbs
Another hour 29 aug
and Elizabeth progresses….one really good hour+ today
Dipped lifters into a cap of oil then dropped into place.
Make sure plug holes are paper plugged
Dab and prep both cover sides to Barbie pink with Permatex and foam roller
Install cams , exhaust notch down, intake up
Lube cam thrust bearing with grease
Confirm crank mark
Install spark plug orings
Install cam cover
Bring down cam cover with cylinder 2,4 bolts …4 each cylinder
Install rest of cylinder bolts
Do rear side
Do front side
Confirm cams rotate with reasonable force
678 Sep about 3 hours working slowly in heat
Installed timing belt and confirmed timing
Installed exhaust manifold. Installed EM braketvwith m10 nut as spacer, two m6 long bolts with sleeves, one m8
Oetiker Ed all coolant and pvc hoses. Measured pvc hard line to snorkel at 14-16 ID required. Evap J and L hoses?
Lost harmonic balancer 30 mm nut.
11Sep
2 hours cleaning grime off turbo. Installed it with oil drain tube installed turbo to exhaust gasket. Installed oil banjo. Oetiker rd coolant inlet and return
- Attachments
-
- Tow down with the v70…yikes
- E38E3E0B-5C6A-4CFF-AB8B-231D094963CB.jpeg (437.78 KiB) Viewed 2982 times
-
- CBC6B4B1-9811-4A25-B9B2-EE6223756963.jpeg (332.68 KiB) Viewed 2982 times
-
- 8EF58258-BA4A-4838-B3F2-D6CA5E470253.jpeg (394.25 KiB) Viewed 2982 times
-
- 7F892BAE-6CCC-40F6-9FBB-3B02E78E0FCE.jpeg (367.04 KiB) Viewed 2982 times
-
- B4F7DF6D-0C1F-4F31-9802-8F016F3D309A.jpeg (409.06 KiB) Viewed 2982 times
Empty Nester
A Captain in a Sea of Estrogen
1999-V70-T5M56 2005-V70-M56 1999-S70 VW T4 XC90-in-Red
Link to Maintenance record thread
A Captain in a Sea of Estrogen
1999-V70-T5M56 2005-V70-M56 1999-S70 VW T4 XC90-in-Red
Link to Maintenance record thread
- abscate
- MVS Moderator
- Posts: 35272
- Joined: 17 February 2013
- Year and Model: 99: V70s S70s,05 V70
- Location: Port Jefferson Long Island NY
- Has thanked: 1497 times
- Been thanked: 3810 times
Notes on the turbocharger install
Be sure heat shield is in place with two left bolts in place
Install turbo fees water pipe. Banjo has very poor access. Install short water hose
Install water return pipe
Install oil drain pipe with gasket, permatex and two loose m5 hex 5 bolts
Install bottom drain pipe gasket/oring
Clearance both heater hoses , optional
Install turbo to manifold gasket
Lower turbo into space. Pick up water supply line and insert pipe into hose.
Clear oil supply union.
Bring turbo to manifold studs. Start water return hose onto water pipe fitting
Ease into studs and install one bolt to hold.
Place vice grip onto oil banjo, use leverage to position banjo, install with two new copper rings
Start turbo into down pipe studs. Move cat to GE Theeads through and secure one nut
Intake manifold install
Good two hours puttering on Elizabeth yesterday. Pictures in maintenance thread
Reclamped turbo water output hose , didn’t like how it was twisted
Installed intake manifold
Setup the throttle body with clamp screw accessible from front. Used lug to index throttle body position, installed hard pipe
Pulled thin vacuum hose and coolant hose from a PCV
Installed lower intake manifold bolts and gasket
Threaded fuel line through manifold rightmost hole
Brought manifold to within 2 cm of position
Installed banjo bolt and two copper washers
Placed manifold into position , then installed vacuum line with forceps working through top
Installed and torqued all manifold bolts
Installed coolant banjo on head 17mm hex
Installed coolant feed on thermostat
3 hours 13 Sep
Installed plugs, coils,
Installed motor mounts
Installed turbo induction
Installed fuel injection rail, fuel hose
Turbo hoses
Vacuum purge hoses
Brake hose
Filled with water
Fired up engine
Cam code for flank angle
Loose number 3 injector harness
Muffler loud
Took about 20 minutes for lifters to quiet
Buttoning up
Added new coolant
Lug nuts
Muffler cat joint
Poor running , 1 & 2 misfiring. Loose ground on coil harness.
Charged AC, vacuum test overnight showed no leaks. Cool out , took half hour for a 340g charge
Be sure heat shield is in place with two left bolts in place
Install turbo fees water pipe. Banjo has very poor access. Install short water hose
Install water return pipe
Install oil drain pipe with gasket, permatex and two loose m5 hex 5 bolts
Install bottom drain pipe gasket/oring
Clearance both heater hoses , optional
Install turbo to manifold gasket
Lower turbo into space. Pick up water supply line and insert pipe into hose.
Clear oil supply union.
Bring turbo to manifold studs. Start water return hose onto water pipe fitting
Ease into studs and install one bolt to hold.
Place vice grip onto oil banjo, use leverage to position banjo, install with two new copper rings
Start turbo into down pipe studs. Move cat to GE Theeads through and secure one nut
Intake manifold install
Good two hours puttering on Elizabeth yesterday. Pictures in maintenance thread
Reclamped turbo water output hose , didn’t like how it was twisted
Installed intake manifold
Setup the throttle body with clamp screw accessible from front. Used lug to index throttle body position, installed hard pipe
Pulled thin vacuum hose and coolant hose from a PCV
Installed lower intake manifold bolts and gasket
Threaded fuel line through manifold rightmost hole
Brought manifold to within 2 cm of position
Installed banjo bolt and two copper washers
Placed manifold into position , then installed vacuum line with forceps working through top
Installed and torqued all manifold bolts
Installed coolant banjo on head 17mm hex
Installed coolant feed on thermostat
3 hours 13 Sep
Installed plugs, coils,
Installed motor mounts
Installed turbo induction
Installed fuel injection rail, fuel hose
Turbo hoses
Vacuum purge hoses
Brake hose
Filled with water
Fired up engine
Cam code for flank angle
Loose number 3 injector harness
Muffler loud
Took about 20 minutes for lifters to quiet
Buttoning up
Added new coolant
Lug nuts
Muffler cat joint
Poor running , 1 & 2 misfiring. Loose ground on coil harness.
Charged AC, vacuum test overnight showed no leaks. Cool out , took half hour for a 340g charge
- Attachments
-
- F9373F4E-059C-4E4A-9A53-B485D89477F6.jpeg (709.24 KiB) Viewed 2944 times
-
- 6EB99C4C-E252-473C-B74D-6A4F8B74AF63.jpeg (737.36 KiB) Viewed 2944 times
-
- B0425DB7-9C79-4EE6-BE72-CAFE5858F2E8.jpeg (393.1 KiB) Viewed 2944 times
-
- AC444DC3-A83B-44D0-A35C-24F7812B5AF0.jpeg (554.03 KiB) Viewed 2944 times
-
- 82232525-4FD4-41F1-932D-9D8792D012C8.jpeg (608.41 KiB) Viewed 2944 times
Empty Nester
A Captain in a Sea of Estrogen
1999-V70-T5M56 2005-V70-M56 1999-S70 VW T4 XC90-in-Red
Link to Maintenance record thread
A Captain in a Sea of Estrogen
1999-V70-T5M56 2005-V70-M56 1999-S70 VW T4 XC90-in-Red
Link to Maintenance record thread






