Hello Volvo Guru's,
I recently noticed that my right side tail light brake light wasn't lighting up when the brake was applied.
I thought it might be due to the deteriorating antique lens and metal strips assembly so I ordered a new piece from Pelican Parts and managed to install it yesterday, transferring the bulb holders, changing some bulbs to new ones if they looked wonky.
The sad result is now both tail light assemblies are exhibiting weirder behavior than before.
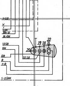
UPDATE: I searched for wiring diagrams today and found two good resources. Images attached so I hope that they might help someone else trying to figure out what color wire should be attached to what in the tail lights. Amazingly, both right and left tail light had a few mixed up wiring connections so that some things kind of worked and other combinations did not (headlights and turn signals went into a crazy light show).
I have been putting things back in the correct order so the only questions I have now are
1) How does one know which of the two black wires for each tail light goes to the "metal ground strip" and which goes to the back up light bulb?
2) For some reason I only have one black wire available on the right side tail light -- any clues as to where the black ground wire originates before it connects with the metal ground strip in the tail light lens assembly?
1990 Volvo 740 Wagon, Both Tail Light Assemblies acting wierd
1990 Volvo 740 Wagon, Both Tail Light Assemblies acting wierd
- Attachments
-
- volvo740wagonRightSideTailLight.jpeg (54.18 KiB) Viewed 1820 times
-
- Volvo740Wagon_LeftTailLight.jpeg (20.22 KiB) Viewed 1754 times
-
- Volvo740Wagon_RightTailLight.jpeg (22.56 KiB) Viewed 1754 times
-
- 1990_740_Wagon_TailLight_Wiring.jpeg (39.84 KiB) Viewed 1754 times
-
- Similar Topics
- Replies
- Views
- Last post






