Because I was in a hurry I accidentally had my seatbelt in the way of the door lock. Didn't notice it until the manual key controlled central locking didn't work. I turned the key the other way, but damage was already done.
I found the #6 fuse (25 amp) burnt out. Replacing that didn't help. Then I replaced the 205/206 relay under the dash, but that didn't help either.
I also replaced all the J relays under next to the fuse box.
Since the central locking isn't working from the passenger side either I think it is not the driver side door lock micro switch.
I have + 13 V on one pin of the #6 fuse holder, + 4V on the second pin. Shouldn't the second pin be 0V if the fuse is pulled?
Update: My 96 R measures the same +4V and + 13V on the pins of fuse #6.
Btw, my 94 doesn't have a remote control.
Any advice would be highly appreciated.
94 T5 central lock not working Topic is solved
-
scot850
- Posts: 14898
- Joined: 5 April 2010
- Year and Model: 2000 V70 R
- Location: Calgary, Alberta, Canada
- Has thanked: 1853 times
- Been thanked: 1714 times
For the V/S/C 70's there is a central locking circuit under the dash. Not sure if it is the same for an 850 as I don't have a car to check. I pulled a couple of those for a 99 S70 and 00 V70 at the junkyard recently. I believe it also works the fuel flap release.
I would not discount the drivers' door microswitch as it may be a case if one does not work, all don't work?
Neil.
I would not discount the drivers' door microswitch as it may be a case if one does not work, all don't work?
Neil.
2006 V70 2.5T AWD Polestar tune
2000 V70 R - still being an endless PITA
2006 XC70 - Our son now has this and still parked in our garage
2003 Toyota 4Runner V8 Limited
2015 Kia Sportage EX-L - Sold
1993 850 GLT -Sold
1998 V70 XC - Sold
1997 Volvo 850 SE NA - Went to niece in California - Sold
2000 V70 SE NA - Sold
2000 V70 R - still being an endless PITA
2006 XC70 - Our son now has this and still parked in our garage
2003 Toyota 4Runner V8 Limited
2015 Kia Sportage EX-L - Sold
1993 850 GLT -Sold
1998 V70 XC - Sold
1997 Volvo 850 SE NA - Went to niece in California - Sold
2000 V70 SE NA - Sold
- Clemens
- Posts: 1932
- Joined: 3 September 2015
- Year and Model: 96 855 R + 94 855 T5
- Location: Austria
- Has thanked: 473 times
- Been thanked: 219 times
Neil, do you by any chance have a photo or more details (parts#, etc.) of this central locking circuit?
Where would it be under the dash?
Thank you for the idea with the microswitch. I will install a fifferent door locking unit/door latch tomorrow. In case the icy rain stops pouring down..
Where would it be under the dash?
Thank you for the idea with the microswitch. I will install a fifferent door locking unit/door latch tomorrow. In case the icy rain stops pouring down..
Summer: 1996 855 R
Winter: 1994 855 T5M
Donor: 1995 854 10V
Winter: 1994 855 T5M
Donor: 1995 854 10V
-
scot850
- Posts: 14898
- Joined: 5 April 2010
- Year and Model: 2000 V70 R
- Location: Calgary, Alberta, Canada
- Has thanked: 1853 times
- Been thanked: 1714 times
On the V/C/S 70 it is a white box above the (LHS) driver's left foot behind the lower dash panel. In this link on dashboard removal, if you scroll to the last 2 pictures on the first page you can see the box. It is a white/beige color to the left and above the steering column in the last picture.
viewtopic.php?t=58257&start=10
Like I said, I don't know it it is fitted to an 850 as early as 94.
Neil.
viewtopic.php?t=58257&start=10
Like I said, I don't know it it is fitted to an 850 as early as 94.
Neil.
2006 V70 2.5T AWD Polestar tune
2000 V70 R - still being an endless PITA
2006 XC70 - Our son now has this and still parked in our garage
2003 Toyota 4Runner V8 Limited
2015 Kia Sportage EX-L - Sold
1993 850 GLT -Sold
1998 V70 XC - Sold
1997 Volvo 850 SE NA - Went to niece in California - Sold
2000 V70 SE NA - Sold
2000 V70 R - still being an endless PITA
2006 XC70 - Our son now has this and still parked in our garage
2003 Toyota 4Runner V8 Limited
2015 Kia Sportage EX-L - Sold
1993 850 GLT -Sold
1998 V70 XC - Sold
1997 Volvo 850 SE NA - Went to niece in California - Sold
2000 V70 SE NA - Sold
- Clemens
- Posts: 1932
- Joined: 3 September 2015
- Year and Model: 96 855 R + 94 855 T5
- Location: Austria
- Has thanked: 473 times
- Been thanked: 219 times
Thank you, Neil!
It's the beige box with the green connectors, right?
That is very helpful, at least knowing there could be another module hiding somewhere.
As it looks it basically sits inside the dash, or is that only where it sits after removing the dash?
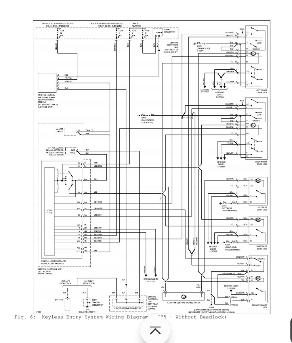
Now, if I look at this 95 North American 850 wiring diagram, it should only be that one big relay (since I don't have a remote):
It's the beige box with the green connectors, right?
That is very helpful, at least knowing there could be another module hiding somewhere.
As it looks it basically sits inside the dash, or is that only where it sits after removing the dash?
Now, if I look at this 95 North American 850 wiring diagram, it should only be that one big relay (since I don't have a remote):
Summer: 1996 855 R
Winter: 1994 855 T5M
Donor: 1995 854 10V
Winter: 1994 855 T5M
Donor: 1995 854 10V
- Clemens
- Posts: 1932
- Joined: 3 September 2015
- Year and Model: 96 855 R + 94 855 T5
- Location: Austria
- Has thanked: 473 times
- Been thanked: 219 times
And the "He made my day" award goes to scot850! Indeed, the microswitch or sthg. in the door lock mechanism was broken. A replacemenz door lock hooked to the wiring loom inside the door prior to installation proved that the rest of the system works.
Putting everything back together is a different story ...
Putting everything back together is a different story ...
Summer: 1996 855 R
Winter: 1994 855 T5M
Donor: 1995 854 10V
Winter: 1994 855 T5M
Donor: 1995 854 10V
-
scot850
- Posts: 14898
- Joined: 5 April 2010
- Year and Model: 2000 V70 R
- Location: Calgary, Alberta, Canada
- Has thanked: 1853 times
- Been thanked: 1714 times
Lol! I know how the door lock fun goes! Done way too many of those and they are still about as big a pain as the door limit strap, especially on the front doors.
I found loosening the window guide (should hopefully be fairly simple on an 850 as the lower mount has a screw not a rivet like V/S70). Only caution doing that is the 850 window guide lower mount likes to rust and like the later P80's the guide is NLA. You can use the later one and rivet it if you need to. The 850 guide likes to rust at the lower mount so try to check carefully before doing anything with it!
Glad to hear you found the issue though!
Neil.
I found loosening the window guide (should hopefully be fairly simple on an 850 as the lower mount has a screw not a rivet like V/S70). Only caution doing that is the 850 window guide lower mount likes to rust and like the later P80's the guide is NLA. You can use the later one and rivet it if you need to. The 850 guide likes to rust at the lower mount so try to check carefully before doing anything with it!
Glad to hear you found the issue though!
Neil.
2006 V70 2.5T AWD Polestar tune
2000 V70 R - still being an endless PITA
2006 XC70 - Our son now has this and still parked in our garage
2003 Toyota 4Runner V8 Limited
2015 Kia Sportage EX-L - Sold
1993 850 GLT -Sold
1998 V70 XC - Sold
1997 Volvo 850 SE NA - Went to niece in California - Sold
2000 V70 SE NA - Sold
2000 V70 R - still being an endless PITA
2006 XC70 - Our son now has this and still parked in our garage
2003 Toyota 4Runner V8 Limited
2015 Kia Sportage EX-L - Sold
1993 850 GLT -Sold
1998 V70 XC - Sold
1997 Volvo 850 SE NA - Went to niece in California - Sold
2000 V70 SE NA - Sold
-
- Similar Topics
- Replies
- Views
- Last post






