Since I am trying to find a compatible engine wiring harness for my 2005 S60, from a donor 2.5t2 I was limited by models 2005 and up which limits me, but then I decided to check out the 2003-2004 2.5t2.
Then I started to compare the data from VIDA. They are mostly similar, but some things seem different between the years, however I am not sure if it's an error in VIDA.
Here we can see that according to VIDA, the order of the ignition coils has been swapped for these specific signals. While this is fixable I think, I still decided to look at the wiring diagrams. And they seem to disagree on the VIDA data.
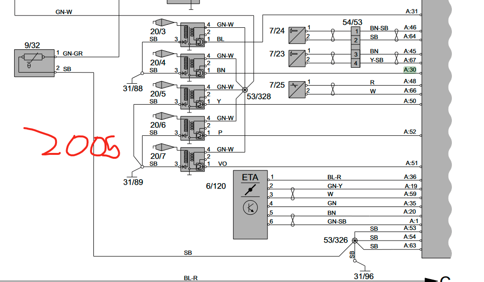
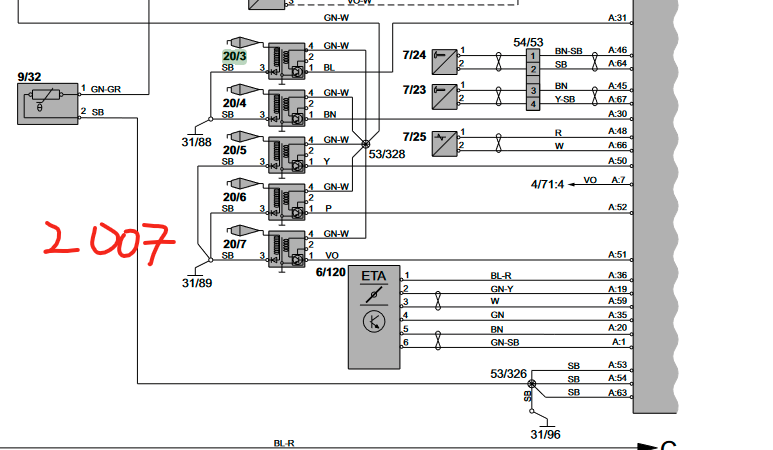
I have compared years 2003,2004,2005 and 2007 and they are all the same.
For this particular case, I think the data from VIDA might be wrong.
Another difference is, that the 2003 2.5T2 does not have an oil sensor at signal A40, which I believe was introduced in 2005, yes I know I am comparing 2003 to 2006 ,but I believe the difference between the 2005 and 2006 2.5t2 when it comes to electricals should be minimal.
And here is the other difference, but look up again and you see that the wiring for the Turbo 5 cylinders, is the same for the ignition coils for 2003,2004,2005,2007
Which would imply that vida may be wrong.
Another apparent difference is this A:55 CAN L signal.
It's implying that 2005+ B5254T2 has a CAN L signal at A:55. However if we check the wiring diagrams again, signal A:55 is CAN L only for the Denso BIFUEL NA 5 cylinder engines. Neither of the 2003 2004 2005 2007 diagrams mention the Turbo Bosch ECM as having A:55 as CAN L.
The other difference is a missing #B44 #B34 which correspond to a Leak Diagnostic Unit heater pad, I have zero idea what this is.
And B45 #B55 Fuel pump (FP) activation control signal for the 2003 but not marked in the 2006 B5254T2, they appear to be swapped between the 2003 and 2006 version, specifically:
To summarize, if we exclude the potential wrong order of the ignition coils as shown in VIDA and the A:55 CAN L signal, the only differences appear to be:
No Oil level sensor in 2003 versus 2005+
Swapped signals for Fuel Pump between 2003 and 2006 between B45 #B55 and #B57 #B47.
And this Leak Diagnostic Unit heater pad.
The Fuel Pump signals seem cumbersome, as from what I gather, the 2005+ version probably has the PEM module doing the heavy lifting, whereas the 2003 controls the relay directly?
So to say this in a nut shell, do you think the 2003-2004 S60 Engine wiring harness for 2.5T2 will be a gamble for my project instead of a 2005+ 2.5t2 engine harness?
Help me understand the wiring between 2003 and 2005 s60 2.5t.
- abscate
- MVS Moderator
- Posts: 35288
- Joined: 17 February 2013
- Year and Model: 99: V70s S70s,05 V70
- Location: Port Jefferson Long Island NY
- Has thanked: 1502 times
- Been thanked: 3817 times
A big gamble. The CanBus on the 2005 is different speed than the -2004 model in the US so there are sure to be other changes
Empty Nester
A Captain in a Sea of Estrogen
1999-V70-T5M56 2005-V70-M56 1999-S70 VW T4 XC90-in-Red
Link to Maintenance record thread
A Captain in a Sea of Estrogen
1999-V70-T5M56 2005-V70-M56 1999-S70 VW T4 XC90-in-Red
Link to Maintenance record thread
- firstv70volvo
- Posts: 574
- Joined: 6 March 2010
- Year and Model: V70 T5 2001
- Location: Sacramento, CA
- Has thanked: 52 times
- Been thanked: 123 times
As Abscate mentioned, 2005 on has different Canbus speed and possibly wiring differences between the modules. You would need to also carefully compare all the wiring through the 54/3 connector, see below.dikidera wrote: ↑25 Feb 2023, 13:26 Since I am trying to find a compatible engine wiring harness for my 2005 S60, from a donor 2.5t2 I was limited by models 2005 and up which limits me, but then I decided to check out the 2003-2004 2.5t2.
Then I started to compare the data from VIDA. They are mostly similar, but some things seem different between the years, however I am not sure if it's an error in VIDA.
scr1.png
scr2.png
Here we can see that according to VIDA, the order of the ignition coils has been swapped for these specific signals. While this is fixable I think, I still decided to look at the wiring diagrams. And they seem to disagree on the VIDA data.
I have compared years 2003,2004,2005 and 2007 and they are all the same.
scr3.png
scr4.pngscr5.pngscr6.png
For this particular case, I think the data from VIDA might be wrong.
Another difference is, that the 2003 2.5T2 does not have an oil sensor at signal A40, which I believe was introduced in 2005, yes I know I am comparing 2003 to 2006 ,but I believe the difference between the 2005 and 2006 2.5t2 when it comes to electricals should be minimal.
And here is the other difference, but look up again and you see that the wiring for the Turbo 5 cylinders, is the same for the ignition coils for 2003,2004,2005,2007
scr7.pngscr8.png
Which would imply that vida may be wrong.
Another apparent difference is this A:55 CAN L signal.
scr9.pngscr10.png
It's implying that 2005+ B5254T2 has a CAN L signal at A:55. However if we check the wiring diagrams again, signal A:55 is CAN L only for the Denso BIFUEL NA 5 cylinder engines. Neither of the 2003 2004 2005 2007 diagrams mention the Turbo Bosch ECM as having A:55 as CAN L.
The other difference is a missing #B44 #B34 which correspond to a Leak Diagnostic Unit heater pad, I have zero idea what this is.
And B45 #B55 Fuel pump (FP) activation control signal for the 2003 but not marked in the 2006 B5254T2, they appear to be swapped between the 2003 and 2006 version, specifically:
scr11.pngscr12.png
To summarize, if we exclude the potential wrong order of the ignition coils as shown in VIDA and the A:55 CAN L signal, the only differences appear to be:
No Oil level sensor in 2003 versus 2005+
Swapped signals for Fuel Pump between 2003 and 2006 between B45 #B55 and #B57 #B47.
And this Leak Diagnostic Unit heater pad.
The Fuel Pump signals seem cumbersome, as from what I gather, the 2005+ version probably has the PEM module doing the heavy lifting, whereas the 2003 controls the relay directly?
So to say this in a nut shell, do you think the 2003-2004 S60 Engine wiring harness for 2.5T2 will be a gamble for my project instead of a 2005+ 2.5t2 engine harness?
- xanthefin
- Posts: 444
- Joined: 4 May 2019
- Year and Model: 1997 850
- Location: Pluto
- Has thanked: 106 times
- Been thanked: 130 times
Maybe little late but was good question.
CEM module is new on yours and 2003 models used to be that brick module so connector is different and there is not just one connector on yours compared that old one. Its week end hobby make them similar.
CEM module is new on yours and 2003 models used to be that brick module so connector is different and there is not just one connector on yours compared that old one. Its week end hobby make them similar.
-
- Similar Topics
- Replies
- Views
- Last post






