Login Register

Power window and sunroof issues - 1996 850 GLT

Help, Advice and DIY Tutorials on Volvo's P80 platform cars -- Volvo's 1990s "bread and butter" cars -- powered by the ubiquitous and durable Volvo inline 5-cylinder engine.

1992 - 1997 850, including 850 R, 850 T-5R, 850 T-5, 850 GLT
1997 - 2000 S70, S70 AWD
1997 - 2000 V70, V70 AWD
1997 - 2000 V70-XC
1997 - 2004 C70

Post Reply
Didntchaknow
Posts: 13
Joined: 28 January 2024
Year and Model: 1986 850 GLT
Location: Eugene, Oregon

Power window and sunroof issues - 1996 850 GLT

Post by Didntchaknow »

Hey all, nice to meet you! I've used these forums for many years but never posted, so thank you!

I'm currently having issues with a project 1996 855 I just received from a friend. Specifically, with the power windows. I've got some other issues, but I'll leave those for another post.

Here's what's happening:

Power windows are not working. They don't make any noise, and don't work from the center console in the front, nor from the door switches in the back. The sunroof also does not work. However, the power adjust for the mirrors (also on the center console) DOES work. The circuit breaker is heating up significantly, and is hot to the touch.

Here's what I've tried so far:

-Removed and replaced circuit breaker in the fuse box. Even with a brand new circuit breaker, it still heats up, and no luck with the windows or sunroof.
-pulled the master window switch in the center console, disconnected one plug. Sunroof still not functional.
-checked power seats (also connected to a different circuit breaker in the fuse box) - totally functional!

Any suggestions? I have a multimeter somewhere but haven't dug it up yet since I'm not well informed on what to look for. I'm assuming (possibly incorrectly) that this isn't a relay, since I believe all the power adjust functions are tied to one relay and nothing would be working in that case?

Thank you all in advance! If you have any questions I'll get back to you asap.

User avatar
npexcept
Posts: 55
Joined: 18 November 2023
Year and Model: XC90 I D5 (275) 2003
Location: Bonn, Germany
Has thanked: 9 times
Been thanked: 23 times

Post by npexcept »

If the circuit breaker (I guess you mean the relay?) heats up, that means somewhere down the wire there is a short circuit, either in the wiring or the motors directly. Try to unplug the window motors and check, if the relais still heats up. This way you may identify the broken motor or if the wiring in general is the problem.

This might help with the motors:
1.png
1.png (268.27 KiB) Viewed 569 times
Just because you're trash, doesn't mean you can't do great things.
It's called garbage can, not garbage can not.

Didntchaknow
Posts: 13
Joined: 28 January 2024
Year and Model: 1986 850 GLT
Location: Eugene, Oregon

Post by Didntchaknow »

Thank you, I will give that a try tomorrow! Since it's occuring on all of the doors, should I attempt to disconnect all the motors in turn, or just focus on the drivers door?

The part I replaced was a circuit breaker, not the relay. Its metal and gets nearly painfully hot. It's inside the fuse box, in spot #37 (see 11/37 in image below). I believe that the relay that coincides is marked as 105 on the image below.

Image

This could also be the source, but I was under the impression that if that relay was bad I would be experiencing other issues.

User avatar
npexcept
Posts: 55
Joined: 18 November 2023
Year and Model: XC90 I D5 (275) 2003
Location: Bonn, Germany
Has thanked: 9 times
Been thanked: 23 times

Post by npexcept »

Didntchaknow wrote: 28 Jan 2024, 19:54 Thank you, I will give that a try tomorrow! Since it's occuring on all of the doors, should I attempt to disconnect all the motors in turn, or just focus on the drivers door?
My first approach would be to disconnect them all and then plug them in one after one.
If with all motors unplugged, the breaker (fuse) still gets hot, the fault might be in the wiring or the relay.
Didntchaknow wrote: 28 Jan 2024, 19:54 The part I replaced was a circuit breaker, not the relay. Its metal and gets nearly painfully hot. It's inside the fuse box, in spot #37 (see 11/37 in image below). I believe that the relay that coincides is marked as 105 on the image below.
Well, thats a fuse and meant to melt the metal strip in it in case of too much current. So it getting hot to the touch is right before it breaks.
I even wonder why it did not break already.
Didntchaknow wrote: 28 Jan 2024, 19:54 This could also be the source, but I was under the impression that if that relay was bad I would be experiencing other issues.
Yeah, from what I could find, there is no "only window relay", the relay 105 - 106 - 107 power all the small stuff (light, ect. and also power windows) with the key in the ignition.
Just because you're trash, doesn't mean you can't do great things.
It's called garbage can, not garbage can not.

Didntchaknow
Posts: 13
Joined: 28 January 2024
Year and Model: 1986 850 GLT
Location: Eugene, Oregon

Post by Didntchaknow »

So - finally got more time and good weather to remove the door panels and disconnect the motors today. Unfortunately I didn't have enough space to remove all door panels at once, so instead I tested them as follows:

Drivers front window - removed door panel, pulled plug for motor. Started up car, pressed middle console buttons, pressed sunroof button, reached back and tried windows switches in the back. No motion. Turned car off and touched circuit breaker - still hot. Reconnected everything and reassembled.

Passenger front window - repeated above. No motion, CB still hot. Reconnected everything and reassembled.

Drivers rear window - repeated above. No motion, cb still hot. Reconnected and reassembled.

Passengers rear window - repeated. Same results. Reassembled.

Also important to note that there was no noise from any motors at any time. I used the same CB as before.

Where do I go from here?

As mentioned in the first post I did try disconnecting the master switch (center console) and using the sunroof. I tried this again today to disappointing results (none, hot CB)

Thanks in advance!

User avatar
npexcept
Posts: 55
Joined: 18 November 2023
Year and Model: XC90 I D5 (275) 2003
Location: Bonn, Germany
Has thanked: 9 times
Been thanked: 23 times

Post by npexcept »

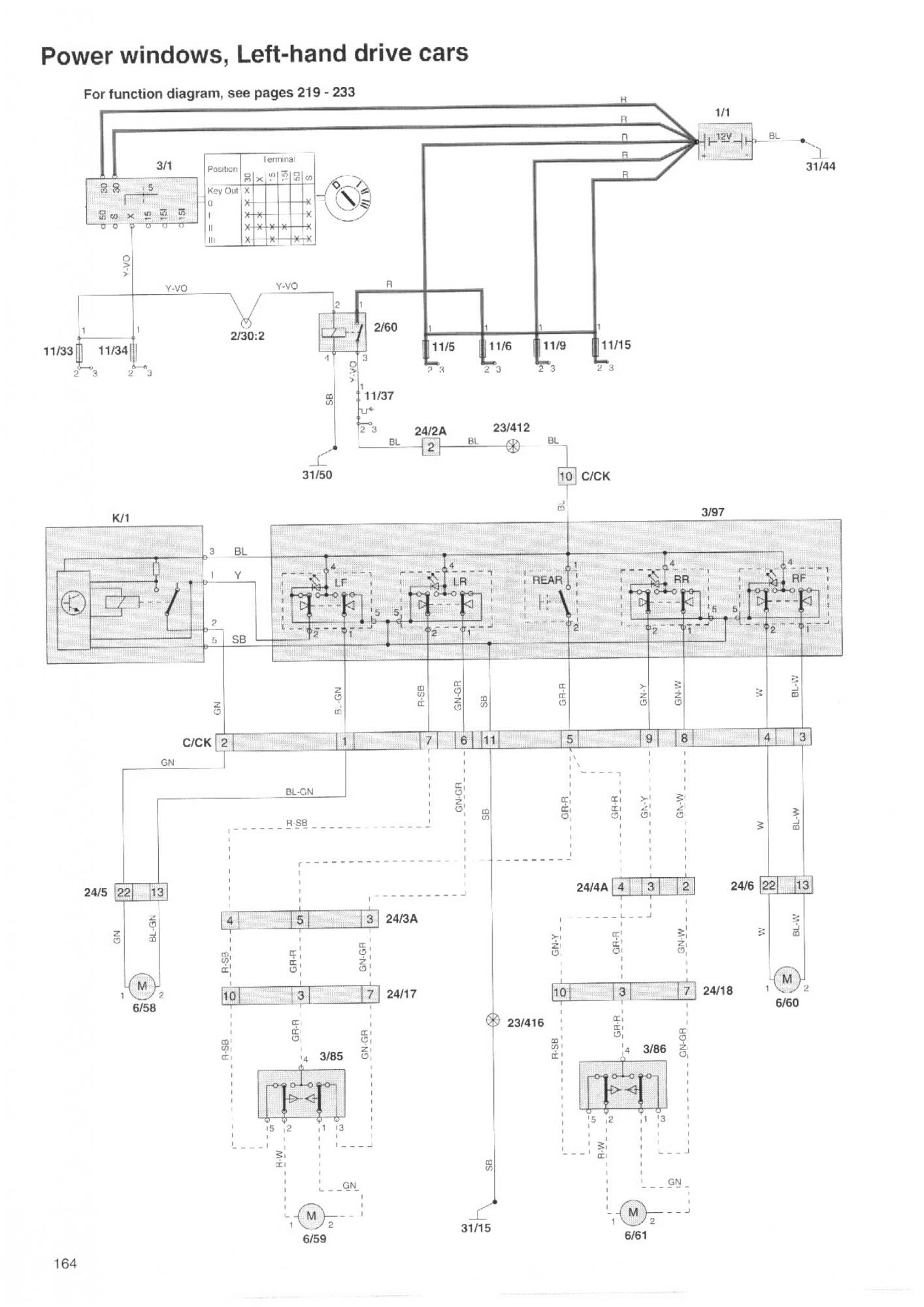
Found the schematics.
That fuse, 11/37 is pretty early in the supply line.
A short to ground could be basically anywhere from that point downwards.
A faulty switch could also result in a short circuit. These "forward/backward" switches can fail in such a way to short to ground.
Can you check if with a pulled master switch the fuse/CB still gets hot?
If it still got hot with the motors unplugged, the fault has to be somewhere between below 11/37 and above the motors.
Strong guess is that its the master switch. Wild guess, but can you maybe somewhere feel a warm window switch?
Maybe you know someone with a thermal camera. These have gotten really cheap, have one that plugs into my smartphone.
Super handy for diagnosing shorts.

This picture is taken from a 850 1996 manual, page 64.
I've linked the full manual for 850 1994-1997 models in this thread: viewtopic.php?t=103961&start=20
850-1996-P64_page-0001.jpg
850-1996-P64_page-0001.jpg (193.08 KiB) Viewed 498 times
Just because you're trash, doesn't mean you can't do great things.
It's called garbage can, not garbage can not.

Didntchaknow
Posts: 13
Joined: 28 January 2024
Year and Model: 1986 850 GLT
Location: Eugene, Oregon

Post by Didntchaknow »

This is super helpful, thank you!

I got a little more time today so I spent half of it installing new struts for the tailgate (surprisingly fun job) and half fiddling the windows and electrical again. Good news is, the strut job went well. Bad news, no certain results on windows.

I tried disconnecting the master switch again, and tried a few different scenarios while I had it out. First, with one plug undone, second with both undone. Both times the CB still got hot to the touch. Then, I tried while pressing the sunroof button with everything unplugged, still got hot.

I might have to invest in a thermal cam! Is it possibly a short in the sunroof? Short between the CB and the master?

I took some pictures today since I was already messing with it. Please excuse how disgusting my center console is, I haven't cleaned the car since getting it from my friend. Once we get a solid sunny day or two it'll get a nice deep clean.

Here's the master switch set up - it has the switches for the front (there are no switches on the doors in the front) and the switches for the back (the back doors do have their own switches) plus at the very top there's the switches for the power mirrors (those DO work).
Image
As you can see, it's missing the switch for the driver side window. I have it but haven't put it back in yet, but I was wondering if this might have been the short, however, is this possible if the CB is still heating up with all the switches disconnected?

Here's the plugs that I've been undoing.
Image
Image

If you have any further ideas Ill try and get to em today! Otherwise I might just try and get a thermal cam to chase it down. Thanks again!

User avatar
npexcept
Posts: 55
Joined: 18 November 2023
Year and Model: XC90 I D5 (275) 2003
Location: Bonn, Germany
Has thanked: 9 times
Been thanked: 23 times

Post by npexcept »

Didntchaknow wrote: 04 Feb 2024, 16:45 This is super helpful, thank you!
Glad to help! The 1995 manual seems to have a better quality and also there is an extra page that shows the modules with their corresponding labels on page 157.

Didntchaknow wrote: 04 Feb 2024, 16:45 Is it possibly a short in the sunroof?
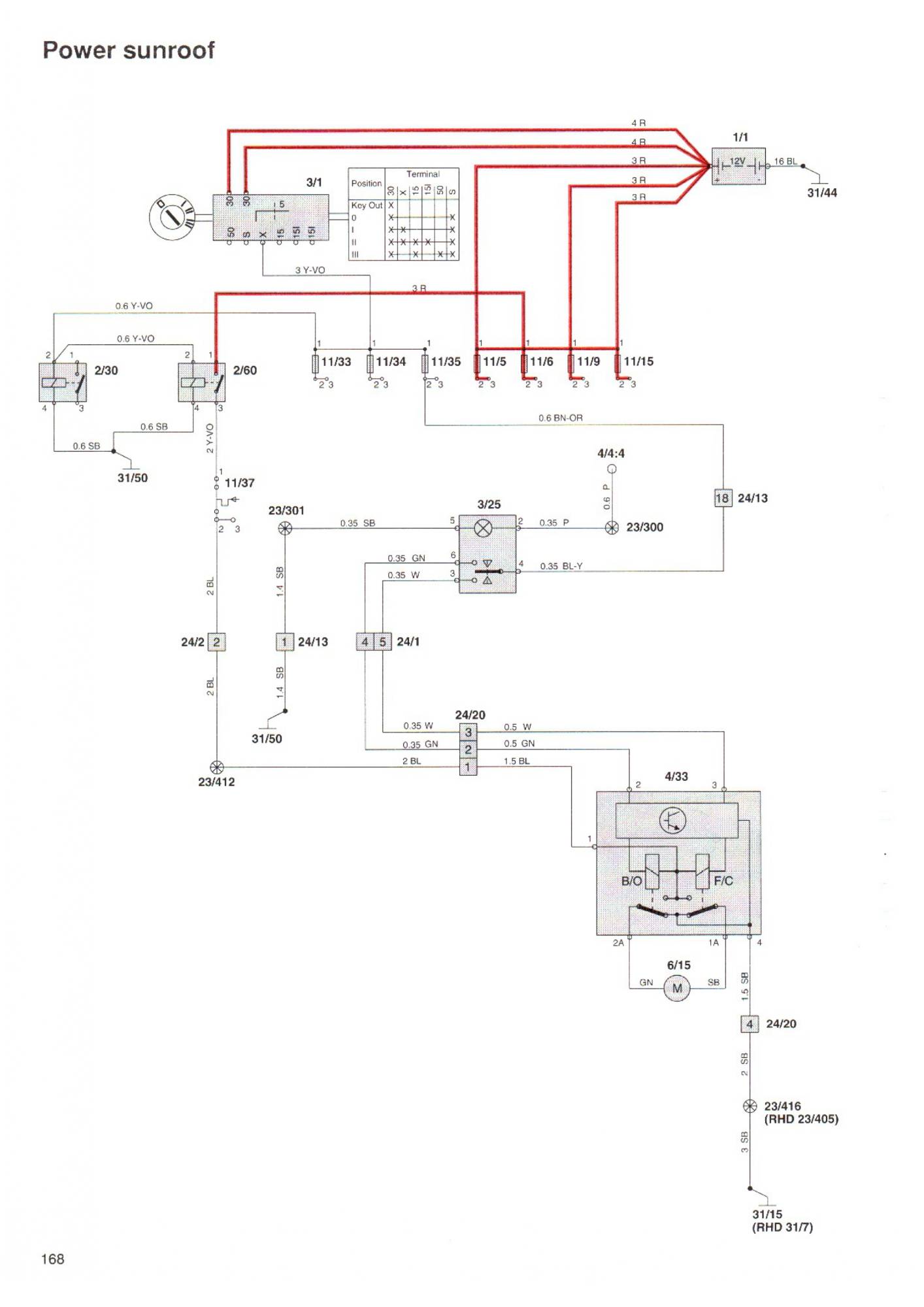
Sounds promising. The sunroof is a different circuit, but uses the same fuse (11/37)
The switch next to the steering "3/25" is not related to this, different circuit/fuse.
Try unplugging the connector "24/20". Its somewhere near the glove compartment. 24/20 supplies the power sunroof.
Does the CB still heat up?
Can you try to measure the voltage on the connector 24/20? There should be around 12V between pin 1 (BLack) and pin 4 (Sky Blue).
sunroof schem_page-0001.jpg
sunroof schem_page-0001.jpg (134.54 KiB) Viewed 448 times
sunroof schem 2_page-0001.jpg
sunroof schem 2_page-0001.jpg (249.25 KiB) Viewed 448 times
Didntchaknow wrote: 04 Feb 2024, 16:45 As you can see, it's missing the switch for the driver side window.
I have it but haven't put it back in yet, but I was wondering if this might have been the short, however, is this possible if the CB is still heating up with all the switches disconnected?
Nope. For now I'd leave the master switch unplugged and focus on the sunroof. If the CB still heats up with 24/20 disconnected, we have to see where to look next.
Just because you're trash, doesn't mean you can't do great things.
It's called garbage can, not garbage can not.

Didntchaknow
Posts: 13
Joined: 28 January 2024
Year and Model: 1986 850 GLT
Location: Eugene, Oregon

Post by Didntchaknow »

Awesome diagrams, thank you again!

I got another lil snippet of time today, although I did have to fight the rain a little.

I tried unplugging the sunroof plug (and also the little yellow plug - I wasn't sure what that one did so I figured I might as well try it too). They were both located behind the glove box, so I left that out for more experimentation later on. Unfortunately, even with the sunroof plug undone, the CB is still getting warm.

Here's the plugs I was looking at. Comparing to the diagrams, the colors seem to match up so I figured I was probably on the right track.
Image

I wasn't able to unbury my voltage tester quite yet, but if you think that plugs worth testing (or if there's a better place somewhere along the lines to test) I'll try and get it out.

What do you think I should be trying next?

Luckily I do also have an appt with my mechanic this week to check the car over and make sure none of the other issues would make it not worth fixing. He's a Volvo specialist so if Ill ask him if he has any advice. Otherwise, I'm committed to solving this now, so I'll keep trying things!

Didntchaknow
Posts: 13
Joined: 28 January 2024
Year and Model: 1986 850 GLT
Location: Eugene, Oregon

Post by Didntchaknow »

Had the car looked at by my mechanic! Luckily it's in good shape and it will be reliable with a few small repairs. This news had made me way more excited about this car, especially since it's so fun to drive, I think it'll be a great car! If I can get the window issue resolved, it'll be even more fun.

I asked him a bit about the windows and sunroof, and told him what I'd done so far. He recommended unplugging the switches themselves on the back door, to eliminate those, and passed on another wiring diagram (similar to those above). No good results from unplugging the switches, but that does seem to narrow it down further to the area below 11/37 and above the master switch.

From here, where do I look next? Does anyone happen to have a diagram of the physical wiring path from 11/37 down? I'm curious if I'll need to be looking under the dash and where if so. Essentially, what's the best way to track down this short? How do I tell that it is a short when/if I find it? I'm a little hesitant to buy a thermal cam just yet, since I think this'll be the only thing I use it on for a good long while, but I will buy/rent one if that seems to be the only route.

Here's another thought - could I theoretically resolve this from a different angle? I'm very very limited in my knowledge so this could be a stupid thought, but could I replace the circuit breaker with something with higher capacity to resolve the issue? For example I believe it currently has a 12v 20a CB in it right now, would a 30a be helpful?

Well, regardless. Send me your ideas, I'm committed to getting this fixed! Thanks in advance!

Post Reply
  • Similar Topics
    Replies
    Views
    Last post