Pretty much the title. The banjo bolt for the PCV under the intake is frustrating, but nothing compared to the turbo oil and cooling lines. I recently rebuilt my LP turbo and it took multiple attempts over several days to get the lines reattached. There has to be a better way.
I have been looking at using teflon lined braided hose and AN fittings to replace the inaccessible banjo bolts but I’m not sure it would be an improvement.
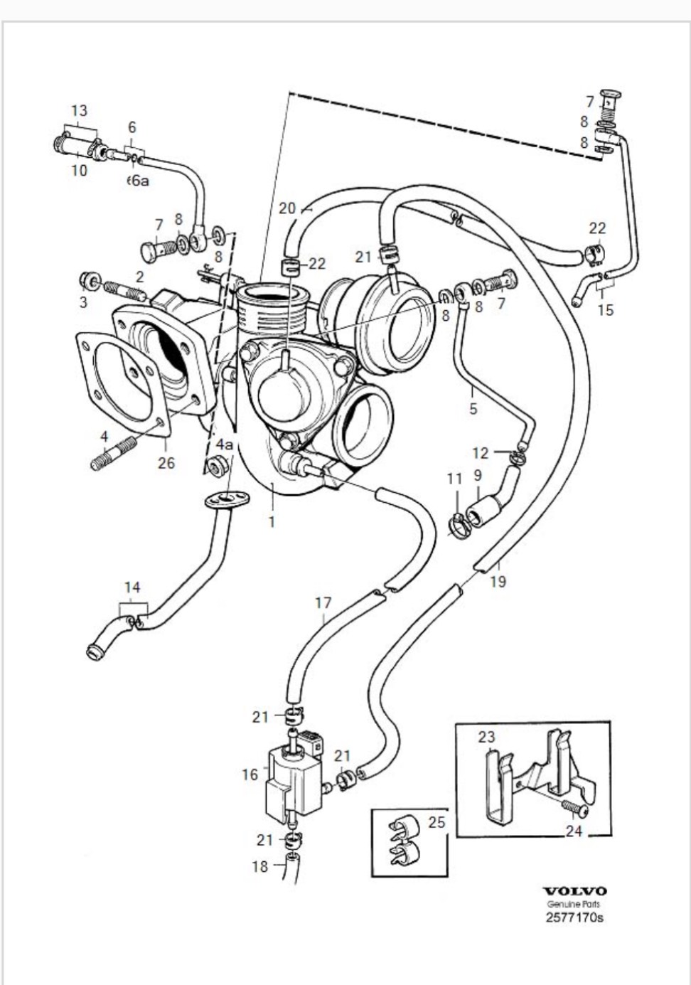
Coolant inlet - Easiest one of the four but it has the oddball hose with a different size on each end. Why? #9 in diagram. 12M 1.5 banjo bolt to hose connection.
Coolant outlet - Impossible to get a tool on if the oil inlet line is installed. 12M 1.5 Banjo bolt on turbo side to hose connection on water pump inlet pipe. #10 in diagram
Oil inlet - The one that gave me the most trouble. I apparently bent it removing the turbo and was very difficult to get lined back up. Very little clearance between the line, the coolant outlet line and the turbo volute. (It could’ve been a few millimeters longer and not hug the housing so tightly) It’s a rigid steel line with 12M 1.5 banjo bolts on both ends. The engine side is buried deep in a recess behind various coolant lines.
Oil outlet - Flange connection on turbo side, o-ring connection on engine.
12Mx1.5 to AN adapters are readily available. My initial thoughts -
Coolant inlet - pretty straightforward; AN6 on turbo side, compression fitting on the coolant pipe side
Coolant outlet - same as inlet, AN6 and compression fitting
Oil inlet - AN6 on both ends, possibly a standoff adapter on the engine side to bring the connection out far enough to get access for connecting the fitting.
Oil outlet - I don’t have an answer for this one yet. The o-ring side is problematic.
Has anyone attempted to improve these lines?
Anyone have any thoughts?
Edit to add - The lines are currently attached. I’m not going to mess with them just to be doing it. But if/when I have to R&R any of them in the future I would like to have a plan to preserve what sanity I have left.
99 S70 Turbo Lines - Has anyone replaced the banjo bolts?
- Twarr12000
- Posts: 72
- Joined: 18 March 2024
- Year and Model: 1999 S70 GLT
- Location: Tx
- Has thanked: 31 times
- Been thanked: 19 times
- abscate
- MVS Moderator
- Posts: 35284
- Joined: 17 February 2013
- Year and Model: 99: V70s S70s,05 V70
- Location: Port Jefferson Long Island NY
- Has thanked: 1502 times
- Been thanked: 3817 times
Start those banjos with new copper rings loose when you install the turbo. The just need a nip to seal when it’s in place. You will appreciate the ability to move the hard lines around installing the turbo
Empty Nester
A Captain in a Sea of Estrogen
1999-V70-T5M56 2005-V70-M56 1999-S70 VW T4 XC90-in-Red
Link to Maintenance record thread
A Captain in a Sea of Estrogen
1999-V70-T5M56 2005-V70-M56 1999-S70 VW T4 XC90-in-Red
Link to Maintenance record thread
- jonesg
- Posts: 3505
- Joined: 16 January 2008
- Year and Model: 2004 V70
- Location: Northern maine.
- Has thanked: 69 times
- Been thanked: 479 times
a low profile ratchet from HF is the only tool I could get in there and remove banjo bolts.
From under the car.
https://www.harborfreight.com/14-in-38- ... 67994.html
From under the car.
https://www.harborfreight.com/14-in-38- ... 67994.html
- Twarr12000
- Posts: 72
- Joined: 18 March 2024
- Year and Model: 1999 S70 GLT
- Location: Tx
- Has thanked: 31 times
- Been thanked: 19 times
I have several 17mm wrenches, none of which will work on the coolant outlet. I would modify one by grinding, bending, whatever, but I don’t think there is a mod that would actually make it work.
- abscate
- MVS Moderator
- Posts: 35284
- Joined: 17 February 2013
- Year and Model: 99: V70s S70s,05 V70
- Location: Port Jefferson Long Island NY
- Has thanked: 1502 times
- Been thanked: 3817 times
The (7) (8) onto the (15) pipe is a real bear - a clearance socket is needed to release.
It can be retightened with an open end.
It can be retightened with an open end.
Empty Nester
A Captain in a Sea of Estrogen
1999-V70-T5M56 2005-V70-M56 1999-S70 VW T4 XC90-in-Red
Link to Maintenance record thread
A Captain in a Sea of Estrogen
1999-V70-T5M56 2005-V70-M56 1999-S70 VW T4 XC90-in-Red
Link to Maintenance record thread
-
- Similar Topics
- Replies
- Views
- Last post






