Login Register

2000 s70 glt se - Trying to identify this part.

Help, Advice and DIY Tutorials on Volvo's P80 platform cars -- Volvo's 1990s "bread and butter" cars -- powered by the ubiquitous and durable Volvo inline 5-cylinder engine.

1992 - 1997 850, including 850 R, 850 T-5R, 850 T-5, 850 GLT
1997 - 2000 S70, S70 AWD
1997 - 2000 V70, V70 AWD
1997 - 2000 V70-XC
1997 - 2004 C70

Post Reply
jmorman
Posts: 19
Joined: 10 March 2019
Year and Model: 2000 s70 GLT SE
Location: Wakeman, Ohio

2000 s70 glt se - Trying to identify this part.

Post by jmorman »

transmission.jpg
While doing the brakes, I found some type of sensor going into the bottom of the transmission next to a trans cooler line. The wires are frayed bad, most likely mice. I have been googling all day and cannot figure out the name of this part or even a picture of it. Robert Spinner said it was a speed sensor or shift solenoid, and I have tried a dozen other names, but nothing matches up to what I am looking at. Does anyone know what this is or point me in the right direction?

User avatar
MoVolvos
Posts: 5273
Joined: 15 January 2012
Year and Model: S&V70XC,S60,C30,XC90
Location: NC
Has thanked: 310 times
Been thanked: 524 times

Post by MoVolvos »

jmorman wrote: 04 Oct 2024, 18:01 transmission.jpg

While doing the brakes, I found some type of sensor going into the bottom of the transmission next to a trans cooler line. The wires are frayed bad, most likely mice. I have been googling all day and cannot figure out the name of this part or even a picture of it. Robert Spinner said it was a speed sensor or shift solenoid, and I have tried a dozen other names, but nothing matches up to what I am looking at. Does anyone know what this is or point me in the right direction?
.
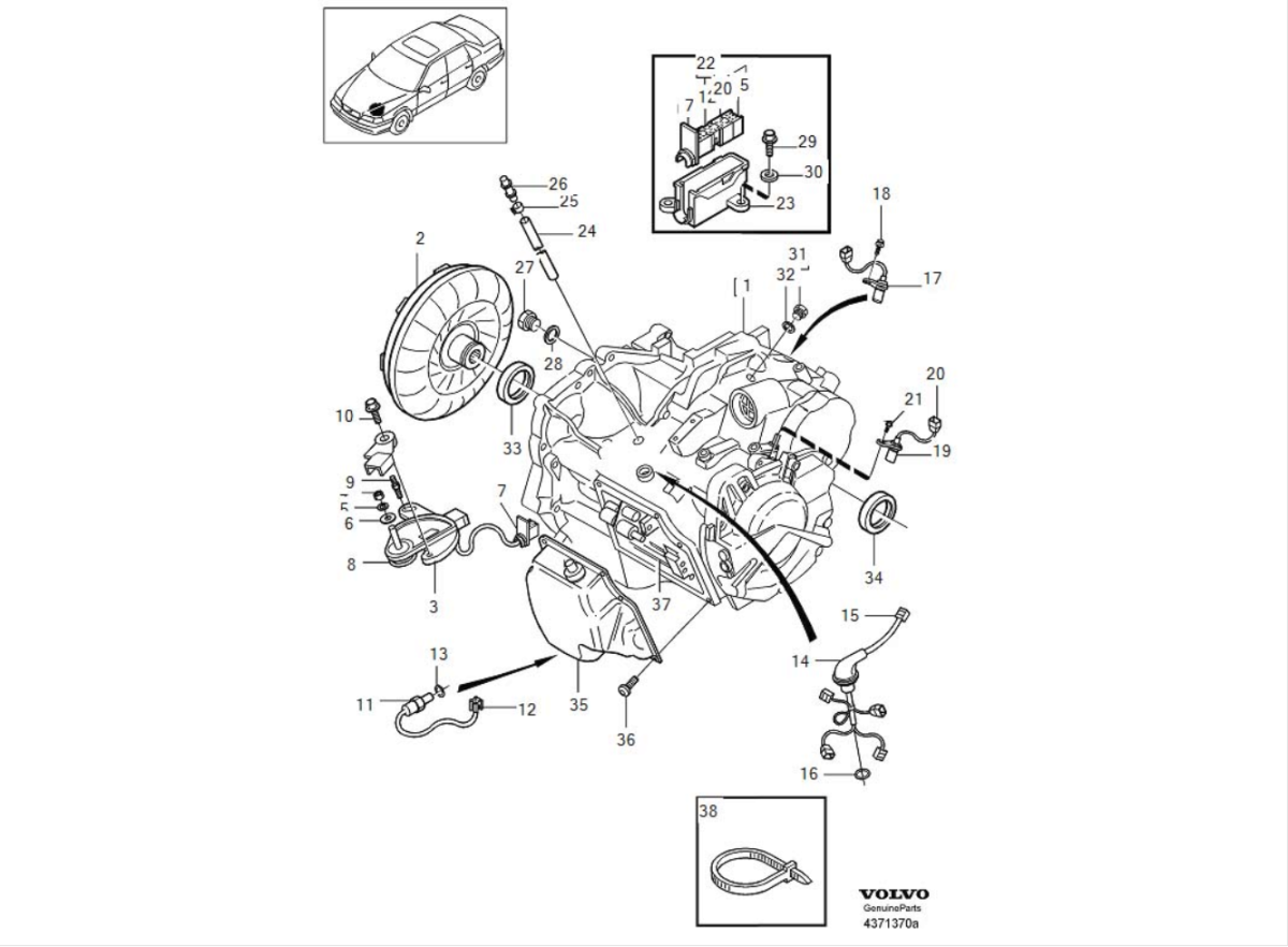
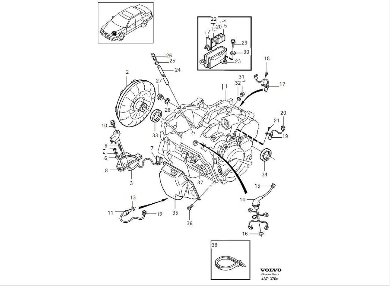
Should be able to match the part with the diagram if I got the right diagram :lol:.

https://usparts.volvocars.com/a/Volvo_2 ... 84FBEB6B4D
.
2000 Transmission.png
.
Blessings,

BKM


2008 C30 T5 2.0 M66
2007 S60 2.5T - New Project
2003 S80 T6 Transmission DIED
2000 S70 SE Base - New Project
1998 S70 T5 Prior
1989 240 Wagon Prior

aeg
Posts: 54
Joined: 9 October 2023
Year and Model: 97 850GLT
Location: Los Angeles
Been thanked: 31 times

Post by aeg »

I believe it's the "oil temperature sensor" (although it measures ATF temperature, not engine oil), P/N 3515267. The part is discontinued. The O-ring is P/N 3520721. Someone here on MVS said they were able to get a new old stock sensor from Voluparts in 2017.

jmorman
Posts: 19
Joined: 10 March 2019
Year and Model: 2000 s70 GLT SE
Location: Wakeman, Ohio

Post by jmorman »

Thank you so much aeg!! I’m not thrilled it’s discontinued but at least I know what to look for.

Post Reply
  • Similar Topics
    Replies
    Views
    Last post