Left and right stalk no functions. Replaced stalk nothing. 2006 xc90 V8
-
aaron1611
- Posts: 148
- Joined: 2 April 2017
- Year and Model: 2006 XC90 V8
- Location: Norfolk, Virginia
- Has thanked: 2 times
- Been thanked: 5 times
Left and right stalk no functions. Replaced stalk nothing. 2006 xc90 V8
Hi there everyone. My left stalk has zero function and message center screen is locked. Replaced it with a new Volvo stalk and nothing. Right stalk zero function except low speed wiper. I don't want to throw anymore parts at it. What should I be looking for now? Oh, all steering wheel buttons work fine.
2005 Volvo XC90 V8
2006 Volvo XC90 V8
91 240 Wagon 5 speed 211K daughters daily driver sold
2013 XC90 wife's daily driver 201K
06 XC90 175K sold
02 V70 XC 135K sold
05 XC90 251K sold
Volvo's that were driven and flipped:
92 240DL 215K
01 V70 TMU
00 S70 100K
99 V70 189K
94 940 136K
92 240 GL wagon TMU
85 240 DL 196K
90 240 DL 169K
95 850 wagon 250K
99 S70 135K
2006 Volvo XC90 V8
91 240 Wagon 5 speed 211K daughters daily driver sold
2013 XC90 wife's daily driver 201K
06 XC90 175K sold
02 V70 XC 135K sold
05 XC90 251K sold
Volvo's that were driven and flipped:
92 240DL 215K
01 V70 TMU
00 S70 100K
99 V70 189K
94 940 136K
92 240 GL wagon TMU
85 240 DL 196K
90 240 DL 169K
95 850 wagon 250K
99 S70 135K
- ggleavitt
- Posts: 740
- Joined: 4 June 2006
- Year and Model: 06,08 XC90 V8
- Location: Camano
- Has thanked: 23 times
- Been thanked: 125 times
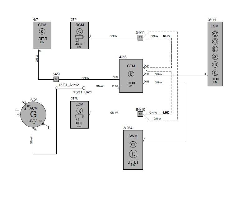
Steering wheel module is what the stalks and wheel switches interface to (stalks connect directly into the SWM assembly). Might be worth removing both stalks and making sure you don't have a smooshed connector pin or the like, they're pretty small. That you have wheel buttons working but not stalk working properly might be something towards the stalk interface but that's just a guess (wheel buttons interface to SWM via contact reel I think). SWM is an active module, outputs LIN bus to CEM for follow-on activation (like turn signal) so you know some downstream CEM actions are occurring but not all of them.
You have a chance to get a Volvo centric code reader on this vehicle? Might be something there. Last but not least, ever try a disconnect of the battery and a reconnect a little later to see if it's just something funny in the module software? Probably wouldn't hurt at this point.
Pretty much all I can think of, might be a direct swap for matched parts range SWM (someone can correct this assumption) if it's broke, think I saw a post or two and will edit if I can find.
You have a chance to get a Volvo centric code reader on this vehicle? Might be something there. Last but not least, ever try a disconnect of the battery and a reconnect a little later to see if it's just something funny in the module software? Probably wouldn't hurt at this point.
Pretty much all I can think of, might be a direct swap for matched parts range SWM (someone can correct this assumption) if it's broke, think I saw a post or two and will edit if I can find.
2006 V8 Ocean Race #740/800 200k, 2008 V8 Sport 183k
-
aaron1611
- Posts: 148
- Joined: 2 April 2017
- Year and Model: 2006 XC90 V8
- Location: Norfolk, Virginia
- Has thanked: 2 times
- Been thanked: 5 times
Good morning, thanks for your response. I'll disconnect the battery today to see if that resets it. Otherwise, I'll plug vida/dice to see if it brings up anything.
2005 Volvo XC90 V8
2006 Volvo XC90 V8
91 240 Wagon 5 speed 211K daughters daily driver sold
2013 XC90 wife's daily driver 201K
06 XC90 175K sold
02 V70 XC 135K sold
05 XC90 251K sold
Volvo's that were driven and flipped:
92 240DL 215K
01 V70 TMU
00 S70 100K
99 V70 189K
94 940 136K
92 240 GL wagon TMU
85 240 DL 196K
90 240 DL 169K
95 850 wagon 250K
99 S70 135K
2006 Volvo XC90 V8
91 240 Wagon 5 speed 211K daughters daily driver sold
2013 XC90 wife's daily driver 201K
06 XC90 175K sold
02 V70 XC 135K sold
05 XC90 251K sold
Volvo's that were driven and flipped:
92 240DL 215K
01 V70 TMU
00 S70 100K
99 V70 189K
94 940 136K
92 240 GL wagon TMU
85 240 DL 196K
90 240 DL 169K
95 850 wagon 250K
99 S70 135K
-
aaron1611
- Posts: 148
- Joined: 2 April 2017
- Year and Model: 2006 XC90 V8
- Location: Norfolk, Virginia
- Has thanked: 2 times
- Been thanked: 5 times
disconnecting the battery didn't work. Vida says that the communication with the SWM control module signal missing. CEM-DD50. other codes were also present but this seems most likely. The pins on the left stalk looked fine, none bent.
2005 Volvo XC90 V8
2006 Volvo XC90 V8
91 240 Wagon 5 speed 211K daughters daily driver sold
2013 XC90 wife's daily driver 201K
06 XC90 175K sold
02 V70 XC 135K sold
05 XC90 251K sold
Volvo's that were driven and flipped:
92 240DL 215K
01 V70 TMU
00 S70 100K
99 V70 189K
94 940 136K
92 240 GL wagon TMU
85 240 DL 196K
90 240 DL 169K
95 850 wagon 250K
99 S70 135K
2006 Volvo XC90 V8
91 240 Wagon 5 speed 211K daughters daily driver sold
2013 XC90 wife's daily driver 201K
06 XC90 175K sold
02 V70 XC 135K sold
05 XC90 251K sold
Volvo's that were driven and flipped:
92 240DL 215K
01 V70 TMU
00 S70 100K
99 V70 189K
94 940 136K
92 240 GL wagon TMU
85 240 DL 196K
90 240 DL 169K
95 850 wagon 250K
99 S70 135K
- ggleavitt
- Posts: 740
- Joined: 4 June 2006
- Year and Model: 06,08 XC90 V8
- Location: Camano
- Has thanked: 23 times
- Been thanked: 125 times
CEM does not see an active LIN bus from the SWM I guess. Odd about the wheel buttons working with only select stalk functions under this scenario, thought everything went through the same LIN path.
https://www.swedespeed.com/threads/stal ... day.671512, might find something here. UK Volvo site had a similar issue-, https://www.volvoforums.org.uk/showthread.php?t=299854 with some logical troubleshooting to unplug one of the stalks and try the functions on the other.
**No possibility of water intrusion on the CEM? Was an older style cover for MY05 into 06 in the plenum under the drain screens, had an issue with leaking with a reworked replacement cover issued as a TJ. Given that this is an '06 (issue covers chassis 134000-327999 ??), might not hurt to see about the cover and make sure the CEM is not wet on top. Some history here:
https://www.swedespeed.com/threads/stal ... day.671512, might find something here. UK Volvo site had a similar issue-, https://www.volvoforums.org.uk/showthread.php?t=299854 with some logical troubleshooting to unplug one of the stalks and try the functions on the other.
**No possibility of water intrusion on the CEM? Was an older style cover for MY05 into 06 in the plenum under the drain screens, had an issue with leaking with a reworked replacement cover issued as a TJ. Given that this is an '06 (issue covers chassis 134000-327999 ??), might not hurt to see about the cover and make sure the CEM is not wet on top. Some history here:
2006 V8 Ocean Race #740/800 200k, 2008 V8 Sport 183k
-
aaron1611
- Posts: 148
- Joined: 2 April 2017
- Year and Model: 2006 XC90 V8
- Location: Norfolk, Virginia
- Has thanked: 2 times
- Been thanked: 5 times
I think I'm going to swap out the SWM, quick question though. Does this require the dealership to program the software or is a plug in play?
Thank you,
Thank you,
2005 Volvo XC90 V8
2006 Volvo XC90 V8
91 240 Wagon 5 speed 211K daughters daily driver sold
2013 XC90 wife's daily driver 201K
06 XC90 175K sold
02 V70 XC 135K sold
05 XC90 251K sold
Volvo's that were driven and flipped:
92 240DL 215K
01 V70 TMU
00 S70 100K
99 V70 189K
94 940 136K
92 240 GL wagon TMU
85 240 DL 196K
90 240 DL 169K
95 850 wagon 250K
99 S70 135K
2006 Volvo XC90 V8
91 240 Wagon 5 speed 211K daughters daily driver sold
2013 XC90 wife's daily driver 201K
06 XC90 175K sold
02 V70 XC 135K sold
05 XC90 251K sold
Volvo's that were driven and flipped:
92 240DL 215K
01 V70 TMU
00 S70 100K
99 V70 189K
94 940 136K
92 240 GL wagon TMU
85 240 DL 196K
90 240 DL 169K
95 850 wagon 250K
99 S70 135K
- ggleavitt
- Posts: 740
- Joined: 4 June 2006
- Year and Model: 06,08 XC90 V8
- Location: Camano
- Has thanked: 23 times
- Been thanked: 125 times
Sorry, was looking around to see if the answer to this was straight forward. I cannot see anything calling out a software reload specific to the SWM itself in numerous searches so I'm going to suggest that if you replace, it's a plug and play.
I "think" there should be no programming required as the SWM itself is more or less an interface module with limited function (like a seat heater module for example) but this is a guess only, just to be transparent.
I "think" there should be no programming required as the SWM itself is more or less an interface module with limited function (like a seat heater module for example) but this is a guess only, just to be transparent.
2006 V8 Ocean Race #740/800 200k, 2008 V8 Sport 183k
-
aaron1611
- Posts: 148
- Joined: 2 April 2017
- Year and Model: 2006 XC90 V8
- Location: Norfolk, Virginia
- Has thanked: 2 times
- Been thanked: 5 times
Thank you for your response. I called the dealer for the part as my local indie shop can't get it. It's &800 plus the side they need to program it as it's vin specific. Ugh.
2005 Volvo XC90 V8
2006 Volvo XC90 V8
91 240 Wagon 5 speed 211K daughters daily driver sold
2013 XC90 wife's daily driver 201K
06 XC90 175K sold
02 V70 XC 135K sold
05 XC90 251K sold
Volvo's that were driven and flipped:
92 240DL 215K
01 V70 TMU
00 S70 100K
99 V70 189K
94 940 136K
92 240 GL wagon TMU
85 240 DL 196K
90 240 DL 169K
95 850 wagon 250K
99 S70 135K
2006 Volvo XC90 V8
91 240 Wagon 5 speed 211K daughters daily driver sold
2013 XC90 wife's daily driver 201K
06 XC90 175K sold
02 V70 XC 135K sold
05 XC90 251K sold
Volvo's that were driven and flipped:
92 240DL 215K
01 V70 TMU
00 S70 100K
99 V70 189K
94 940 136K
92 240 GL wagon TMU
85 240 DL 196K
90 240 DL 169K
95 850 wagon 250K
99 S70 135K
-
- Similar Topics
- Replies
- Views
- Last post
-
- 6 Replies
- 2240 Views
-
Last post by chrisb315526
-
- 1 Replies
- 468 Views
-
Last post by volvolugnut






