Greetings.
I'm working through an odd problem with an 03 S60 with the NA 2.4. The car for about a month has hesitated to start. Cranks like a champ, but won't fire. On Christmas eve, it refused to go no matter what I did.
I've hooked my gauge up to the fuel rail and not only was there no residual pressure, but no pressure registered even through extended cranking. Well, we arrived back home this morning from a trip and I got it to stumble to life (nothing has changed... It's colder now actually). Got it positioned further up the drive and started in on it.
Fuses are all good. The relay (which I've now found at ci12) is clicking (does anyone have a proper test for this?) and upon checking the fuel pressure, it sits at about 15psi. This seems quite low to me. Does anyone happen to know the pressure range? But the pressure does not dip upon shutdown, so I suspect my fpr and check valve are in order.
Any other thoughts?
Questions I'd love to hear feedback on specifically...
1. What is the normal fuel pressure at the Schrader valve on the fuel rail?
2. Is there a proper test for the fuel pump relay? Does anyone know the resistance etc.?
Thanks crew.
2003 NA S60 fuel pressure woes
-
scot850
- Posts: 14883
- Joined: 5 April 2010
- Year and Model: 2000 V70 R
- Location: Calgary, Alberta, Canada
- Has thanked: 1847 times
- Been thanked: 1710 times
Fuel pressure should be >43psi
Can't answer about the testing of the fuel pump replay, but if you search here there is a way to bridge the connectors to bypass the fuel pump to test for its function.
Neil.
Can't answer about the testing of the fuel pump replay, but if you search here there is a way to bridge the connectors to bypass the fuel pump to test for its function.
Neil.
2006 V70 2.5T AWD Polestar tune
2000 V70 R - still being an endless PITA
2006 XC70 - Our son now has this and still parked in our garage
2003 Toyota 4Runner V8 Limited
2015 Kia Sportage EX-L - Sold
1993 850 GLT -Sold
1998 V70 XC - Sold
1997 Volvo 850 SE NA - Went to niece in California - Sold
2000 V70 SE NA - Sold
2000 V70 R - still being an endless PITA
2006 XC70 - Our son now has this and still parked in our garage
2003 Toyota 4Runner V8 Limited
2015 Kia Sportage EX-L - Sold
1993 850 GLT -Sold
1998 V70 XC - Sold
1997 Volvo 850 SE NA - Went to niece in California - Sold
2000 V70 SE NA - Sold
-
scot850
- Posts: 14883
- Joined: 5 April 2010
- Year and Model: 2000 V70 R
- Location: Calgary, Alberta, Canada
- Has thanked: 1847 times
- Been thanked: 1710 times
Before consigning the fuel pump, has the fuel filter been replaced recently? IF these get clogged they can cause fuel pressure delivery problems. Does the pump sound particularly loud?
Did you look into the fuel pump relay bypass to eliminate that also?
It is always worthwhile pulling a spare from a scrap car, testing it in your car and keeping it as a spare if it is good.
These are the cheaper options before springing for the fuel pump.
I am not familiar with the S60 fuel system for the newer cars, but from looking at Vida, it is not too difficult to replace the pump but it is expensive for parts, and Volvo has added a fuel pump controller to the car as well. Looking at FCP Euro for parts prices, the controller (Volvo is about $360 US) and the pump about the same. There is also a fuel pressure damper. I'd look to others here to find out if there is a way to check each part without buying replacements. Not sure if the system can be 'read' to identify the issue.
Neil.
Did you look into the fuel pump relay bypass to eliminate that also?
It is always worthwhile pulling a spare from a scrap car, testing it in your car and keeping it as a spare if it is good.
These are the cheaper options before springing for the fuel pump.
I am not familiar with the S60 fuel system for the newer cars, but from looking at Vida, it is not too difficult to replace the pump but it is expensive for parts, and Volvo has added a fuel pump controller to the car as well. Looking at FCP Euro for parts prices, the controller (Volvo is about $360 US) and the pump about the same. There is also a fuel pressure damper. I'd look to others here to find out if there is a way to check each part without buying replacements. Not sure if the system can be 'read' to identify the issue.
Neil.
2006 V70 2.5T AWD Polestar tune
2000 V70 R - still being an endless PITA
2006 XC70 - Our son now has this and still parked in our garage
2003 Toyota 4Runner V8 Limited
2015 Kia Sportage EX-L - Sold
1993 850 GLT -Sold
1998 V70 XC - Sold
1997 Volvo 850 SE NA - Went to niece in California - Sold
2000 V70 SE NA - Sold
2000 V70 R - still being an endless PITA
2006 XC70 - Our son now has this and still parked in our garage
2003 Toyota 4Runner V8 Limited
2015 Kia Sportage EX-L - Sold
1993 850 GLT -Sold
1998 V70 XC - Sold
1997 Volvo 850 SE NA - Went to niece in California - Sold
2000 V70 SE NA - Sold
Neil. Thanks. My vehicle is a metal tank vehicle that has the filter as part of the pump. If the fuel pump controller went bad, I feel like if get a code? Same with really anything aside from the pump or the relay?
Honestly though I'm not too sure. If others have input, is love to get it. I have no problem performing the repairs, but I agree... I don't want to just throw parts at it...
Honestly though I'm not too sure. If others have input, is love to get it. I have no problem performing the repairs, but I agree... I don't want to just throw parts at it...
- abscate
- MVS Moderator
- Posts: 35296
- Joined: 17 February 2013
- Year and Model: 99: V70s S70s,05 V70
- Location: Port Jefferson Long Island NY
- Has thanked: 1504 times
- Been thanked: 3817 times
Im not sure you will get a code from low fuel pressure on a 2003. Jump the relay and see if you get 50 psi pressure at the rail. Without that pressure, it won't run right.
Relay
wiring
Fuel pump
are likely culprits, ordered in probability.
Relay
wiring
Fuel pump
are likely culprits, ordered in probability.
Empty Nester
A Captain in a Sea of Estrogen
1999-V70-T5M56 2005-V70-M56 1999-S70 VW T4 XC90-in-Red
Link to Maintenance record thread
A Captain in a Sea of Estrogen
1999-V70-T5M56 2005-V70-M56 1999-S70 VW T4 XC90-in-Red
Link to Maintenance record thread
-
scot850
- Posts: 14883
- Joined: 5 April 2010
- Year and Model: 2000 V70 R
- Location: Calgary, Alberta, Canada
- Has thanked: 1847 times
- Been thanked: 1710 times
I agree with abscate on this.
Neil.
Neil.
2006 V70 2.5T AWD Polestar tune
2000 V70 R - still being an endless PITA
2006 XC70 - Our son now has this and still parked in our garage
2003 Toyota 4Runner V8 Limited
2015 Kia Sportage EX-L - Sold
1993 850 GLT -Sold
1998 V70 XC - Sold
1997 Volvo 850 SE NA - Went to niece in California - Sold
2000 V70 SE NA - Sold
2000 V70 R - still being an endless PITA
2006 XC70 - Our son now has this and still parked in our garage
2003 Toyota 4Runner V8 Limited
2015 Kia Sportage EX-L - Sold
1993 850 GLT -Sold
1998 V70 XC - Sold
1997 Volvo 850 SE NA - Went to niece in California - Sold
2000 V70 SE NA - Sold
-
DGM
- Posts: 459
- Joined: 23 December 2010
- Year and Model: V70 2.4i 2005
- Location: Quebec, Canada
- Been thanked: 3 times
I had the same problem last winter with a V70 NA. No code. What type of fuel system have you? If your car is equipped with the fuel pressure sensor at the end of fuel rail, then you have a fuel pump module (called PEM by Volvo) installed on the top right front corner of the fuel tank (steel tank). Components inside can go bad. Also corrosion on the connector contacts. Remove it and verify when you shake it close to your ear if it has loose particles inside.EivlEvo wrote:Neil. Thanks. My vehicle is a metal tank vehicle that has the filter as part of the pump. If the fuel pump controller went bad, I feel like if get a code? Same with really anything aside from the pump or the relay?
Honestly though I'm not too sure. If others have input, is love to get it. I have no problem performing the repairs, but I agree... I don't want to just throw parts at it...
A bad FPS is also possible but normally you get a code.
FPS
PEM
V70 2005 2.4i 195,000km, sold
S70 1998 T5 355,000km, sold
960 1994 80,000km, sold
760 1990 Turbo 265,000km, sold
S70 1998 T5 355,000km, sold
960 1994 80,000km, sold
760 1990 Turbo 265,000km, sold
DGM... I have that fuel system actually. I just read a TSB about Volvo having mechs move these PEMs inside the cabin. Where is it located exactly? Is it on top of the tank? Like... am I dropping the tank to see it, or do I access it the same way I access the pump?DGM wrote:I had the same problem last winter with a V70 NA. No code. What type of fuel system have you? If your car is equipped with the fuel pressure sensor at the end of fuel rail, then you have a fuel pump module (called PEM by Volvo) installed on the top right front corner of the fuel tank (steel tank). Components inside can go bad. Also corrosion on the connector contacts. Remove it and verify when you shake it close to your ear if it has loose particles inside.EivlEvo wrote:Neil. Thanks. My vehicle is a metal tank vehicle that has the filter as part of the pump. If the fuel pump controller went bad, I feel like if get a code? Same with really anything aside from the pump or the relay?
Honestly though I'm not too sure. If others have input, is love to get it. I have no problem performing the repairs, but I agree... I don't want to just throw parts at it...
A bad FPS is also possible but normally you get a code.
FPS
PEM
Additionally, I've checked the relay and it's healthy and well within spec. The question that I have is... the pump is pumping sometimes obviously... and in fact, the car will never stall from a running condition. Only offer up no starts.
On one hand, this makes me think it's the PEMs connections, and there's simply enough fuel in the lines to handle keeping the car going when the PEM arcs out.
On the other, why would the fuel pressure be so low?
-
DGM
- Posts: 459
- Joined: 23 December 2010
- Year and Model: V70 2.4i 2005
- Location: Quebec, Canada
- Been thanked: 3 times
" DGM... I have that fuel system actually. I just read a TSB about Volvo having mechs move these PEMs inside the cabin. Where is it located exactly? Is it on top of the tank? Like... am I dropping the tank to see it, or do I access it the same way I access the pump?"
For most models Volvo sells an harness to relocate the PEM in the spare tire compartment. However the last time I checked this harness would not fit our steel tank applications because of the way the wiring is arranged on top of the tank. You can access the PEM by under. It is installed in a bracket on the top right front corner of the steel tank. There is a little screw which must be undo. This will remove tension on a metal strip that secure the module on the tank. You pull the PEM back and up to remove it from the bracket. Then you have to push on a small tab (be careful easy to break) on the electrical connector to unplug it from the PEM.
"Additionally, I've checked the relay and it's healthy and well within spec. The question that I have is... the pump is pumping sometimes obviously... and in fact, the car will never stall from a running condition. Only offer up no starts.
On one hand, this makes me think it's the PEMs connections, and there's simply enough fuel in the lines to handle keeping the car going when the PEM arcs out.
On the other, why would the fuel pressure be so low?"
Normally 55psi is the reading at the fuel rail for this FPS/PEM system. The Fuel Pressure Sensor monitors pressure and informs the ECM. In turn it controls the PEM (4/83) through a pulse width modulated signal to maintain the right pressure.
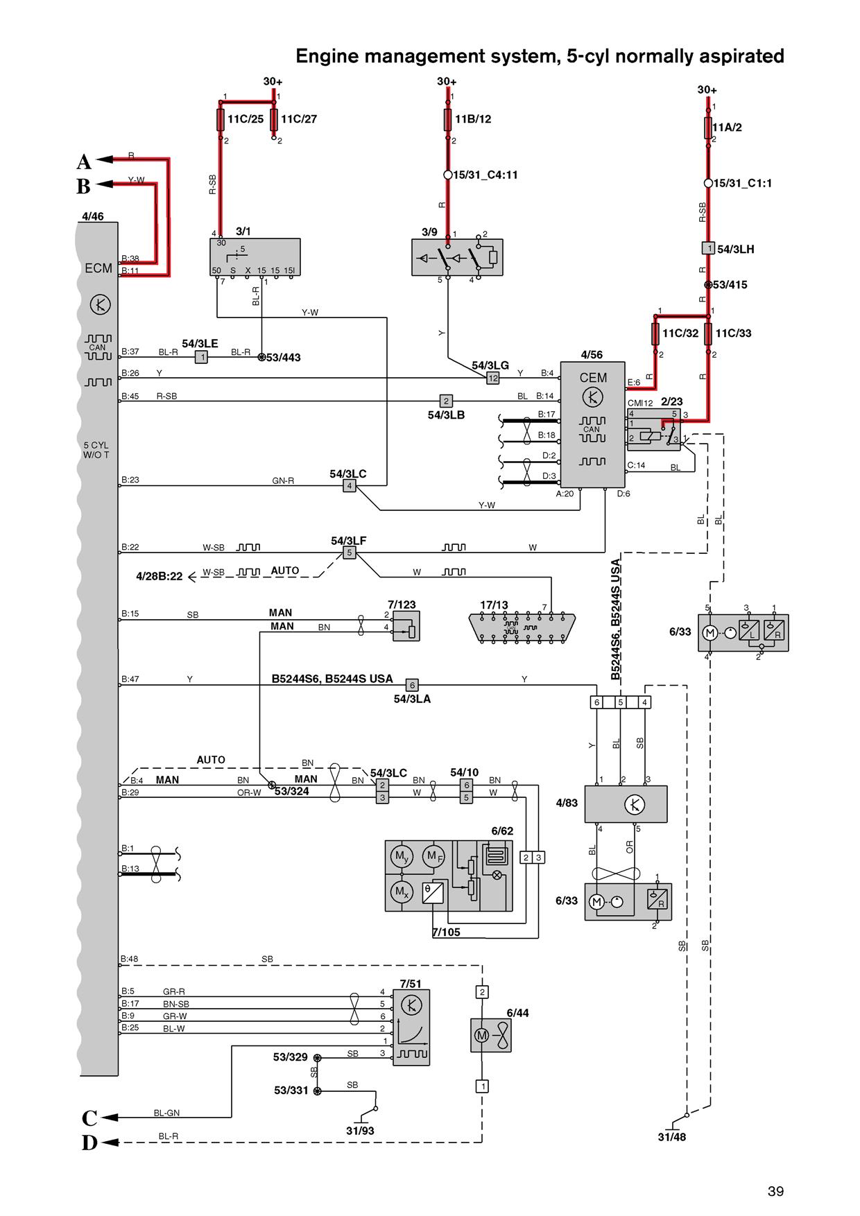
The pump (6/33) isn't running full blast. Its speed changes depending of fuel needs ( control by the PEM). See the S60 2004 diagram I found on the WEB for more information. Vida can indicate the duty cycle at which the fuel system operates.
For whatever reason electronic components inside the module (PEM) degrades and the control of the fuel pump becomes intermittent. That is why I mentioned to check for loose particles. Xemodex sells rebuilt sealed units that are well suited for applications like ours that are mounted on the tank.
Hope this help,

For most models Volvo sells an harness to relocate the PEM in the spare tire compartment. However the last time I checked this harness would not fit our steel tank applications because of the way the wiring is arranged on top of the tank. You can access the PEM by under. It is installed in a bracket on the top right front corner of the steel tank. There is a little screw which must be undo. This will remove tension on a metal strip that secure the module on the tank. You pull the PEM back and up to remove it from the bracket. Then you have to push on a small tab (be careful easy to break) on the electrical connector to unplug it from the PEM.
"Additionally, I've checked the relay and it's healthy and well within spec. The question that I have is... the pump is pumping sometimes obviously... and in fact, the car will never stall from a running condition. Only offer up no starts.
On one hand, this makes me think it's the PEMs connections, and there's simply enough fuel in the lines to handle keeping the car going when the PEM arcs out.
On the other, why would the fuel pressure be so low?"
Normally 55psi is the reading at the fuel rail for this FPS/PEM system. The Fuel Pressure Sensor monitors pressure and informs the ECM. In turn it controls the PEM (4/83) through a pulse width modulated signal to maintain the right pressure.
The pump (6/33) isn't running full blast. Its speed changes depending of fuel needs ( control by the PEM). See the S60 2004 diagram I found on the WEB for more information. Vida can indicate the duty cycle at which the fuel system operates.
For whatever reason electronic components inside the module (PEM) degrades and the control of the fuel pump becomes intermittent. That is why I mentioned to check for loose particles. Xemodex sells rebuilt sealed units that are well suited for applications like ours that are mounted on the tank.
Hope this help,
V70 2005 2.4i 195,000km, sold
S70 1998 T5 355,000km, sold
960 1994 80,000km, sold
760 1990 Turbo 265,000km, sold
S70 1998 T5 355,000km, sold
960 1994 80,000km, sold
760 1990 Turbo 265,000km, sold
-
- Similar Topics
- Replies
- Views
- Last post






