Having re-hab'd the headlight wiper motors, I need help from those of an electrical persuasion. Realising that to get the motors to work I had to remove the thermal protection overload resistors, I would like to put an in-line fuse on each wiper motor wire to prevent them blowing the main fuse should they freeze in the winter. The main fuse is a 25A, how do I put a in-line fuse in that will blow taking a motor off-line and not blowing the main fuse. Is it as simple as fitting an in-line fuse holder with some type of slow burn fuse, and if so, what value of fuse?
Thanks,
Neil.
P80 wiper motor protection - How?
-
scot850
- Posts: 14880
- Joined: 5 April 2010
- Year and Model: 2000 V70 R
- Location: Calgary, Alberta, Canada
- Has thanked: 1846 times
- Been thanked: 1710 times
P80 wiper motor protection - How?
2006 V70 2.5T AWD Polestar tune
2000 V70 R - still being an endless PITA
2006 XC70 - Our son now has this and still parked in our garage
2003 Toyota 4Runner V8 Limited
2015 Kia Sportage EX-L - Sold
1993 850 GLT -Sold
1998 V70 XC - Sold
1997 Volvo 850 SE NA - Went to niece in California - Sold
2000 V70 SE NA - Sold
2000 V70 R - still being an endless PITA
2006 XC70 - Our son now has this and still parked in our garage
2003 Toyota 4Runner V8 Limited
2015 Kia Sportage EX-L - Sold
1993 850 GLT -Sold
1998 V70 XC - Sold
1997 Volvo 850 SE NA - Went to niece in California - Sold
2000 V70 SE NA - Sold
- abscate
- MVS Moderator
- Posts: 35293
- Joined: 17 February 2013
- Year and Model: 99: V70s S70s,05 V70
- Location: Port Jefferson Long Island NY
- Has thanked: 1503 times
- Been thanked: 3817 times
I doubt they draw more tha 5 amps or so, you canmeasurecit on the bench.
Ypu could overrate the fuse by 25% or so but don't use a Slow blow, you want it to pop right away.
I'll confess my engineering solution would be to free the headlight blades like your windshield blades as a startup procedure like we do in winter.
Ypu could overrate the fuse by 25% or so but don't use a Slow blow, you want it to pop right away.
I'll confess my engineering solution would be to free the headlight blades like your windshield blades as a startup procedure like we do in winter.
Empty Nester
A Captain in a Sea of Estrogen
1999-V70-T5M56 2005-V70-M56 1999-S70 VW T4 XC90-in-Red
Link to Maintenance record thread
A Captain in a Sea of Estrogen
1999-V70-T5M56 2005-V70-M56 1999-S70 VW T4 XC90-in-Red
Link to Maintenance record thread
-
Teddy1975
- Posts: 257
- Joined: 6 January 2016
- Year and Model: 2007 V50
- Location: Denmark
- Has thanked: 1 time
- Been thanked: 7 times
Neil,
You can put an inline fuse on the black (ground/negative) wire of the three going to the wiper motor.
That way you will protect both the intermittent and constant power to the motor. Purple arrow is where to cut and solder in a waterproof fuse holder. You can strip away some of the outer insulation to make more room of course.
/Teddy
You can put an inline fuse on the black (ground/negative) wire of the three going to the wiper motor.
That way you will protect both the intermittent and constant power to the motor. Purple arrow is where to cut and solder in a waterproof fuse holder. You can strip away some of the outer insulation to make more room of course.
/Teddy
Current: V50 2.0D, 2007, 6 speed manual
Previous: 850 2.0L N/A, 4 door 1996 manual, 740 2.3L N/A, 5 door 1992 manual, and S70 2.5T 1999 manual
Previous: 850 2.0L N/A, 4 door 1996 manual, 740 2.3L N/A, 5 door 1992 manual, and S70 2.5T 1999 manual
- abscate
- MVS Moderator
- Posts: 35293
- Joined: 17 February 2013
- Year and Model: 99: V70s S70s,05 V70
- Location: Port Jefferson Long Island NY
- Has thanked: 1503 times
- Been thanked: 3817 times
Oh yeah, you don't have to measure the current, you can measure the resistance of the motor on the bench, and then use some yoga to calculate the current
Oooooooohhhhhhmmmmmmmmm
I ( Amps) = V (volts)/ R( ohms)
Use 12 volts for V, I'll guess you will measure 3.14159 Ohms for resistance
Oooooooohhhhhhmmmmmmmmm
I ( Amps) = V (volts)/ R( ohms)
Use 12 volts for V, I'll guess you will measure 3.14159 Ohms for resistance
Empty Nester
A Captain in a Sea of Estrogen
1999-V70-T5M56 2005-V70-M56 1999-S70 VW T4 XC90-in-Red
Link to Maintenance record thread
A Captain in a Sea of Estrogen
1999-V70-T5M56 2005-V70-M56 1999-S70 VW T4 XC90-in-Red
Link to Maintenance record thread
- abscate
- MVS Moderator
- Posts: 35293
- Joined: 17 February 2013
- Year and Model: 99: V70s S70s,05 V70
- Location: Port Jefferson Long Island NY
- Has thanked: 1503 times
- Been thanked: 3817 times
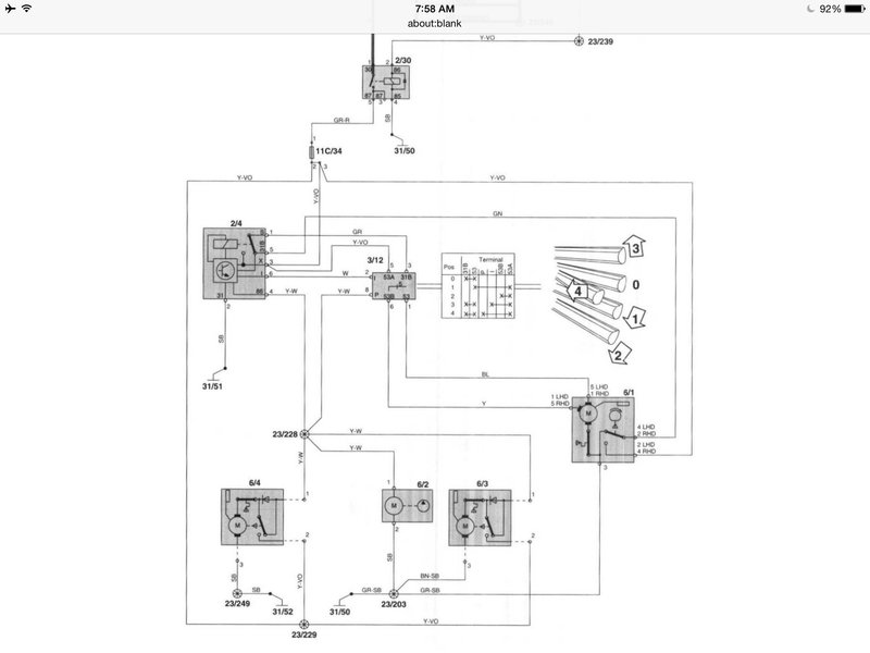
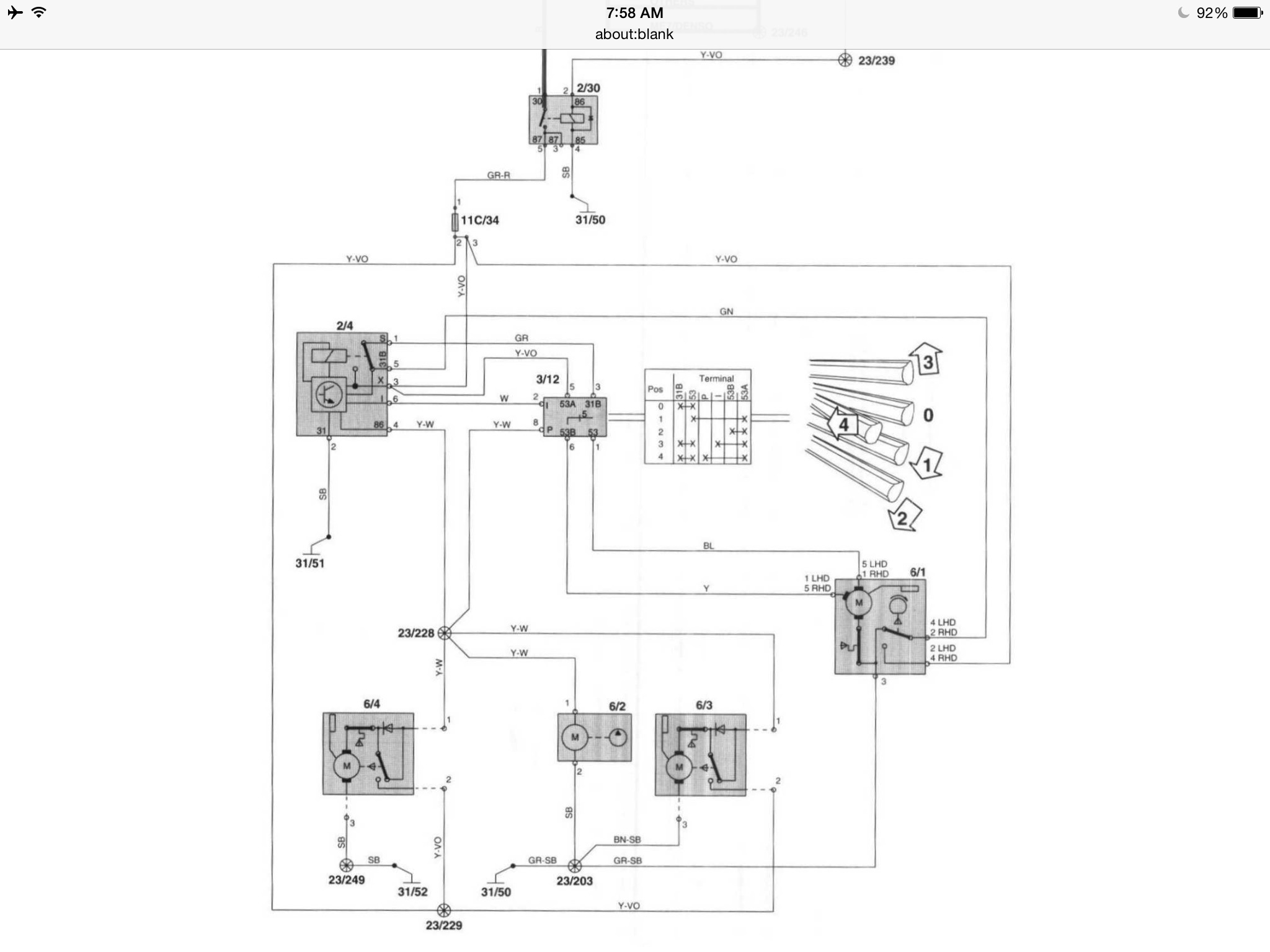
Uh oh, hold the phone on this mod, folks. Look at this wiring diagram...this is a bit more complicated than measuring resistance
Empty Nester
A Captain in a Sea of Estrogen
1999-V70-T5M56 2005-V70-M56 1999-S70 VW T4 XC90-in-Red
Link to Maintenance record thread
A Captain in a Sea of Estrogen
1999-V70-T5M56 2005-V70-M56 1999-S70 VW T4 XC90-in-Red
Link to Maintenance record thread
-
Teddy1975
- Posts: 257
- Joined: 6 January 2016
- Year and Model: 2007 V50
- Location: Denmark
- Has thanked: 1 time
- Been thanked: 7 times
If we forget the wiring diagram for a second, measuring resistance on an electric motor won't give you the max power consumption as it depends on torque and a lot of other things. You'd need to measure the amps in situ, with the wiper motor installed on the car and the motor operating the wiper arm with installed wiper blade.
It's easiest to measure on the black wire, the ground, as one of the two positive/live wires will be switched on/off according to wiper arm position.
It's easiest to measure on the black wire, the ground, as one of the two positive/live wires will be switched on/off according to wiper arm position.
Current: V50 2.0D, 2007, 6 speed manual
Previous: 850 2.0L N/A, 4 door 1996 manual, 740 2.3L N/A, 5 door 1992 manual, and S70 2.5T 1999 manual
Previous: 850 2.0L N/A, 4 door 1996 manual, 740 2.3L N/A, 5 door 1992 manual, and S70 2.5T 1999 manual
-
scot850
- Posts: 14880
- Joined: 5 April 2010
- Year and Model: 2000 V70 R
- Location: Calgary, Alberta, Canada
- Has thanked: 1846 times
- Been thanked: 1710 times
Thanks for the help guys. I will measure this as Teddy suggests and see what it gives. Will have to wait for a helper to be available!
Neil.
Neil.
2006 V70 2.5T AWD Polestar tune
2000 V70 R - still being an endless PITA
2006 XC70 - Our son now has this and still parked in our garage
2003 Toyota 4Runner V8 Limited
2015 Kia Sportage EX-L - Sold
1993 850 GLT -Sold
1998 V70 XC - Sold
1997 Volvo 850 SE NA - Went to niece in California - Sold
2000 V70 SE NA - Sold
2000 V70 R - still being an endless PITA
2006 XC70 - Our son now has this and still parked in our garage
2003 Toyota 4Runner V8 Limited
2015 Kia Sportage EX-L - Sold
1993 850 GLT -Sold
1998 V70 XC - Sold
1997 Volvo 850 SE NA - Went to niece in California - Sold
2000 V70 SE NA - Sold
-
scot850
- Posts: 14880
- Joined: 5 April 2010
- Year and Model: 2000 V70 R
- Location: Calgary, Alberta, Canada
- Has thanked: 1846 times
- Been thanked: 1710 times
Come to think of it, I tested the motor with a 2A, 12V line on a battery charger. Now I did not have the arm and blade on (and when tested on the car the same is true as no headlights currently in place). So I am thinking I could try a 5A fuse in line (main fuse is 25A) and see what happens, and up it 10A if there are issues.
Teddy, your point on making sure the arms are not frozen is a good one, but I am not the only one that drives the car and the other family members are not so careful when clearing stuff of the front of the car. We also get Chinook winds that melt the snow quickly and the car design allows melted water to pool under the arms and then if we get a quick freeze you get a thick chunk of ice across the full headlight too. So having circuit protection is preferable for that 'one time' event.
Thanks guys.
Neil.
Teddy, your point on making sure the arms are not frozen is a good one, but I am not the only one that drives the car and the other family members are not so careful when clearing stuff of the front of the car. We also get Chinook winds that melt the snow quickly and the car design allows melted water to pool under the arms and then if we get a quick freeze you get a thick chunk of ice across the full headlight too. So having circuit protection is preferable for that 'one time' event.
Thanks guys.
Neil.
2006 V70 2.5T AWD Polestar tune
2000 V70 R - still being an endless PITA
2006 XC70 - Our son now has this and still parked in our garage
2003 Toyota 4Runner V8 Limited
2015 Kia Sportage EX-L - Sold
1993 850 GLT -Sold
1998 V70 XC - Sold
1997 Volvo 850 SE NA - Went to niece in California - Sold
2000 V70 SE NA - Sold
2000 V70 R - still being an endless PITA
2006 XC70 - Our son now has this and still parked in our garage
2003 Toyota 4Runner V8 Limited
2015 Kia Sportage EX-L - Sold
1993 850 GLT -Sold
1998 V70 XC - Sold
1997 Volvo 850 SE NA - Went to niece in California - Sold
2000 V70 SE NA - Sold
-
Teddy1975
- Posts: 257
- Joined: 6 January 2016
- Year and Model: 2007 V50
- Location: Denmark
- Has thanked: 1 time
- Been thanked: 7 times
5A should be enough, the wiring inside the motor would probably burn out before a 10A fuse.
I tested my seized up wiper motor with a 3A power supply and while I did get it to "sort of" work on the bench, it would only move about half an inch back on the car. Unfortunately it is the passenger side, but with a lot of fiddling I got it out and back on without dismantling half the car. I'll go back in when I get the replacement. At least I learnt how it is un/installed and how it is built
Btw, it was abscate who suggested lifting the wiper blades before driving.
I tested my seized up wiper motor with a 3A power supply and while I did get it to "sort of" work on the bench, it would only move about half an inch back on the car. Unfortunately it is the passenger side, but with a lot of fiddling I got it out and back on without dismantling half the car. I'll go back in when I get the replacement. At least I learnt how it is un/installed and how it is built
Btw, it was abscate who suggested lifting the wiper blades before driving.
Current: V50 2.0D, 2007, 6 speed manual
Previous: 850 2.0L N/A, 4 door 1996 manual, 740 2.3L N/A, 5 door 1992 manual, and S70 2.5T 1999 manual
Previous: 850 2.0L N/A, 4 door 1996 manual, 740 2.3L N/A, 5 door 1992 manual, and S70 2.5T 1999 manual
-
- Similar Topics
- Replies
- Views
- Last post






