Login Register

Ecc woes- No defrost?

Help, Advice and DIY Tutorials on Volvo's P80 platform cars -- Volvo's 1990s "bread and butter" cars -- powered by the ubiquitous and durable Volvo inline 5-cylinder engine.

1992 - 1997 850, including 850 R, 850 T-5R, 850 T-5, 850 GLT
1997 - 2000 S70, S70 AWD
1997 - 2000 V70, V70 AWD
1997 - 2000 V70-XC
1997 - 2004 C70

Post Reply
User avatar
Kara503
Posts: 141
Joined: 4 July 2017
Year and Model: 1996 850 Plat R-Swap
Location: Oregon
Has thanked: 17 times
Been thanked: 5 times

Ecc woes- No defrost?

Post by Kara503 »

ECC is throwing a fit on my Platinum Edition.

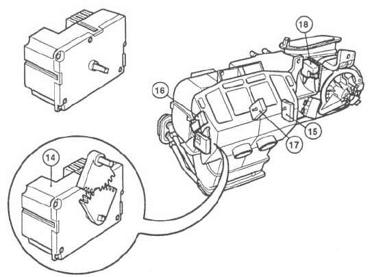
I don't have time to troubleshoot the system and make it work properly, I just want to manually set it to 'permanent defrost' then deal with it later so I can drive in the humid rainy weather we are having now. I removed the glovebox to find the 'floor/ defrost' damper (#15 in the image below) stuck after removing the motor. I unstuck it but no matter where I set the flap by hand I get anywhere from no air to very little air coming from the defrost vents. I can hear the flap moving around in there making a thud so I know the shaft isnt separated from the flaps. What am I missing? Is there another damper that needs to be moved in conjunction with 15 to give me defrost?
ECC-kleppensteller.jpg
ECC-kleppensteller.jpg (24.74 KiB) Viewed 525 times
Vents are stuck on head level air only. None of the damper motors respond to any commands; the only control I have is hot or cold and fan speed. Already tried several ECC modules- the lights flash and I have the same issue on all of them so I'm fairly certain it is the system itself and not the control module. I have tried multiple times to pull the ECC codes with my home made tool but for some reason I cannot get it to work. I've tried multiple LEDs with different resistors and buttons and such but nothing will even make the LED light and I have no fuses blown so I'm not sure what to do there. It also looks like someone has been inside the dash before.
96 855 Platinum- Elsa
98 V70R- Goose
06 S40 NA- Hilda
02 VW Jetta TDI wagon- Dizzy

User avatar
abscate  
MVS Moderator
Posts: 35311
Joined: 17 February 2013
Year and Model: 99: V70s S70s,05 V70
Location: Port Jefferson Long Island NY
Has thanked: 1506 times
Been thanked: 3822 times

Post by abscate »

I think you have the wrong motor Kara, I’ll try to find the diagram to confirm

There are two hot/cool blend doors to set the temp for driver and navigator and I think those are symmetric on the unit.

Stand by for checking...

NOPe, you have it right.. that’s crappy. All I can think of is that’s the flaps have fallen off the shaft which means a tear down. I guess last ditch effort could be a junkyard part for cheap
Empty Nester
A Captain in a Sea of Estrogen
1999-V70-T5M56 2005-V70-M56 1999-S70 VW T4 XC90-in-Red
Link to Maintenance record thread

Post Reply
  • Similar Topics
    Replies
    Views
    Last post