Hi Folks.
I am trying to understand where my alternator has failed.
I have done simple tests like:
a) measure voltage with car off. 12.6 V (not great I know)
b) measure voltage with car at idle/2000 rpm. 11.9 V
It's looking like my alternator is not charging at all.
I have replaced the following wires.
battery to starter (2 Awg)
starter to Alt (4 Awg)
battery to fuse box (4 awg)
I checked voltage from alternator all the way to fuse box and there doesn't seem to be any voltage drop so I'm happy with my new/clean/thicker cables.
Now on to the alternator.
I took it out and brought it to 3 different stores. No one could test it and on the 3rd store I found out their system said it had to be tested in the car.
In the care, have tested some things but I don't know out to figure out what is wrong.
for example,
I have tested my diodes and it they are fine.
I have also tested my slip rings and they seem fine.
I took out my voltage regulator and noticed the brushes are of different lengths and are on shorter side . The brushes seem to slide fine.
the lengths seem to be 9mm and 6mm.
What I don't under stand is how to determine what has actually failed (if anything).
How does one determine if the alternator is creating a charge but the voltage regulator has failed? A voltage regulator is only $40 but I don't want to replace that if something else is wrong.
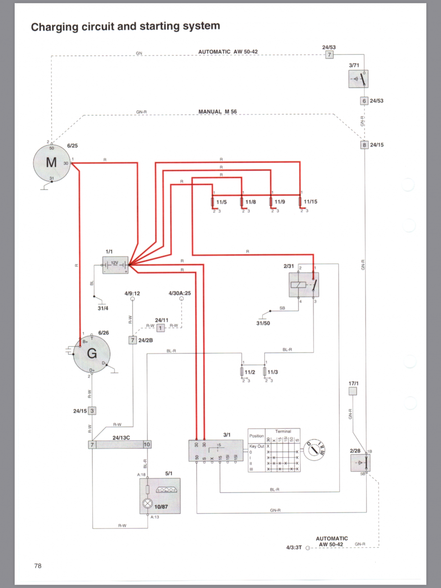
How does one determine if the exciter wire is doing its job? I tried (and failed) reading wiring diagrams tonight. Do anyone know what the exciter wire should read with key off, ON, with car running?
A new alternator is $200+ and I don't want to replace that only to find out my problem is else where (bad exciter wire).
etc.
I'm looking for more steps to perform so I'm not just throwing parts at my car.
Thanks
-A
Question on testing alternator
- abscate
- MVS Moderator
- Posts: 35275
- Joined: 17 February 2013
- Year and Model: 99: V70s S70s,05 V70
- Location: Port Jefferson Long Island NY
- Has thanked: 1500 times
- Been thanked: 3810 times
Crap..I should have thrown my spare in the car. Driving by you tomorrow.
Might be back next week?
Might be back next week?
Empty Nester
A Captain in a Sea of Estrogen
1999-V70-T5M56 2005-V70-M56 1999-S70 VW T4 XC90-in-Red
Link to Maintenance record thread
A Captain in a Sea of Estrogen
1999-V70-T5M56 2005-V70-M56 1999-S70 VW T4 XC90-in-Red
Link to Maintenance record thread
- amblerman
- Posts: 509
- Joined: 18 January 2017
- Year and Model: 1999 s70
- Location: Pennsylvania
- Has thanked: 2 times
- Been thanked: 70 times
I went to Advanced Auto, AutoZone and PepBoys and they all failed to test my alternator.
And by "failed" I mean their machines could not test it. They would try but then throw an error and indicate that the test itself failed. Not that my alternator failed.
It was PepBoys that told me (before they tested it) that once they put the information about my car in their tester, it reported back that it had to be tested in the vehicle.
I was quite surprised that none of the big three parts stores in my area could test it. Local napa's don't have that kind of equipment.
Unfortunately their machines didn't explain why they couldn't test it.
-A
- abscate
- MVS Moderator
- Posts: 35275
- Joined: 17 February 2013
- Year and Model: 99: V70s S70s,05 V70
- Location: Port Jefferson Long Island NY
- Has thanked: 1500 times
- Been thanked: 3810 times
The alternator has three connections
Positive
Exciter wire
Ground
There is no reason for it to be in the car for a test
I don’t understand why they can’t test it
Positive
Exciter wire
Ground
There is no reason for it to be in the car for a test
I don’t understand why they can’t test it
Empty Nester
A Captain in a Sea of Estrogen
1999-V70-T5M56 2005-V70-M56 1999-S70 VW T4 XC90-in-Red
Link to Maintenance record thread
A Captain in a Sea of Estrogen
1999-V70-T5M56 2005-V70-M56 1999-S70 VW T4 XC90-in-Red
Link to Maintenance record thread
- amblerman
- Posts: 509
- Joined: 18 January 2017
- Year and Model: 1999 s70
- Location: Pennsylvania
- Has thanked: 2 times
- Been thanked: 70 times
I completely agree.
This is how it went down.
Advanced Auto: Guy said "Sure no problem" . His system calls for a particular adapter. I tell him it probably won't work as his adapter has 4 connections: Positive, ground, and two other wires.. can't even find adapter that would work in drawers.
Auto Zone: Store open 1 week. No one knew how to use machine.. .figure it out.. looks like it's hooked up properly. Verify it will spin CCW.
brand new machine says test can't be started. No indication why.
PepBoys... (Guy seemed most knowledgeable. ).. Took my info, plugged it in, and reported "Our system says this can't be tested outside vehicle. My machine won't even try to test it."
No idea why but I have read that some alternators actually get adjusted by the engine computer. I have a hard time believing my 99 is that type of alternator though.
-A
- amblerman
- Posts: 509
- Joined: 18 January 2017
- Year and Model: 1999 s70
- Location: Pennsylvania
- Has thanked: 2 times
- Been thanked: 70 times
BTW. I was thinking about bringing it to some other stores/independent shops to try testing again.
And then I got myself in trouble. In taking off/on my voltage regulator, I managed to strip the soft phillips heads and I had to drill off one of the heads to get the voltage regulator off. So now I have to drill out the screw and re-tap to get thins back together.
Why do I have to be so curious all the time.
And then I got myself in trouble. In taking off/on my voltage regulator, I managed to strip the soft phillips heads and I had to drill off one of the heads to get the voltage regulator off. So now I have to drill out the screw and re-tap to get thins back together.
Why do I have to be so curious all the time.
- BEJinFbk
- Posts: 4067
- Joined: 5 January 2008
- Year and Model: '98 V70 R
- Location: Fairbanks, Alaska
- Has thanked: 93 times
- Been thanked: 146 times
Because it says VOLVO...
But seriously, IIRC, this alternator is a lot like
a GM “one-wire” in that it has an onboard VR.
The small wire is just for the idiot light on the dash.
You should be able to spin it and see output.
That said, most employees at today’s parts stores haven’t
got a clue about how a charging system really works, let
alone a working knowledge of the variations from rig to rig.
Back in the day, we had several specialist shops that
did nothing but diagnose, repair and rewind motors,
generators and alternators, but those numbers are dwindling...
Everyone just buys the crappy rebuilds these days. Sad.
But it’s probably worth checking around in your area and
seeing if there are any left. Heck, it’s already out of the car.
Good Luck!
'98 V70 R - Well Equipped for Life Up North... 
- amblerman
- Posts: 509
- Joined: 18 January 2017
- Year and Model: 1999 s70
- Location: Pennsylvania
- Has thanked: 2 times
- Been thanked: 70 times
I think the small wire also plays the role the exciter wire which supplies a 12V source to excite/help start the magnetic field in the alternator.
I might be wrong about that on this alternator. I seem to find a lot about alternators except for the one in my car.
It does show 12V (ok 11.78) on the thin wire with the key in ON position but not started.
-A
-
- Similar Topics
- Replies
- Views
- Last post






