Login Register

CEM L-signal Low- & Power system service urgent

Help, Advice, Owners' Discussion and DIY Tutorials on Volvo's stylish, distinctive P2 platform cars sold as model years 2001-2007 (North American market year designations).

2001 - 2007 V70
2001 - 2004 V70 XC (Cross Country)
2004 - 2007 XC70 (Cross Country)
2001 - 2009 S60
2003 - 2007 S60 R
2004 - 2007 V70 R

Post Reply
claymore850
Posts: 145
Joined: 28 March 2010
Year and Model: 850 T5, 244, V70 2.4
Location: Guatemala

CEM L-signal Low- & Power system service urgent

Post by claymore850 »

Hello, I need your help!!

Im having CEM-1C02 L-signal too low code on my v70 2.4T 2001. Already check all codes via VIDA-DICE, after make a complete review of codes (must of them generated by low cranking speed). car starts again without any issue.

on DIM have message before start up : Power system service urgent, no red battery sign. Sometimes check engine blinks at least 20 times when key is on POS II.( hear noise from fuel pump clicking)

L signal voltage before start up is 0.2 volts , after start is 0.8 volts stable.. battery has less than one year old. alternator checked (new bearings and Bosch OEM regulator from FCP euro). Cable #A5 checked between CEM and alternator. OK.

After clearing ECM & CEM codes, car works great until next morning, with strong start any time of day... but next morning same message and cranking issues.

No water or corrosion on CEM. Already check and clean Ground points on engine bay.

Battery voltage before start 12.5 volts, after start up 14.20- 14.45 volts without demand, after turn on lights, radio, AC. 14.10- 14.29 volts. Already make a test with a Trickle charger all night, to discard battery low voltage cause.

Any ideas??

Kind regards

Rc

User avatar
RickHaleParker
Posts: 7129
Joined: 25 May 2015
Year and Model: See Signature below.
Location: Kansas
Has thanked: 8 times
Been thanked: 958 times

Post by RickHaleParker »

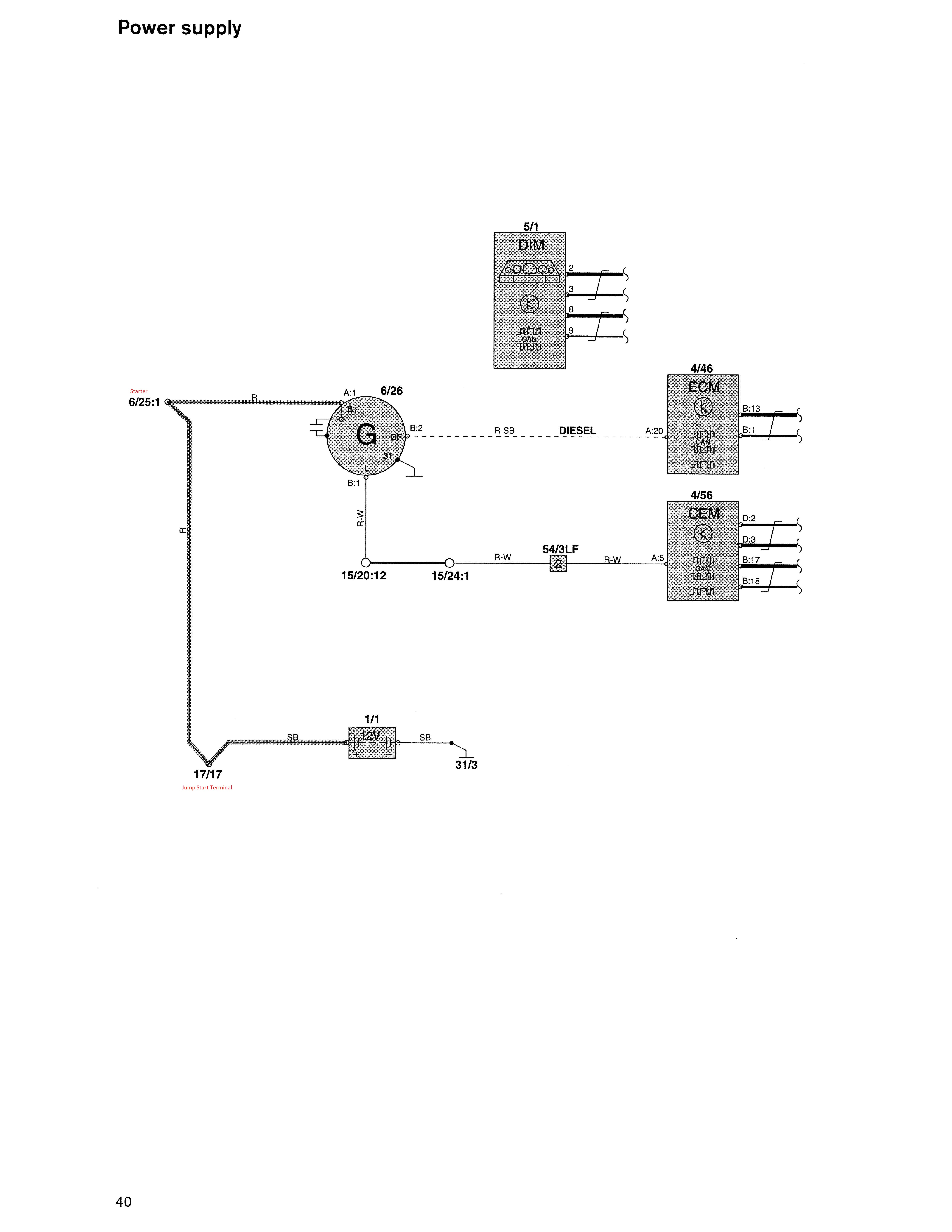
I think one or both of your battery cables have a defective. Could be as simple as dirty connections at the battery terminals, Jump Start terminal or Starter power terminal . It could be that one or more of the battery cables needs to be replaced.

Possible source
The Alternator is not charging because of a missing energy source, a broken belt or faulty diode.

The battery is the energy source.
1. Check the B+ line between the Alternator and the Battery (+).
2. Check for defective grounds.

(1) A defect in the B+ line could be under the insulation. Often this is corrosion near the ends of the wire, where water seeped under the insulation. You can test the theory by installing a second B+ line in parallel with the installed B+ line. Jump wire from Alternator B+ to battery (+).

With a rear mounted battery that some what impractical, you could try to the Starter Power terminal or the Jump Start Terminal. If it does not make a difference at the Starter Power terminal or the Jump Start Terminal, the test is inconclusive.

(2) The battery cable between the Battery (+) and the starter is part of the B+ line.

The B+ line runs from the Battery Terminal (+), to the jump start terminal (17/17), to the Starter (6/25:1), to the Alternator (B+). A defect along that run could explain the low L-signal and the slow cranking.

6/25:1 is the Starter.
17/17 is the Jump Start terminal.

V70 Power Supply.jpg
⸙⸙⸙⸙⸙⸙⸙⸙⸙⸙⸙⸙⸙⸙⸙⸙⸙⸙⸙⸙⸙⸙⸙⸙⸙⸙⸙⸙⸙⸙⸙⸙⸙⸙⸙⸙⸙⸙⸙⸙⸙⸙⸙⸙⸙⸙⸙⸙⸙⸙⸙⸙⸙⸙⸙⸙⸙⸙⸙⸙⸙⸙⸙⸙⸙⸙⸙⸙⸙⸙⸙⸙⸙
1998 C70, B5234T3, 16T, AW50-42, Bosch Motronic 4.4, Special Edition package.
2003 S40, B4204T3, 14T twin scroll AW55-50/51SN, Siemens EMS 2000.
2004 S60R, B8444S TF80 AWD. Yamaha V8 conversion
2005 XC90 T6 Executive, B6294T, 4T65 AWD, Bosch Motronic 7.0.

Post Reply
  • Similar Topics
    Replies
    Views
    Last post