2006 xc90 v8 awd multiple can bus communication faults
2006 xc90 v8 awd multiple can bus communication faults
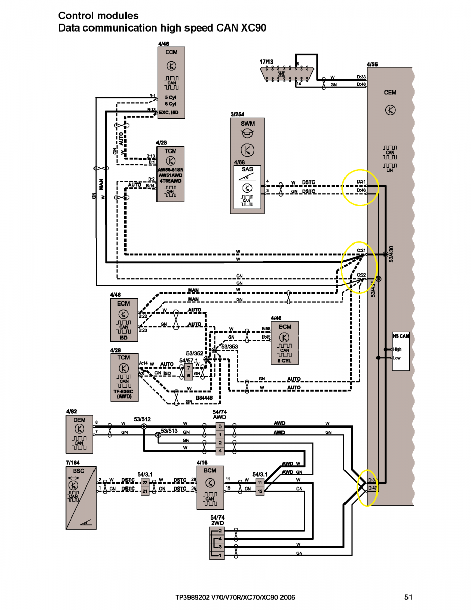
I have owned this vehicle for a couple of years. I bought it for cheap with problems I was sure I could fix. The original problems were traction control, no awd. Now this thing starts up and runs for a few, then loses guages, trans not shifting. After a few times of doing this and starting and stopping it will drive without incident all day. So far, I recently purchased a chinese dice unit and 2014d. I also bought the EWD wiring diagrams. Vida came up with these codes, cem 1a61, 1a62 1a64, 1a5e, 1a5f, df17, and uem ooo4. From what I see, the major one causing my problem is the df17 code. Apparently the can high speed and low speed are shorted together somewhere. I have never seen such a screwed up wiring diagram in my entire life! I am a licensed aircraft mechanic and am certified on most aircraft flying. I would greatly appreciate any and all help finding this short. I am leaning towards the DEM being shorted internally. Could this shut down the can communication?
- RickHaleParker
- Posts: 7129
- Joined: 25 May 2015
- Year and Model: See Signature below.
- Location: Kansas
- Has thanked: 8 times
- Been thanked: 958 times
Yes a short in one of the Modules can pull down the CAN Bus. If you suspect an internal short in a module, disconnect it, clear codes and see what comes back.
You could narrow down where a short is by disconnecting the CEM then probe the different local circuits.
You could narrow down where a short is by disconnecting the CEM then probe the different local circuits.
⸙⸙⸙⸙⸙⸙⸙⸙⸙⸙⸙⸙⸙⸙⸙⸙⸙⸙⸙⸙⸙⸙⸙⸙⸙⸙⸙⸙⸙⸙⸙⸙⸙⸙⸙⸙⸙⸙⸙⸙⸙⸙⸙⸙⸙⸙⸙⸙⸙⸙⸙⸙⸙⸙⸙⸙⸙⸙⸙⸙⸙⸙⸙⸙⸙⸙⸙⸙⸙⸙⸙⸙⸙
1998 C70, B5234T3, 16T, AW50-42, Bosch Motronic 4.4, Special Edition package.
2003 S40, B4204T3, 14T twin scroll AW55-50/51SN, Siemens EMS 2000.
2004 S60R, B8444S TF80 AWD. Yamaha V8 conversion
2005 XC90 T6 Executive, B6294T, 4T65 AWD, Bosch Motronic 7.0.
1998 C70, B5234T3, 16T, AW50-42, Bosch Motronic 4.4, Special Edition package.
2003 S40, B4204T3, 14T twin scroll AW55-50/51SN, Siemens EMS 2000.
2004 S60R, B8444S TF80 AWD. Yamaha V8 conversion
2005 XC90 T6 Executive, B6294T, 4T65 AWD, Bosch Motronic 7.0.
-
- Similar Topics
- Replies
- Views
- Last post
-
- 3 Replies
- 2162 Views
-
Last post by RickHaleParker
-
- 4 Replies
- 823 Views
-
Last post by scot850






