Login Register

1996 850 Battery Drain Overnight - Yellow Wire Problem

Help, Advice and DIY Tutorials on Volvo's P80 platform cars -- Volvo's 1990s "bread and butter" cars -- powered by the ubiquitous and durable Volvo inline 5-cylinder engine.

1992 - 1997 850, including 850 R, 850 T-5R, 850 T-5, 850 GLT
1997 - 2000 S70, S70 AWD
1997 - 2000 V70, V70 AWD
1997 - 2000 V70-XC
1997 - 2004 C70

Post Reply
PeteB
Posts: 880
Joined: 27 May 2014
Year and Model: 1996 Volvo 850 Wagon
Location: Connecticut, USA
Has thanked: 57 times
Been thanked: 11 times

1996 850 Battery Drain Overnight - Yellow Wire Problem

Post by PeteB »

Our 850 has had a problem with the battery dying overnight for a long time.
I debugged this by removing the bolt and wire lugs from the post at the battery.

Then measured zero amps to the big starter wire and the single smaller red wire.

The larger lug with a bundle of red wires and a single yellow wire had the high draw.

Measured the bundle with an amp clamp and the high draw was the yellow wire.

I can follow the yellow wire about one foot then it goes into a big harness no idea
where it goes.

I found what I think are 1995 wiring diagrams but could not find any yellow wire going to the battery.
Anyone know what the mystery yellow wire is?
Anyone have an accurate wiring diagram for the 1996 850?

Here is another person having the same problem who found he could snip the yellow
wire and the car works fine but obviously it has to be something, I'd worry if it was the air
bags for example, this is their picture but ours looks the same:
He snipped all the wires and crimped on several new lugs leaving the yellow wire out.
Picture is from: https://volvoforums.com/forum/volvo-850 ... nal-84878/
VOLVO-850-YELLOW-WIRE.jpg
VOLVO-850-YELLOW-WIRE.jpg (137.04 KiB) Viewed 1580 times
Last edited by PeteB on 02 Nov 2019, 23:54, edited 4 times in total.

User avatar
abscate
MVS Moderator
Posts: 35267
Joined: 17 February 2013
Year and Model: 99: V70s S70s,05 V70
Location: Port Jefferson Long Island NY
Has thanked: 1497 times
Been thanked: 3809 times

Post by abscate »

Pete..you’ve picked up one weakness with current track type wiring diagrams like Volvo provides. Only the wiring appropriate for the subsection are shown

I don’t see the yellow wire in the power distribution section, but it could be somewhere else, and unfortunately there is no way to see where to look.

If there is a #/## convention on the battery, maybe search that?
Empty Nester
A Captain in a Sea of Estrogen
1999-V70-T5M56 2005-V70-M56 1999-S70 VW T4 XC90-in-Red
Link to Maintenance record thread

User avatar
BEJinFbk
Posts: 4067
Joined: 5 January 2008
Year and Model: '98 V70 R
Location: Fairbanks, Alaska
Has thanked: 93 times
Been thanked: 146 times

Post by BEJinFbk »

I have a sneaking suspicion that the yellow wire may not be stock.
Does this car have an aftermarket stereo, or any sign that it used to?
'98 V70 R - Well Equipped for Life Up North... ;)

PeteB
Posts: 880
Joined: 27 May 2014
Year and Model: 1996 Volvo 850 Wagon
Location: Connecticut, USA
Has thanked: 57 times
Been thanked: 11 times

Post by PeteB »

That picture is off the internet and they are having the same problem that we are.
There is one very large factory terminal lug that the yellow wire goes into, it is
original, it even goes into a factory wiring harness.

I might just stop into the local Volvo dealer and ask in the parts or service dept.

And to answer your question, no this car does not have an aftermarket stereo, alarm
or anything else as far as I know.

User avatar
jreed
Posts: 1619
Joined: 8 March 2009
Year and Model: '97 Volvo 855 GLT
Location: RTP, North Carolina
Has thanked: 352 times
Been thanked: 192 times

Post by jreed »

For what it's worth, my '97 855 GLT also has the same yellow wire going to the positive battery terminal.
1997 855 GLT (Light Pressure Turbo) still going strong. Previous: 1986 240 GL rusted out in '06, 1985 Saab 900T rusted out in '95, 1975 Saab 99 rusted out in '95, 1973 Saab 99 rusted out in '94

User avatar
RickHaleParker
Posts: 7129
Joined: 25 May 2015
Year and Model: See Signature below.
Location: Kansas
Has thanked: 8 times
Been thanked: 958 times

Post by RickHaleParker »

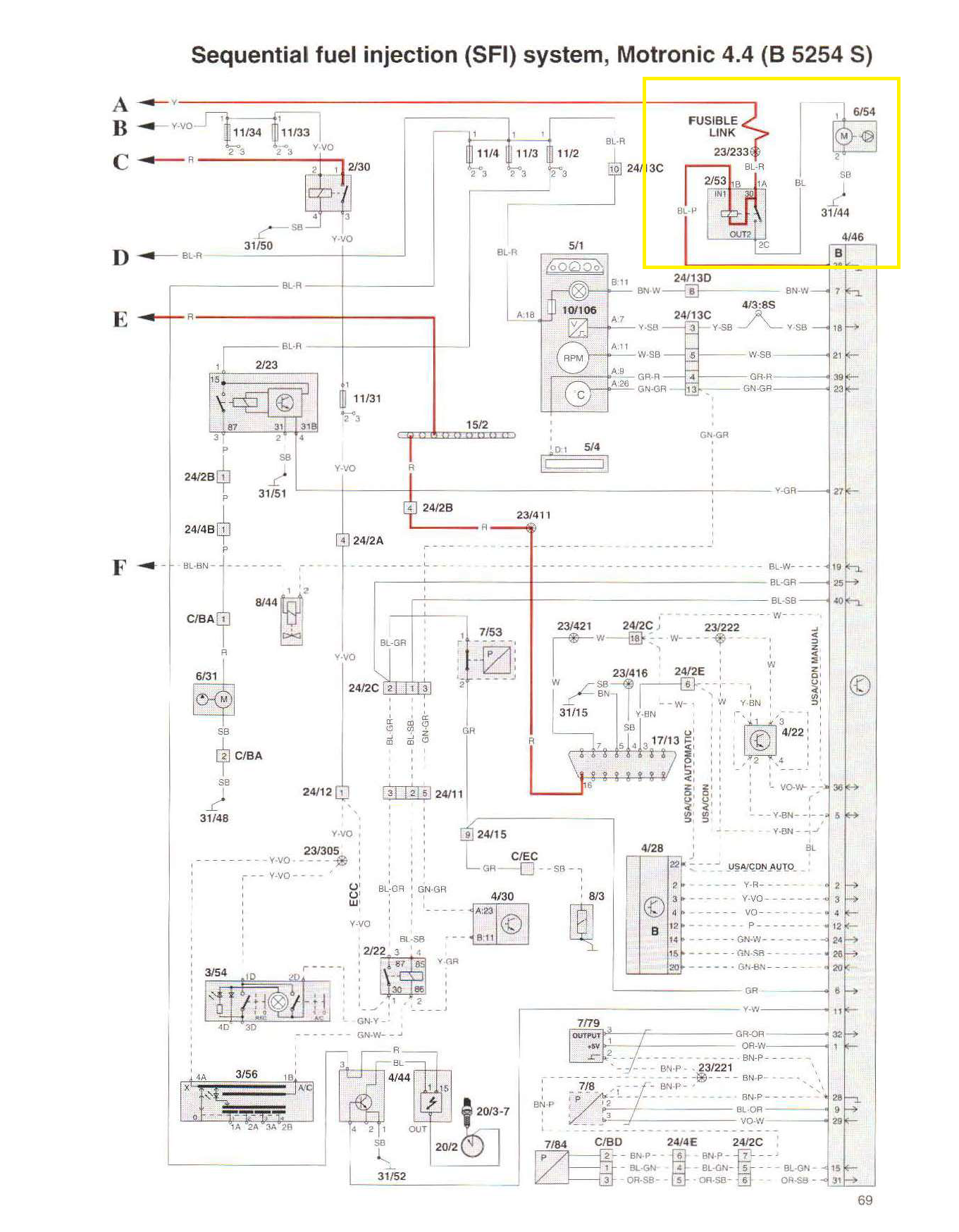
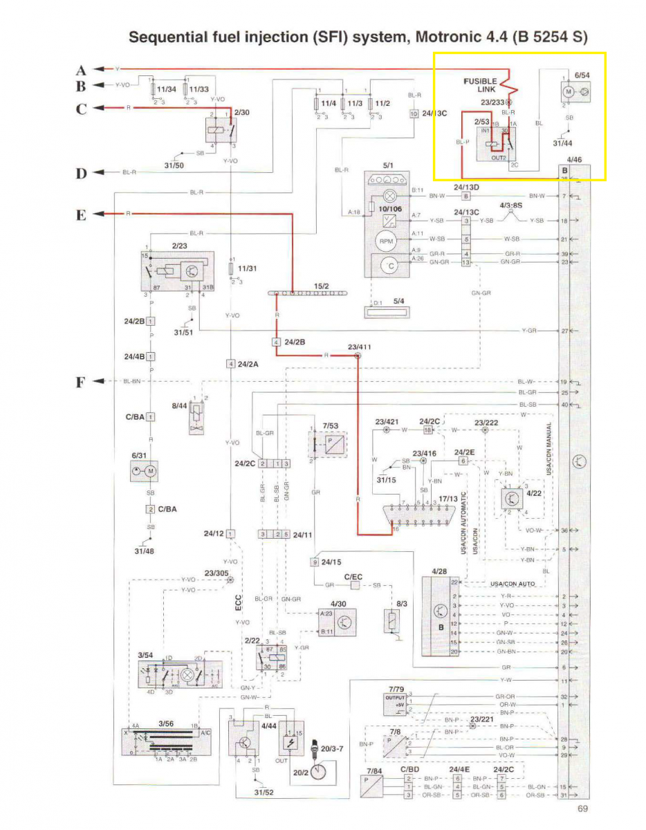
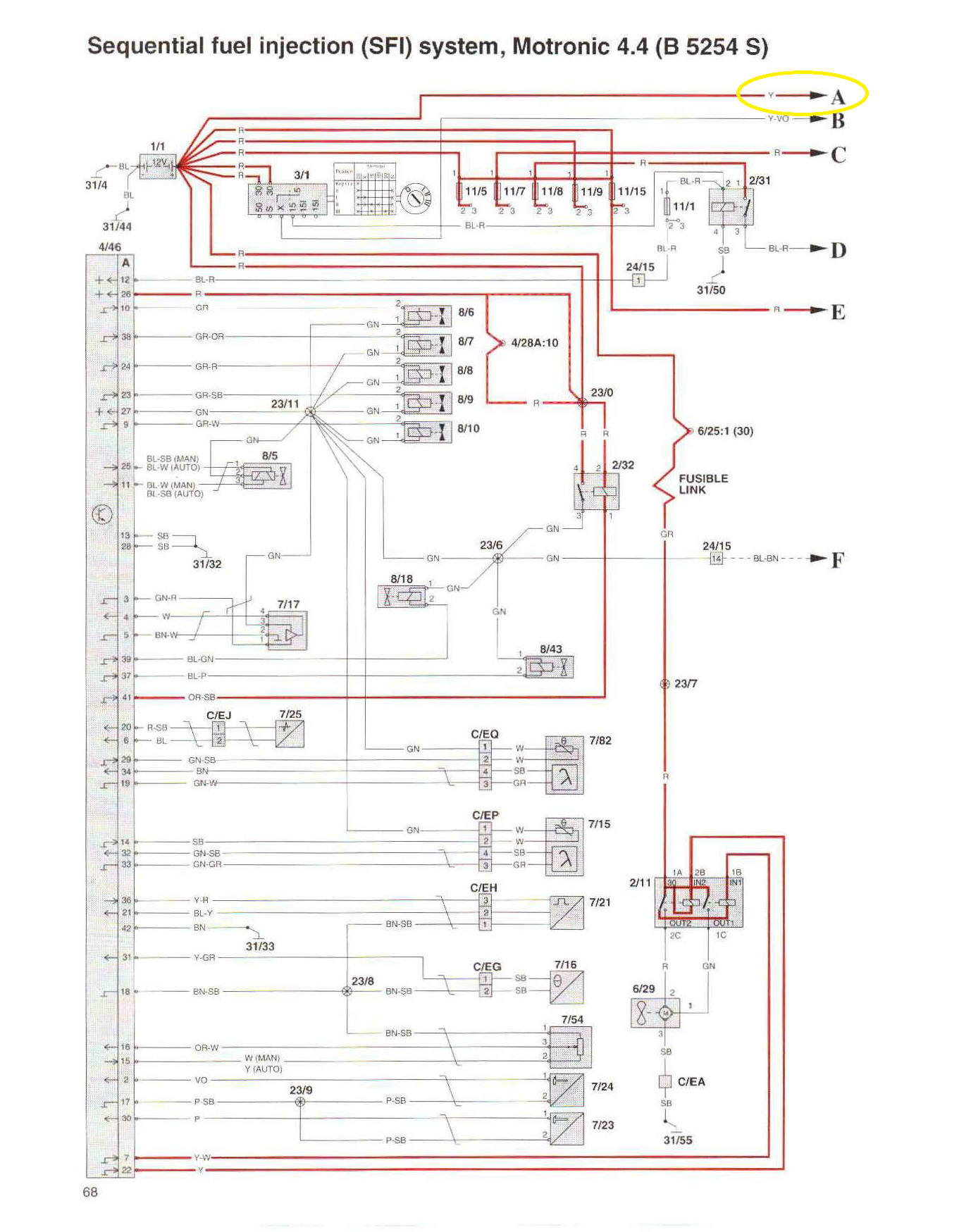
The yellow wire goes to the Secondary Air System. It supplies the power for the Secondary Air Relay and the Secondary Air pump.

In the wiring diagrams you will find the yellow wire in the Engine Management and Sequential Fuel injection sections for Fenix 5.2. & Motronic 4.4.

On the Motronic 4.3 the yellow wire goes to the Ignition switch.

The electrical wiring diagram for the 1996 850 is Volvo TP3911202.

2/53 Secondary Air Relay
6/54 Secondary Air Pump.
1996_850_M44.png
1996_850_SFI.png
⸙⸙⸙⸙⸙⸙⸙⸙⸙⸙⸙⸙⸙⸙⸙⸙⸙⸙⸙⸙⸙⸙⸙⸙⸙⸙⸙⸙⸙⸙⸙⸙⸙⸙⸙⸙⸙⸙⸙⸙⸙⸙⸙⸙⸙⸙⸙⸙⸙⸙⸙⸙⸙⸙⸙⸙⸙⸙⸙⸙⸙⸙⸙⸙⸙⸙⸙⸙⸙⸙⸙⸙⸙
1998 C70, B5234T3, 16T, AW50-42, Bosch Motronic 4.4, Special Edition package.
2003 S40, B4204T3, 14T twin scroll AW55-50/51SN, Siemens EMS 2000.
2004 S60R, B8444S TF80 AWD. Yamaha V8 conversion
2005 XC90 T6 Executive, B6294T, 4T65 AWD, Bosch Motronic 7.0.

User avatar
abscate
MVS Moderator
Posts: 35267
Joined: 17 February 2013
Year and Model: 99: V70s S70s,05 V70
Location: Port Jefferson Long Island NY
Has thanked: 1497 times
Been thanked: 3809 times

Post by abscate »

Do instead of cutting the wire , pull relay 2/53 and test to see if it is fused closed.

If it isn’t , your ECU is pulling the relay closed by fault.

You can solve the drain problem by just pulling the relay.
Empty Nester
A Captain in a Sea of Estrogen
1999-V70-T5M56 2005-V70-M56 1999-S70 VW T4 XC90-in-Red
Link to Maintenance record thread

PeteB
Posts: 880
Joined: 27 May 2014
Year and Model: 1996 Volvo 850 Wagon
Location: Connecticut, USA
Has thanked: 57 times
Been thanked: 11 times

Post by PeteB »

Thanks very much for finding it and posting those diagrams.

I pulled all the relays in the fuse box some time ago, do you know where relay 2/53 is
located? I seem to remember a relay down near the SAS pump is that it? I don't have
the car here it is with my son.

User avatar
RickHaleParker
Posts: 7129
Joined: 25 May 2015
Year and Model: See Signature below.
Location: Kansas
Has thanked: 8 times
Been thanked: 958 times

Post by RickHaleParker »

2/53 is somewhere around the driver's side headlight. It is probably under the battery tray where the SAS pump is.

1. Remove Air cleaner.
2. Remove battery.
3. Remove battery tray.
2019-11-03.png
⸙⸙⸙⸙⸙⸙⸙⸙⸙⸙⸙⸙⸙⸙⸙⸙⸙⸙⸙⸙⸙⸙⸙⸙⸙⸙⸙⸙⸙⸙⸙⸙⸙⸙⸙⸙⸙⸙⸙⸙⸙⸙⸙⸙⸙⸙⸙⸙⸙⸙⸙⸙⸙⸙⸙⸙⸙⸙⸙⸙⸙⸙⸙⸙⸙⸙⸙⸙⸙⸙⸙⸙⸙
1998 C70, B5234T3, 16T, AW50-42, Bosch Motronic 4.4, Special Edition package.
2003 S40, B4204T3, 14T twin scroll AW55-50/51SN, Siemens EMS 2000.
2004 S60R, B8444S TF80 AWD. Yamaha V8 conversion
2005 XC90 T6 Executive, B6294T, 4T65 AWD, Bosch Motronic 7.0.

User avatar
jreed
Posts: 1619
Joined: 8 March 2009
Year and Model: '97 Volvo 855 GLT
Location: RTP, North Carolina
Has thanked: 352 times
Been thanked: 192 times

Post by jreed »

The SAS relay (at least on my '97) is clipped to the the air pump bracket. It's easiest to get to from under the car. I had to replace this relay after it failed closed on my car about 10 years ago. The symptom was the air pump stayed running, even when the car was shut off. I replaced it with a "KAE" brand relay, which worked well.

The relay is shown in this picture:
viewtopic.php?t=36227&start=14#p172978
1997 855 GLT (Light Pressure Turbo) still going strong. Previous: 1986 240 GL rusted out in '06, 1985 Saab 900T rusted out in '95, 1975 Saab 99 rusted out in '95, 1973 Saab 99 rusted out in '94

Post Reply
  • Similar Topics
    Replies
    Views
    Last post