Model: XC70
Year: 1998
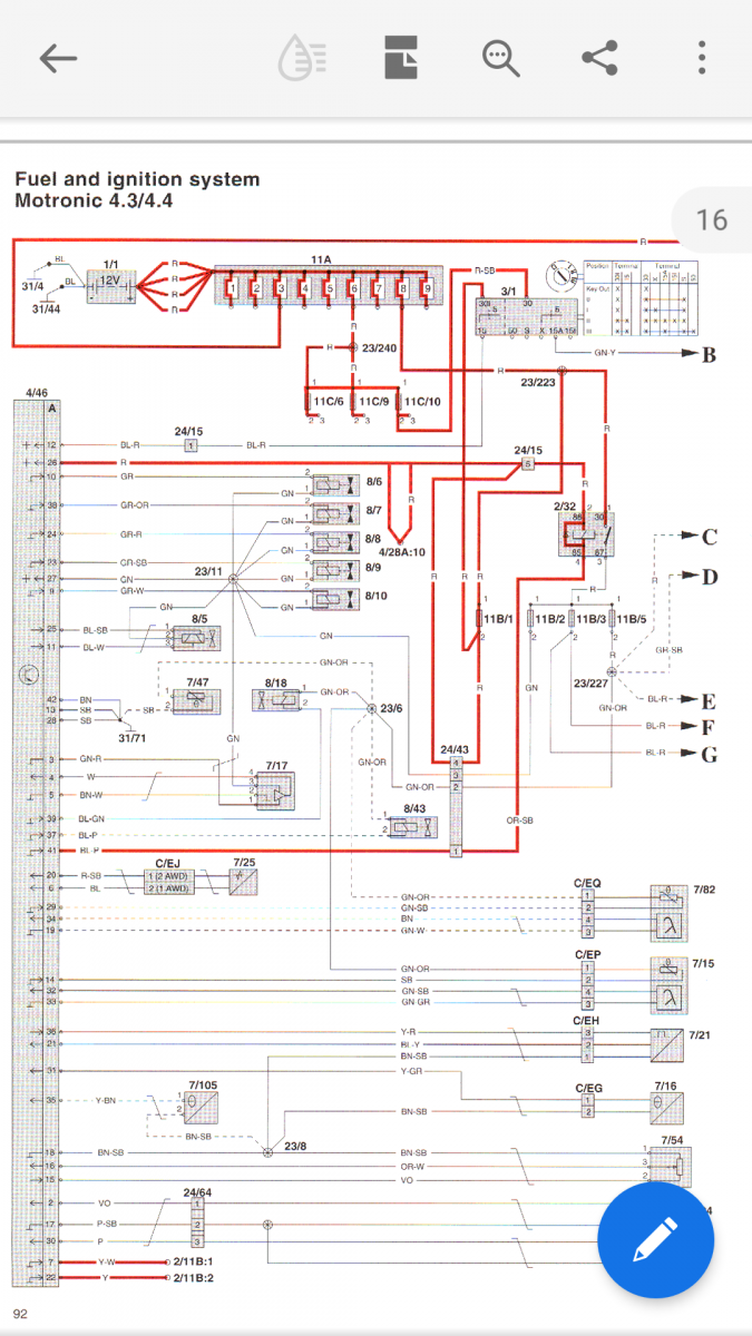
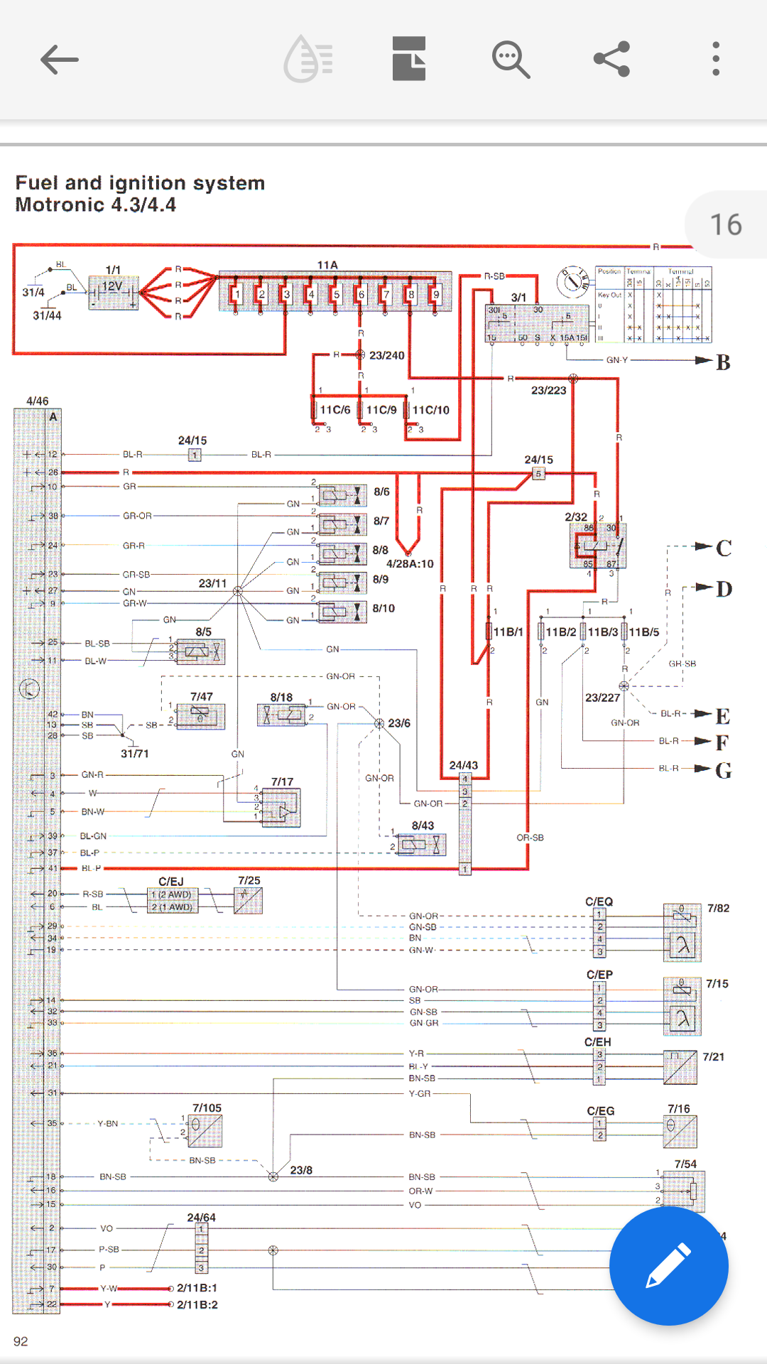
Issue:
Fuel pump won't start when I turning the key to position II or III.
Fault codes:
No fault codes
Have checked:
* Fuel relay 103 clicks
* Fuel pumps have resistance connection when I measure the cables with a DMM
Exceptions:
It can happen that the fuel pump wakes to live and I can start the car. Then it will die later after few seconds.
Cause of the problem:
I have measure between pin 87 and pin 31 at the fuel pump relay(2/23). No sound from my DMM. So I'm expecting a cable break?
Can anyone tell me where the fuel pumps are at this electric wiring diagram below? I have two pumps, one at each side.






