Hy Buddies,
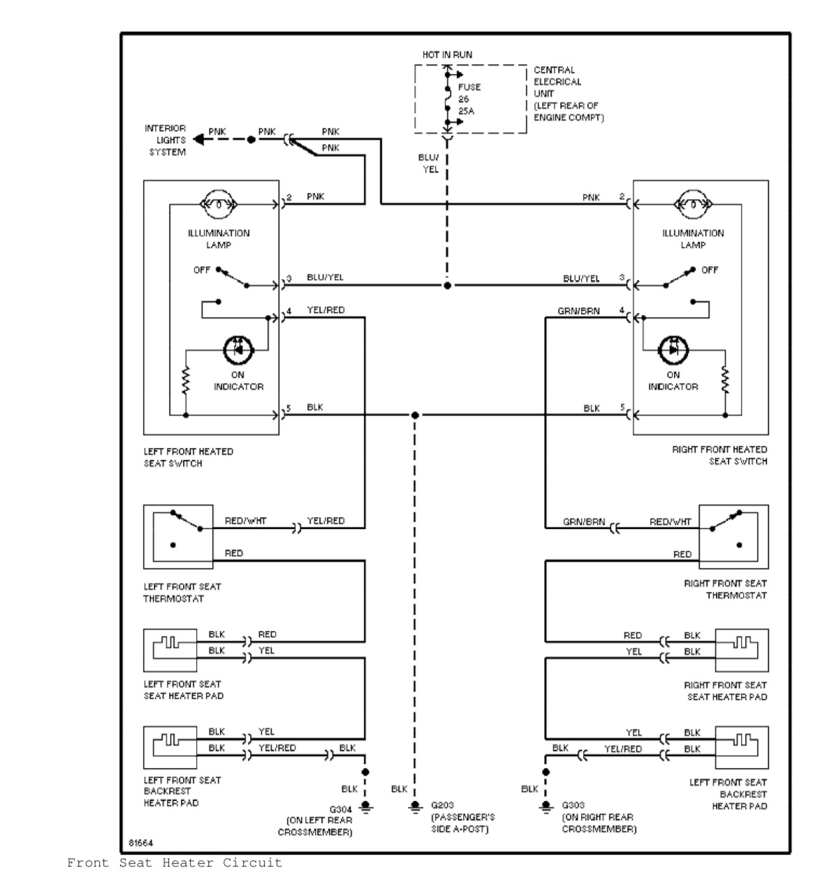
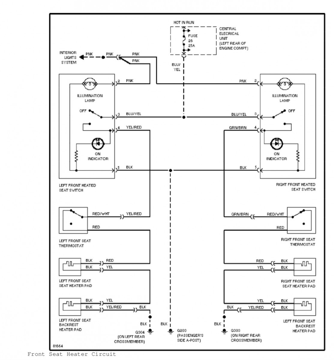
I have these cables with this connector under my driver seat. Is it the wiring to commander the heater for the seat ?
Thanks for your knowledges shared.
Manov
850 Cable under driver seat
-
- Similar Topics
- Replies
- Views
- Last post






