Installing 960 Fuel Rail from 1998 to 1996
Installing 960 Fuel Rail from 1998 to 1996
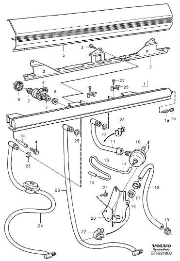
I need help understanding whether or not it is possible to install a fuel rail from 1998 (9179348) Volvo 960 to the 1996 (P/N 1270346). The difference I think is in the fuel return and pressure regulator, see diagrams attached. Has anyone done this before? My mechanic can's seem to figure out while the junkyard I picked up the rail 9179348 along with injectors and everything else tells me it can be done.
- Attachments
-
- P/N 9179348
- 9179348.png (150.33 KiB) Viewed 1428 times
-
- P/N 1270346
- 1270346.png (162.84 KiB) Viewed 1428 times
-
dm635
- Posts: 140
- Joined: 16 January 2008
- Year and Model: '96 965
- Location: Lou. Ky.
- Been thanked: 14 times
I believe you are correct that the '98 V/S 90 fuel rail is different than the'97 and back 960.
One has a return where the other doesn't.
One has a return where the other doesn't.
96-964
09-V70
05-325i
86-635CSi
Previous- 83 245T, 84 242, 85 242T, 92 960, 94 960, 95-964, 95-945, 91-780t, 96-960, 98-XC, 91-745,
09-V70
05-325i
86-635CSi
Previous- 83 245T, 84 242, 85 242T, 92 960, 94 960, 95-964, 95-945, 91-780t, 96-960, 98-XC, 91-745,
-
- Similar Topics
- Replies
- Views
- Last post






