AC high port
-
FLBoy
- Posts: 9
- Joined: 16 July 2019
- Year and Model: 1999 C70
- Location: Pensacola, FL
- Has thanked: 1 time
AC high port
I know my 1999 C70 has no AC high port, and the use of an adapter on the high pressure sensor has been recommended. But, no one said how to use the adapter on a fully charged system. When I loosen the pressure switch/sensor connector, refrigerant escapes.
1999 C70 Convertible White 63K
- abscate
- MVS Moderator
- Posts: 35332
- Joined: 17 February 2013
- Year and Model: 99: V70s S70s,05 V70
- Location: Port Jefferson Long Island NY
- Has thanked: 1511 times
- Been thanked: 3829 times
Most decent code readers can read the high pressure side electronically, but you can also just read the voltage on the pins by back planing them, that is using wires to probe the connector while attached.
I’ll search up the conversion from voltage to pressure and link
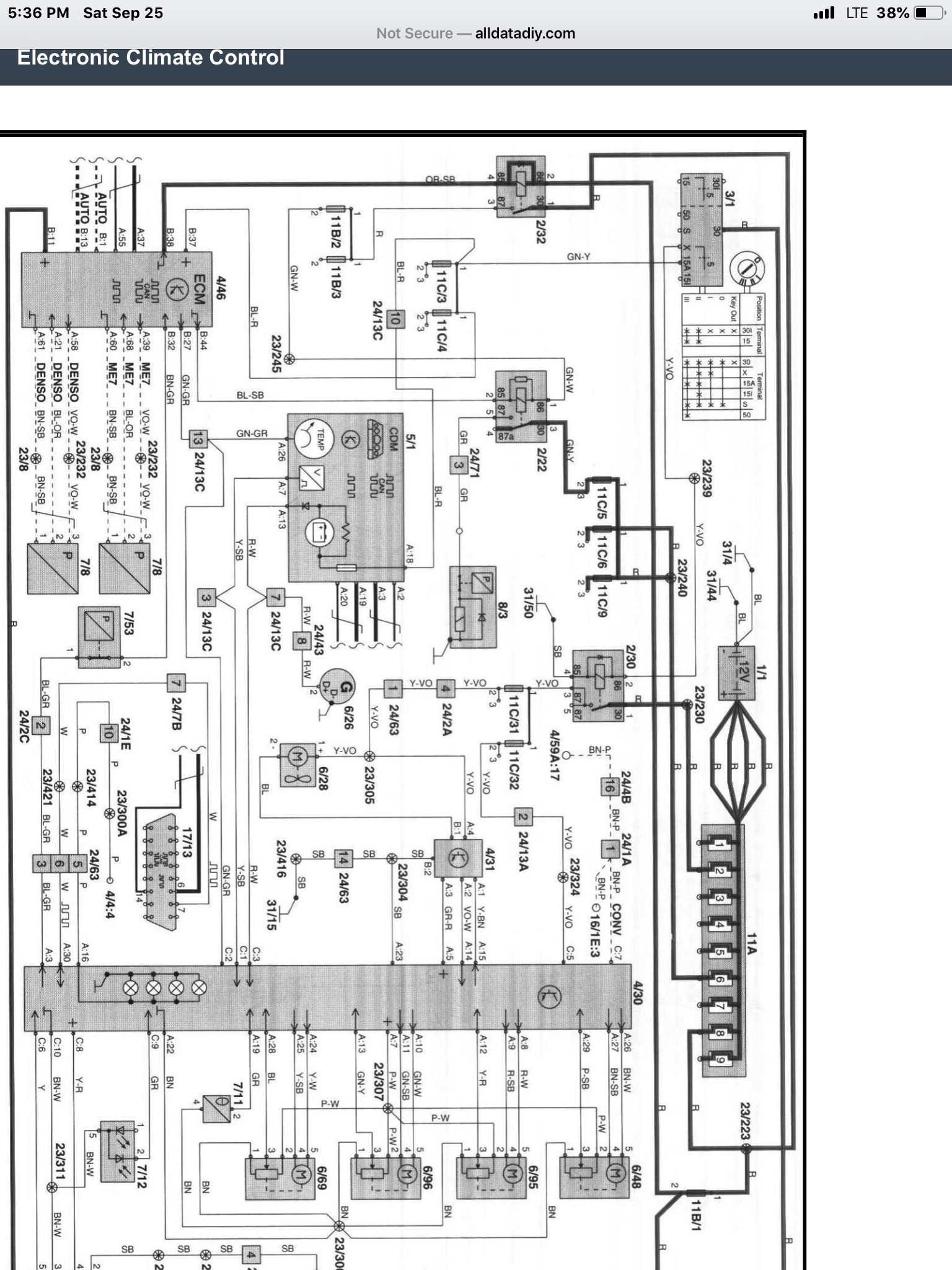
Ok, component 7/8 is the one you are after.
5 volts regulated on terminal 1 is sent in
The pressure is read between terminal 2 and 3 1 according to this table.
Corrected to terminal 1,2
I’ll search up the conversion from voltage to pressure and link
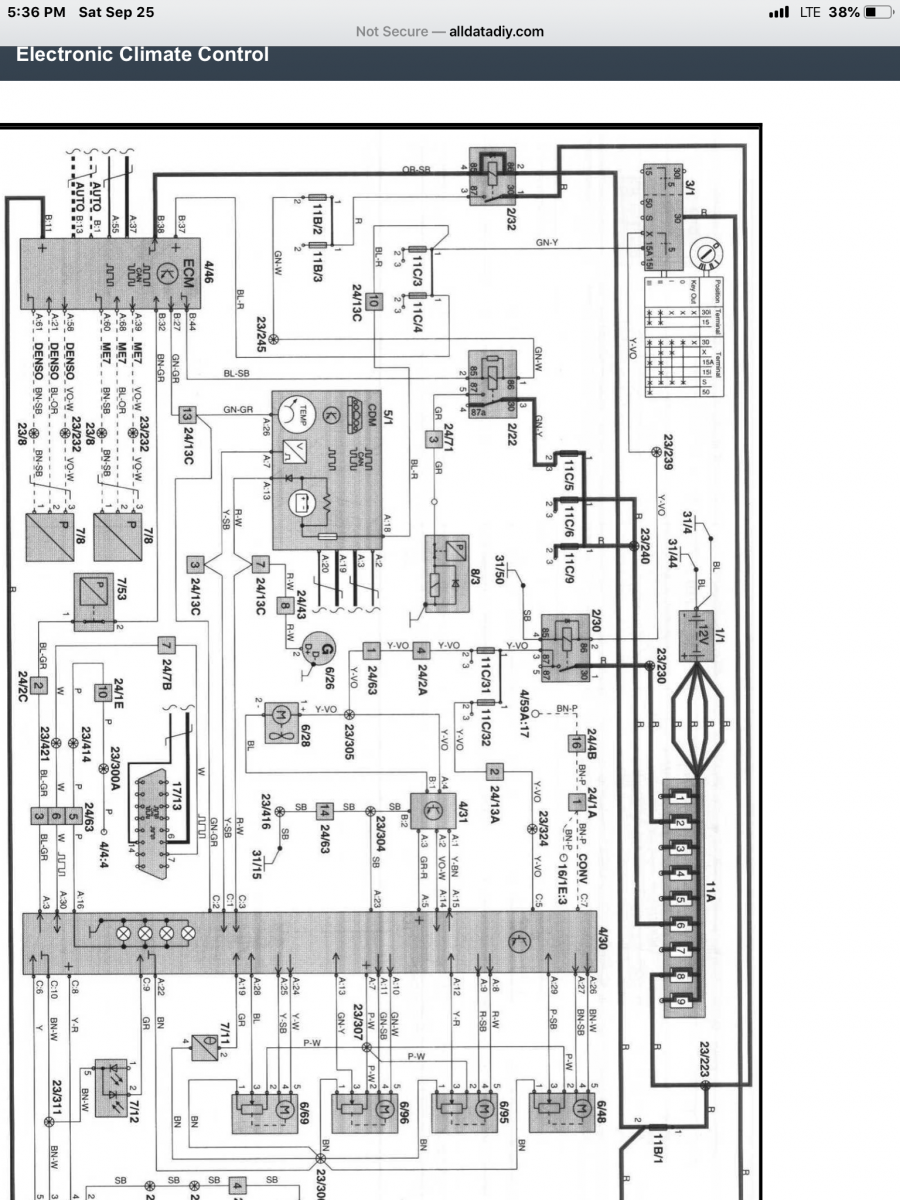
Ok, component 7/8 is the one you are after.
5 volts regulated on terminal 1 is sent in
The pressure is read between terminal 2 and 3 1 according to this table.
Corrected to terminal 1,2
Empty Nester
A Captain in a Sea of Estrogen
1999-V70-T5M56 2005-V70-M56 1999-S70 VW T4 XC90-in-Red
Link to Maintenance record thread
A Captain in a Sea of Estrogen
1999-V70-T5M56 2005-V70-M56 1999-S70 VW T4 XC90-in-Red
Link to Maintenance record thread
- abscate
- MVS Moderator
- Posts: 35332
- Joined: 17 February 2013
- Year and Model: 99: V70s S70s,05 V70
- Location: Port Jefferson Long Island NY
- Has thanked: 1511 times
- Been thanked: 3829 times
Fixed error in terminal assignment above
Empty Nester
A Captain in a Sea of Estrogen
1999-V70-T5M56 2005-V70-M56 1999-S70 VW T4 XC90-in-Red
Link to Maintenance record thread
A Captain in a Sea of Estrogen
1999-V70-T5M56 2005-V70-M56 1999-S70 VW T4 XC90-in-Red
Link to Maintenance record thread
-
- Similar Topics
- Replies
- Views
- Last post
-
- 2 Replies
- 2219 Views
-
Last post by rickyberetired
-
- 3 Replies
- 4735 Views
-
Last post by mpchicago






