I hope you're all fine. I have a question.
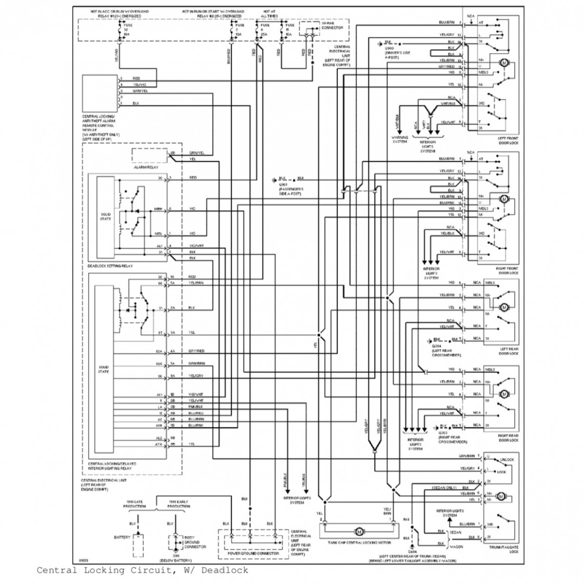
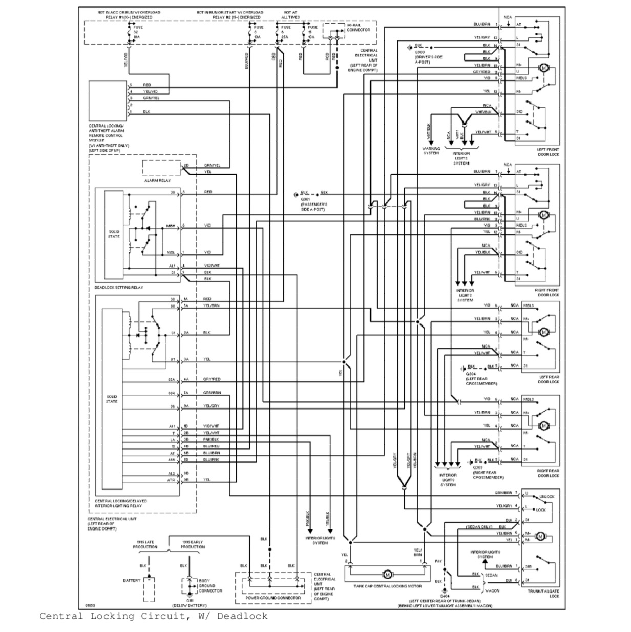
I wold like to install a switch on the central locking wiring that could allow me to shut down all door, after starting to drive. I would like to install it on the right side of the steering wheel as shown on the board below.
Can someone advise me on :
- what kind on switch may i use,
- do i need to go across a rely and then, which sort,
- where plug the power on to, on the wiring,
- what should i do to be able to close or open the door from this switch ?
Manov






