Ah, that would have been nice to know!abscate wrote:Good on Volvo for this one.
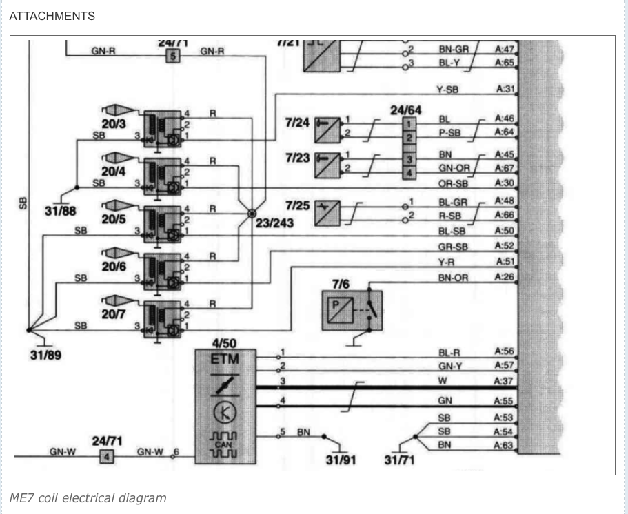
Checking the diagram, each coil has a different colour trigger wire to the ECU so it is possible to sort this out without tools
Wiring diagram here
https://www.matthewsvolvosite.com/forums ... il#p325109
'99 S70 T5 CVVT Clicking, Reset Procedure? Topic is solved
- bmdubya1198
- Posts: 6338
- Joined: 30 December 2014
- Year and Model: 2K V70R M56
- Location: Charlotte, NC
- Has thanked: 304 times
- Been thanked: 517 times
Re: '99 S70 T5 CVVT Clicking, Reset Procedure?
00 V70R Venetian Red/Charcoal M56 Swapped 214k
07 XC90 V8 AWD Sport Titanium Grey/Black 220k
92 245 White/Beige 249k
91 944 Turbo 175k
…and a bunch of other stuff
Sold-
03 S60 2.4T
00 S70 GLT
98 V70 GLT
93 944
98 S90
95 850 GLT
01 S60 2.4T
05 S60R M66
08 S40 2.4i
88 744 Turbo M46
07 XC90 V8 AWD Sport Titanium Grey/Black 220k
92 245 White/Beige 249k
91 944 Turbo 175k
…and a bunch of other stuff
Sold-
03 S60 2.4T
00 S70 GLT
98 V70 GLT
93 944
98 S90
95 850 GLT
01 S60 2.4T
05 S60R M66
08 S40 2.4i
88 744 Turbo M46
- abscate
- MVS Moderator
- Posts: 35278
- Joined: 17 February 2013
- Year and Model: 99: V70s S70s,05 V70
- Location: Port Jefferson Long Island NY
- Has thanked: 1500 times
- Been thanked: 3812 times
All thats left to finish this thread off is one of us to go back and map the colors on the coils to cylinder 1-5
The wiring diagram doesn't tell us which is which .
Im buy this week eating free sandwiches at the BMW customer counter while I bargain them down on the transfer fluid at $220 per gallon - how about you?
If you wear crappy dirty oil change clothes to the BMW place, they bargain easier to get you out of site of the customers with money. Going in wearing black oil change gloves always helps too.
The wiring diagram doesn't tell us which is which .
Im buy this week eating free sandwiches at the BMW customer counter while I bargain them down on the transfer fluid at $220 per gallon - how about you?
If you wear crappy dirty oil change clothes to the BMW place, they bargain easier to get you out of site of the customers with money. Going in wearing black oil change gloves always helps too.
Empty Nester
A Captain in a Sea of Estrogen
1999-V70-T5M56 2005-V70-M56 1999-S70 VW T4 XC90-in-Red
Link to Maintenance record thread
A Captain in a Sea of Estrogen
1999-V70-T5M56 2005-V70-M56 1999-S70 VW T4 XC90-in-Red
Link to Maintenance record thread
- bmdubya1198
- Posts: 6338
- Joined: 30 December 2014
- Year and Model: 2K V70R M56
- Location: Charlotte, NC
- Has thanked: 304 times
- Been thanked: 517 times
I'll get a look tomorrow on those wires... definitely good info to have floating around here!abscate wrote:All thats left to finish this thread off is one of us to go back and map the colors on the coils to cylinder 1-5
The wiring diagram doesn't tell us which is which .
Im buy this week eating free sandwiches at the BMW customer counter while I bargain them down on the transfer fluid at $220 per gallon - how about you?
If you wear crappy dirty oil change clothes to the BMW place, they bargain easier to get you out of site of the customers with money. Going in wearing black oil change gloves always helps too.
$220/gallon... ouch. My dad and I put new struts in his Bimmer last weekend. The car rides a million times better now! Best thing we've done for that car!
Also shows them that you might actually have an idea what you're talking about... kinda like how my dad, uncle, and cousins all chip down prices at Firestone! I refuse to bring my car to those idiots... they like to overcharge for a halfway or incorrectly done job.
00 V70R Venetian Red/Charcoal M56 Swapped 214k
07 XC90 V8 AWD Sport Titanium Grey/Black 220k
92 245 White/Beige 249k
91 944 Turbo 175k
…and a bunch of other stuff
Sold-
03 S60 2.4T
00 S70 GLT
98 V70 GLT
93 944
98 S90
95 850 GLT
01 S60 2.4T
05 S60R M66
08 S40 2.4i
88 744 Turbo M46
07 XC90 V8 AWD Sport Titanium Grey/Black 220k
92 245 White/Beige 249k
91 944 Turbo 175k
…and a bunch of other stuff
Sold-
03 S60 2.4T
00 S70 GLT
98 V70 GLT
93 944
98 S90
95 850 GLT
01 S60 2.4T
05 S60R M66
08 S40 2.4i
88 744 Turbo M46
- abscate
- MVS Moderator
- Posts: 35278
- Joined: 17 February 2013
- Year and Model: 99: V70s S70s,05 V70
- Location: Port Jefferson Long Island NY
- Has thanked: 1500 times
- Been thanked: 3812 times
The picture shows Cylinder 1 with a Yellow Black Terminal 1 wire, so I am almost certain
Y-SB Terminal 1 is Cylinder 1
OR -SB is 2
BL-SB is 3
GR- SB is 4
Y-R is 5
Isn't 'svart' Swedish for black??
Y-SB Terminal 1 is Cylinder 1
OR -SB is 2
BL-SB is 3
GR- SB is 4
Y-R is 5
Isn't 'svart' Swedish for black??
Empty Nester
A Captain in a Sea of Estrogen
1999-V70-T5M56 2005-V70-M56 1999-S70 VW T4 XC90-in-Red
Link to Maintenance record thread
A Captain in a Sea of Estrogen
1999-V70-T5M56 2005-V70-M56 1999-S70 VW T4 XC90-in-Red
Link to Maintenance record thread
- bmdubya1198
- Posts: 6338
- Joined: 30 December 2014
- Year and Model: 2K V70R M56
- Location: Charlotte, NC
- Has thanked: 304 times
- Been thanked: 517 times
Shwarz is German for black, so svart sounds Swedish!
00 V70R Venetian Red/Charcoal M56 Swapped 214k
07 XC90 V8 AWD Sport Titanium Grey/Black 220k
92 245 White/Beige 249k
91 944 Turbo 175k
…and a bunch of other stuff
Sold-
03 S60 2.4T
00 S70 GLT
98 V70 GLT
93 944
98 S90
95 850 GLT
01 S60 2.4T
05 S60R M66
08 S40 2.4i
88 744 Turbo M46
07 XC90 V8 AWD Sport Titanium Grey/Black 220k
92 245 White/Beige 249k
91 944 Turbo 175k
…and a bunch of other stuff
Sold-
03 S60 2.4T
00 S70 GLT
98 V70 GLT
93 944
98 S90
95 850 GLT
01 S60 2.4T
05 S60R M66
08 S40 2.4i
88 744 Turbo M46
-
- Similar Topics
- Replies
- Views
- Last post
-
- 7 Replies
- 901 Views
-
Last post by scot850
-
- 10 Replies
- 5120 Views
-
Last post by esl_97_850_T5






