Login Register

99 T5 - Runs terribly, lost brake booster

Help, Advice and DIY Tutorials on Volvo's P80 platform cars -- Volvo's 1990s "bread and butter" cars -- powered by the ubiquitous and durable Volvo inline 5-cylinder engine.

1992 - 1997 850, including 850 R, 850 T-5R, 850 T-5, 850 GLT
1997 - 2000 S70, S70 AWD
1997 - 2000 V70, V70 AWD
1997 - 2000 V70-XC
1997 - 2004 C70

Post Reply
j-dawg
Posts: 1154
Joined: 20 April 2013
Year and Model: 1999 V70 T5
Location: Los Angeles, CA
Has thanked: 4 times
Been thanked: 33 times

Re: 99 T5 - Runs terribly, lost brake booster

Post by j-dawg »

Good call. ETM turns out not to be getting power. I checked the fuse as recommended by Xemodex:
http://xemodex.com/us/pdf/ETM%20Flow%20 ... -final.pdf

No click, no whine. Checked voltage as recommended by the flowchart and there's nothing across pins 5 and 6. There's 12.1V from the fuse to ground, so the problem must be between the fuse box and the ETM harness.

Has anyone run their own wire or repaired the splice, as Xemodex recommends? I dug the splice out of the harness but it's beefy and there are several green/white wires running up to it, so I'm hesitant to pick it apart.

Also, I'm reading 10.5V across the terminals for fuse 2 in the fuse box instead of the 12.1V I have across the battery. From the downstream side of the fuse socket to the negative battery post I have the remaining 1.6V. Is that normal? What would be dumping that 1.6V onto the other side? I'm trying to find it in the wiring diagram, but the PDF I found online has all the pages out of order, so it's pretty hard to use.
1999 V70 T5 5-SPD | ~277k mi | sold

User avatar
abscate
MVS Moderator
Posts: 35301
Joined: 17 February 2013
Year and Model: 99: V70s S70s,05 V70
Location: Port Jefferson Long Island NY
Has thanked: 1505 times
Been thanked: 3818 times

Post by abscate »

Hmmm. 12.1 is way too low at battery. Add low battery charge to the list of problems which has to be fixed first. Maybe bad cables? Check voltage at battery terminals and end if cables
Empty Nester
A Captain in a Sea of Estrogen
1999-V70-T5M56 2005-V70-M56 1999-S70 VW T4 XC90-in-Red
Link to Maintenance record thread

j-dawg
Posts: 1154
Joined: 20 April 2013
Year and Model: 1999 V70 T5
Location: Los Angeles, CA
Has thanked: 4 times
Been thanked: 33 times

Post by j-dawg »

The car has been sitting for a month, which is why voltage is low. I've been using a battery booster that brings it up to ~12.4, which doesn't seem far off nominal. (It was probably higher before I spent a few minutes cranking.)

I've never had charging issues and the battery is a new Bosch unit (~1yr), so I don't think it's a charging problem. But the low voltage from the long time sitting could be part of the problem. I've had cars be super fussy about low voltage in the past, so maybe I'll go pick up a battery wall charger. Worth a shot, and I'm sure it'll be useful to me down the road. But the ETM still won't click on, even when I hook the car up to the booster alone (whereupon the battery reads 12.6V).

I just fed 12V to the ETM directly, and I heard the clunk and a very healthy six-second ETM squeal. If there are any problems with the ETM unit, they're not apparent, which is a relief after spending a bunch of money and a month waiting. It's just not getting power from the car.
1999 V70 T5 5-SPD | ~277k mi | sold

j-dawg
Posts: 1154
Joined: 20 April 2013
Year and Model: 1999 V70 T5
Location: Los Angeles, CA
Has thanked: 4 times
Been thanked: 33 times

Post by j-dawg »

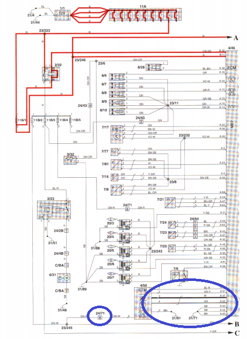
I'm a massive idiot, and I wish I could blame the wiring diagram but really this one's on me. Connector 24/71 on the wiring harness is the one that supplies power to various things:
Blue ovals are what I'm talking about. The red is like that in the PDF.
Blue ovals are what I'm talking about. The red is like that in the PDF.
page.PNG (273.5 KiB) Viewed 1628 times
The text 24/71 there indicates that it's connector #71. I had been assuming that was the connector for the ETM harness. In fact, that connector is simply not shown on this page, and even a cursory glance would reveal that the green/white wire from 24/71 is separate from the wires that connect the ECM to the ETM. So I need to find the other half of 24/71 in the engine bay and plug it in. That connector is essential. The ECM-to-ETM wires are shown as continuous when they are in fact connectorized, and that not-shown connector incorporates a wire that is fed 12V by 24/71. I looked at the diagram, assumed that 24/71 was the ETM harness, and didn't consider that the +12 wire in the diagram isn't coming from even the same direction as the other five. I'm a dummy.

I'll probably have to pop the intake manifold to find it, but I can live with that. Here's to the memory of the two days I spent trying to figure this out, and the day I'll spend fixing everything. You will be missed. Glad I didn't start splicing wires.

UPDATE: I had tucked the connector behind a headlight cable to keep it out of the way while I worked in there. I found it and plugged it in. The car drives great now. My house smells like the rough-idle exhaust it was farting out when I first started it up, and it is the sweetest smell ever to grace my lowly nostrils.
1999 V70 T5 5-SPD | ~277k mi | sold

User avatar
abscate
MVS Moderator
Posts: 35301
Joined: 17 February 2013
Year and Model: 99: V70s S70s,05 V70
Location: Port Jefferson Long Island NY
Has thanked: 1505 times
Been thanked: 3818 times

Post by abscate »

LOL - I actually thought that might be the ETM connector but I still don't have my car back since my wife discovered boost.

Glad you are back on the road.
Empty Nester
A Captain in a Sea of Estrogen
1999-V70-T5M56 2005-V70-M56 1999-S70 VW T4 XC90-in-Red
Link to Maintenance record thread

j-dawg
Posts: 1154
Joined: 20 April 2013
Year and Model: 1999 V70 T5
Location: Los Angeles, CA
Has thanked: 4 times
Been thanked: 33 times

Post by j-dawg »

Thanks for the help, b-t-dubs. I think you nudged me in the right direction on that one.
1999 V70 T5 5-SPD | ~277k mi | sold

User avatar
abscate
MVS Moderator
Posts: 35301
Joined: 17 February 2013
Year and Model: 99: V70s S70s,05 V70
Location: Port Jefferson Long Island NY
Has thanked: 1505 times
Been thanked: 3818 times

Post by abscate »

Thread revived from another troubleshooting thread

I think this is a tricky wiring diagram reading point worth putting down in print

At each component there has to be a connector but that isn't shown on current tracks. The only explicit connectors are ones that are mid wire loom. I could have easily made this same mistake.
Empty Nester
A Captain in a Sea of Estrogen
1999-V70-T5M56 2005-V70-M56 1999-S70 VW T4 XC90-in-Red
Link to Maintenance record thread

j-dawg
Posts: 1154
Joined: 20 April 2013
Year and Model: 1999 V70 T5
Location: Los Angeles, CA
Has thanked: 4 times
Been thanked: 33 times

Post by j-dawg »

The wiring diagram is very unintuitive. Once you pick up the format it's not so bad, but it can be misleading when you first look at it.
1999 V70 T5 5-SPD | ~277k mi | sold

ktuuri
Posts: 30
Joined: 12 March 2016
Year and Model: 98 S70 T5
Location: Calgary
Been thanked: 1 time

Post by ktuuri »

Glad you got it going, strange how it affected your brakes.

j-dawg
Posts: 1154
Joined: 20 April 2013
Year and Model: 1999 V70 T5
Location: Los Angeles, CA
Has thanked: 4 times
Been thanked: 33 times

Post by j-dawg »

Yes, it was weird. I never quite got why that was. It went away when the engine was back in running condition. Probably the revs were dropping low enough that the engine was unable to generate sufficient vacuum for the booster.
1999 V70 T5 5-SPD | ~277k mi | sold

Post Reply
  • Similar Topics
    Replies
    Views
    Last post