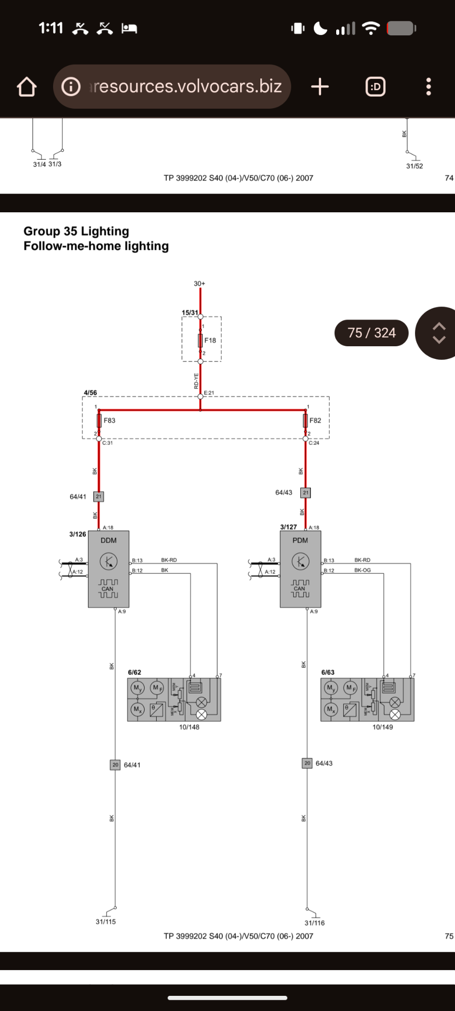
Not a big issue but I've been trying to diagnose why my puddle lights aren't working (the lights on the bottom of the mirrors). When I press the yellow dot on my key fob, the parking lights turn on but no puddle lights. Same thing when I flash the high beams after shutting off the car- all the lights turn on except for the puddle lights.
-I checked fuse 82&83 in the under dash fuse box, as well as fuse 18 in the engine bay fuse box (I tested all fuses actually)
-I replaced the bulbs but no change.
-Then I pulled the driver door card and checked the wires from the mirror to driver's door module (ddm), checked the the door electronics plug and checked the grounding points at the bottom of the driver's door.
-I thought I was onto something when I found a corroded splice in the drivers footwell of 3 gray/red wires. From my understanding of the diagrams, I saw that gray/red and blue/red are used in the 'low speed' CANbus circuit between the DDM and CEM.
I had a similar issue causing my power seats not to function (caused by bad sunroof drains and the wire sitting in water, both issues are now addressed). I properly fixed the wire splice, but still no puddle lights.
From here my thoughts are:
-i should/could check the rest of the CANbus wire splices down the circuit between the DDM and CEM. This is confusing to me though as the DDM uses the same gray/red & blue/red wires for the heated mirrors, which I tested after reassembly and they work. So I'm thinking the rest of the circuit is good...
-Key Fob isn't synced to the car to activate the 'follow me home' puddle lights. If that's so why is it that the button (and high beam stalk) activate the rest of the parking lights? Is it possible that the puddle lights aren't programmed to activate within the computer?
-is there something I'm missing?
Thanks for any help, I do have a J2534/Dice on the way and was planning to start learning how to use the legit and official ViDA. So if anyone can point me in the right direction on how to test this on the programming side of the equation it would be appreciated!
Puddle lights not working - 07 v50
- smacknab
- Posts: 526
- Joined: 25 September 2019
- Year and Model: 07 V50 T5 AWD M66
- Location: Providence, RI
- Has thanked: 97 times
- Been thanked: 43 times
Puddle lights not working - 07 v50
07 V50 T5 AWD M66 ~146k miles
87 Ford Ranger 2wd Manual - 2.3 Thunderbird/SVO Turbo swap project
99 s70 NA Manual - ~270k miles - Died when a friend shot it up a highway embankment
87 Ford Ranger 2wd Manual - 2.3 Thunderbird/SVO Turbo swap project
99 s70 NA Manual - ~270k miles - Died when a friend shot it up a highway embankment
-
- Similar Topics
- Replies
- Views
- Last post






