.
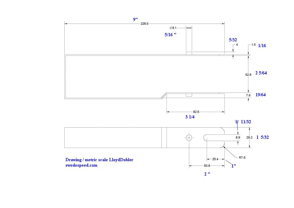
I am making one for myself. Here are the picture of the original and a the draft LloydDobler a user on Swedespeed sent me (blue / conversions are mine).
He made his with an aluminum bar, I used steel. Look what happened to mine. I almost broke my jaw but the ECU is still unmoved!
If you have one could you please re check the measurements.
Please don't suggest I should buy one. Making my own tool is part the pleasure I have in this.
Besides. paying for a tool and using it once is no better than taking the car to the dealer.
.
ECU tool Volvo # 999 5722
ECU tool Volvo # 999 5722
- Attachments
-
- Broken Jaw!
- tool 1.jpg (138.46 KiB) Viewed 6288 times
-
- LloydDoplers drawing
- Copy of ecu_tool_drawing.jpg (35.02 KiB) Viewed 6288 times
-
- Volvo tool
- V9995722.jpg (18.33 KiB) Viewed 6288 times
S60 2002 180K miles looks and runs like new (except when sulking)
- matthew1
- Site Admin
- Posts: 14472
- Joined: 14 September 2002
- Year and Model: 850 T5, 1997
- Location: Denver, Colorado, US
- Has thanked: 2652 times
- Been thanked: 1245 times
- Contact:
Sergio, thanks for sharing. This is exactly the type of thing I was hoping this Tools forum would attract.
What's your next step to get the ECU out? Make another tool?
What's your next step to get the ECU out? Make another tool?
Help keep MVS on the web -> click sponsors' links here on MVS when you buy from them.
Also -> Amazon link. Click that when you go to buy something on Amazon and MVS gets a cut!
1998 V70, no dash lights on
1997 850 T5 [gone] w/ MSD ignition coil, Hallman manual boost controller, injectors, R bumper, OMP strut brace
2004 V70 R [gone]
How to Thank someone for their post

Also -> Amazon link. Click that when you go to buy something on Amazon and MVS gets a cut!
1998 V70, no dash lights on
1997 850 T5 [gone] w/ MSD ignition coil, Hallman manual boost controller, injectors, R bumper, OMP strut brace
2004 V70 R [gone]
How to Thank someone for their post

-
precopster
- Posts: 7543
- Joined: 21 August 2010
- Year and Model: Lots
- Location: Melbourne Australia
- Has thanked: 8 times
- Been thanked: 128 times
There's not a lot of force required to remove an ECU so I'm surprised your tool bent. Did you insert it according to ARDs imstructions on YouTube at the 45 degree angle slots on the ECU casing?? (not the near vertical ones)
Current cars VW Transporter 2.5TDI, 2010 XC90 D5 R Design
.
I'm working on it, I'm working.
You see, I have a BIG problem right now. My right foot is in a cast since 3 weeks and will stay there for another 3 - 4 weeks. Bunion surgery. The car is in the non attached garage. I live on a floor up, workshop is in the basement. To do a simple task, say reduce the thickness of the bar at its ends, I have to travel several times between the garage, basement and the computer on the floor up.
What I am building is no different than any other prototype. So it is taking time!
So far everything seems to be done correctly except that the bending of the bar is giving me problems; I don't have all the tools I need. I'm at my 3rd trial. I hope tomorrow I will be done with it.
.
I'm working on it, I'm working.
You see, I have a BIG problem right now. My right foot is in a cast since 3 weeks and will stay there for another 3 - 4 weeks. Bunion surgery. The car is in the non attached garage. I live on a floor up, workshop is in the basement. To do a simple task, say reduce the thickness of the bar at its ends, I have to travel several times between the garage, basement and the computer on the floor up.
What I am building is no different than any other prototype. So it is taking time!
So far everything seems to be done correctly except that the bending of the bar is giving me problems; I don't have all the tools I need. I'm at my 3rd trial. I hope tomorrow I will be done with it.
.
S60 2002 180K miles looks and runs like new (except when sulking)
.
It totally lacks elegance and is huge, but it did the job.
The zigzag part of the jaw was very hard to do. I ended up grinding the button on the ECU body so that I can maneuver it.
But what the heck, I might end up selling the car to the scrap yard after I'm done with it, in 6 months or 6 years
.
It totally lacks elegance and is huge, but it did the job.
The zigzag part of the jaw was very hard to do. I ended up grinding the button on the ECU body so that I can maneuver it.
But what the heck, I might end up selling the car to the scrap yard after I'm done with it, in 6 months or 6 years
.
S60 2002 180K miles looks and runs like new (except when sulking)
- abscate
- MVS Moderator
- Posts: 35288
- Joined: 17 February 2013
- Year and Model: 99: V70s S70s,05 V70
- Location: Port Jefferson Long Island NY
- Has thanked: 1502 times
- Been thanked: 3817 times
..but buying a tool and then offering it up for use on the MVS shared program.....pricelessBesides. paying for a tool and using it once is no better than taking the car to the dealer.
Empty Nester
A Captain in a Sea of Estrogen
1999-V70-T5M56 2005-V70-M56 1999-S70 VW T4 XC90-in-Red
Link to Maintenance record thread
A Captain in a Sea of Estrogen
1999-V70-T5M56 2005-V70-M56 1999-S70 VW T4 XC90-in-Red
Link to Maintenance record thread
-
precopster
- Posts: 7543
- Joined: 21 August 2010
- Year and Model: Lots
- Location: Melbourne Australia
- Has thanked: 8 times
- Been thanked: 128 times
I wouldn't bother loaning it. They're delicate. One of my IPD tool's buttons fell off into the ECM connector the other day while in use. I retrieved it and it's back on loosely but I don't see how I can prevent it coming off again unless it's welded back in.
Current cars VW Transporter 2.5TDI, 2010 XC90 D5 R Design
-
zx7mccloud
- Posts: 1
- Joined: 24 January 2018
- Year and Model: 99 s70 awd turbo
- Location: las vegas, nv
I am trying to find out how to loan this tool. I am not familiar with these website Yet! I am sending my ECU to IPD to have it flashed and it states that I have to use this tool to get it out. I have seen the page with the information on it however there is no checkout or link that I see. Can you please let me know how to loan this tool from you. Thank You
- matthew1
- Site Admin
- Posts: 14472
- Joined: 14 September 2002
- Year and Model: 850 T5, 1997
- Location: Denver, Colorado, US
- Has thanked: 2652 times
- Been thanked: 1245 times
- Contact:
Contact me https://www.matthewsvolvosite.com/contact and we'll go from there.
Or
P80 ECUs aren't hard to pull without any special tools. I never used the tool, for instance. Just pull the lever which ejects the module, and pull it out the rest of the way.
Your choice.
Or
P80 ECUs aren't hard to pull without any special tools. I never used the tool, for instance. Just pull the lever which ejects the module, and pull it out the rest of the way.
Your choice.
Help keep MVS on the web -> click sponsors' links here on MVS when you buy from them.
Also -> Amazon link. Click that when you go to buy something on Amazon and MVS gets a cut!
1998 V70, no dash lights on
1997 850 T5 [gone] w/ MSD ignition coil, Hallman manual boost controller, injectors, R bumper, OMP strut brace
2004 V70 R [gone]
How to Thank someone for their post

Also -> Amazon link. Click that when you go to buy something on Amazon and MVS gets a cut!
1998 V70, no dash lights on
1997 850 T5 [gone] w/ MSD ignition coil, Hallman manual boost controller, injectors, R bumper, OMP strut brace
2004 V70 R [gone]
How to Thank someone for their post

-
- Similar Topics
- Replies
- Views
- Last post






