My car was completely flat today. CAA came & boosted me, as part of that they do a little diagnosis, where they said the car was drawing ~4.5 amps when off, which is much too high. Everything else came back OK, and the car would still charge fine.
I thought I'd share my troubleshooting tips/strategy for anyone else who runs into this.
You will need the following to work on this:
- Clamp multimeter that measures DC current, ideally with diode test functionally
- Good sized tool kit... lots of fiddling with different sized screws etc
- List of good swear words
#2) Measure the current. It takes ~20 mins for the car to enter full standby, where the current should be something like 50mA (your meter may not even measure that low). However in my testing it would drop considerably within ~30 seconds of locking. If the current is still pretty high then it's probably not an issue of waiting to enter standby.
#3) From the battery, there are two leads. One goes off to the left and into the main distribution box, the other goes straight to the front for the starter + alternator. Clamp each of these at a time (may need to move battery a bit), and figure out which your drain is coming from. If going to the front, don't bother pulling fuses in the back/cabin/etc as it won't do anything.
#4) If your drain is coming from somewhere cabin, you could pull fuses one at a time to see when it goes away. There is a fuse box in engine compartment, passenger compartment (driver side), and trunk. I would be cautious pulling fuses for the computers, and start with the more obvious ones (lights, etc).
#5) If drain is coming from the front, it is probably going into the alternator. If the car is cold you can see if the alternator is hot, assuming you have a fairly substantial draw (e.g.: 4A @ 12V = 48W... something will be warm). You may wish to confirm this by UNHOOKING THE BATTERY, disconnect the top cable from the 'jump start' location in the front (see photo below), reconnect the battery, and check the current readings again. Here I've insulated that terminal to ensure it doesn't spark back on: You can also (and should) use a current clamp to check the lead going into the alternator. It's critical the clamp meter closes all the way or the reading is garbage. Will take some fiddling if you have a bigger clamp: #6) Alright... if you get a draw when the car is off, something is wrong in the alternator, so see below.
Notes on Fixing/Troubleshooting Alternator
The alternator has three main parts. The alternator coils/mechanical bits, the diode bridge, and the voltage regulator. Only the voltage regulator is easily replaceable. I'll take you through removing the voltage regulator, doing some basic checks, and checking the diodes. Note that the voltage bridge DOES NOT have the main diodes in it, there is some misinformation/confusion in various posts. They are completely different.
See www.autoshop101.com/forms/alt_bwoh.pdf for an excellent intro to alternators.
****Part 1: Getting at it
To start with, move the oil filler tube out of the way (remove screw & it just kinda rotates). Move anything else (intercooler if you have turbo) in the way.
You first need to remove the back cap from the alternator. To do so:
- Remove the nut on the battery positive cable, remove the cable. There will also be a nut under the cable... you may need a deep socket or a large socket (1/2" drive). There isn't much room to ratchet so go slow! You may wish to remove the fan if you want more room.
- There is a Phillips screw which is 'blind'. Feel for it, and you might be able to see through to the top of the alternator. Use a stubby screwdriver to remove it.
- That plate just falls off now. See below.
For testing this device: If you have a suitable power supply you could do some better testing. But with a DMM you can do the following testing, based on my original 'bad' device and my good 'new' device. I can't guarantee this is accurate, as they could have changed the design resulting in the different readings.
All my readings will be in volts with ohms in brackets. The first reading is using the diode test, which is the more accurate one. If your DMM has a diode test feature it will tell you the voltage across a diode or other semiconductor device, see link at end for tutorial. The second will be ohms, which will vary substantially between meters, so don't assume your device is broken unless way off (e.g.: supposed to be 2 MOhm and you measure 10 ohms). Also note I don't know which field terminal is actually F+ and F-, I made up the +/- notation completely.
- Connect positive lead of DMM to B+. There should be open circuit (infinite ohms) to the D-,F+,F- terminals.
- Connect negative lead to B+. There should be 0.55V / 2MOhm to D-, F+, F-.
- Connect positive lead to F- (bottom brush), there should be 0.55V to F+
- Connect negative lead to F- (bottom brush), there should be open circuit (infinite ohms) to F+.
You can buy the 'voltage regulator' from any normal location, and just install in-place. Easy(ish). Note that the car may still work & charge OK, and the alternator will pass testing. In my case this is because the field winding was being energized, it just was still being energized even when the car should have been OFF. So the whole thing charged fine, but afterwards the charge quickly went away.
You can't repair the voltage regulator, here is what's inside if you are curious: ***Part 3: Testing the Diode Pack
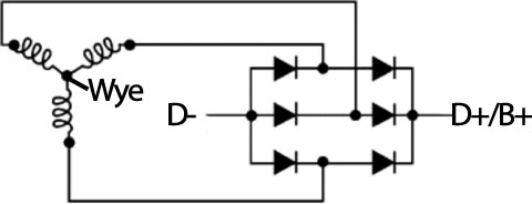
The alternator in this car seems to be a Wye winding type, despite what other sources claim. A Wye winding has the following schematic: The corresponding points on the back of the alternator are mentioned here: Notice from the schematic you cannot check each diode individually. The resistance of the windings will be very small (few ohms), so to your DMM they are all connected in series. This does somewhat simplify your life though, just do the following:
- Connect positive lead of DMM to Wye (hint: use a piece of wire or get an alligator-clip).
- Measure diode voltage to B+ terminal with DMM negative lead. Should be ~0.43V.
- Measure diode voltage to D- (e.g.: any chassis location) with DMM negative lead. Should be open-circuit.
- Connect negative lead of DMM to Wye (hint: use a piece of wire or get an alligator-clip).
- Measure diode voltage to B+ terminal with DMM positive lead. Should be open-circuit.
- Measure diode voltage to D- (e.g.: any chassis location) with DMM positive lead. Should be ~0.43V.
In addition it's possible that the diodes are functioning under the very low load of the DMM, but having trouble with higher current.
Part Numbers
My new Bosch regulator was part number F 00M A45 211. The Volvo part number seems to be 8637851 - use that when talking to the dealer or Googling for it.
There is a number of cross-references to other part numbers. I have the following lists of cross-references, some may be old part numbers!:
VOLTAGE REGULATOR:
Transpo IBR229
Bosch F 00M 145 208
Volvo 9459741, Volvo 8637851 (these might be old ones not sure)
Lester 13801, 13802, 13997, 13998
DIODE BRIDGE:
Bosch F 00M 123 201, Bosch F 00M 133 201
Cargo 139921
J&N Electric 172-24079
Transpo IBR201
Wagner W060-70
Links to Resources
Alternator Tutorial
Intro to Diode Checks
Fluke manual to automotive stuff - has good advice about alternators
http://www.waiglobal.com/images/Publica ... _Sheet.pdf
http://auto.pantaiwan.com.tw/proimages/ ... 938538.pdf
http://www.wagneralt.com/catalog/books/W2008-06.pdf







