Ok here is the scenario, omw home from work front right (passenger in US) blows going down the interstate. I pull over and it had tore out the plastic from the wheelwell also there is a loom of wires dangling with silver ends as if they were torn from a plug (red, black, red/black, pink/white, violet/white, and another that is either orange or faded brown. I'll attach what I think they are.
Now the car wont start, it powers up but doesn't make the starter click or anything. Also I can't get the car out of park unless I push the shift override button.
I was able to start the car by having someone run a cable from the battery to the starter while I turned the key over then I could get it to drive by using the shift override button.
I'm dumb founded, I know I can make it usable by rigging up a push button start but I'd like to try to keep this vehicle from being as ghetto as my previous ones.
If any one has a clue or can see where these wires lead to on their car I would be forever in your debt.
1998 S70 Right Front Flat - Now Car wont start
-
jjackson81281
- Posts: 4
- Joined: 16 November 2013
- Year and Model: S70 98
- Location: United States
1998 S70 Right Front Flat - Now Car wont start
- Attachments
-
- broken wires.PNG (261.87 KiB) Viewed 380 times
-
Ozark Lee
- MVS Moderator
- Posts: 14798
- Joined: 7 September 2006
- Year and Model: Many Volvos
- Location: USA Midwest
- Has thanked: 4 times
- Been thanked: 75 times
It is tough to tell from the diagram since the connector number itself isn't called out. What are the wire colors? If we have the correct wire colors then we can possibly work backwards to identify it.
The root of your problem sounds like an immobilizer circuit from the alarm system.
...Lee
The root of your problem sounds like an immobilizer circuit from the alarm system.
...Lee
'94 850 N/A 5 speed
'96 Platinum Edition Turbo
Previous:
1999 V70XC - Nautic Blue - Totaled while parked.
1999 V70XC - RIP - Wrecked Parts Car.
1998 S70 T5
1996 850 N/A
1989 740 GLT
1986 740 GLT
1972 142 Grand Luxe
'96 Platinum Edition Turbo
Previous:
1999 V70XC - Nautic Blue - Totaled while parked.
1999 V70XC - RIP - Wrecked Parts Car.
1998 S70 T5
1996 850 N/A
1989 740 GLT
1986 740 GLT
1972 142 Grand Luxe
-
jjackson81281
- Posts: 4
- Joined: 16 November 2013
- Year and Model: S70 98
- Location: United States
There are six wires I'm trying to remember the colors from the top of my head cause its at home and I'm at work.
red
black
red/black
violet/white
Pink/white
the last one is either orange, orange/white, or faded brown, faded brown/ white
red
black
red/black
violet/white
Pink/white
the last one is either orange, orange/white, or faded brown, faded brown/ white
-
Ozark Lee
- MVS Moderator
- Posts: 14798
- Joined: 7 September 2006
- Year and Model: Many Volvos
- Location: USA Midwest
- Has thanked: 4 times
- Been thanked: 75 times
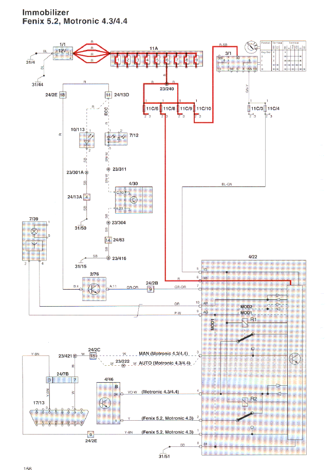
They sound like the immobilizer but there should be more wires than that. See page 156 (.pdf page 47) on the schematics and see if that helps. I would post the schematic but the Volvo legal department won't let me, as a moderator, do that. Someone else that isn't a moderator can post the relevant page but I can't.
...Lee
...Lee
'94 850 N/A 5 speed
'96 Platinum Edition Turbo
Previous:
1999 V70XC - Nautic Blue - Totaled while parked.
1999 V70XC - RIP - Wrecked Parts Car.
1998 S70 T5
1996 850 N/A
1989 740 GLT
1986 740 GLT
1972 142 Grand Luxe
'96 Platinum Edition Turbo
Previous:
1999 V70XC - Nautic Blue - Totaled while parked.
1999 V70XC - RIP - Wrecked Parts Car.
1998 S70 T5
1996 850 N/A
1989 740 GLT
1986 740 GLT
1972 142 Grand Luxe
-
jjackson81281
- Posts: 4
- Joined: 16 November 2013
- Year and Model: S70 98
- Location: United States
You're talking about this right?
I just don't know where these actually go, also witch the key on "on" there is no juice going through any of these wires, i tried shorting them to each other and/or the frame and not a spark.
I just don't know where these actually go, also witch the key on "on" there is no juice going through any of these wires, i tried shorting them to each other and/or the frame and not a spark.
- Attachments
-
- immobilizer.PNG (196.14 KiB) Viewed 366 times
-
Ozark Lee
- MVS Moderator
- Posts: 14798
- Joined: 7 September 2006
- Year and Model: Many Volvos
- Location: USA Midwest
- Has thanked: 4 times
- Been thanked: 75 times
That is it. Thanks for posting what I can't post.
You should have battery voltage on the red wire at all times. If not check fuse number 8.
...Lee
You should have battery voltage on the red wire at all times. If not check fuse number 8.
...Lee
'94 850 N/A 5 speed
'96 Platinum Edition Turbo
Previous:
1999 V70XC - Nautic Blue - Totaled while parked.
1999 V70XC - RIP - Wrecked Parts Car.
1998 S70 T5
1996 850 N/A
1989 740 GLT
1986 740 GLT
1972 142 Grand Luxe
'96 Platinum Edition Turbo
Previous:
1999 V70XC - Nautic Blue - Totaled while parked.
1999 V70XC - RIP - Wrecked Parts Car.
1998 S70 T5
1996 850 N/A
1989 740 GLT
1986 740 GLT
1972 142 Grand Luxe
- abscate
- MVS Moderator
- Posts: 35311
- Joined: 17 February 2013
- Year and Model: 99: V70s S70s,05 V70
- Location: Port Jefferson Long Island NY
- Has thanked: 1506 times
- Been thanked: 3822 times
Shorting wires to ground isn't a good testing protocol. You will probably blow fuses which won't make troubleshooting easier. A simple voltmeter is about 10 bucks from radio shack or harbor freight.
Worst case you might damage electrical components, especially if you have grounds broken.
Worst case you might damage electrical components, especially if you have grounds broken.
Empty Nester
A Captain in a Sea of Estrogen
1999-V70-T5M56 2005-V70-M56 1999-S70 VW T4 XC90-in-Red
Link to Maintenance record thread
A Captain in a Sea of Estrogen
1999-V70-T5M56 2005-V70-M56 1999-S70 VW T4 XC90-in-Red
Link to Maintenance record thread
-
jjackson81281
- Posts: 4
- Joined: 16 November 2013
- Year and Model: S70 98
- Location: United States
I have one, didn't have it with me at the time. Anyways fuse 8 was fine. Seen a video on YouTube that shows fender removed, that loom I believe is unused. Should go into a rubber plug by the door but it has never been penetrated. I'm starting to believe that it is the ignition switch since I'm having trouble getting the keys out.
-
- Similar Topics
- Replies
- Views
- Last post
-
- 2 Replies
- 3740 Views
-
Last post by andlid
-
- 5 Replies
- 852 Views
-
Last post by difflock54






