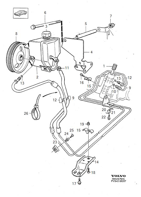
For the last 6 months I have had a slow leak in my power steering system (refill once every 10 days), today when I pulled out of the garage the entire system had emptied overnight. I jacked it up and looked underneath and it looks like it is leaking from item #13 or #10 (see attached picture). There does not seem to be excessive rust on those junction points, so I have a few questions:
1. How the HELL do I get to those 2 bolts?
2. Do I need a whole new rack now or can I just replace the lines?
3. If a new rack is needed, any idea on how much labor would be? I've look into it and I'm not quite up for that at the moment.
4. Any reliable sources for a good used rack? Since I have a 1994, would a S70/V70 rack be interchangeable? If I go used, I'd much rather get a rack from a 2000 than a 1994.
Any help or suggestions would be greatly appreciated.
Thanks.................Eddie G
1994 850 Power Steering Leaking Badly
-
shaker_chi
- Posts: 400
- Joined: 29 June 2009
- Year and Model: 94 850, 98 S70T5 M
- Location: Chicago
- Has thanked: 3 times
- Been thanked: 3 times
1994 850 Power Steering Leaking Badly
- Attachments
-
- fixed title... please no all caps
- powersteering.jpg (58.69 KiB) Viewed 1142 times
- erikv11
- Posts: 11800
- Joined: 25 July 2009
- Year and Model: 850, V70, S60R, XC70
- Location: Iowa
- Has thanked: 292 times
- Been thanked: 765 times
(1) I have only replaced the rack with the engine out, even then those two fasteners were an annoyance. Likely the engine needs supporting, the subframe dropped etc. Maybe the sway bar needs to come out. Hopefully someone will chime in.
(2) If that is indeed the leak then you probably do not need a new rack. I would take it to the indie and ask him to check them out, simply tightening may solve the leak.
(3) I don't know.
(4) In your other post, I thought you were looking for an S70 rack, oops. As long as they are both TRW or both SMI, any 93-00 will be a direct swap (excluding AWD racks). Or a C70 FWD up to 2004. Try Erie or Southern (top of this page).
(2) If that is indeed the leak then you probably do not need a new rack. I would take it to the indie and ask him to check them out, simply tightening may solve the leak.
(3) I don't know.
(4) In your other post, I thought you were looking for an S70 rack, oops. As long as they are both TRW or both SMI, any 93-00 will be a direct swap (excluding AWD racks). Or a C70 FWD up to 2004. Try Erie or Southern (top of this page).
'95 854 T-5R, Motronic 4.4, 185k
'98 V70, T5 tune-injectors-turbo, LPT engine, 304k, daily driver
'06 S60 R, 197k
'07 XC70, black, 205k
'07 XC70, willow green, 212k
'99 Camry V6
153k
gone: '96 NA 850 210k, '98 NA V70 182k, '98 S70 NA 225k, '96 855 NA 169k
'98 V70, T5 tune-injectors-turbo, LPT engine, 304k, daily driver
'06 S60 R, 197k
'07 XC70, black, 205k
'07 XC70, willow green, 212k
'99 Camry V6
gone: '96 NA 850 210k, '98 NA V70 182k, '98 S70 NA 225k, '96 855 NA 169k
-
shaker_chi
- Posts: 400
- Joined: 29 June 2009
- Year and Model: 94 850, 98 S70T5 M
- Location: Chicago
- Has thanked: 3 times
- Been thanked: 3 times
Thanks Erik. I was looking online last night and saw some O/E racks rebuilt by Detroit Axle. Have you heard anything about them. If I have to replace the rack I am only doing it ONCE!!! I'm definitely going with O/E or at least a rebuilt O/E. Let me know.
- erikv11
- Posts: 11800
- Joined: 25 July 2009
- Year and Model: 850, V70, S60R, XC70
- Location: Iowa
- Has thanked: 292 times
- Been thanked: 765 times
Most rebuilt racks will be rebuilt on an OE core. The clincher is, what kind of seals and other parts do they use and who did the rebuild (was it here or offshore somewhere, if so then where?). I don't know that company, can't say, they may be fine.
The only reman rack I am for sure comfortable with is from Jorgen Automotive (e.g. see my comments in https://www.matthewsvolvosite.com/forums ... =1&t=65461 and https://www.matthewsvolvosite.com/forums ... =1&t=65578). I am sure there are other options, but I haven't tried them or heard about them.
The only reman rack I am for sure comfortable with is from Jorgen Automotive (e.g. see my comments in https://www.matthewsvolvosite.com/forums ... =1&t=65461 and https://www.matthewsvolvosite.com/forums ... =1&t=65578). I am sure there are other options, but I haven't tried them or heard about them.
'95 854 T-5R, Motronic 4.4, 185k
'98 V70, T5 tune-injectors-turbo, LPT engine, 304k, daily driver
'06 S60 R, 197k
'07 XC70, black, 205k
'07 XC70, willow green, 212k
'99 Camry V6
153k
gone: '96 NA 850 210k, '98 NA V70 182k, '98 S70 NA 225k, '96 855 NA 169k
'98 V70, T5 tune-injectors-turbo, LPT engine, 304k, daily driver
'06 S60 R, 197k
'07 XC70, black, 205k
'07 XC70, willow green, 212k
'99 Camry V6
gone: '96 NA 850 210k, '98 NA V70 182k, '98 S70 NA 225k, '96 855 NA 169k
- erikv11
- Posts: 11800
- Joined: 25 July 2009
- Year and Model: 850, V70, S60R, XC70
- Location: Iowa
- Has thanked: 292 times
- Been thanked: 765 times
The rebuilt rack at Detroit Axle is $165 (http://detroitaxle.com/shop/1999-2003-v ... -assembly/) and like all rebuilds comes with inner tie rods. At that price it probably has the $8 tie rods, I am skeptical.
'95 854 T-5R, Motronic 4.4, 185k
'98 V70, T5 tune-injectors-turbo, LPT engine, 304k, daily driver
'06 S60 R, 197k
'07 XC70, black, 205k
'07 XC70, willow green, 212k
'99 Camry V6
153k
gone: '96 NA 850 210k, '98 NA V70 182k, '98 S70 NA 225k, '96 855 NA 169k
'98 V70, T5 tune-injectors-turbo, LPT engine, 304k, daily driver
'06 S60 R, 197k
'07 XC70, black, 205k
'07 XC70, willow green, 212k
'99 Camry V6
gone: '96 NA 850 210k, '98 NA V70 182k, '98 S70 NA 225k, '96 855 NA 169k
-
shaker_chi
- Posts: 400
- Joined: 29 June 2009
- Year and Model: 94 850, 98 S70T5 M
- Location: Chicago
- Has thanked: 3 times
- Been thanked: 3 times
I can use the inner tie rods from my current rack. I just replaced them about 2 years ago with O/E. The website says their work is done in Detroit (I grew up there), so I was a bit more comfortable with that. I'll keep looking around though, that deal seemed too good to be true so it probably is.
- erikv11
- Posts: 11800
- Joined: 25 July 2009
- Year and Model: 850, V70, S60R, XC70
- Location: Iowa
- Has thanked: 292 times
- Been thanked: 765 times
Hmmm I don't know, seeing this
http://volvospeed.com/vs_forum/topic/16 ... usd-10000/
I would almost be tempted to try rackdoctor. It's such a risk though, no way you want to be doing the rack twice.
http://volvospeed.com/vs_forum/topic/16 ... usd-10000/
I would almost be tempted to try rackdoctor. It's such a risk though, no way you want to be doing the rack twice.
'95 854 T-5R, Motronic 4.4, 185k
'98 V70, T5 tune-injectors-turbo, LPT engine, 304k, daily driver
'06 S60 R, 197k
'07 XC70, black, 205k
'07 XC70, willow green, 212k
'99 Camry V6
153k
gone: '96 NA 850 210k, '98 NA V70 182k, '98 S70 NA 225k, '96 855 NA 169k
'98 V70, T5 tune-injectors-turbo, LPT engine, 304k, daily driver
'06 S60 R, 197k
'07 XC70, black, 205k
'07 XC70, willow green, 212k
'99 Camry V6
gone: '96 NA 850 210k, '98 NA V70 182k, '98 S70 NA 225k, '96 855 NA 169k
-
- Similar Topics
- Replies
- Views
- Last post






