Login Register

06 xc90 no crank no start issues

A mid-size luxury crossover SUV, the Volvo XC90 made its debut in 2002 at the Detroit Motor Show. Recognized for its safety, practicality, and comfort, the XC90 is a popular vehicle around the world. The XC90 proved to be very popular, and very good for Volvo's sales numbers, since its introduction in model year 2003 (North America). P2 platform.
Post Reply
Louro
Posts: 2
Joined: 15 May 2019
Year and Model: XC90 2006
Location: El Paso

06 xc90 no crank no start issues

Post by Louro »

As the title states. My XC90 ran great all winter in the Rocky Mountains. Was road tripping home and stopped to see a friend in Denver. Stay the night and next morning no crank no start. All electronics work fine. Never had an issue like that before. Towed to the dealership where they diagnosed it as a bad ECM not grounding the starter relay. They wanted $1800 for the repair. But they could bypass it and start my car so I had them do that and I did the rest of my road trip back to Texas without turning off the vehicle. She ran great and threw no codes or weird sounds for 10 hours without being cut. I bought a new ECM and had XeMod do the transfer. But it did nothing. I guess they couldn’t test for the ecm not grounding the relay. Battery has a great charge. Have tested starter relay and fuses. I can here the small click when I turn the key to position 3 so I read that meant my ignition switch was not the issue. my starter has continuity and no corrosion, and they tested it at the Volvo dealership and said it was fine. I am stumped here. Could it be a bad engine ground? Does the starter relay ground from the engine block ground? I’m also not exactly sure where that located I can’t find any images. Could it be my older keys?

Car: 2006 Volvo XC90 4.4l v8 137k Miles
Symptoms: no crank no start but all electronics work. Has new battery, ECM, and fuses.

User avatar
RickHaleParker
Posts: 7129
Joined: 25 May 2015
Year and Model: See Signature below.
Location: Kansas
Has thanked: 8 times
Been thanked: 958 times

Post by RickHaleParker »

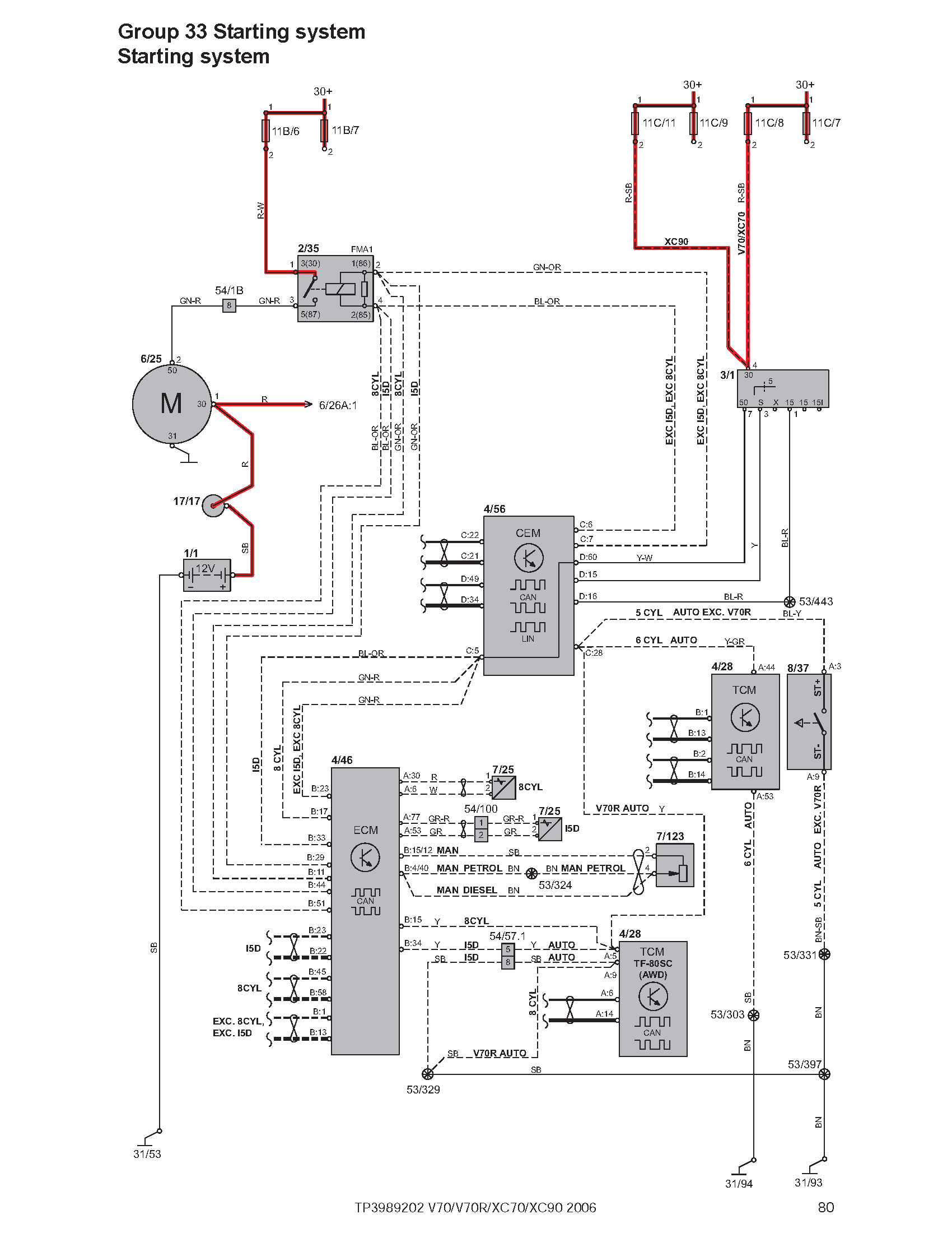
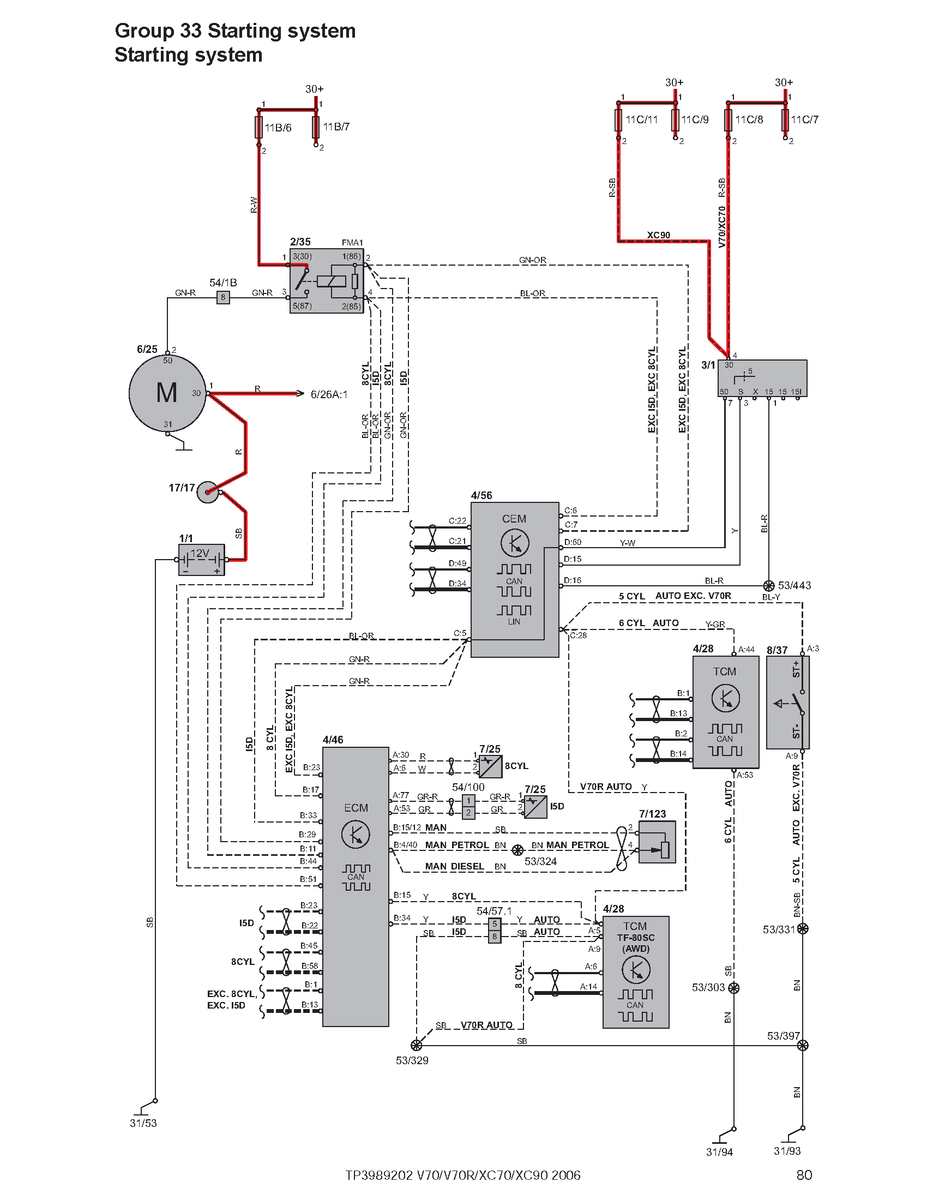
2/35 is the starter relay. The guys in Denver may have got it wrong, have you tried a different starter relay?

On the 8 cylinder power and ground to the starter relay coil is supplied by the ECM.
Check for continuity between the ECM and starter relay on both wires.
Did you clean the ECM connector when you had it out? Was it in good condition?

You can crank and maybe start by pulling the starter relay and jumping pins 1 to 3, with the key on.
Most likely what they did to get it started in Denver.

If the starter relay is confirmed good:
I would start by probing ECM pins B:51 & B:11 with a computer safe logic probe, (with somebody holding the key in start position), to determine if the ECM is outputting both the power and ground for the starter relay ... or not.


2006XC90Starting.png
⸙⸙⸙⸙⸙⸙⸙⸙⸙⸙⸙⸙⸙⸙⸙⸙⸙⸙⸙⸙⸙⸙⸙⸙⸙⸙⸙⸙⸙⸙⸙⸙⸙⸙⸙⸙⸙⸙⸙⸙⸙⸙⸙⸙⸙⸙⸙⸙⸙⸙⸙⸙⸙⸙⸙⸙⸙⸙⸙⸙⸙⸙⸙⸙⸙⸙⸙⸙⸙⸙⸙⸙⸙
1998 C70, B5234T3, 16T, AW50-42, Bosch Motronic 4.4, Special Edition package.
2003 S40, B4204T3, 14T twin scroll AW55-50/51SN, Siemens EMS 2000.
2004 S60R, B8444S TF80 AWD. Yamaha V8 conversion
2005 XC90 T6 Executive, B6294T, 4T65 AWD, Bosch Motronic 7.0.

Louro
Posts: 2
Joined: 15 May 2019
Year and Model: XC90 2006
Location: El Paso

Post by Louro »

RickHaleParker wrote: 16 May 2019, 04:06 2/35 is the starter relay. The guys in Denver may have got it wrong, have you tried a different starter relay?

On the 8 cylinder power and ground to the starter relay coil is supplied by the ECM.
Check for continuity between the ECM and starter relay on both wires.
Did you clean the ECM connector when you had it out? Was it in good condition?

You can crank and maybe start by pulling the starter relay and jumping pins 1 to 3, with the key on.
Most likely what they did to get it started in Denver.

If the starter relay is confirmed good:
I would start by probing ECM pins B:51 & B:11 with a computer safe logic probe, (with somebody holding the key in start position), to determine if the ECM is outputting both the power and ground for the starter relay ... or not.



2006XC90Starting.png

I tested all the relays and put one of the other non essential ones in the starter position and no luck. I did clean the connectors with QD electrical cleaner but I have been trying to find what pins I can test so thank you!!! I will do that here this morning but the ECM connectors looked fine. And yes I can just jump the relay and the starter kicks up.

Thank you for the tips bud I’m about to get after it here I’ll let you know what I find.

Also could this be as simple as my keys? My car was re-keyed before I bought it. And the keys are not from Volvo and starting to look extremely worn. I’m more just wondering if a security fault could cause the ecm to not let the starter ground type deal.

User avatar
RickHaleParker
Posts: 7129
Joined: 25 May 2015
Year and Model: See Signature below.
Location: Kansas
Has thanked: 8 times
Been thanked: 958 times

Post by RickHaleParker »

If it was the keys you would get "start prevented try again" on the message center.
⸙⸙⸙⸙⸙⸙⸙⸙⸙⸙⸙⸙⸙⸙⸙⸙⸙⸙⸙⸙⸙⸙⸙⸙⸙⸙⸙⸙⸙⸙⸙⸙⸙⸙⸙⸙⸙⸙⸙⸙⸙⸙⸙⸙⸙⸙⸙⸙⸙⸙⸙⸙⸙⸙⸙⸙⸙⸙⸙⸙⸙⸙⸙⸙⸙⸙⸙⸙⸙⸙⸙⸙⸙
1998 C70, B5234T3, 16T, AW50-42, Bosch Motronic 4.4, Special Edition package.
2003 S40, B4204T3, 14T twin scroll AW55-50/51SN, Siemens EMS 2000.
2004 S60R, B8444S TF80 AWD. Yamaha V8 conversion
2005 XC90 T6 Executive, B6294T, 4T65 AWD, Bosch Motronic 7.0.

Post Reply
  • Similar Topics
    Replies
    Views
    Last post