Login Register

Reverse lights after manual swap Topic is solved

Help, Advice and DIY Tutorials on Volvo's P80 platform cars -- Volvo's 1990s "bread and butter" cars -- powered by the ubiquitous and durable Volvo inline 5-cylinder engine.

1992 - 1997 850, including 850 R, 850 T-5R, 850 T-5, 850 GLT
1997 - 2000 S70, S70 AWD
1997 - 2000 V70, V70 AWD
1997 - 2000 V70-XC
1997 - 2004 C70

Post Reply
User avatar
RobTheModd
Posts: 1104
Joined: 20 August 2009
Year and Model: 98 S70T5M
Location: Florida
Has thanked: 5 times
Been thanked: 7 times

Reverse lights after manual swap

Post by RobTheModd »

Vehicle - 1998 S70 T5 Manual Swapped. 

Main Issue - Reverse lights never got wired up when swap was done years ago.
Current Issue - Reverse lights still not working once wired up over the weekend.

Items checked / Things done
​​​​​​​I've wired the reverse light switch from the switch to the blue/grey and blue wires.   (There are 2 solid blue wires, I've tried both)
Brand new reverse light switch. 
While in reverse, lights do not come on.  
Fuse (27?) is good. 



Things on the list to check.  
If Bulbs are good (I looked at them and they seem good but ill go buy 2 new ones just because, unless someone can recommend an LED upgrade.) 
Resistance at switch (planning on checking during the week) 
Resistance / Voltage on the blue/grey - blue wires.  
Possibly tossing the old switch back in to try that. 



Looking for help on the issue, what else should I be looking for or at to try and remedy the issue. 

User avatar
abscate
MVS Moderator
Posts: 35267
Joined: 17 February 2013
Year and Model: 99: V70s S70s,05 V70
Location: Port Jefferson Long Island NY
Has thanked: 1497 times
Been thanked: 3809 times

Post by abscate »

Pin 1 of witch 3/10 on top of the M56 should be 12 VDC hot whenever key is in POS II

Check there, and then that PIN 2 goes hot when you go into reverse.

After that, its a simple wiring fault between the 3/10 switch and the lights

See Main Forum Topics for guidance to wiring diagrams on the internet, not hosted here by legal agreement with Volvo
Empty Nester
A Captain in a Sea of Estrogen
1999-V70-T5M56 2005-V70-M56 1999-S70 VW T4 XC90-in-Red
Link to Maintenance record thread

User avatar
RobTheModd
Posts: 1104
Joined: 20 August 2009
Year and Model: 98 S70T5M
Location: Florida
Has thanked: 5 times
Been thanked: 7 times

Post by RobTheModd »

Interesting, ill switch my wires around then as everything I was reading stated the switch polarity did not matter.
That could be my issue as to why im not getting lights as I was moving my ground and not my pos.

Which means I should be able to test which wire is hot while key in POS II to see if its the new switch even.

Gotta love Volvo, I forgot they requested everyone remove their wiring diagrams, had to pull them from our private forum years ago as well.

Thanks

User avatar
abscate
MVS Moderator
Posts: 35267
Joined: 17 February 2013
Year and Model: 99: V70s S70s,05 V70
Location: Port Jefferson Long Island NY
Has thanked: 1497 times
Been thanked: 3809 times

Post by abscate »

12 VDC to Blue should light up the Reverse lights - if not, then there is a wiring problem downstream of the switch.
Empty Nester
A Captain in a Sea of Estrogen
1999-V70-T5M56 2005-V70-M56 1999-S70 VW T4 XC90-in-Red
Link to Maintenance record thread

User avatar
RickHaleParker
Posts: 7129
Joined: 25 May 2015
Year and Model: See Signature below.
Location: Kansas
Has thanked: 8 times
Been thanked: 958 times

Post by RickHaleParker »

RobTheModd wrote: 24 Feb 2020, 07:31
Things on the list to check.  
If Bulbs are good (I looked at them and they seem good but ill go buy 2 new ones just because, unless someone can recommend an LED upgrade.) 
Resistance at switch (planning on checking during the week) 
Resistance / Voltage on the blue/grey - blue wires.  
Possibly tossing the old switch back in to try that. 
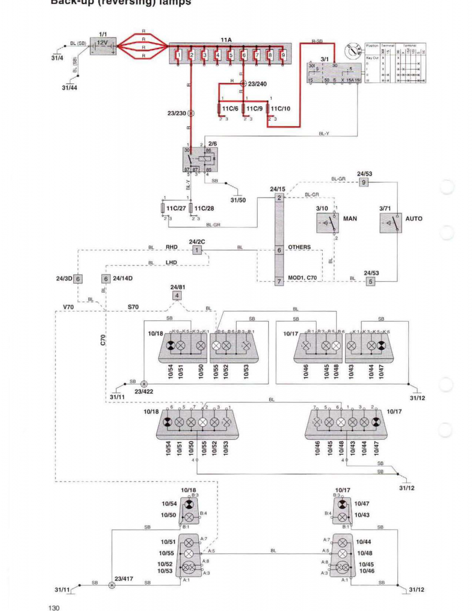
Key must be in POS II for the Back-up lights to work.

Fuse 11A/4.
Relay 2/6 and signal from ignition switch (3/1).

3/10 & 3/71 are the back-up switches.
2/6 is the overload relay.
24/X are connectors.

If you are getting voltage at the Back-up switch 11A/4, 11C/27, 2/6, signal from ignition switch and connectors are good.
1998S70Back-up.png
⸙⸙⸙⸙⸙⸙⸙⸙⸙⸙⸙⸙⸙⸙⸙⸙⸙⸙⸙⸙⸙⸙⸙⸙⸙⸙⸙⸙⸙⸙⸙⸙⸙⸙⸙⸙⸙⸙⸙⸙⸙⸙⸙⸙⸙⸙⸙⸙⸙⸙⸙⸙⸙⸙⸙⸙⸙⸙⸙⸙⸙⸙⸙⸙⸙⸙⸙⸙⸙⸙⸙⸙⸙
1998 C70, B5234T3, 16T, AW50-42, Bosch Motronic 4.4, Special Edition package.
2003 S40, B4204T3, 14T twin scroll AW55-50/51SN, Siemens EMS 2000.
2004 S60R, B8444S TF80 AWD. Yamaha V8 conversion
2005 XC90 T6 Executive, B6294T, 4T65 AWD, Bosch Motronic 7.0.

User avatar
RobTheModd
Posts: 1104
Joined: 20 August 2009
Year and Model: 98 S70T5M
Location: Florida
Has thanked: 5 times
Been thanked: 7 times

Post by RobTheModd »

Thank you both.
I'm going to put 12v to the blue wire and see what happens.

If nothing happens ill start in on the chain to see where the fault is starting with fresh bulbs.

scot850
Posts: 14864
Joined: 5 April 2010
Year and Model: 2000 V70 R
Location: Calgary, Alberta, Canada
Has thanked: 1834 times
Been thanked: 1709 times

Post by scot850 »

As I have not owned an S70, are the back up lights in the rear cluster in the rear wings or in the trunk lid? If it is in the trunk lid then a broken wire at the trunk hinge is a probability.

Neil.
2006 V70 2.5T AWD Polestar tune
2000 V70 R - still being an endless PITA
2006 XC70 - Our son now has this and still parked in our garage
2003 Toyota 4Runner V8 Limited
2015 Kia Sportage EX-L - Sold
1993 850 GLT -Sold
1998 V70 XC - Sold
1997 Volvo 850 SE NA - Went to niece in California - Sold
2000 V70 SE NA - Sold

User avatar
RobTheModd
Posts: 1104
Joined: 20 August 2009
Year and Model: 98 S70T5M
Location: Florida
Has thanked: 5 times
Been thanked: 7 times

Post by RobTheModd »

scot850 wrote: 24 Feb 2020, 15:42 As I have not owned an S70, are the back up lights in the rear cluster in the rear wings or in the trunk lid? If it is in the trunk lid then a broken wire at the trunk hinge is a probability.

Neil.
They are in the trunk lid. :D

User avatar
RobTheModd
Posts: 1104
Joined: 20 August 2009
Year and Model: 98 S70T5M
Location: Florida
Has thanked: 5 times
Been thanked: 7 times

Post by RobTheModd »

Update -

Ended up being the harness. 

Plug (pulled from a jy car) was falling apart so when I put it on the switch it pushed the connections out the back which I did not realize until last night.  
​​​​​​​Fixed it annnnd yep. 



Put 12v from battery to the solid blue for reverse and the lights came on so was able to quickly rule out the majority of the system. 

Reverse lights work perfectly now. 

Thank you for the help guys!
As I get the S70 all tidied up and ready for daily use for a couple months as I transition from a 2018 s60 to something new im sure ill be back with more questions, its been awhile since ive worked on the ol boy.

Post Reply
  • Similar Topics
    Replies
    Views
    Last post