Login Register

850 Bluetooth installation YATOUR YTM06 Topic is solved

Help, Advice and DIY Tutorials on Volvo's P80 platform cars -- Volvo's 1990s "bread and butter" cars -- powered by the ubiquitous and durable Volvo inline 5-cylinder engine.

1992 - 1997 850, including 850 R, 850 T-5R, 850 T-5, 850 GLT
1997 - 2000 S70, S70 AWD
1997 - 2000 V70, V70 AWD
1997 - 2000 V70-XC
1997 - 2004 C70

Post Reply
User avatar
manovlov
Posts: 1180
Joined: 6 July 2011
Year and Model: 1995 850 GLT 2.5 170
Location: Grenoble, France
Has thanked: 620 times
Been thanked: 143 times

850 Bluetooth installation YATOUR YTM06

Post by manovlov »

Hy Buddies,

To install correctly my bluetooth pack, the notice says :

"If there is a BLACK ground wire on the harness, please attach it to any metal part of the car stereo body; If there is a YELLOW power wire on the harness, please attach it to the power of the car, which connect to battery; If there is a RED ACC wire on the harness, please attach it to the ACC signal of the car. Without attaching those cables to the right position, this Digital Music Changer will not work!"

On my Volvo wiring harness, i have to the Yatour yellow/black cable, is that right ?

Thanks to those who will help me.

Manov
Last edited by manovlov on 07 Aug 2021, 05:36, edited 1 time in total.
1995/02 850 GLT 2.5 170 Petrol M56

User avatar
Fiodor
Posts: 141
Joined: 17 October 2017
Year and Model: 1997 V70 2.0 T5 AWD
Location: Reims
Has thanked: 13 times
Been thanked: 9 times

Post by Fiodor »

Si je me souviens bien, tu dois avoir un cable jaune et noir qui sort de la prise qui va dans le port chargeur, faut juste réussir à la repiquer sur une prise 12V (celui de l'autoradio est juste à côté).
1997 V70 T5 2.0 AWD with welded angle gear at 240k km
1990 740 Break (dead)

User avatar
BEJinFbk
Posts: 4067
Joined: 5 January 2008
Year and Model: '98 V70 R
Location: Fairbanks, Alaska
Has thanked: 93 times
Been thanked: 146 times

Post by BEJinFbk »

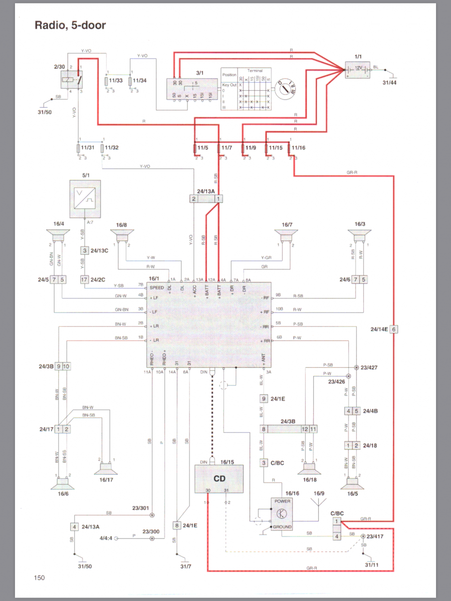
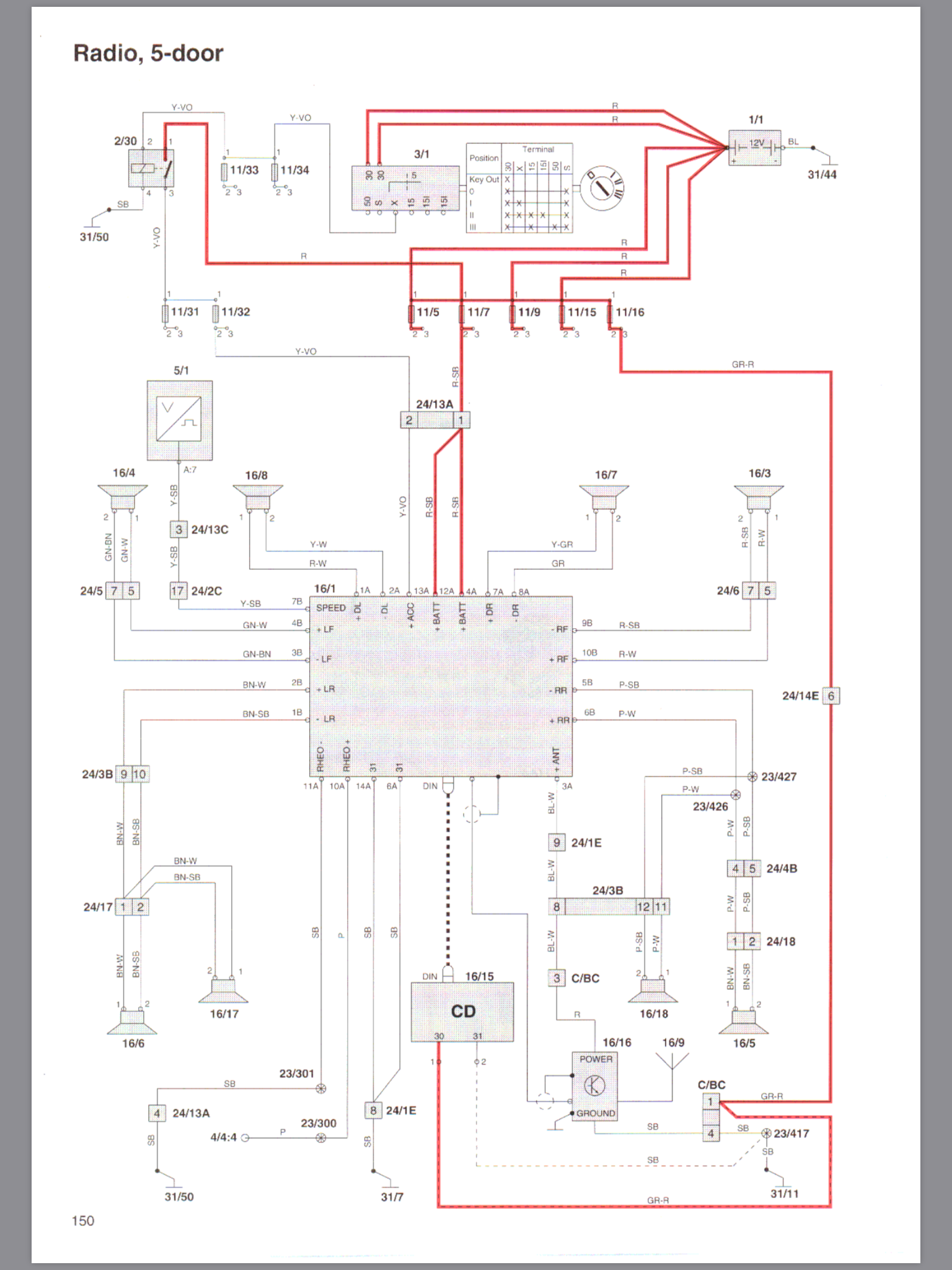
These should get where you need to go:
EA9FF269-8BBF-4525-9EF9-000EAAD24D55.png
7560C0F6-4650-4F36-BA32-ECF771C0ADA8.png
'98 V70 R - Well Equipped for Life Up North... ;)

User avatar
manovlov
Posts: 1180
Joined: 6 July 2011
Year and Model: 1995 850 GLT 2.5 170
Location: Grenoble, France
Has thanked: 620 times
Been thanked: 143 times

Post by manovlov »

Well this product, however it's sold for SC XXX series, doesn't correspond to the SC XXX. The manual says to plug the device on the CD charger switch on the radio, but the switch of the device is to big... Back to the sender. I think the only option is to change the radio unit, which would make me to abandon the idea of keep the 850 as its original state.

And for a unidentified reason, i've lost the 2 dash speakers...

New challenge : 3 cds in the radio, 6 in the charger so 9 cds, let 's compose the right playlist :
  • Guiseppe Puccini - Tosca
  • Miles DAVIS - Kind of Blue
  • Aretha FRANKLIN - Her best masterpieces
-------
  • 2 from my wife
  • 2 from my older son
  • 2 from my younger son
And the radio of course, which let us with plenty of choice. It's time to check the 850 manual, stereo part...
1995/02 850 GLT 2.5 170 Petrol M56

User avatar
manovlov
Posts: 1180
Joined: 6 July 2011
Year and Model: 1995 850 GLT 2.5 170
Location: Grenoble, France
Has thanked: 620 times
Been thanked: 143 times

Post by manovlov »

Finally, this device is not compatibke wirth the SC 901.
1995/02 850 GLT 2.5 170 Petrol M56

Post Reply
  • Similar Topics
    Replies
    Views
    Last post