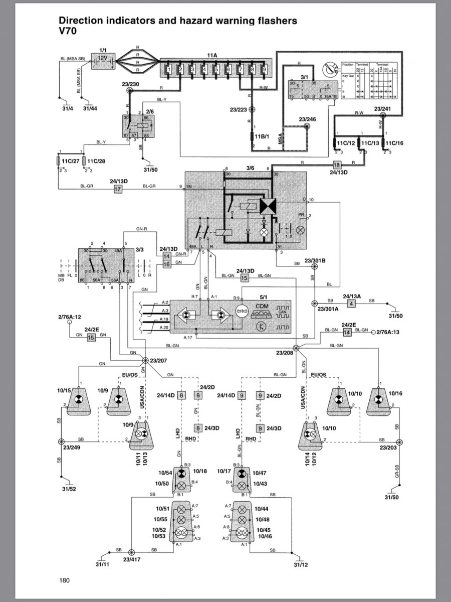
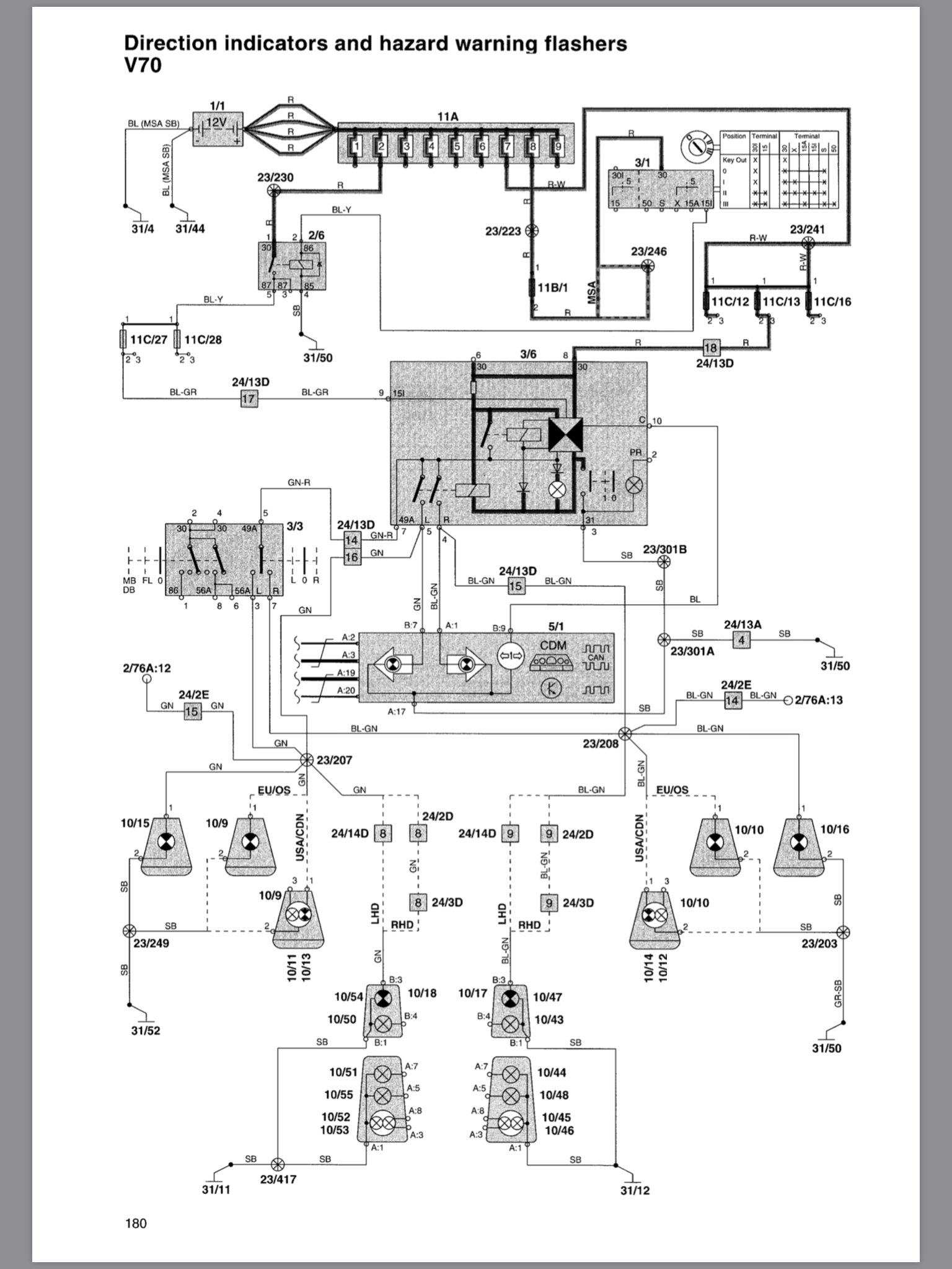
I continue to think it has to matter with a relay, or may be the relays braket could have suffered from the initial wrong plug in operation.scot850 wrote: ↑17 Sep 2021, 16:23
... Started up car and all ran fine. Immediately I turned the light switch to sidelights the engine started running rough and the headlight fullbeam came on (should not be activated) as well as the front fog-light, engine check light and ETS and both direction indicator dash lights.
+1 with The Wize One : to control the wiring.
Manov






