Login Register

2011 XC90 Directional Issue

A mid-size luxury crossover SUV, the Volvo XC90 made its debut in 2002 at the Detroit Motor Show. Recognized for its safety, practicality, and comfort, the XC90 is a popular vehicle around the world. The XC90 proved to be very popular, and very good for Volvo's sales numbers, since its introduction in model year 2003 (North America). P2 platform.
Post Reply
Taskmaster
Posts: 23
Joined: 1 July 2013
Year and Model: 2006 XC70
Location: Boston, MA

2011 XC90 Directional Issue

Post by Taskmaster »

I have a 2011 XC90 that has a left directional that stops working. It works when you first turn the car on, but at some point driving it, the left directional stops working. When it stops working and you try to turn it on the indicator on the dash does not come on and none of the front, rear or side mirror directional lights come on. They will not come on with the hazard switch either. Turning off the car and turning it back on will make the directional start working again which is what really puzzles me the most. Has anyone had this trouble or have any suggestions on what to check for this? I've never run into this type of directional failure before.

User avatar
Krons
Posts: 1072
Joined: 9 January 2022
Year and Model: 08S60 05XC90 02S60
Location: Des Moines, IA
Has thanked: 193 times
Been thanked: 202 times

Post by Krons »

Maybe swap relays? I’d have to check a schematic or fuse/relay diagram to see if left and right are separate.
08 S602.5T/05 XC902.5T/02 S602.4T
08 C702.5T (sold)
05 S402.4i (RIP, timing belt failure)
The non-Swedes:
25 Mazda MX-5 / 17 Frontier Pro-4X / 17 Ford Focus
17 R1200GS / 15 Versys 1000 / 11 DR-Z400S / 07 R1200GSA

Taskmaster
Posts: 23
Joined: 1 July 2013
Year and Model: 2006 XC70
Location: Boston, MA

Post by Taskmaster »

I can't find any relay for turn signals referenced in the owners manual or electrical schematics. I called my local Volvo parts and they told me there wasn't one. Apparently it's handled by the CEM?

User avatar
ggleavitt
Posts: 741
Joined: 4 June 2006
Year and Model: 06,08 XC90 V8
Location: Camano
Has thanked: 23 times
Been thanked: 126 times

Post by ggleavitt »

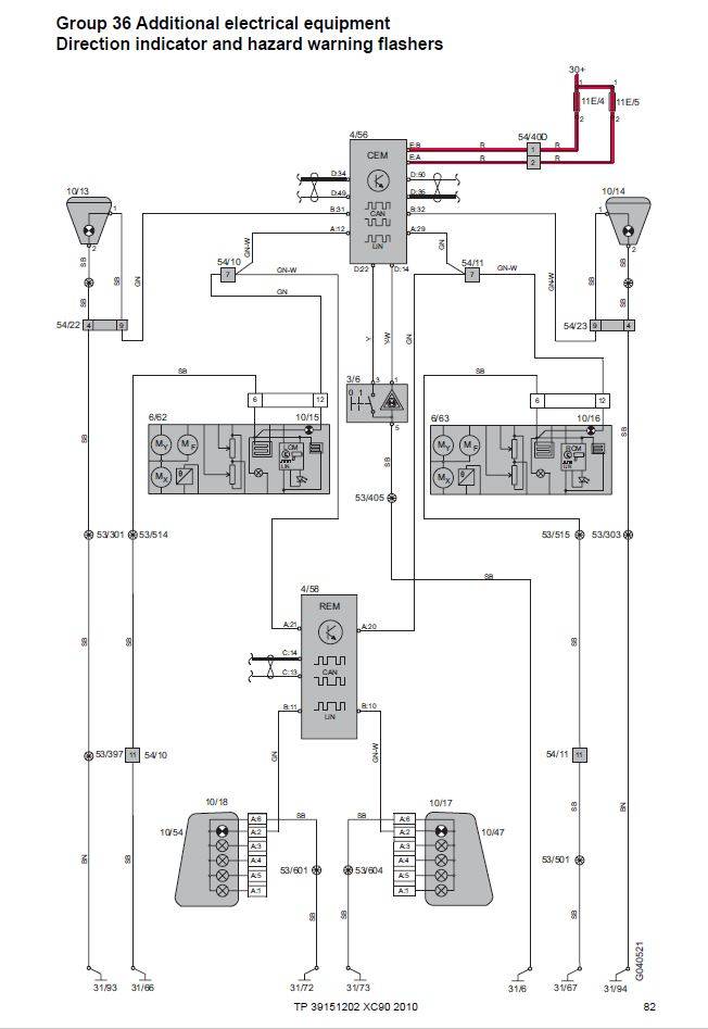
Here's the schematic so folks can have a common visual-
XC90 Turn Signals_2010.JPG
XC90 Turn Signals_2010.JPG (62.77 KiB) Viewed 497 times
Scenario is odd, I would like to make this a door problem since it's left side but it doesn't fully fit the symptoms in that you can reset with a shutdown and re-start. Nevertheless, if you have a minute gently pull the rubber cable cover on the driver's side door connector and look closely at all of the wires at the connector itself, make sure none are damaged (showing bare conductor). I'll think on this some more, if you have any other detail as to the failure, please feel free to add them.
2006 V8 Ocean Race #740/800 200k, 2008 V8 Sport 183k

chitownV
Posts: 296
Joined: 17 May 2020
Year and Model: 2008 XC90 3.2
Location: Maryland
Has thanked: 15 times
Been thanked: 40 times

Post by chitownV »

Taskmaster wrote: 04 May 2023, 23:16 I can't find any relay for turn signals referenced in the owners manual or electrical schematics. I called my local Volvo parts and they told me there wasn't one. Apparently it's handled by the CEM?
With you being able to shut the vehicle off and on right away would support the CEM causing the issue, as well as the shared (lack of) trigger using either the stalk or hazard switch.

If this is a first sign of water intrusion to the CEM, might be a good idea to double-check the sunroof and windshield cowl drains, in addition to the CEM and it’s connections.

If it isn’t a water issue, it will allow you to check part numbers. Then you can also call XEMODEX and maybe they can help you trouble shoot if it’s a hardware or software issue. XEMODEX is the top place to reach out to when it comes to Volvo P2 CEM issues.

Good luck!
2008 XC90 3.2 AWD - 169k miles, Premium, Versatility 7 passenger, Climate, Convenience, retrofit Morimoto D2S HID bi-xenon, iPd swaybars & poly bushing inserts, Powerflex poly control arm bushings, Bilstein Touring Fr struts, Continental CrossContact LX25 255/55R18, Fr Infinity tweeters & speakers, hardwired cheap $17 Bluetooth to center console aux & pwr, CQuartz UK 3.0 ceramic coated, no oil consumption using Mobil 1 0W-40 even w/ my lead foot

Taskmaster
Posts: 23
Joined: 1 July 2013
Year and Model: 2006 XC70
Location: Boston, MA

Post by Taskmaster »

I never fixed this and now it progressed to the point where it doesn't reset when the vehicle is off. I have a CEM question. I know a used one will need to be reprogrammed to work with the car to start and run, but would an electrical function like the directional work to test with a used CEM without programming? Could I connect a used CEM and test before sending out for reprogramming to make sure the directional worked?

Post Reply
  • Similar Topics
    Replies
    Views
    Last post