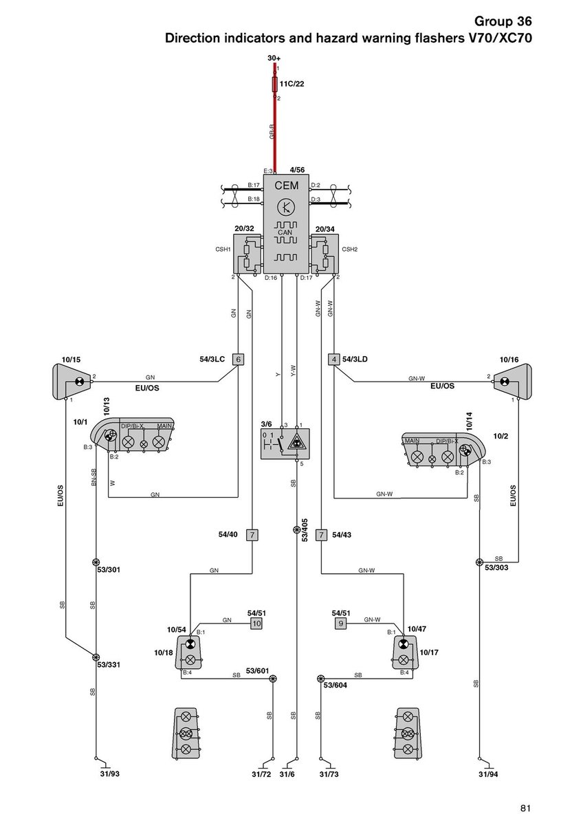
After replacing the front bulb (glass part blown off), the right side signals are constantly in the ON state even with the ignition key
out. Trouble shouted for a couple of days, (pulled all the relays including the CEM) could not find anything wrong.
Drove it to VOLVO today, they told me the CEM is gone. ($1100.00 plus taxes)
Inside the CEM there should be a transistor(blown) or a relay (stuck short) that I could replace.
Anyone has a detailed schematics for the CEM or any ideas how to fix this ?
Thanks






