'96 850 electric door locks
'96 850 electric door locks
The key no longer unlocks the driver side door. The lock does not turn. The remote works fine, but some times the door latch will not engage on this door. Any sugestions on how to fix this?
did you spray any lubricant into the door lock and see how it works?
You might have to remove the whole lock assembly or handly assembly. My guess is that either the mechanism to the key tumbler is jammed up or rusted.. or the key tumbler on the drivers side needs replacement.
Happy Repairs!
You might have to remove the whole lock assembly or handly assembly. My guess is that either the mechanism to the key tumbler is jammed up or rusted.. or the key tumbler on the drivers side needs replacement.
Happy Repairs!
THE FLEET!:
93 854 GLT 20v non-turbo 435,000 KM +
94 854 20v non-turbo 215,000 KM ..new engine
87 745 B230 non-turbo 250,000 KM (newest edition Jan '07)
86 244 GL B230 non-turbo 460,000+ KM
93 854 GLT 20v non-turbo 435,000 KM +
94 854 20v non-turbo 215,000 KM ..new engine
87 745 B230 non-turbo 250,000 KM (newest edition Jan '07)
86 244 GL B230 non-turbo 460,000+ KM
Thanks for the reply. We bought the car used and the key never worked in the drivers door. The key forb always works fine except when the drivers door does not latch. I think you are right about replacing/repairing the key mechanism. Is this repairable or do I need to get a new one? Is a lock smith a good choice for repair. I would like to keep the same key for both doors and the ignition. What do you think. -Carl
- billofdurham
- MVS Moderator
- Posts: 6507
- Joined: 2 February 2006
- Year and Model: 855, 1995
- Location: Durham, England
- Been thanked: 5 times
I agree with CarVolvo. Try lubricating the lock before anything else. I have had this problem on cars in the past.
One of the disadvantages of remote locking is that the key is used so rarely that the mechanism gets filled with dust and water and eventually stops working. Few people oil the locks as a matter of routine. That includes mechanics doing the service.
Every now and then I pour a little light oil on the key and work it around in the lock.
Bill.
One of the disadvantages of remote locking is that the key is used so rarely that the mechanism gets filled with dust and water and eventually stops working. Few people oil the locks as a matter of routine. That includes mechanics doing the service.
Every now and then I pour a little light oil on the key and work it around in the lock.
Bill.
Work was good - retirement is better.
1996 850GLT 2.5 20v Estate Manual.
1995 Peugeot Boxer 2.5Tdi Autosleeper.
Previously:
1984 244DL, Manual, Beige.
1987 744GLE, Manual, Green.
1991 960 3.0 24v, Auto, Silver.
1994 940T Wentworth, Auto, Blue.
1996 850GLT 2.5 20v Estate Manual.
1995 Peugeot Boxer 2.5Tdi Autosleeper.
Previously:
1984 244DL, Manual, Beige.
1987 744GLE, Manual, Green.
1991 960 3.0 24v, Auto, Silver.
1994 940T Wentworth, Auto, Blue.
I guess it depends how you want to use the car and for how long. And how handy you are.
One quick and economical fix would be taking the passenger side door lock and putting it in the drivers side.. as long as the unit is working on the one your borrowing from the passenger side. Chances are most people open the door from the drivers side.
You most likely can get a locksmith to do it but i am sure its going to cost $$$. Maybe you can take it off and have the locksmith look at it or go to your volvo dealer and see if they can get you a replacement tumbler that matches yours.
Please let us all know which route you took and how it worked out so others with this existing or future problems can have this information!
One quick and economical fix would be taking the passenger side door lock and putting it in the drivers side.. as long as the unit is working on the one your borrowing from the passenger side. Chances are most people open the door from the drivers side.
You most likely can get a locksmith to do it but i am sure its going to cost $$$. Maybe you can take it off and have the locksmith look at it or go to your volvo dealer and see if they can get you a replacement tumbler that matches yours.
Please let us all know which route you took and how it worked out so others with this existing or future problems can have this information!
THE FLEET!:
93 854 GLT 20v non-turbo 435,000 KM +
94 854 20v non-turbo 215,000 KM ..new engine
87 745 B230 non-turbo 250,000 KM (newest edition Jan '07)
86 244 GL B230 non-turbo 460,000+ KM
93 854 GLT 20v non-turbo 435,000 KM +
94 854 20v non-turbo 215,000 KM ..new engine
87 745 B230 non-turbo 250,000 KM (newest edition Jan '07)
86 244 GL B230 non-turbo 460,000+ KM
-
Whidbey850
- Posts: 3
- Joined: 9 November 2008
- Year and Model:
- Location:
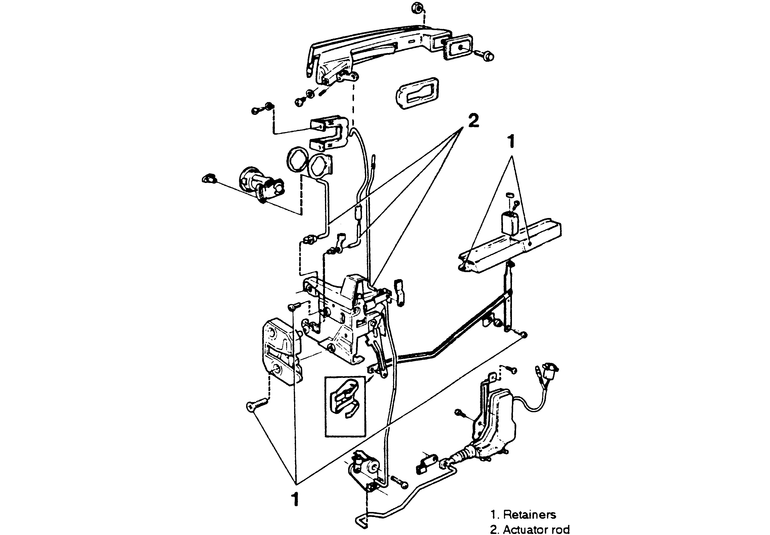
I have the same problem on my '97 850. I got the door panel off and can see that the key turns the lock tumbler, but the door remains locked. I think the linkage between the key lock tumbler and the door locking mechanism has come off. See atttached. I cannot find a way into the bottom of the door without removing the window motor and the whole of the door locking mechanism. and btw, central locking functions normally, I can lock/unlock the car from the oax side.
A "new" handle with the linkage attached would likely solve my problem.
Unless there is a better solution out there.....
A "new" handle with the linkage attached would likely solve my problem.
Unless there is a better solution out there.....
- Attachments
-
- volvo door lock scematic.gif (46.09 KiB) Viewed 1323 times
If the key has never worked since you got the car, there is that possibility that the door has been changed or the lock itself such that your key won't fit it anyway. Has the car been damaged previously to your knowledge?
2004 XC70
2005 S60 2.5T AWD (gone)
1996 850 GLT Wagon in Blue (gone)
1996 850 GLT Wagon in Green (gone)
2005 S60 2.5T AWD (gone)
1996 850 GLT Wagon in Blue (gone)
1996 850 GLT Wagon in Green (gone)
-
SnookWhaler
- Posts: 63
- Joined: 20 April 2007
- Year and Model:
- Location: Treasure Coast, FL
You need to pull the door panel and remove the plastic access panel to the door latch.
You will probably find the one of the little black grommets has come out of one of the "operating rod holes". They are rubber and are deteriorating due to ozone, age and use.
There is several levers and bellcranks in there with these bushings. Look closely and upwards with a flashlight and you can see the handle, operating rods and door lock actuator.
I went through a similar problem on both my rear doors recently and had to replace the rubber grommets with plastic ones in a kit from Advance Auto in the help section.
It sounds like an operating rod has just fallen out of a hole on a bellcrank.
You will probably find the one of the little black grommets has come out of one of the "operating rod holes". They are rubber and are deteriorating due to ozone, age and use.
There is several levers and bellcranks in there with these bushings. Look closely and upwards with a flashlight and you can see the handle, operating rods and door lock actuator.
I went through a similar problem on both my rear doors recently and had to replace the rubber grommets with plastic ones in a kit from Advance Auto in the help section.
It sounds like an operating rod has just fallen out of a hole on a bellcrank.
1994 Volvo 850 sedan 165K
-
Whidbey850
- Posts: 3
- Joined: 9 November 2008
- Year and Model:
- Location:
Got it fixed.
if the key has stopped working in the driver's door lock, you do NOT have to take the door panel off.
The linkage btw the keylock and the door lock has become disconnected and can be reconnected easily. Looking at the door from the end, just above the latching mech, there is a rubber plug about 3/8" in dia, above and to the right of the latching mech.
1. Remove plug.
2. Using dental pick, push the white plastic collar back into the locking mech (inboard, i.e. to the right on the driver's door).
3. It should latch
4. check key lock
5. replace plug
6. piece of CAKE!
if the key has stopped working in the driver's door lock, you do NOT have to take the door panel off.
The linkage btw the keylock and the door lock has become disconnected and can be reconnected easily. Looking at the door from the end, just above the latching mech, there is a rubber plug about 3/8" in dia, above and to the right of the latching mech.
1. Remove plug.
2. Using dental pick, push the white plastic collar back into the locking mech (inboard, i.e. to the right on the driver's door).
3. It should latch
4. check key lock
5. replace plug
6. piece of CAKE!
The OP stated that the lock does not turn when the key is inserted which would indicate a lock/tumbler problem or key problem. If the rods were disconnected, the key would still turn in the lock, just not unlock the car.
2004 XC70
2005 S60 2.5T AWD (gone)
1996 850 GLT Wagon in Blue (gone)
1996 850 GLT Wagon in Green (gone)
2005 S60 2.5T AWD (gone)
1996 850 GLT Wagon in Blue (gone)
1996 850 GLT Wagon in Green (gone)
-
- Similar Topics
- Replies
- Views
- Last post






