Login Register

1989 240 squirting oil

Help, Advice, Owners' Discussion and DIY Tutorials on all Volvo's "mid era" rear wheel drive Volvos.

1975 - 1993 240
1983 - 1992 740
1982 - 1991 760
1986 - 1991 780
1990 - 1998 940
1990 - 1998 960
1997 - 1998 V90/S90

Post Reply
swifty
Posts: 3
Joined: 14 December 2008
Year and Model:
Location:

1989 240 squirting oil

Post by swifty »

I have a 89 240 with a b230f engine. Earlier today i heard a clunk noise from the engine compartment. After driving for about 10 minutes I noiticed a little smoke from the engine and the smell of burning oil. When I got home I looked in the engine compatment and saw oil squirting out the back of the head onto the firewall. What could this be? Thanks for the help.

User avatar
billofdurham
MVS Moderator
Posts: 6507
Joined: 2 February 2006
Year and Model: 855, 1995
Location: Durham, England
Been thanked: 5 times

Post by billofdurham »

Welcome to Matthew's Volvo Site.

Is the oil coming from between the cylinder head and the engine block or between the valve cover and the cylinder head?

Bill.
Work was good - retirement is better.

1996 850GLT 2.5 20v Estate Manual.
1995 Peugeot Boxer 2.5Tdi Autosleeper.
Previously:
1984 244DL, Manual, Beige.
1987 744GLE, Manual, Green.
1991 960 3.0 24v, Auto, Silver.
1994 940T Wentworth, Auto, Blue.

swifty
Posts: 3
Joined: 14 December 2008
Year and Model:
Location:

Post by swifty »

billofdurham wrote:Welcome to Matthew's Volvo Site.

Is the oil coming from between the cylinder head and the engine block or between the valve cover and the cylinder head?

Bill.
I got a mirror and on the back of the head there is a hole that is about 2" in diameter. The oil is spraying out this hole. It is not coming out too fast it lost about a qt in 15 minutes of driving. Thanks for the help.

User avatar
billofdurham
MVS Moderator
Posts: 6507
Joined: 2 February 2006
Year and Model: 855, 1995
Location: Durham, England
Been thanked: 5 times

Post by billofdurham »

It is not coming out too fast it lost about a qt in 15 minutes of driving.
That is a lot of oil in such a short time. You will need to buy your own oil tanker if that continues.

I am still trying to pin down where the oil is coming from. How far down the head is the 'hole'? If it is near to the top, just behind the rocker cover, then it is a simple job to replace a rubber cam plug. If it is further down then you may be looking at a new head.

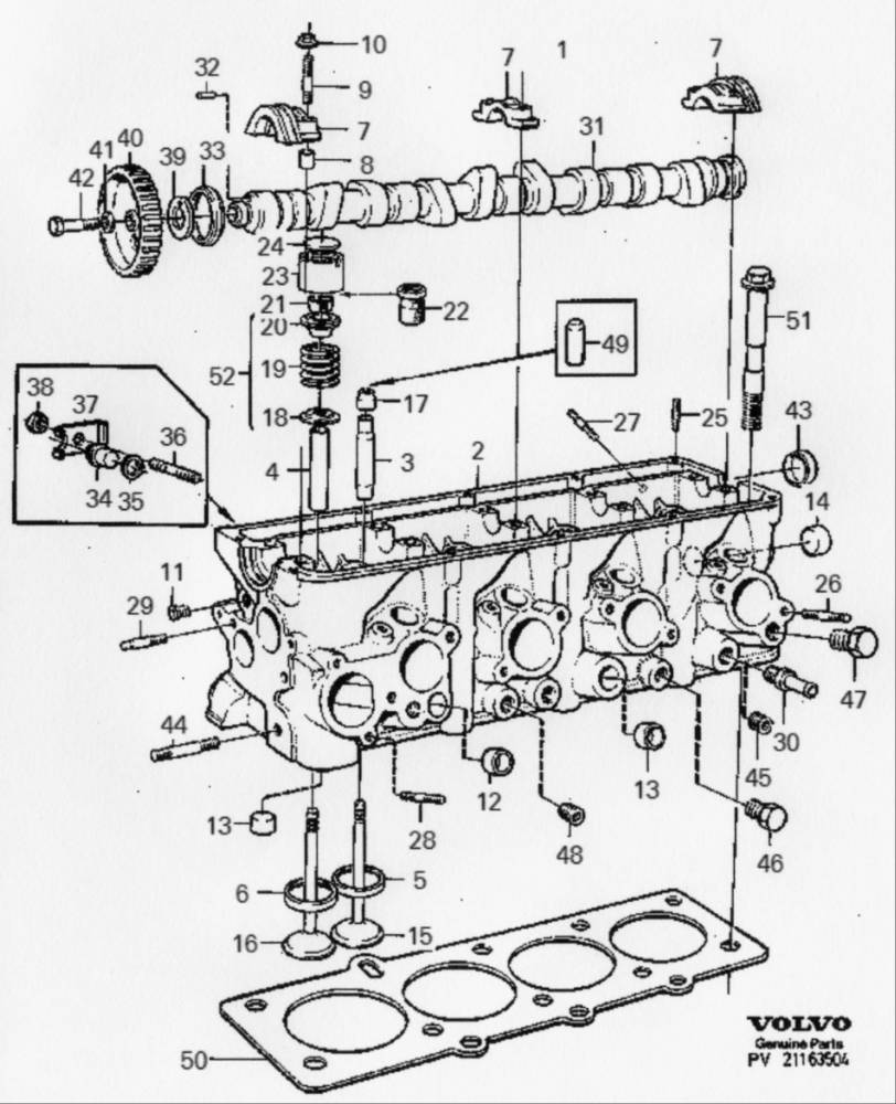
These two attachments are of the cylinder head:
Cylinder head B230Fb.jpg
Cylinder head B230Fb.jpg (114.52 KiB) Viewed 1146 times
Cylinder head B230Fa.jpg
Cylinder head B230Fa.jpg (57.42 KiB) Viewed 1143 times
On the first attachment the rubber plug is #43. On the second attachment the rubber plug would fit between #18, the valve cover, and #11, the cylinder head.

If this is the location of the leak then it is fairly straightforward. You would need a new plug and a valve cover gasket.

Bill.
Work was good - retirement is better.

1996 850GLT 2.5 20v Estate Manual.
1995 Peugeot Boxer 2.5Tdi Autosleeper.
Previously:
1984 244DL, Manual, Beige.
1987 744GLE, Manual, Green.
1991 960 3.0 24v, Auto, Silver.
1994 940T Wentworth, Auto, Blue.

swifty
Posts: 3
Joined: 14 December 2008
Year and Model:
Location:

Post by swifty »

Your right it is the rubber cam seal. THank you very much for the information I thought I had a major problem.

User avatar
billofdurham
MVS Moderator
Posts: 6507
Joined: 2 February 2006
Year and Model: 855, 1995
Location: Durham, England
Been thanked: 5 times

Post by billofdurham »

You are welcome.

Get it fixed as soon as possible. You can't run the risk of losing all your oil as it will probably get worse.

If you can't find the parts locally FCPGroton do them at the enormous cost of $5.99 for the two.

Bill.
Work was good - retirement is better.

1996 850GLT 2.5 20v Estate Manual.
1995 Peugeot Boxer 2.5Tdi Autosleeper.
Previously:
1984 244DL, Manual, Beige.
1987 744GLE, Manual, Green.
1991 960 3.0 24v, Auto, Silver.
1994 940T Wentworth, Auto, Blue.

wojeepster
Posts: 259
Joined: 15 November 2005
Year and Model:
Location: Hendersonville, NC

Post by wojeepster »

It probably blew out the cam plug because the flame trap is plugged. Check and replace before running engine or next time you may blow out the seals (rear main, front engine seal, etc.)

Post Reply
  • Similar Topics
    Replies
    Views
    Last post