1999 Volvo V70XC No Reverse
-
KKiwi
- Posts: 32
- Joined: 4 October 2021
- Year and Model: 1999 V70XC
- Location: Utah
- Been thanked: 2 times
Re: 1999 Volvo V70XC No Reverse
I have no scanner with me at the moment which is a problem. But I just went through that schematic you posted and I went out and started checking for continuity between the wires that were all connected to reverse and I found one of the wires had no continuity. I'll post a picture with the wire highlighted that has no continuity. Would there be any way to see what the wire is supposed to control?
- Attachments
-
- Screenshot_20220508-153951_Chrome.jpg (165.73 KiB) Viewed 543 times
-
scot850
- Posts: 14893
- Joined: 5 April 2010
- Year and Model: 2000 V70 R
- Location: Calgary, Alberta, Canada
- Has thanked: 1850 times
- Been thanked: 1710 times
It my be, but with your update, I would be looking at changing out the PnP switch and cable as it may be a bad wear spot in the PnP switch. If you have a junkyard nearby, it may be worth pulling a used one and trying it?
Neil.
Neil.
2006 V70 2.5T AWD Polestar tune
2000 V70 R - still being an endless PITA
2006 XC70 - Our son now has this and still parked in our garage
2003 Toyota 4Runner V8 Limited
2015 Kia Sportage EX-L - Sold
1993 850 GLT -Sold
1998 V70 XC - Sold
1997 Volvo 850 SE NA - Went to niece in California - Sold
2000 V70 SE NA - Sold
2000 V70 R - still being an endless PITA
2006 XC70 - Our son now has this and still parked in our garage
2003 Toyota 4Runner V8 Limited
2015 Kia Sportage EX-L - Sold
1993 850 GLT -Sold
1998 V70 XC - Sold
1997 Volvo 850 SE NA - Went to niece in California - Sold
2000 V70 SE NA - Sold
- abscate
- MVS Moderator
- Posts: 35301
- Joined: 17 February 2013
- Year and Model: 99: V70s S70s,05 V70
- Location: Port Jefferson Long Island NY
- Has thanked: 1505 times
- Been thanked: 3818 times
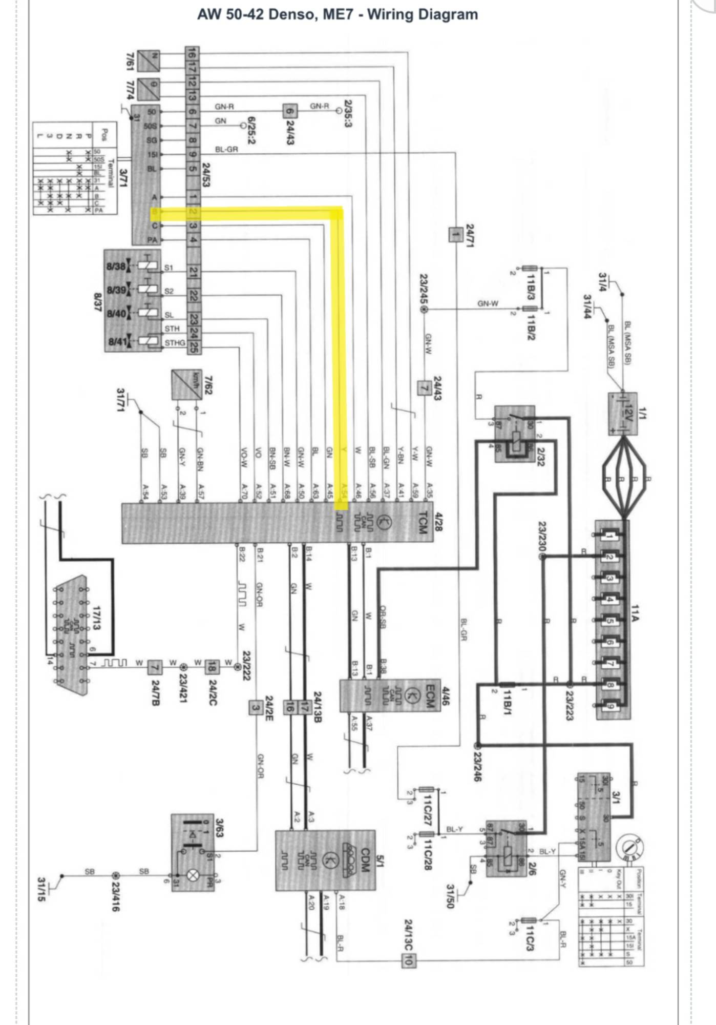
That wire is pulling down both A and B terminals to ground to implement reverse. It looks like those are CANBUS signals
Bingo, there’s your problem
Bingo, there’s your problem
Empty Nester
A Captain in a Sea of Estrogen
1999-V70-T5M56 2005-V70-M56 1999-S70 VW T4 XC90-in-Red
Link to Maintenance record thread
A Captain in a Sea of Estrogen
1999-V70-T5M56 2005-V70-M56 1999-S70 VW T4 XC90-in-Red
Link to Maintenance record thread
-
scot850
- Posts: 14893
- Joined: 5 April 2010
- Year and Model: 2000 V70 R
- Location: Calgary, Alberta, Canada
- Has thanked: 1850 times
- Been thanked: 1710 times
From looking at the wiring diagram, it looks to me like what abscate is saying (wiring is not my strong point) it there could be a wiring or bad connector between the TCU and whatever connector 3/71 is.
As to the PnP switch, they do wear out internally. We call it rowing the gear shift lever back and forth from P to 1 multiple times as it can sometimes clean the contacts in the PnP switch. The contacts do fail and the R is the most used. If your transmission was not working with the old switch, then it would point to the pnp switch not being the issue.
Neil.
As to the PnP switch, they do wear out internally. We call it rowing the gear shift lever back and forth from P to 1 multiple times as it can sometimes clean the contacts in the PnP switch. The contacts do fail and the R is the most used. If your transmission was not working with the old switch, then it would point to the pnp switch not being the issue.
Neil.
2006 V70 2.5T AWD Polestar tune
2000 V70 R - still being an endless PITA
2006 XC70 - Our son now has this and still parked in our garage
2003 Toyota 4Runner V8 Limited
2015 Kia Sportage EX-L - Sold
1993 850 GLT -Sold
1998 V70 XC - Sold
1997 Volvo 850 SE NA - Went to niece in California - Sold
2000 V70 SE NA - Sold
2000 V70 R - still being an endless PITA
2006 XC70 - Our son now has this and still parked in our garage
2003 Toyota 4Runner V8 Limited
2015 Kia Sportage EX-L - Sold
1993 850 GLT -Sold
1998 V70 XC - Sold
1997 Volvo 850 SE NA - Went to niece in California - Sold
2000 V70 SE NA - Sold
- abscate
- MVS Moderator
- Posts: 35301
- Joined: 17 February 2013
- Year and Model: 99: V70s S70s,05 V70
- Location: Port Jefferson Long Island NY
- Has thanked: 1505 times
- Been thanked: 3818 times
I’ll clarify after I get the family off to work this am.
Ok
Disclaimer, I’m not an expert at this stuff. I’ll put it at 90% confidence level
I’ve labeled three things here. The green are the four solenoids that actually change things in th e transmission
The yellow is your bad line
The red is the guts of what happens at the gear selection lever
S1 and S2 control the gears 1-4 by being in one of the four states that two on-off switches can have.
The SL and ST solenoids don’t shift gears, they control torque converter lock up and system pressure
OFF OFF
OFF ON
ON OFF
ON ON
The Volvo UK website tells which state is which gear is which state …
Finally,the Last one show what connects to what in R gear selection
Inthe R position , the lever connects the A and B terminals on the pin out connector to a terminal 31
X-X-X
Ignore the other two connections in R
Terminal 31 is a DIN standard for ground, so that means the pins on TCU that connect to A and B need to be grounded to engage reverse. They aren’t because of your broken yellow wire , shown on my diagram
Ok
Disclaimer, I’m not an expert at this stuff. I’ll put it at 90% confidence level
I’ve labeled three things here. The green are the four solenoids that actually change things in th e transmission
The yellow is your bad line
The red is the guts of what happens at the gear selection lever
S1 and S2 control the gears 1-4 by being in one of the four states that two on-off switches can have.
The SL and ST solenoids don’t shift gears, they control torque converter lock up and system pressure
OFF OFF
OFF ON
ON OFF
ON ON
The Volvo UK website tells which state is which gear is which state …
Finally,the Last one show what connects to what in R gear selection
Inthe R position , the lever connects the A and B terminals on the pin out connector to a terminal 31
X-X-X
Ignore the other two connections in R
Terminal 31 is a DIN standard for ground, so that means the pins on TCU that connect to A and B need to be grounded to engage reverse. They aren’t because of your broken yellow wire , shown on my diagram
Empty Nester
A Captain in a Sea of Estrogen
1999-V70-T5M56 2005-V70-M56 1999-S70 VW T4 XC90-in-Red
Link to Maintenance record thread
A Captain in a Sea of Estrogen
1999-V70-T5M56 2005-V70-M56 1999-S70 VW T4 XC90-in-Red
Link to Maintenance record thread
-
KKiwi
- Posts: 32
- Joined: 4 October 2021
- Year and Model: 1999 V70XC
- Location: Utah
- Been thanked: 2 times
That makes a lot more sense now, thanks for taking the time to explain it all. I always thought I knew a lot with electrical but I guess I've just scratched the tip of the icebergabscate wrote: ↑09 May 2022, 02:18 I’ll clarify after I get the family off to work this am.
Ok
Disclaimer, I’m not an expert at this stuff. I’ll put it at 90% confidence level
I’ve labeled three things here. The green are the four solenoids that actually change things in th e transmission
The yellow is your bad line
The red is the guts of what happens at the gear selection lever
4CAD342B-CDA9-4F6B-BE24-D63B2BF0BAB1.jpeg
S1 and S2 control the gears 1-4 by being in one of the four states that two on-off switches can have.
The SL and ST solenoids don’t shift gears, they control torque converter lock up and system pressure
OFF OFF
OFF ON
ON OFF
ON ON
The Volvo UK website tells which state is which gear is which state …
C2ADC5E2-477C-4796-8E4C-9EEDCE556E1E.png
Finally,the Last one show what connects to what in R gear selection
1A4219A7-AD63-4E5D-92CA-83609E8DE818.jpeg
Inthe R position , the lever connects the A and B terminals on the pin out connector to a terminal 31
X-X-X
Ignore the other two connections in R
Terminal 31 is a DIN standard for ground, so that means the pins on TCU that connect to A and B need to be grounded to engage reverse. They aren’t because of your broken yellow wire , shown on my diagram
-
scot850
- Posts: 14893
- Joined: 5 April 2010
- Year and Model: 2000 V70 R
- Location: Calgary, Alberta, Canada
- Has thanked: 1850 times
- Been thanked: 1710 times
Check for corrosion in connectors and oxide build up. Worth having an old toothbrush and electrical contact spray and clean each connection as you go. Although Volvo used good sealed connectors, sometimes when they are separated, they loose the little silicon gasket in them allowing moisture to enter and corrode away.
Good luck and thanks to abscate for the education. He knows how I love electrical.........!
Neil.
Good luck and thanks to abscate for the education. He knows how I love electrical.........!
Neil.
2006 V70 2.5T AWD Polestar tune
2000 V70 R - still being an endless PITA
2006 XC70 - Our son now has this and still parked in our garage
2003 Toyota 4Runner V8 Limited
2015 Kia Sportage EX-L - Sold
1993 850 GLT -Sold
1998 V70 XC - Sold
1997 Volvo 850 SE NA - Went to niece in California - Sold
2000 V70 SE NA - Sold
2000 V70 R - still being an endless PITA
2006 XC70 - Our son now has this and still parked in our garage
2003 Toyota 4Runner V8 Limited
2015 Kia Sportage EX-L - Sold
1993 850 GLT -Sold
1998 V70 XC - Sold
1997 Volvo 850 SE NA - Went to niece in California - Sold
2000 V70 SE NA - Sold
-
KKiwi
- Posts: 32
- Joined: 4 October 2021
- Year and Model: 1999 V70XC
- Location: Utah
- Been thanked: 2 times
So I ran into a problem. I went out and started tracing the wire. According to the schematic it's a yellow wire so I found it and traced it. Turns out that the yellow wire coming off of the #2 lead from the transmission plug doesn't connect to the #54 lead into the TCU. It connects to the #64 lead. I spent like 20 minutes out looking at this to be positive but it's true. I have continuity with the yellow wire between #2 on my transmission side and #64 on the TCU side. On the bottom of the TCU on the schematic it has another wire coming off of #54 and going straight to ground. So I'm at a complete loss now
-
- Similar Topics
- Replies
- Views
- Last post






