Thanks for that diagram.
I am a complete novice reading wiring diagrams.
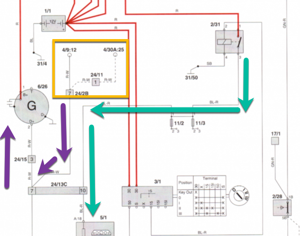
If (and that's a big if) I am reading things right, wouldn't the alternator (G in diagram) get 12 V on the thin wire with the path I've shown with purple arrows once the ignition is in the on positon?
The red wires are all 12 V power lines.
I think 12V signal from number 1 on ignition switch flow eventually to the D+ post (thin wire connection) on alternator?
On my car, with the alternator out of the car, I probed the thin wire connector with the key in off position. 0V.
With the key in on position it showed ~12V (somewhere around 11.7 if I remember correctly.)
I don't know what all the other things are in the purple arrow path. I wish I had time to learn all the wiring diagrams. It would make my life easier.
-A
[edited for spelling}
Question on testing alternator
- abscate
- MVS Moderator
- Posts: 35284
- Joined: 17 February 2013
- Year and Model: 99: V70s S70s,05 V70
- Location: Port Jefferson Long Island NY
- Has thanked: 1502 times
- Been thanked: 3817 times
Your second from right left purple arrow is wrong
The grey thing is a connector, and current only moves on the thin dark lines, which are wires
The ignition switch is directly below your two right most arrows
The 2/31 thing is a relay
I’m on the road so I can’t fix it easily But will do later.
The grey thing is a connector, and current only moves on the thin dark lines, which are wires
The ignition switch is directly below your two right most arrows
The 2/31 thing is a relay
I’m on the road so I can’t fix it easily But will do later.
Empty Nester
A Captain in a Sea of Estrogen
1999-V70-T5M56 2005-V70-M56 1999-S70 VW T4 XC90-in-Red
Link to Maintenance record thread
A Captain in a Sea of Estrogen
1999-V70-T5M56 2005-V70-M56 1999-S70 VW T4 XC90-in-Red
Link to Maintenance record thread
- amblerman
- Posts: 509
- Joined: 18 January 2017
- Year and Model: 1999 s70
- Location: Pennsylvania
- Has thanked: 2 times
- Been thanked: 70 times
Ah. ok thanks. That clears some things up and raises more questions.
It's funny, I don't think I even saw the ignition switch in the lower right. I mean it looks just like where you'd put the key and I didn't even notice it. I was too busy tracing wires around the alternator.
I understand what you mean by the connectors vs wires now.
Seems obvious now.
This is probably closer to being accurate.
And if I wanted to understand where the source of the purple flow is, I'd have to look on other diagrams to understand what the items in the yellow box are correct?
Do you know the significance of the solid vs dotted wire lines? (as in the yellow box)
[edited to make picture more accurate : shifted arrows that were covering wire paths]
It's funny, I don't think I even saw the ignition switch in the lower right. I mean it looks just like where you'd put the key and I didn't even notice it. I was too busy tracing wires around the alternator.
I understand what you mean by the connectors vs wires now.
Seems obvious now.
This is probably closer to being accurate.
And if I wanted to understand where the source of the purple flow is, I'd have to look on other diagrams to understand what the items in the yellow box are correct?
Do you know the significance of the solid vs dotted wire lines? (as in the yellow box)
[edited to make picture more accurate : shifted arrows that were covering wire paths]
- Attachments
-
- route.png (263.85 KiB) Viewed 1292 times
- BEJinFbk
- Posts: 4067
- Joined: 5 January 2008
- Year and Model: '98 V70 R
- Location: Fairbanks, Alaska
- Has thanked: 93 times
- Been thanked: 146 times
The reason that you see voltage on on the small
wire is because it’s feeding from the ignition switch
through the idiot light in the dash. When the alternator
is not turning, it shows the small wire a ground and
that’s why the idiot light comes on in “ lamp test” mode
when you turn on the key, but haven’t started the car, yet.
The solid lines vs dotted usually mean there are more than
one wiring possibilities than can vary from model, transmission
type, LH or RH drive, country, etc.
Your new purple arrows are backwards.
At least when the car is running.
wire is because it’s feeding from the ignition switch
through the idiot light in the dash. When the alternator
is not turning, it shows the small wire a ground and
that’s why the idiot light comes on in “ lamp test” mode
when you turn on the key, but haven’t started the car, yet.
The solid lines vs dotted usually mean there are more than
one wiring possibilities than can vary from model, transmission
type, LH or RH drive, country, etc.
Your new purple arrows are backwards.
At least when the car is running.
'98 V70 R - Well Equipped for Life Up North... 
-
yanga001
- Posts: 787
- Joined: 24 March 2019
- Year and Model: 98/99/00 v/s70’s
- Location: Ontario
- Has thanked: 59 times
- Been thanked: 110 times
Forgive me if this is an ignorant comment but shouldnt the voltage regulator brushes be the same length? If they contact on the shaft then that would allow it to collect the difference off the coils to ground and then filter it through a bridge rectifier and vreg to get your output car voltage. If one of the brushes did not make contact then it would not charge as you are not completing the circuit. Now i do not have access to an open alternator to confirm if it A) operates in this manner and B) to confirm brush measurements.
Normally if you can spin it without heavy resistance (when out of the car) then the coils should be fine. It would make sense in this case if the brushes did not contact as you said it seemed to spin fine.
I hope you figure out what it is.
Try a conductivity test from the shaft to the voltage regulator brushes to see if it is making contact. If it isnt then you might have a bad regulator connection.
Normally if you can spin it without heavy resistance (when out of the car) then the coils should be fine. It would make sense in this case if the brushes did not contact as you said it seemed to spin fine.
I hope you figure out what it is.
Try a conductivity test from the shaft to the voltage regulator brushes to see if it is making contact. If it isnt then you might have a bad regulator connection.
1998 S70 N/A Auto (Parts car)(planned to be harvested)
1998 V70 N/A Auto New full restoration project (Water pump thrown at 404K Km)
1998 V70 N/A Auto (Workhorse) (Tree to driver B pillar
)
1999 S70 T5 Auto(Project) (planned to be fixed)
2000 S70 SE M Learning platform (planned to be driven one day)
2008 S60 2.5T Auto (Sold)
2012 Honda Pilot AWD Touring (Daily)
1998 V70 N/A Auto New full restoration project (Water pump thrown at 404K Km)
1998 V70 N/A Auto (Workhorse) (Tree to driver B pillar
1999 S70 T5 Auto(Project) (planned to be fixed)
2000 S70 SE M Learning platform (planned to be driven one day)
2008 S60 2.5T Auto (Sold)
2012 Honda Pilot AWD Touring (Daily)
- abscate
- MVS Moderator
- Posts: 35284
- Joined: 17 February 2013
- Year and Model: 99: V70s S70s,05 V70
- Location: Port Jefferson Long Island NY
- Has thanked: 1502 times
- Been thanked: 3817 times
Yes, and I meant to add this from roadForgive me if this is an ignorant comment but shouldnt the voltage regulator brushes be the same length?
+1000 for probably finding root cause. These have to both contact the armature to pass current, and if they are different lengths, one of them is stuck
If you think about it a bit, you can tell which one is stuck.
Long one?
Short one?
Empty Nester
A Captain in a Sea of Estrogen
1999-V70-T5M56 2005-V70-M56 1999-S70 VW T4 XC90-in-Red
Link to Maintenance record thread
A Captain in a Sea of Estrogen
1999-V70-T5M56 2005-V70-M56 1999-S70 VW T4 XC90-in-Red
Link to Maintenance record thread
- amblerman
- Posts: 509
- Joined: 18 January 2017
- Year and Model: 1999 s70
- Location: Pennsylvania
- Has thanked: 2 times
- Been thanked: 70 times
The brushes definitely should be the same length.
However, they aren't so something is funky.
As far as I can tell, they slide smoothly. No binding or hanging up.
I have watched a few alternator repair videos and more than once the brushes they took out were of different lengths.
to my un-calibrated finger, I think I sense one brush is under slightly more spring pressure than the other. The on that is shorter seems like the spring is a bit firmer than the longer one. Maybe I'm imagining it. If the spring is a bit firmer, perhaps it's been under just a bit more pressure than the other over the years and miles and worn out a little bit sooner.
Or maybe when it was assembled, one of the springs didn't seat fully and therefore causes the spring to be more compressed.
However, they both do slide smoothly. Pressing on them I can't tell any difference in now they slide in and out other than a possibly imagined spring tension difference.
Regardless, in one of the videos I watched the alternator was out of a volvo and looked a lot like mine. In that video he said the brushes have a minimum length of around 5mm. my short one is ~ 6mm so it's getting close to end of life anyway. I have a new voltage regulated ordered.
Man o man do they vary in price. ~$40 for new Bosch through one of the the site's sponsors, $144 for Volvo branded Bosch through different site sponsor, $179 local for non-bosch . Crazy
However, they aren't so something is funky.
As far as I can tell, they slide smoothly. No binding or hanging up.
I have watched a few alternator repair videos and more than once the brushes they took out were of different lengths.
to my un-calibrated finger, I think I sense one brush is under slightly more spring pressure than the other. The on that is shorter seems like the spring is a bit firmer than the longer one. Maybe I'm imagining it. If the spring is a bit firmer, perhaps it's been under just a bit more pressure than the other over the years and miles and worn out a little bit sooner.
Or maybe when it was assembled, one of the springs didn't seat fully and therefore causes the spring to be more compressed.
However, they both do slide smoothly. Pressing on them I can't tell any difference in now they slide in and out other than a possibly imagined spring tension difference.
Regardless, in one of the videos I watched the alternator was out of a volvo and looked a lot like mine. In that video he said the brushes have a minimum length of around 5mm. my short one is ~ 6mm so it's getting close to end of life anyway. I have a new voltage regulated ordered.
Man o man do they vary in price. ~$40 for new Bosch through one of the the site's sponsors, $144 for Volvo branded Bosch through different site sponsor, $179 local for non-bosch . Crazy
- amblerman
- Posts: 509
- Joined: 18 January 2017
- Year and Model: 1999 s70
- Location: Pennsylvania
- Has thanked: 2 times
- Been thanked: 70 times
Just yesterday I was telling my son that one of the things I wish I knew more about was electricity and electronics. I've done household wiring but not much around auto wiring or any complex systems with multiple components like a car.BEJinFbk wrote: ↑24 Jul 2019, 19:18 The reason that you see voltage on on the small
wire is because it’s feeding from the ignition switch
through the idiot light in the dash. When the alternator
is not turning, it shows the small wire a ground and
that’s why the idiot light comes on in “ lamp test” mode
when you turn on the key, but haven’t started the car, yet.
The solid lines vs dotted usually mean there are more than
one wiring possibilities than can vary from model, transmission
type, LH or RH drive, country, etc.
Your new purple arrows are backwards.
At least when the car is running.
-A
- abscate
- MVS Moderator
- Posts: 35284
- Joined: 17 February 2013
- Year and Model: 99: V70s S70s,05 V70
- Location: Port Jefferson Long Island NY
- Has thanked: 1502 times
- Been thanked: 3817 times
I found the place the car enthusiasts use down your way - itsMan o man do they vary in price. ~$40 for new Bosch through one of the the site's sponsors, $144 for Volvo branded Bosch through different site sponsor, $179 local for non-bosch . Crazy
Henrys Alternator Exchange
Feasterville PA
if you don't mind playing tetris I can loan you my rebuilt while you take yours to Henrys and see if its rebuildable.
I would take a rebuilt OEM over any of the above, btw, especially that $40 Busch. Thats a fake.
Ooops= confused regulator and alternator prices
Empty Nester
A Captain in a Sea of Estrogen
1999-V70-T5M56 2005-V70-M56 1999-S70 VW T4 XC90-in-Red
Link to Maintenance record thread
A Captain in a Sea of Estrogen
1999-V70-T5M56 2005-V70-M56 1999-S70 VW T4 XC90-in-Red
Link to Maintenance record thread
- amblerman
- Posts: 509
- Joined: 18 January 2017
- Year and Model: 1999 s70
- Location: Pennsylvania
- Has thanked: 2 times
- Been thanked: 70 times
abscate wrote: ↑25 Jul 2019, 08:54I found the place the car enthusiasts use down your way - itsMan o man do they vary in price. ~$40 for new Bosch through one of the the site's sponsors, $144 for Volvo branded Bosch through different site sponsor, $179 local for non-bosch . Crazy
Henrys Alternator Exchange
Feasterville PA
if you don't mind playing tetris I can loan you my rebuilt while you take yours to Henrys and see if its rebuildable.
I would take a rebuilt OEM over any of the above, btw, especially that $40 Busch. Thats a fake.
To be clear, the prices I mention were just for the voltage regulator. Not a full alternator.
And I bought it from a site sponsor (thought the link so the site gets credit this time!!) so I hope it's real. I mean it's listed as a Bosch voltage regulator.
Thanks for the info on the alternator rebuilder. I check them out.
Andy
-
- Similar Topics
- Replies
- Views
- Last post






