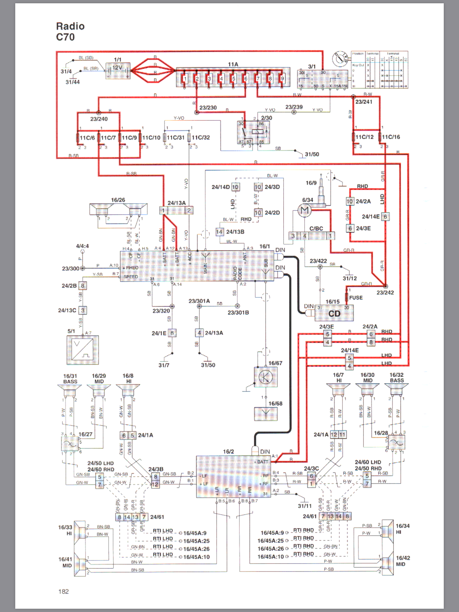
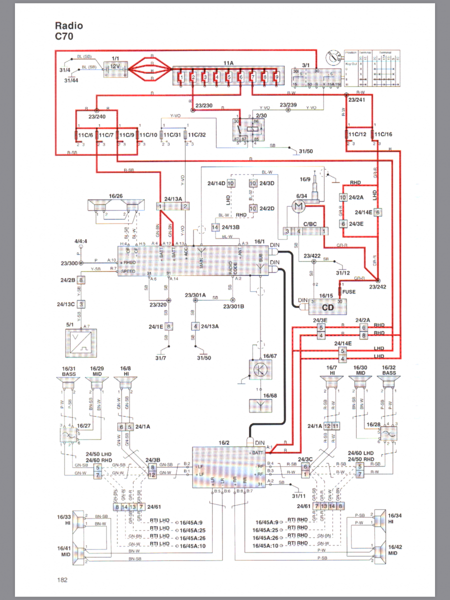
The lonely yellow with a black stripe is a
speed signal lead from the car that allows
the radio’s auto-volume feature know how
fast the car is going and adjust the volume
level accordingly.
The busier connector carries two power,
two ground, a switched power, antenna
power and dash illumination.
The Dolby center channel speaker is on a third
SC-900/901 exclusive green connector. ( IIRC,
there are few other options that may also
appear on this connector for things like
phone mute, etc.)
What’s concerning is, besides the yellow with
a black, I’m not sure if any of the other wires
in your pic are actually for the audio system.
Here are the C70 Coupe diagrams and component
locations. I you have the convertible, let me know
and I’ll see what I can dig up.
.
.
SC-901 cable color connectors A y B and Black-Red cable
-
gusinfantino
- Posts: 13
- Joined: 28 July 2020
- Year and Model: 1998 C70
- Location: Buenos Aires
- Has thanked: 4 times
Thanks a lot BEJinFbk!
I´ve translate and sent the info and pics to the Audio Guy.
I hope he can fix it up.
Kind Regards!!!
I´ve translate and sent the info and pics to the Audio Guy.
I hope he can fix it up.
Kind Regards!!!
-
- Similar Topics
- Replies
- Views
- Last post






